AIRBAG SYSTEM


  1. FUNCTION OF MAIN COMPONENTS


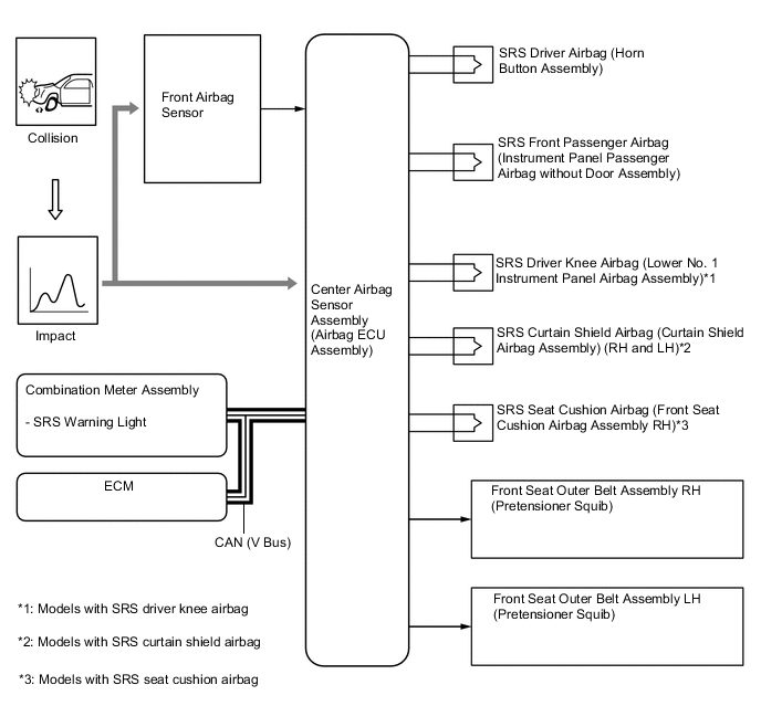
    1. The main components in the airbag system have the following functions:

      Components Outline
      Center Airbag Sensor Assembly (Airbag ECU Assembly)
      • The center airbag sensor assembly receives signals from the deceleration sensor and safing sensor built into the center airbag sensor assembly and one of the front airbag sensors, determines whether the horn button assembly, instrument panel passenger without door airbag assembly, lower No. 1 instrument panel airbag assembly*1, curtain shield airbag assembly*2, front seat cushion airbag assembly RH*3 and front seat belt pretensioner should be activated, and diagnoses system malfunctions.

      • The center airbag sensor assembly receives signals from the deceleration sensor and the safing sensor built into the center airbag sensor assembly, side airbag sensor assembly and No. 2 side airbag sensor assembly, determines whether the curtain shield airbag assembly*2, front seat airbag assembly*4 and front seat belt pretensioner should be activated, and diagnoses system malfunctions.

      • The center airbag sensor assembly sends the airbag deployment signal to the ECM through the Controller Area Network (CAN) to operate the fuel pump control.

      Horn Button Assembly These consist of an inflator, a bag, and so on. The inflator deploys gas in accordance with an expansion signal from the center airbag sensor assembly and deploys the bag.
      Instrument Panel Passenger Airbag without Door Assembly
      Lower No. 1 Instrument Panel Airbag Assembly*1
      Curtain Shield Airbag Assembly*2
      Front Seat Cushion Airbag Assembly RH*3
      Front Seat Airbag Assembly*4
      Front Airbag Sensor The front airbag sensor uses an electrical type deceleration sensor. Based on the deceleration of the vehicle during a frontal collision, a distortion is created in the sensor and converted into an electrical signal.
      Side Airbag Sensor Assembly Detects the deceleration of the vehicle during a collision, and transmits the signal to the center airbag sensor assembly.
      No. 2 Side Airbag Sensor Assembly

      Combination Meter Assembly

      - SRS Warning Light

      The SRS warning light turns on to alert the driver when the center airbag sensor assembly detects a malfunction in the SRS airbag system.
      Airbag Cut Off Switch Cylinder Sub-assembly*5 The deployment of the instrument panel passenger without door airbag assembly and the front passenger side front seat airbag assembly at the time of collisions can be turned on and off as required.
      Occupant Detection ECU*6 The occupant detection ECU judges whether the front passenger seat is occupied based on signals from the occupant detection sensor and the front seat inner belt assembly RH.

      • *1: Models with SRS driver knee airbag

      • *2: Models with SRS curtain shield airbag

      • *3: Models with SRS seat cushion airbag

      • *4: Models with SRS front side airbag

      • *5: Models with airbag cut off switch cylinder sub-assembly

      • *6: Models for Korea

  2. OPERATING CONDITION


    1. If the impact of a collision is greater than the specified value, the SRS is activated automatically. The center airbag sensor assembly includes the safing sensor and deceleration sensor. The safing sensor is designed to turn on at a lower deceleration rate than the deceleration sensor.


      1. In case of a frontal collision, the center airbag sensor assembly determines whether airbag deployment or pretensioner activation is necessary based on signals from the deceleration sensor and the front airbag sensor. If the safing sensor turns on simultaneously, current flows to the squibs to deploy the SRS components as shown in the illustration below. However, a deployment ignition signal may be output with the deceleration sensor on signal even without a signal from a front airbag sensor.

        A01QF7RE02
      2. In case of a side collision, the center airbag sensor assembly determines whether airbag deployment is necessary based on signals from the side airbag sensor assembly. If the safing sensor turns on simultaneously with either the side airbag sensor assembly, current flows to the squibs to deploy the SRS as shown in the illustration below:

        A01QF90E02
      3. In case of a rear side collision, the center airbag sensor assembly determines whether airbag deployment is necessary based on signals from the No. 2 side airbag sensor assembly.

        A01QFSYE02
  3. SYSTEM CONTROL


    1. Airbag for Frontal Collision


      1. For frontal collisions, there are 6 airbags and 2 seat belt pretensioners: an SRS driver airbag (horn button assembly), SRS front passenger airbag (instrument panel passenger without door airbag assembly), SRS driver knee airbag (lower No. 1 instrument panel airbag assembly), SRS curtain shield airbag (curtain shield airbag assembly LH and RH), SRS seat cushion airbag (front seat cushion airbag assembly), front seat outer belt assembly LH and front seat outer belt assembly RH. The deployment of the airbags and the activation of the seat belt pretensioners occur simultaneously.

        A01QFHRE02
    2. Airbags for Side or Side Rear Collision


      1. For a side collision, if the side airbag sensor assembly detects an impact, it informs the center airbag sensor assembly, via the No. 2 side airbag sensor assembly and the center airbag sensor assembly causes the SRS front side airbag (front seat airbag assembly) and SRS curtain shield airbag (curtain shield airbag assembly LH and RH) to be deployed and front seat outer belt LH and RH to be activated and operated simultaneously.

        Figure 1. Side Collision

        A01QF80E01
      2. For a side rear collision, if the No. 2 side airbag sensor assembly detects an impact, it informs the center airbag sensor assembly and the center airbag sensor assembly causes the SRS curtain shield airbag (curtain shield airbag assembly LH and RH) to be deployed.

        Figure 2. Side Rear Collision

        A01QFPOE01
    3. Airbag for Roll Over


      1. If the vehicle is tilted and rolls over, the center airbag sensor assembly activates the seat belt pretensioners for the driver and front passenger and left and right curtain shield airbags based on signals that show the vehicle's roll angle and rotation speed.

        A01QFTWE01
      2. If the vehicle rolls over in a side collision, the center airbag sensor assembly causes the front seat side airbag assembly and curtain shield airbag assembly to deploy based on signals from the side airbag sensor assembly and No. 2 side airbag sensor assembly. Meanwhile, it activates the seat belt pretensioners for the driver and front passenger and the curtain shield airbag on the opposite side of the collision, based on lateral deceleration and rotation speed signals.

        A01QFBYE01
  4. FUNCTION


    1. Airbag Cut Off Switch Cylinder Sub-assembly (Models with Airbag Cut Off Switch Cylinder Sub-assembly)


      1. A cylinder to disable the deployment of the instrument panel passenger without door airbag assembly and the front seat airbag assembly RH has been provided. This cylinder can be used if the deployment of those airbags is dangerous, such as when the passenger is wearing a Child Restraint System (CRS) seat belt.

      2. This cylinder is located on the front passenger side of the instrument panel. The airbag cut off switch cylinder sub-assembly is switched on or off using a mechanical key. When the airbag cut off switch cylinder sub-assembly is off, the passenger airbag off indicator light illuminates. At this time, the instrument panel passenger without door airbag assembly and the front seat airbag assembly RH will be disabled regardless of the collision conditions.

        A01QF20C01
        *1 AIRBAG OFF Indicator Light *2 AIRBAG ON Indicator Light
        *3 Airbag Cut Off Switch Cylinder Sub-assembly - -
  5. DIAGNOSIS


    1. Summary


      1. If the center airbag sensor assembly detects a malfunction in the SRS airbag system, the center airbag sensor assembly stores the malfunction data in memory, in addition to illuminating the SRS warning light.

        A01QFJME09
        *1 Center Airbag Sensor Assembly
        *2 Combination Meter Assembly
        *3 - SRS Warning Light
    2. SRS Airbag System DTCs


      1. The 5-digit DTCs can be read after connecting a Global TechStream (GTS) to the DLC3.

      2. If the SRS airbag deploys, the center airbag sensor assembly turns on the SRS warning light. However, in contrast to the ordinary diagnosis function, a DTC is not stored. The SRS warning light cannot be turned off. It is necessary to replace the center airbag sensor assembly with a new one.