LIGHTING SYSTEM Headlight (HI-BEAM) Circuit

DTC Code DTC Name
Headlight (HI-BEAM) Circuit

DESCRIPTION

The main body ECU (multiplex network body ECU) receives headlight dimmer switch information signals and illuminates the high beam headlights.

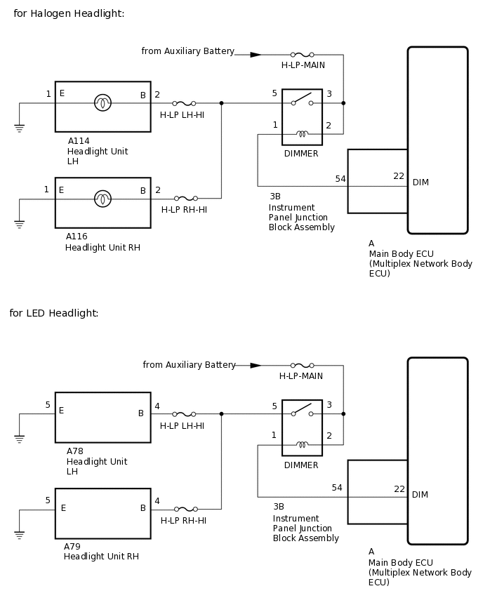
WIRING DIAGRAM

E346655E03

CAUTION / NOTICE / HINT

Note:
  • Inspect the bulbs and fuses for circuits related to this system before performing the following procedure.

  • When replacing the main body ECU (multiplex network body ECU), make sure to replace it with a new one.

PROCEDURE

  1. PERFORM ACTIVE TEST USING GTS (HEADLIGHT HI)

    1. Using the GTS, perform the Active Test.

      Click here

      Body Electrical > Main Body > Active Test

      Tester Display

      Measurement Item

      Control Range

      Diagnostic Note

      Head Light Hi

      Headlight dimmer relay

      ON or OFF

      -

      Body Electrical > Main Body > Active Test

      Tester Display

      Head Light Hi

      OK

      Headlight dimmer relay operates (high beam headlights come on).

    Result

    Proceed to

    OK

    NG

    OK

    REPLACE MAIN BODY ECU (MULTIPLEX NETWORK BODY ECU)

    for LHD:

    Click here

    for RHD:

    Click here

    NG
  2. INSPECT HEADLIGHT DIMMER RELAY (DIMMER)

    1. Remove the headlight dimmer relay from the No. 1 engine room relay block and junction block assembly.

    2. Inspect the headlight dimmer relay.

      Click here

    Result

    Proceed to

    OK

    NG

    NG

    REPLACE HEADLIGHT DIMMER RELAY (DIMMER)

    OK
  3. CHECK HARNESS AND CONNECTOR (HEADLIGHT DIMMER RELAY [DIMMER] - BATTERY)

    1. E355341C01

      *a

      Front view of wire harness connector

      (to Headlight Dimmer Relay)

      Remove the headlight dimmer relay from the No. 1 engine room relay block and junction block assembly.

    2. Measure the voltage according to the value(s) in the table below.

      Standard Voltage

      Tester Connection

      Switch Condition

      Specified Condition

      Headlight dimmer relay terminal 3 - Body ground

      Power switch off

      11 to 14 V

      Headlight dimmer relay terminal 2 - Body ground

      Power switch off

      11 to 14 V

    Result

    Proceed to

    OK

    NG

    NG

    REPAIR OR REPLACE HARNESS OR CONNECTOR

    OK
  4. CHECK HARNESS AND CONNECTOR (HEADLIGHT DIMMER RELAY [DIMMER] - INSTRUMENT PANEL JUNCTION BLOCK ASSEMBLY)

    1. Remove the headlight dimmer relay from the No. 1 engine room relay block and junction block assembly.

    2. Disconnect the 3B instrument panel junction block assembly connector.

    3. Measure the resistance according to the value(s) in the table below.

      Standard Resistance

      Tester Connection

      Condition

      Specified Condition

      Headlight dimmer relay terminal 1 - 3B-54

      Always

      Below 1 Ω

      3B-54 - Body ground

      Always

      10 kΩ or higher

    Result

    Proceed to

    OK

    NG

    NG

    REPAIR OR REPLACE HARNESS OR CONNECTOR

    OK
  5. INSPECT INSTRUMENT PANEL JUNCTION BLOCK ASSEMBLY

    1. E338830E06

      Remove the instrument panel junction block assembly.

      for LHD:

      Click here

      for RHD:

      Click here

    2. Remove the main body ECU (multiplex network body ECU) from the instrument panel junction block assembly.

      for LHD:

      Click here

      for RHD:

      Click here

    3. Measure the resistance according to the value(s) in the table below.

      Standard Resistance

      Tester Connection

      Condition

      Specified Condition

      A-22 (DIM) - 3B-54

      Always

      Below 1 Ω

    Result

    Proceed to

    OK

    NG

    OK

    PROCEED TO NEXT SUSPECTED AREA SHOWN IN PROBLEM SYMPTOMS TABLE

    NG

    REPLACE INSTRUMENT PANEL JUNCTION BLOCK ASSEMBLY

    for LHD:

    Click here

    for RHD:

    Click here