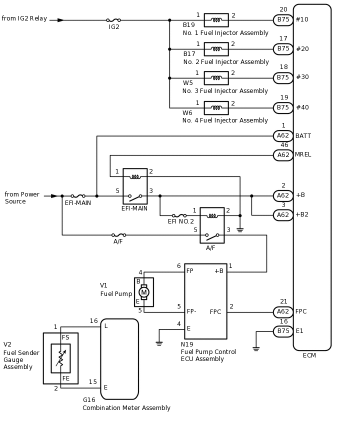
FUEL SYSTEM(w/o Canister Pump Module) SYSTEM DIAGRAM

A378288E02