СИСТЕМА УПРАВЛЕНИЯ ЗАМКАМИ ДВЕРЕЙ СХЕМА СИСТЕМЫ


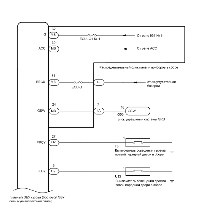
  1. Система управления замками дверей (для моделей с левосторонним рулевым управлением)

    A01OG2QC01
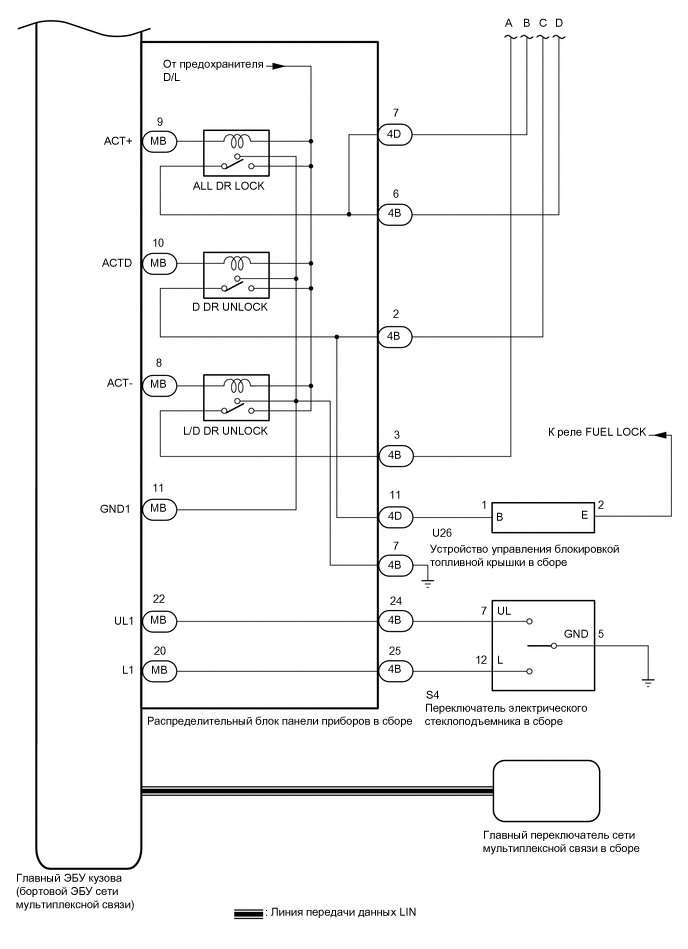
    A01OFYGE01
    A01OFRQE01
    Таблица обмена данными
    Передатчик Приемник Сигнал Линия
    Главный переключатель сети мультиплексной связи в сборе Главный ЭБУ кузова (бортовой ЭБУ сети мультиплексной связи) Сигнал выключателя системы блокировки дверей LIN
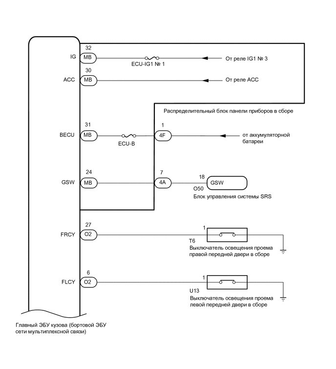
  2. Система управления замками дверей (для моделей с правосторонним рулевым управлением)

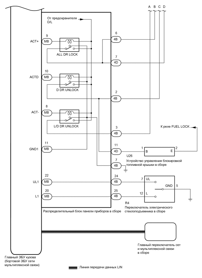
    A01OG2QC02
    A01OFYGE06
    A01OFRQE03
    Таблица обмена данными
    Передатчик Приемник Сигнал Линия
    Главный переключатель сети мультиплексной связи в сборе Главный ЭБУ кузова (бортовой ЭБУ сети мультиплексной связи) Сигнал выключателя системы блокировки дверей LIN
  3. Система двойной блокировки

    A01OFXIE05
    Таблица обмена данными
    Передатчик Приемник Сигнал Линия
    Реле управления двойной блокировкой дверей в сборе Главный ЭБУ кузова (бортовой ЭБУ сети мультиплексной связи) Сигнал позиционного переключателя двойной блокировки LIN
    Главный ЭБУ кузова (бортовой ЭБУ сети мультиплексной связи) Реле управления двойной блокировкой дверей в сборе Сигнал запроса на установку/снятие двойной блокировки LIN