LIGHTING SYSTEM Taillight Relay Circuit

DTC Code DTC Name
Taillight Relay Circuit

DESCRIPTION

The main body ECU (multiplex network body ECU) receives headlight dimmer switch information signals and illuminates the clearance lights, taillights and license plate lights.

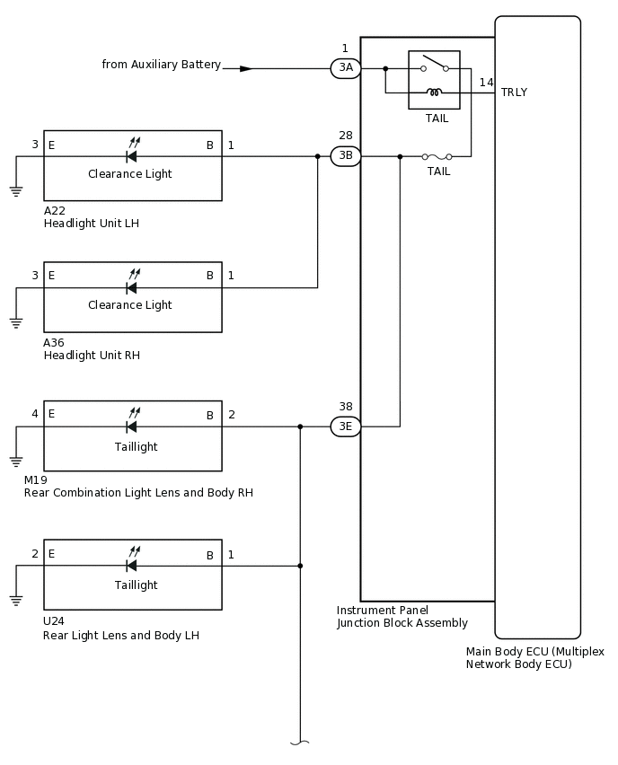
WIRING DIAGRAM

E342966E01
E341471E02

CAUTION / NOTICE / HINT

Note:
  • Inspect the bulbs and fuses for circuits related to this system before performing the following inspection procedure.

  • When replacing the main body ECU (multiplex network body ECU), make sure to replace it with a new one.

PROCEDURE

  1. PERFORM ACTIVE TEST USING GTS (TAILLIGHT RELAY)

    1. Using the GTS, perform the Active Test.

      Click here

      Body Electrical > Main Body > Active Test

      Tester Display

      Measurement Item

      Control Range

      Diagnostic Note

      Taillight Relay

      Taillight relay

      ON or OFF

      -

      Body Electrical > Main Body > Active Test

      Tester Display

      Taillight Relay

    Result

    Proceed to

    Taillights come on

    Taillights do not come on

    Taillights come on

    REPLACE MAIN BODY ECU (MULTIPLEX NETWORK BODY ECU)

    for LHD:

    Click here

    for RHD:

    Click here

    Taillights do not come on
  2. CHECK HARNESS AND CONNECTOR (INSTRUMENT PANEL JUNCTION BLOCK ASSEMBLY - BATTERY)

    1. Disconnect the instrument panel junction block assembly connector.

    2. E270517C01

      *a

      Front view of wire harness connector

      (to Instrument Panel Junction Block Assembly)

      Measure the voltage according to the value(s) in the table below.

      Standard Voltage

      Tester Connection

      Condition

      Specified Condition

      3A-1 - Body ground

      Power switch off

      11 to 14 V

    Result

    Proceed to

    OK

    NG

    NG

    REPAIR OR REPLACE HARNESS OR CONNECTOR

    OK
  3. INSPECT INSTRUMENT PANEL JUNCTION BLOCK ASSEMBLY (TAIL RELAY)

    1. E341929E03

      Remove the instrument panel junction block assembly.

      for LHD:

      Click here

      for RHD:

      Click here

    2. Remove the main body ECU (multiplex network body ECU) from the instrument panel junction block assembly.

      for LHD:

      Click here

      for RHD:

      Click here

    3. Measure the resistance according to the value(s) in the table below.

      Standard Resistance

      Tester Connection

      Condition

      Specified Condition

      3A-1 - 3B-28

      Battery voltage applied between terminals 3A-1 and A-14 (TRLY)

      Below 1 Ω

      Battery voltage not applied between terminals 3A-1 and A-14 (TRLY)

      10 kΩ or higher

      3A-1 - 3E-38

      Battery voltage applied between terminals 3A-1 and A-14 (TRLY)

      Below 1 Ω

      Battery voltage not applied between terminals 3A-1 and A-14 (TRLY)

      10 kΩ or higher

    Result

    Proceed to

    OK

    NG

    OK

    PROCEED TO NEXT SUSPECTED AREA SHOWN IN PROBLEM SYMPTOMS TABLE

    NG

    REPLACE INSTRUMENT PANEL JUNCTION BLOCK ASSEMBLY

    for LHD:

    Click here

    for RHD:

    Click here