AUDIO AND VISUAL SYSTEM(for Radio and Display Type), Diagnostic DTC:B15C3

DTC Code DTC Name
B15C3 Speaker Output Short

DESCRIPTION

for 6 Speakers:

This DTC is stored from the radio and display receiver assembly when a malfunction occurs in the speakers.

for 11 Speakers:

This DTC is stored from the radio and display receiver assembly when a malfunction occurs in the speakers.

In addition, the radio and display receiver assembly detects a malfunction via the stereo component amplifier assembly.

DTC No.

Detection Item

DTC Detection Condition

Trouble Area

B15C3

Speaker Output Short

A short is detected in the speaker output circuit.

  • for 6 Speakers:

  • Harness or connector

  • Speakers

  • Telematics transceiver (w/ Telematics Transceiver)

  • Radio and display receiver assembly

  • for 11 Speakers:

  • Harness or connector

  • Speakers

  • Stereo component amplifier assembly

WIRING DIAGRAM

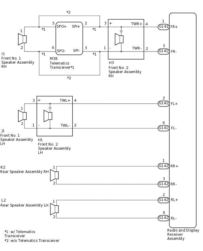
  1. for 6 Speakers

    E353345E08
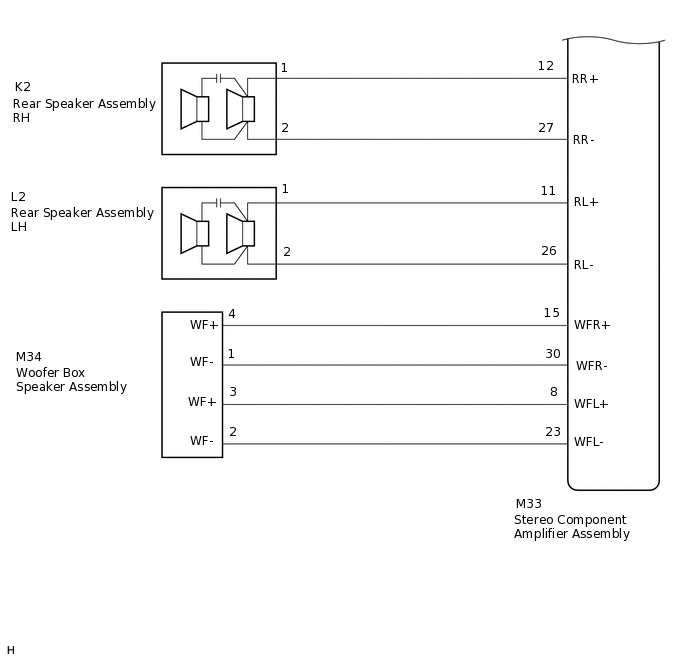
  2. for 11 Speakers

    E273272E04
    E289193E24

CAUTION / NOTICE / HINT

Note:

Depending on the parts that are replaced during vehicle inspection or maintenance, performing initialization, registration or calibration may be needed. Refer to Precaution for Audio and Visual System.

Click here

PROCEDURE

  1. CHECK FOR DTC

    1. Clear the DTCs.

      Click here

      Body Electrical > Navigation System > Clear DTCs

    2. Check for DTCs.

      Click here

      Body Electrical > Navigation System > Trouble Codes

      OK

      No DTCs are output.

    Result

    Proceed to

    OK

    NG

    OK

    USE SIMULATION METHOD TO CHECK

    NG
  2. CONFIRM MODEL

    1. Choose the model to be inspected.

    Result

    Result

    Proceed to

    for 6 Speakers

    A

    for 11 Speakers

    B

    B

    CHECK HARNESS AND CONNECTOR (SPEAKER CIRCUIT)Click here

    A
  3. CHECK HARNESS AND CONNECTOR (SPEAKER CIRCUIT)

    • *1: for RH Side

    • *2: for LH Side

    • *3: w/ Telematics Transceiver

    1. Disconnect the G141 and G142 radio and display receiver assembly connectors.

    2. Disconnect the I1*1 and/or J1*2 front No. 1 speaker assembly connector.

    3. Disconnect the H3*1 and/or H1*2 front No. 2 speaker assembly connector.

    4. Disconnect the K2*1 and/or L2*2 rear speaker assembly connector.

    5. Disconnect the M38 telematics transceiver connector*3.

    6. Measure the resistance according to the value(s) in the table below.

      Standard Resistance

      for RH Side (w/o Telematics Transceiver)

      Tester Connection

      Condition

      Specified Condition

      G141-1 (FR+) - H3-4 (TWR+)

      Always

      Below 1 Ω

      G141-5 (FR-) - H3-2 (TWR-)

      Always

      Below 1 Ω

      H3-3 (+) - I1-1

      Always

      Below 1 Ω

      H3-1 (-) - I1-2

      Always

      Below 1 Ω

      G142-1 (RR+) - K2-1

      Always

      Below 1 Ω

      G142-3 (RR-) - K2-2

      Always

      Below 1 Ω

      G141-1 (FR+) - Body ground

      Always

      10 kΩ or higher

      G141-5 (FR-) - Body ground

      Always

      10 kΩ or higher

      H3-3 (+) - Body ground

      Always

      10 kΩ or higher

      H3-1 (-) - Body ground

      Always

      10 kΩ or higher

      G142-1 (RR+) - Body ground

      Always

      10 kΩ or higher

      G142-3 (RR-) - Body ground

      Always

      10 kΩ or higher

      Table 1. for RH Side (w/ Telematics Transceiver):

      Tester Connection

      Condition

      Specified Condition

      G141-1 (FR+) - H3-4 (TWR+)

      Always

      Below 1 Ω

      G141-5 (FR-) - H3-2 (TWR-)

      Always

      Below 1 Ω

      H3-3 (+) - M38-2 (SPI+)

      Always

      Below 1 Ω

      H3-1 (-) - M38-3 (SPI-)

      Always

      Below 1 Ω

      M38-5 (SPO+) - I1-1

      Always

      Below 1 Ω

      M38-6 (SPO-) - I1-2

      Always

      Below 1 Ω

      G142-1 (RR+) - K2-1

      Always

      Below 1 Ω

      G142-3 (RR-) - K2-2

      Always

      Below 1 Ω

      G141-1 (FR+) - Body ground

      Always

      10 kΩ or higher

      G141-5 (FR-) - Body ground

      Always

      10 kΩ or higher

      H3-3 (+) - Body ground

      Always

      10 kΩ or higher

      H3-1 (-) - Body ground

      Always

      10 kΩ or higher

      M38-5 (SPO+) - Body ground

      Always

      10 kΩ or higher

      M38-6 (SPO-) - Body ground

      Always

      10 kΩ or higher

      G142-1 (RR+) - Body ground

      Always

      10 kΩ or higher

      G142-3 (RR-) - Body ground

      Always

      10 kΩ or higher

      Table 2. for LH Side:

      Tester Connection

      Condition

      Specified Condition

      G141-2 (FL+) - H1-4 (TWL+)

      Always

      Below 1 Ω

      G141-6 (FL-) - H1-2 (TWL-)

      Always

      Below 1 Ω

      H1-3 (+) - J1-1

      Always

      Below 1 Ω

      H1-1 (-) - J1-2

      Always

      Below 1 Ω

      G142-2 (RL+) - L2-1

      Always

      Below 1 Ω

      G142-6 (RL-) - L2-2

      Always

      Below 1 Ω

      G141-2 (FL+) - Body ground

      Always

      10 kΩ or higher

      G141-6 (FL-) - Body ground

      Always

      10 kΩ or higher

      H1-3 (+) - Body ground

      Always

      10 kΩ or higher

      H1-1 (-) - Body ground

      Always

      10 kΩ or higher

      G142-2 (RL+) - Body ground

      Always

      10 kΩ or higher

      G142-6 (RL-) - Body ground

      Always

      10 kΩ or higher

    Result

    Proceed to

    OK

    NG

    NG

    REPAIR OR REPLACE HARNESS OR CONNECTOR

    OK
  4. INSPECT FRONT NO. 1 SPEAKER ASSEMBLY

    1. Remove the front No. 1 speaker assembly.

      Click here

    2. Inspect the front No. 1 speaker assembly.

      Click here

    Result

    Proceed to

    OK

    NG

    NG

    REPLACE FRONT NO. 1 SPEAKER ASSEMBLY

    OK
  5. INSPECT REAR SPEAKER ASSEMBLY

    1. Remove the rear speaker assembly.

      Click here

    2. Inspect the rear speaker assembly.

      Click here

    Result

    Proceed to

    OK

    NG

    NG

    REPLACE REAR SPEAKER ASSEMBLY

    OK
  6. CHECK FRONT NO. 2 SPEAKER ASSEMBLY

    1. Replace the front No. 2 speaker assembly.

      Click here

    2. Clear the DTCs.

      Click here

      Body Electrical > Navigation System > Clear DTCs

    3. Check for DTCs.

      Click here

      Body Electrical > Navigation System > Trouble Codes

      OK

      No DTCs are output.

      Tip:
      • Connect all the connectors to the front No. 2 speaker assemblies that were disconnected.

      • When there is a possibility that either the right or left front speaker is defective, inspect by interchanging the right one with the left one.

      • Perform the above inspection on both LH and RH sides.

    Result

    Proceed to

    OK

    NG (w/ Telematics Transceiver)

    NG (w/o Telematics Transceiver)

    OK

    END (FRONT NO. 2 SPEAKER ASSEMBLY IS DEFECTIVE)

    NG (w/o Telematics Transceiver)

    REPLACE RADIO AND DISPLAY RECEIVER ASSEMBLY

    NG (w/ Telematics Transceiver)
  7. CHECK TELEMATICS TRANSCEIVER

    1. Replace the telematics transceiver with a new one.

      Click here

    2. Clear the DTCs.

      Click here

      Body Electrical > Navigation System > Clear DTCs

    3. Check for DTCs.

      Click here

      Body Electrical > Navigation System > Trouble Codes

      OK

      No DTCs are output.

    Result

    Proceed to

    OK

    NG

    OK

    END (TELEMATICS TRANSCEIVER IS DEFECTIVE)

    NG

    REPLACE RADIO AND DISPLAY RECEIVER ASSEMBLY

  8. CHECK HARNESS AND CONNECTOR (SPEAKER CIRCUIT)

    • *1: for RH Side

    • *2: for LH Side

    1. Disconnect the M33 stereo component amplifier assembly connector.

    2. Disconnect the I1*1 and/or J1*2 front No. 1 speaker assembly connector.

    3. Disconnect the H4*1 and/or H2*2 front No. 2 speaker assembly connector.

    4. Disconnect the K2*1 and/or L2*2 rear speaker assembly connector.

    5. Disconnect the M34 woofer box speaker assembly connector.

    6. Measure the resistance according to the value(s) in the table below.

      Standard Resistance

      for RH Side

      Tester Connection

      Condition

      Specified Condition

      M33-9 (FR+) - I1-1

      Always

      Below 1 Ω

      M33-24 (FR-) - I1-2

      Always

      Below 1 Ω

      M33-13 (TWR+) - H4-4 (TWR+)

      Always

      Below 1 Ω

      M33-28 (TWR-) - H4-3 (TWR-)

      Always

      Below 1 Ω

      M33-12 (RR+) - K2-1

      Always

      Below 1 Ω

      M33-27 (RR-) - K2-2

      Always

      Below 1 Ω

      M33-9 (FR+) - Body ground

      Always

      10 kΩ or higher

      M33-24 (FR-) - Body ground

      Always

      10 kΩ or higher

      M33-13 (TWR+) - Body ground

      Always

      10 kΩ or higher

      M33-28 (TWR-) - Body ground

      Always

      10 kΩ or higher

      M33-12 (RR+) - Body ground

      Always

      10 kΩ or higher

      M33-27 (RR-) - Body ground

      Always

      10 kΩ or higher

      Table 3. for LH Side

      Tester Connection

      Condition

      Specified Condition

      M33-14 (FL+) - J1-1

      Always

      Below 1 Ω

      M33-29 (FL-) - J1-2

      Always

      Below 1 Ω

      M33-10 (TWL+) - H2-4 (TWL+)

      Always

      Below 1 Ω

      M33-25 (TWL-) - H2-3 (TWL-)

      Always

      Below 1 Ω

      M33-11 (RL+) - L2-1

      Always

      Below 1 Ω

      M33-26 (RL-) - L2-2

      Always

      Below 1 Ω

      M33-14 (FL+) - Body ground

      Always

      10 kΩ or higher

      M33-29 (FL-) - Body ground

      Always

      10 kΩ or higher

      M33-10 (TWL+) - Body ground

      Always

      10 kΩ or higher

      M33-25 (TWL-) - Body ground

      Always

      10 kΩ or higher

      M33-11 (RL+) - Body ground

      Always

      10 kΩ or higher

      M33-26 (RL-) - Body ground

      Always

      10 kΩ or higher

      Table 4. for Woofer Box Speaker

      Tester Connection

      Condition

      Specified Condition

      M33-15 (WFR+) - M34-4 (WF+)

      Always

      Below 1 Ω

      M33-30 (WFR-) - M34-1 (WF-)

      Always

      Below 1 Ω

      M33-8 (WFL+) - M34-3 (WF+)

      Always

      Below 1 Ω

      M33-23 (WFL-) - M34-2 (WF-)

      Always

      Below 1 Ω

      M33-15 (WFR+) - Body ground

      Always

      10 kΩ or higher

      M33-30 (WFR-) - Body ground

      Always

      10 kΩ or higher

      M33-8 (WFL+) - Body ground

      Always

      10 kΩ or higher

      M33-23 (WFL-) - Body ground

      Always

      10 kΩ or higher

    Result

    Proceed to

    OK

    NG

    NG

    REPAIR OR REPLACE HARNESS OR CONNECTOR

    OK
  9. INSPECT FRONT NO. 1 SPEAKER ASSEMBLY

    1. Remove the front No. 1 speaker assembly.

      Click here

    2. Inspect the front No. 1 speaker assembly.

      Click here

    Result

    Proceed to

    OK

    NG

    NG

    REPLACE FRONT NO. 1 SPEAKER ASSEMBLY

    OK
  10. INSPECT REAR SPEAKER ASSEMBLY

    1. Remove the rear speaker assembly.

      Click here

    2. Inspect the rear speaker assembly.

      Click here

    Result

    Proceed to

    OK

    NG

    NG

    REPLACE REAR SPEAKER ASSEMBLY

    OK
  11. INSPECT WOOFER BOX SPEAKER ASSEMBLY

    1. Remove the woofer box speaker assembly.

      Click here

    2. Inspect the woofer box speaker assembly.

      Click here

    Result

    Proceed to

    OK

    NG

    NG

    REPLACE WOOFER BOX SPEAKER ASSEMBLY

    OK
  12. CHECK FRONT NO. 2 SPEAKER ASSEMBLY

    1. Replace the front No. 2 speaker assembly.

      Click here

    2. Clear the DTCs.

      Click here

      Body Electrical > Navigation System > Clear DTCs

    3. Check for DTCs.

      Click here

      Body Electrical > Navigation System > Trouble Codes

      OK

      No DTCs are output.

      Tip:
      • Connect all the connectors to the front No. 2 speaker assemblies that were disconnected.

      • When there is a possibility that either the right or left front speaker is defective, inspect by interchanging the right one with the left one.

      • Perform the above inspection on both LH and RH sides.

    Result

    Proceed to

    OK

    NG

    OK

    END (FRONT NO. 2 SPEAKER ASSEMBLY IS DEFECTIVE)

    NG

    REPLACE STEREO COMPONENT AMPLIFIER ASSEMBLY