RELAY ON-VEHICLE INSPECTION

PROCEDURE

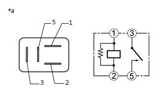
  1. INSPECT H-LP RELAY

    1. E209495C15

      *a

      Component without harness connected

      (H-LP Relay)

      Measure the resistance according to the value(s) in the table below.

      Standard Resistance

      Tester Connection

      Condition

      Specified Condition

      3 - 5

      Voltage not applied between terminals 1 and 2

      10 kΩ or higher

      3 - 5

      Voltage applied between terminals 1 and 2

      Below 1 Ω

      If the result is not as specified, replace the H-LP relay.

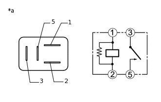
  2. INSPECT DIM RELAY

    1. E222294C40

      *a

      Component without harness connected

      (DIM Relay)

      Measure the resistance according to the value(s) in the table below.

      Standard Resistance

      Tester Connection

      Condition

      Specified Condition

      3 - 5

      Voltage not applied between terminals 1 and 2

      10 kΩ or higher

      3 - 5

      Voltage applied between terminals 1 and 2

      Below 1 Ω

      If the result is not as specified, replace the DIM relay.

  3. INSPECT TAIL RELAY

    1. E222294C40

      *a

      Component without harness connected

      (TAIL Relay)

      Measure the resistance according to the value(s) in the table below.

      Standard Resistance

      Tester Connection

      Condition

      Specified Condition

      3 - 5

      Voltage not applied between terminals 1 and 2

      10 kΩ or higher

      3 - 5

      Voltage applied between terminals 1 and 2

      Below 1 Ω

      If the result is not as specified, replace the TAIL relay.

  4. INSPECT FR FOG RELAY (w/ Front Fog Light)

    1. E222294C40

      *a

      Component without harness connected

      (FR FOG Relay)

      Measure the resistance according to the value(s) in the table below.

      Standard Resistance

      Tester Connection

      Condition

      Specified Condition

      3 - 5

      Voltage not applied between terminals 1 and 2

      10 kΩ or higher

      3 - 5

      Voltage applied between terminals 1 and 2

      Below 1 Ω

      If the result is not as specified, replace the FR FOG relay.

  5. INSPECT RR FOG RELAY

    1. E222294C31

      *a

      Component without harness connected

      (RR FOG Relay)

      Measure the resistance according to the value(s) in the table below.

      Standard Resistance

      Tester Connection

      Condition

      Specified Condition

      3 - 5

      Voltage not applied between terminals 1 and 2

      10 kΩ or higher

      3 - 5

      Voltage applied between terminals 1 and 2

      Below 1 Ω

      If the result is not as specified, replace the RR FOG relay.

  6. INSPECT DRL RELAY

    1. E222294C40

      *a

      Component without harness connected

      (DRL Relay)

      Measure the resistance according to the value(s) in the table below.

      Standard Resistance

      Tester Connection

      Condition

      Specified Condition

      3 - 5

      Voltage not applied between terminals 1 and 2

      10 kΩ or higher

      3 - 5

      Voltage applied between terminals 1 and 2

      Below 1 Ω

      If the result is not as specified, replace the DRL relay.