СИСТЕМА АВТОМАТИЧЕСКОЙ ТРАНСМИССИИ


  1. CONSTRUCTION


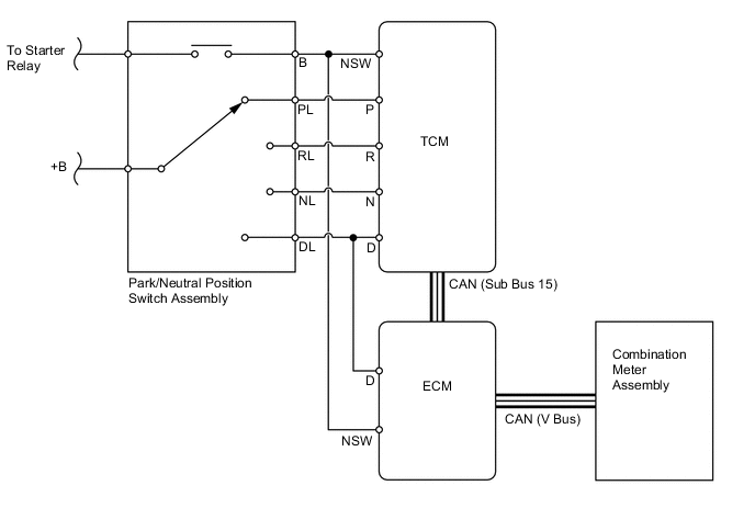
    1. The park/neutral position switch assembly sends the P, R, N, D and NSW signals to the TCM.

    2. The park/neutral position switch assembly sends the D and NSW signals to the ECM.

      B0020M3E01