INTELLIGENT PARKING ASSIST SYSTEM, Diagnostic DTC:C1621, C1622

DTC Code DTC Name
C1621 Back Camera Power Supply Failure
C1622 Open or Short Circuit in Back Camera Signal

DESCRIPTION

These DTCs are stored if the parking assist ECU judges as a result of its self check that the signals or signal lines between the parking assist ECU and rear television camera assembly are not normal.

DTC No. DTC Detection Condition Trouble Area
C1621 Rear television camera power supply failure
  • Harness or connector

  • Rear television camera assembly

  • Parking assist ECU

C1622 An open or short in the rear television camera signal circuit
  • Harness or connector

  • Rear television camera assembly

  • Parking assist ECU

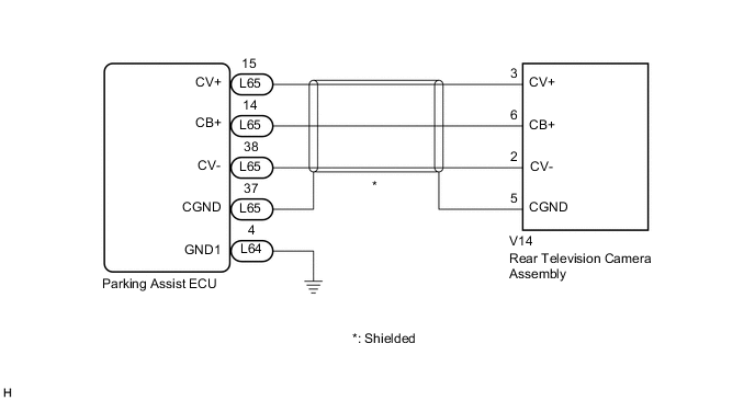
WIRING DIAGRAM

A005DCLE61

CAUTION / NOTICE / HINT

Note


  • When the "System initializing" message is displayed on the radio and display receiver assembly*1 or navigation receiver assembly*2 after the auxiliary battery cable has been disconnected, correct the steering angle neutral point Click here.

  • Depending on the parts that are replaced or operations that are performed during vehicle inspection or maintenance, calibration of other systems as well as the intelligent parking assist system may be needed Click here.


  • *1: for Radio and Display Type

  • *2: for Navigation Receiver Type

PROCEDURE


  1. CHECK HARNESS AND CONNECTOR (PARKING ASSIST ECU - REAR TELEVISION CAMERA ASSEMBLY)


    1. Disconnect the L65 parking assist ECU connector.

    2. Disconnect the V14 rear television camera assembly connector.

    3. Measure the resistance according to the value(s) in the table below.

      Standard Resistance
      Tester Connection Condition Specified Condition
      L65-14 (CB+) - V14-6 (CB+) Always Below 1 Ω
      L65-15 (CV+) - V14-3 (CV+) Always Below 1 Ω
      L65-37 (CGND) - V14-5 (CGND) Always Below 1 Ω
      L65-38 (CV-) - V14-2 (CV-) Always Below 1 Ω
      L65-14 (CB+) - Body ground Always 10 kΩ or higher
      L65-15 (CV+) - Body ground Always 10 kΩ or higher
      L65-37 (CGND) - Body ground Always 10 kΩ or higher
      L65-38 (CV-) - Body ground Always 10 kΩ or higher

    NG
    OK
  2. INSPECT PARKING ASSIST ECU (CGND, CB+)


    1. A0059UPE02
      Text in Illustration
      *a

      Component with harness connected

      (Parking Assist ECU)

      Reconnect the L65 parking assist ECU connector.

    2. Measure the resistance according to the value(s) in the table below.

      Standard Resistance
      Tester Connection Condition Specified Condition
      L65-37 (CGND) - Body ground Always Below 1 Ω
    3. Measure the voltage according to the value(s) in the table below.

      Standard Voltage
      Tester Connection Condition Specified Condition
      L65-14 (CB+) - L65 - 37 (CGND) Power switch on (ACC) 5.5 to 7.05 V

    NG
    OK
  3. INSPECT REAR TELEVISION CAMERA ASSEMBLY (CV+, GND1)


    1. Reconnect the V14 rear television camera assembly connector.

    2. Reconnect the L65 parking assist ECU connector.

      A005D0NE01
    3. Using an oscilloscope, check the waveform of the rear television camera assembly.

      Tech Tips

      A waterproof connector is used for the rear television camera assembly. Therefore, inspect the waveform at the parking assist ECU with the connector connected.

      OK
      Waveform is similar to that shown in the illustration.
      Item Content
      Measurement Terminal L65-15 (CV+) - L64-4 (GND1)
      Measurement Setting 200 mV/DIV., 50 μs./DIV.
      Condition Power switch on (IG), reverse (R) selected

      Tech Tips


      • The video waveform changes according to the image sent by the rear television camera assembly.

      • The video waveform is constantly output when the power switch is on (ACC).

      Text in Illustration
      *a

      Component with harness connected

      (Parking Assist ECU)

      *b Waveform 1 (camera lens not covered, displaying an image)
      *c Waveform 2 (camera lens covered, blacking out the screen)
      *d Synchronization Signal
      *e Video Waveform

    OK
    NG