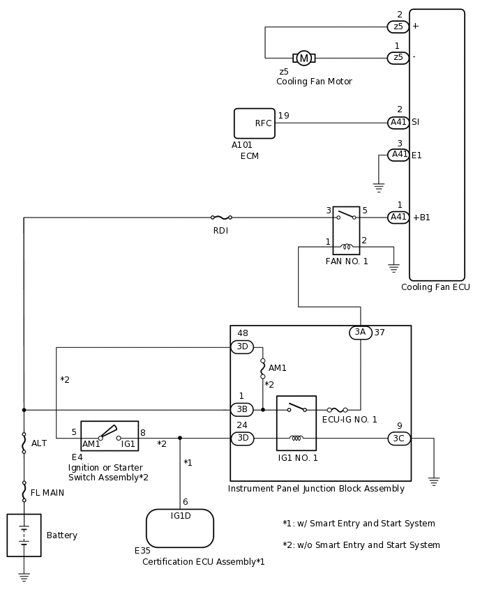
COOLING FAN SYSTEM SYSTEM DIAGRAM

A284388E02