FRONT POWER SEAT CONTROL SYSTEM(w/ Memory), Diagnostic DTC:B2651

DTC Code DTC Name
B2651 Reclining Sensor Malfunction

DESCRIPTION

When the position control ECU and switch assembly does not receive a sensor signal despite forward or backward movement of the seatback by power seat motor operation, this DTC is stored.

DTC No.

Detection Item

DTC Detection Condition

Trouble Area

B2651

Reclining Sensor Malfunction

The forward and backward lock detection position of the sensor is the same.

  • Position control ECU and switch assembly

  • Reclining motor (Separate type front seatback spring assembly)

  • Harness or connector

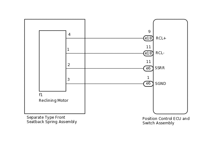
WIRING DIAGRAM

B342142E10

PROCEDURE

  1. PERFORM ACTIVE TEST USING GTS (RECLINING MOTOR)

    1. Connect the GTS to the DLC3.

    2. Turn the power switch on (IG).

    3. Turn the GTS on.

    4. Enter the following menus: Body Electrical / Driver Seat / Active Test.

    5. Perform the Active Test according to the display on the GTS.

      Body Electrical > Driver Seat > Active Test

      Tester Display

      Measurement Item

      Control Range

      Diagnostic Note

      Seat Reclining

      Seat reclining operation

      OFF/Rear/Front

      -

      Body Electrical > Driver Seat > Active Test

      Tester Display

      Seat Reclining

      OK

      Motor operates normally.

    Result

    Proceed to

    OK

    NG

    NG

    INSPECT RECLINING MOTOR (SEPARATE TYPE FRONT SEATBACK SPRING ASSEMBLY)Click here

    OK
  2. CHECK POSITION CONTROL ECU AND SWITCH ASSEMBLY (RECLINING MOTOR CIRCUIT)

    1. E118523C51

      *a

      Front view of wire harness connector

      (to Reclining Motor [Separate Type Front Seatback Spring Assembly])

      Disconnect the reclining motor connector.

    2. Measure the voltage according to the value(s) in the table below.

      Standard Voltage

      Tester Connection

      Switch Condition

      Specified Condition

      f1-2 - f1-3

      Reclining switch on

      4.8 to 5.1 V

    Result

    Proceed to

    OK

    NG

    NG

    CHECK HARNESS AND CONNECTOR (POSITION CONTROL ECU AND SWITCH ASSEMBLY - RECLINING MOTOR)Click here

    OK
  3. CHECK RECLINING MOTOR (SEPARATE TYPE FRONT SEATBACK SPRING ASSEMBLY)

    1. B238515C35

      *a

      Component with harness connected

      (Reclining Motor [Separate Type Front Seatback Spring Assembly])

      Reconnect the reclining motor connector.

    2. Measure the voltage according to the value(s) in the table below.

      Standard Voltage

      Tester Connection

      Switch Condition

      Specified Condition

      f1-2 - Body ground

      Reclining switch on

      4.5 to 4.8 V

    Result

    Proceed to

    OK

    NG

    OK

    REPLACE POSITION CONTROL ECU AND SWITCH ASSEMBLY

    NG

    REPLACE RECLINING MOTOR (SEPARATE TYPE FRONT SEATBACK SPRING ASSEMBLY)

  4. CHECK HARNESS AND CONNECTOR (POSITION CONTROL ECU AND SWITCH ASSEMBLY - RECLINING MOTOR)

    1. Disconnect the e6 position control ECU and switch assembly connector.

    2. Measure the resistance according to the value(s) in the table below.

      Standard Resistance

      Tester Connection

      Condition

      Specified Condition

      e6-11 (SSRR) - f1-2

      Always

      Below 1 Ω

      e6-1 (SGND) - f1-3

      Always

      Below 1 Ω

      e6-11 (SSRR) - Body ground

      Always

      10 kΩ or higher

      e6-1 (SGND) - Body ground

      Always

      10 kΩ or higher

    Result

    Proceed to

    OK

    NG

    OK

    REPLACE POSITION CONTROL ECU AND SWITCH ASSEMBLY

    NG

    REPAIR OR REPLACE HARNESS OR CONNECTOR

  5. INSPECT RECLINING MOTOR (SEPARATE TYPE FRONT SEATBACK SPRING ASSEMBLY)

    1. Remove the separate type front seatback spring assembly.

      Click here

    2. Inspect the separate type front seatback spring assembly.

      Click here

    Result

    Proceed to

    OK

    NG

    NG

    REPLACE RECLINING MOTOR (SEPARATE TYPE FRONT SEATBACK SPRING ASSEMBLY)

    OK
  6. CHECK HARNESS AND CONNECTOR (POSITION CONTROL ECU AND SWITCH ASSEMBLY - RECLINING MOTOR)

    1. Disconnect the e18 position control ECU and switch assembly connector.

    2. Measure the resistance according to the value(s) in the table below.

      Standard Resistance

      Tester Connection

      Condition

      Specified Condition

      e18-9 (RCL+) - f1-4

      Always

      Below 1 Ω

      e18-11 (RCL-) - f1-1

      Always

      Below 1 Ω

      e18-9 (RCL+) - Body ground

      Always

      10 kΩ or higher

      e18-11 (RCL-) - Body ground

      Always

      10 kΩ or higher

    Result

    Proceed to

    OK

    NG

    OK

    REPLACE POSITION CONTROL ECU AND SWITCH ASSEMBLY

    NG

    REPAIR OR REPLACE HARNESS OR CONNECTOR