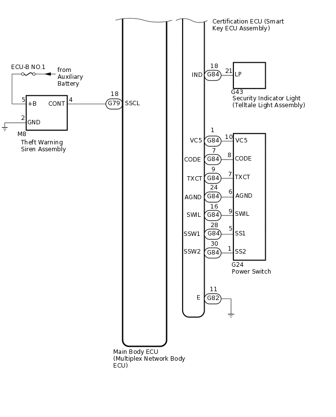
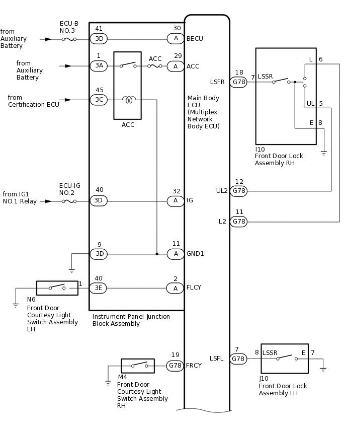
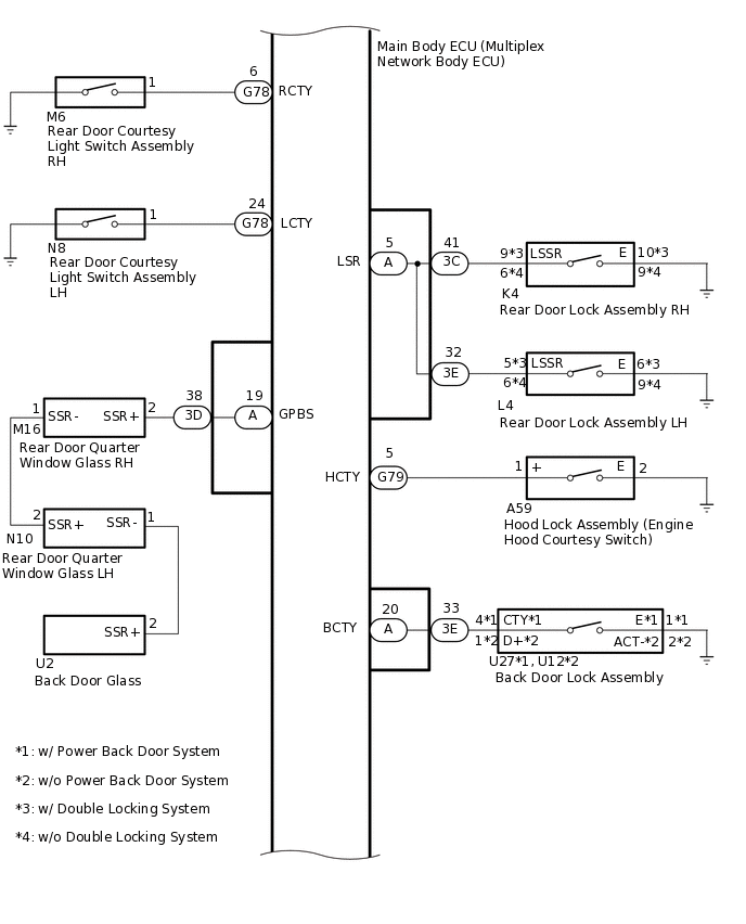
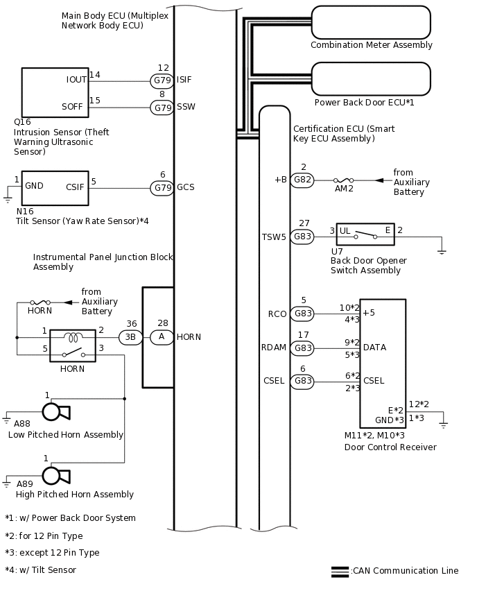
THEFT DETERRENT SYSTEM SYSTEM DIAGRAM

B437458E01
B437459E01
B437460E01
B437461E01