СИСТЕМА КОНТРОЛЯ СЛЕПЫХ ЗОН, диагностический DTC:U0232

Код DTC Наименование DTC
U0232 Нарушение связи с подчиненным модулем системы контроля слепых зон

ОПИСАНИЕ

Этот код DTC регистрируется, когда левый датчик системы контроля слепых зон обнаруживает нарушение связи с правым датчиком системы контроля слепых зон.

№ DTC

Неисправность

Условие обнаружения DTC

Неисправный участок

U0232

Нарушение связи с подчиненным модулем системы контроля слепых зон

Датчик системы контроля слепых зон (ведущий) не получает сигналы от датчика системы контроля слепых зон (подчиненного)

  • Обрыв или короткое замыкание в главной шине CAN или разъеме

  • Обрыв или короткое замыкание в разъеме распределительного блока шины CAN № 6

  • Правый датчик системы контроля слепых зон

  • Цепь питания правого датчика системы контроля слепых зон

  • Цепь массы правого датчика системы контроля слепых зон

  • Левый датчик системы контроля слепых зон

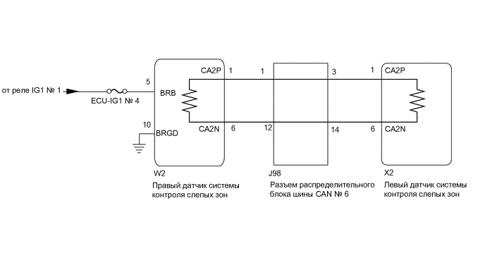
СХЕМА СОЕДИНЕНИЙ

E334324E06

ПРЕДОСТЕРЕЖЕНИЕ / ПРИМЕЧАНИЕ / УКАЗАНИЕ

Note:
  • При проверке кодов DTC убедитесь, что система монитора слепых зон включена.

  • Перед выполнением последующей процедуры проверки проверьте плавкие предохранители цепей, относящихся к данной системе.

  • Перед измерением сопротивления шины CAN, выключите питание и оставьте автомобиль в покое на 1 минуту или более, не приводя в действие ключ, любые другие переключатели и не открывая/закрывая двери. После этого отсоедините провод от отрицательного (-) вывода вспомогательной аккумуляторной батареи и перед измерением сопротивления оставьте автомобиль в покое на 1 минуту или более.

  • После выключения зажигания следует подождать некоторое время, прежде чем отсоединять провод от отрицательного (-) вывода вспомогательной аккумуляторной батареи. Поэтому, прежде чем приступать к этой работе, обязательно ознакомьтесь с примечанием относительно отсоединения провода от отрицательного (-) вывода вспомогательной аккумуляторной батареи.

    Нажмите здесьClick here

Tip:
  • Управление выключателем питания, какими-либо выключателями или дверями приводит к обмену данными между ЭБУ и датчиками по шине CAN. При осуществлении обмена данными сопротивление изменяется.

  • Если DTC регистрируется при непродолжительном движении на автомобиле даже после удаления кодов DTC, неисправность может возникать вследствие вибрации автомобиля. В подобных случаях необходимо пошевелить разъемы ЭБУ или жгутов проводов во время проверки, чтобы установить причину неисправности.

ПОРЯДОК ВЫПОЛНЕНИЯ

  1. ПРОВЕРЬТЕ ГЛАВНУЮ ШИНУ CAN

    1. Выключите питание.

    2. Отсоедините провод от отрицательного (-) вывода вспомогательной аккумуляторной батареи.

    3. E334331C02

      *1

      DLC3

      *a

      Устройство с подсоединенным жгутом проводов

      (разъем распределительного блока шины CAN № 6)

      Измерьте сопротивление в соответствии со значениями, приведенными в таблице ниже.

      Номинальное сопротивление

      Подключение диагностического прибора

      Условие

      Заданные условия

      Результат

      J98-1 (CANH) - J98-12 (CANL)

      Провод отсоединен от отрицательного (-) вывода вспомогательной аккумуляторной батареи

      54-69 Ом

      Менее 54 Ом: Короткое замыкание между шинами

      Не менее 70 Ом: Обрыв в линиях главной шины

      J98-1 (CANH) - J12-4 (CG)

      Провод отсоединен от отрицательного (-) вывода вспомогательной аккумуляторной батареи

      200 Ом или более

      Менее 200 Ом: Короткое замыкание цепи CANH на массу

      J98-12 (CANL) - J12-4 (CG)

      Провод отсоединен от отрицательного (-) вывода вспомогательной аккумуляторной батареи

      200 Ом или более

      Менее 200 Ом: Короткое замыкание цепи CANL на массу

      J98-1 (CANH) - J12-16 (BAT)

      Провод отсоединен от отрицательного (-) вывода вспомогательной аккумуляторной батареи

      6 кОм или более

      Менее 6 кОм: Короткое замыкание CANH на +B

      J98-12 (CANL) - J12-16 (BAT)

      Провод отсоединен от отрицательного (-) вывода вспомогательной аккумуляторной батареи

      6 кОм или более

      Менее 6 кОм: Короткое замыкание CANL на +B

    Result

    Result

    Перейти к

    OK

    А

    Обрыв в главных шинах CAN

    B

    Короткое замыкание между шинами

    C

    • Короткое замыкание на массу

    • Замыкание на +B

    D

    B

    ПРОВЕРЬТЕ ГЛАВНУЮ ШИНУ CAN НА ОБРЫВ (ОТСУТСТВУЕТ. 6 РАЗЪЕМ РАСПРЕДЕЛИТЕЛЬНОГО БЛОКА ШИНЫ CAN)Click here

    C

    ПРОВЕРЬТЕ ШИНЫ CAN НА КОРОТКОЕ ЗАМЫКАНИЕ (ОТСУТСТВУЕТ. 6 РАЗЪЕМ РАСПРЕДЕЛИТЕЛЬНОГО БЛОКА ШИНЫ CAN)Click here

    D

    ПРОВЕРЬТЕ ШИНЫ CAN НА КОРОТКОЕ ЗАМЫКАНИЕ (ОТСУТСТВУЕТ. 6 РАЗЪЕМ РАСПРЕДЕЛИТЕЛЬНОГО БЛОКА ШИНЫ CAN)Click here

    A
  2. ПРОВЕРЬТЕ ЖГУТ ПРОВОДОВ И РАЗЪЕМ (ПРАВЫЙ ДАТЧИК СИСТЕМЫ КОНТРОЛЯ СЛЕПЫХ ЗОН - МАССА)

    1. Отсоедините разъем W2 правого датчика системы контроля слепых зон.

    2. Измерьте сопротивление в соответствии со значениями, приведенными в таблице ниже.

      Номинальное сопротивление

      Подключение диагностического прибора

      Условие

      Заданные условия

      W2-10 (BRGD) - масса

      Всегда

      Менее 1 Ом

    Результат

    Перейти к

    OK

    НЕ СООТВ.

    НЕ СООТВ.

    ОТРЕМОНТИРУЙТЕ ИЛИ ЗАМЕНИТЕ ЖГУТ ПРОВОДОВ ИЛИ РАЗЪЕМ

    СООТВ
  3. ПРОВЕРЬТЕ ЖГУТ ПРОВОДОВ И РАЗЪЕМ (ИСТОЧНИК ПИТАНИЯ ПРАВОГО ДАТЧИКА СИСТЕМЫ КОНТРОЛЯ СЛЕПЫХ ЗОН)

    1. Отсоедините разъем W2 правого датчика системы контроля слепых зон.

    2. Измерьте напряжение в соответствии со значениями, приведенными в таблице.

      Номинальное напряжение

      Подключение диагностического прибора

      Условие

      Заданные условия

      W2-5 (BRB) - масса

      Питание включено (IG)

      11–14 В

      W2-5 (BRB) - масса

      Питание выключено

      менее 1 В

    Результат

    Перейти к

    OK

    НЕ СООТВ.

    НЕ СООТВ.

    ОТРЕМОНТИРУЙТЕ ИЛИ ЗАМЕНИТЕ ЖГУТ ПРОВОДОВ ИЛИ РАЗЪЕМ

    СООТВ
  4. ПРОВЕРЬТЕ DTC

    1. Подсоедините провод к отрицательному (-) выводу вспомогательной аккумуляторной батареи.

    2. Выключите питание.

    3. Включите питание (IG).

    4. Проверьте наличие кодов DTC.

      Нажмите здесьClick here

      Body Electrical > Blind Spot Monitor Master > Trouble Codes

    OK

    Коды DTC не выводятся.

    Результат

    Перейти к

    OK

    НЕ СООТВ.

    OK

    ВЫПОЛНИТЕ ПРОВЕРКУ С ИМИТАЦИЕЙ УСЛОВИЙ ВОЗНИКНОВЕНИЯ НЕИСПРАВНОСТИ

    Нажмите здесьClick here

    NG
  5. ЗАМЕНИТЕ ПРАВЫЙ ДАТЧИК СИСТЕМЫ КОНТРОЛЯ СЛЕПЫХ ЗОН

    1. Замените правый датчик системы контроля слепых зон.

      Нажмите здесьClick here

    Результат

    Перейти к

    СЛЕДУЮЩЕЕ -

    СЛЕДУЮЩЕЕ -
  6. ПЕРЕПРОВЕРЬТЕ DTC

    1. Удалите коды DTC.

      Нажмите здесьClick here

      Body Electrical > Blind Spot Monitor Master > Clear DTCs

    2. Повторно проверьте DTC и убедитесь, что зарегистрированный DTC больше не выводится.

      Body Electrical > Blind Spot Monitor Master > Trouble Codes

      OK

      Коды DTC не выводятся.

    Результат

    Перейти к

    OK

    НЕ СООТВ.

    OK

    КОНЕЦ

    NG

    ЗАМЕНИТЕ ЛЕВЫЙ ДАТЧИК СИСТЕМЫ КОНТРОЛЯ СЛЕПЫХ ЗОН

    Нажмите здесьClick here

  7. ПРОВЕРЬТЕ ГЛАВНУЮ ШИНУ CAN НА ОБРЫВ (РАЗЪЕМ РАСПРЕДЕЛИТЕЛЬНОГО БЛОКА CAN № 6)

    1. E331799C05

      *a

      Вид спереди разъема со стороны жгута проводов:

      (к разъему распределительного блока шины CAN № 6)

      *b

      к главной шине CAN левого датчика системы контроля слепых зон

      *c

      к главной шине CAN правого датчика системы контроля слепых зон

      Отсоедините разъем J98 распределительного блока шины CAN № 6.

    2. Измерьте сопротивление в соответствии со значениями, приведенными в таблице ниже.

      Номинальное сопротивление

      Подключение диагностического прибора

      Условие

      Заданные условия

      J98-3 (CANH) - J98-14 (CANL)

      Провод отсоединен от отрицательного (-) вывода вспомогательной аккумуляторной батареи

      108 - 132 Ом

      J98-1 (CANH) - J98-12 (CANL)

      Провод отсоединен от отрицательного (-) вывода вспомогательной аккумуляторной батареи

      108 - 132 Ом

    Result

    Result

    Перейти к

    OK

    A

    NG (к главной шине CAN левого датчика системы контроля слепых зон)

    B

    NG (к главной шине CAN правого датчика системы контроля слепых зон)

    C

    A

    ЗАМЕНИТЕ РАЗЪЕМ РАСПРЕДЕЛИТЕЛЬНОГО БЛОКА ШИНЫ CAN № 6

    C

    ПРОВЕРЬТЕ ГЛАВНУЮ ШИНУ CAN НА ОБРЫВ (ПРАВЫЙ ДАТЧИК СИСТЕМЫ КОНТРОЛЯ СЛЕПЫХ ЗОН)Click here

    B
  8. ПРОВЕРЬТЕ ГЛАВНУЮ ШИНУ CAN НА ОБРЫВ (ЛЕВЫЙ ДАТЧИК СИСТЕМЫ КОНТРОЛЯ СЛЕПЫХ ЗОН)

    1. Подсоедините разъем J98 распределительного блока шины CAN № 6.

    2. C285248C64

      *a

      Вид спереди разъема со стороны жгута проводов:

      (к левому датчику системы контроля слепых зон)

      Отсоедините разъем X2 левого датчика системы контроля слепых зон.

    3. Измерьте сопротивление в соответствии со значениями, приведенными в таблице ниже.

      Номинальное сопротивление

      Подключение диагностического прибора

      Условие

      Заданные условия

      X2-1 (CA2P) - X2-6 (CA2N)

      Провод отсоединен от отрицательного (-) вывода вспомогательной аккумуляторной батареи

      108 - 132 Ом

    Результат

    Перейти к

    OK

    НЕ СООТВ.

    OK

    ЗАМЕНИТЕ ЛЕВЫЙ ДАТЧИК СИСТЕМЫ КОНТРОЛЯ СЛЕПЫХ ЗОН

    Нажмите здесьClick here

    NG

    ОТРЕМОНТИРУЙТЕ ИЛИ ЗАМЕНИТЕ ГЛАВНУЮ ШИНУ CAN ИЛИ РАЗЪЕМ (ЛЕВЫЙ ДАТЧИК СИСТЕМЫ КОНТРОЛЯ СЛЕПЫХ ЗОН - РАЗЪЕМ РАСПРЕДЕЛИТЕЛЬНОГО БЛОКА ШИНЫ CAN № 6)

  9. ПРОВЕРЬТЕ ГЛАВНУЮ ШИНУ CAN НА ОБРЫВ (ПРАВЫЙ ДАТЧИК СИСТЕМЫ КОНТРОЛЯ СЛЕПЫХ ЗОН)

    1. Подсоедините разъем J98 распределительного блока шины CAN № 6.

    2. C285248C65

      *a

      Вид спереди разъема со стороны жгута проводов:

      (к правому датчику системы контроля слепых зон)

      Отсоедините разъем W2 правого датчика системы контроля слепых зон.

    3. Измерьте сопротивление в соответствии со значениями, приведенными в таблице ниже.

      Номинальное сопротивление

      Подключение диагностического прибора

      Условие

      Заданные условия

      W2-1 (CA2P) -W2-6 (CA2N)

      Провод отсоединен от отрицательного (-) вывода вспомогательной аккумуляторной батареи

      108 - 132 Ом

    Результат

    Перейти к

    OK

    НЕ СООТВ.

    OK

    ЗАМЕНИТЕ ПРАВЫЙ ДАТЧИК СИСТЕМЫ КОНТРОЛЯ СЛЕПЫХ ЗОН

    Нажмите здесьClick here

    NG

    ОТРЕМОНТИРУЙТЕ ИЛИ ЗАМЕНИТЕ ГЛАВНУЮ ШИНУ CAN ИЛИ РАЗЪЕМ (ПРАВЫЙ ДАТЧИК СИСТЕМЫ КОНТРОЛЯ СЛЕПЫХ ЗОН - РАЗЪЕМ РАСПРЕДЕЛИТЕЛЬНОГО БЛОКА ШИНЫ CAN № 6)

  10. ПРОВЕРЬТЕ ШИНЫ CAN НА КОРОТКОЕ ЗАМЫКАНИЕ (РАЗЪЕМ РАСПРЕДЕЛИТЕЛЬНОГО БЛОКА ШИНЫ CAN № 6)

    1. E331799C05

      *a

      Вид спереди разъема со стороны жгута проводов:

      (к разъему распределительного блока шины CAN № 6)

      *b

      к главной шине CAN левого датчика системы контроля слепых зон

      *c

      к главной шине CAN правого датчика системы контроля слепых зон

      Отсоедините разъем J98 распределительного блока шины CAN № 6.

    2. Измерьте сопротивление в соответствии со значениями, приведенными в таблице ниже.

      Номинальное сопротивление

      Подключение диагностического прибора

      Условие

      Заданные условия

      J98-3 (CANH) - J98-14 (CANL)

      Провод отсоединен от отрицательного (-) вывода вспомогательной аккумуляторной батареи

      108 - 132 Ом

      J98-1 (CANH) - J98-12 (CANL)

      Провод отсоединен от отрицательного (-) вывода вспомогательной аккумуляторной батареи

      108 - 132 Ом

    Result

    Result

    Перейти к

    OK

    A

    NG (к главной шине CAN левого датчика системы контроля слепых зон)

    B

    NG (к главной шине CAN правого датчика системы контроля слепых зон)

    C

    A

    ЗАМЕНИТЕ РАЗЪЕМ РАСПРЕДЕЛИТЕЛЬНОГО БЛОКА ШИНЫ CAN № 6

    C

    ПРОВЕРЬТЕ ШИНЫ CAN НА КОРОТКОЕ ЗАМЫКАНИЕ (ПРАВЫЙ ДАТЧИК СИСТЕМЫ КОНТРОЛЯ СЛЕПЫХ ЗОН)Click here

    B
  11. ПРОВЕРЬТЕ ШИНЫ CAN НА КОРОТКОЕ ЗАМЫКАНИЕ (ЛЕВЫЙ ДАТЧИК СИСТЕМЫ КОНТРОЛЯ СЛЕПЫХ ЗОН)

    1. Подсоедините разъем J98 распределительного блока шины CAN № 6.

    2. C285248C64

      *a

      Вид спереди разъема со стороны жгута проводов:

      (к левому датчику системы контроля слепых зон)

      Отсоедините разъем X2 левого датчика системы контроля слепых зон.

    3. Измерьте сопротивление в соответствии со значениями, приведенными в таблице ниже.

      Номинальное сопротивление

      Подключение диагностического прибора

      Условие

      Заданные условия

      X2-1 (CA2P) - X2-6 (CA2N)

      Провод отсоединен от отрицательного (-) вывода вспомогательной аккумуляторной батареи

      108 - 132 Ом

    Результат

    Перейти к

    OK

    НЕ СООТВ.

    OK

    ЗАМЕНИТЕ ЛЕВЫЙ ДАТЧИК СИСТЕМЫ КОНТРОЛЯ СЛЕПЫХ ЗОН

    Нажмите здесьClick here

    NG

    ОТРЕМОНТИРУЙТЕ ИЛИ ЗАМЕНИТЕ ГЛАВНУЮ ШИНУ CAN ИЛИ РАЗЪЕМ (ЛЕВЫЙ ДАТЧИК СИСТЕМЫ КОНТРОЛЯ СЛЕПЫХ ЗОН - РАЗЪЕМ РАСПРЕДЕЛИТЕЛЬНОГО БЛОКА ШИНЫ CAN № 6)

  12. ПРОВЕРЬТЕ ШИНУ CAN НА КОРОТКОЕ ЗАМЫКАНИЕ (ПРАВЫЙ ДАТЧИК СИСТЕМЫ КОНТРОЛЯ СЛЕПЫХ ЗОН)

    1. Подсоедините разъем J98 распределительного блока шины CAN № 6.

    2. C285248C65

      *a

      Вид спереди разъема со стороны жгута проводов:

      (к правому датчику системы контроля слепых зон)

      Отсоедините разъем W2 правого датчика системы контроля слепых зон.

    3. Измерьте сопротивление в соответствии со значениями, приведенными в таблице ниже.

      Номинальное сопротивление

      Подключение диагностического прибора

      Условие

      Заданные условия

      W2-1 (CA2P) -W2-6 (CA2N)

      Провод отсоединен от отрицательного (-) вывода вспомогательной аккумуляторной батареи

      108 - 132 Ом

    Результат

    Перейти к

    OK

    НЕ СООТВ.

    OK

    ЗАМЕНИТЕ ПРАВЫЙ ДАТЧИК СИСТЕМЫ КОНТРОЛЯ СЛЕПЫХ ЗОН

    Нажмите здесьClick here

    NG

    ОТРЕМОНТИРУЙТЕ ИЛИ ЗАМЕНИТЕ ГЛАВНУЮ ШИНУ CAN ИЛИ РАЗЪЕМ (ПРАВЫЙ ДАТЧИК СИСТЕМЫ КОНТРОЛЯ СЛЕПЫХ ЗОН - РАЗЪЕМ РАСПРЕДЕЛИТЕЛЬНОГО БЛОКА ШИНЫ CAN № 6)

  13. ПРОВЕРЬТЕ ШИНЫ CAN НА КОРОТКОЕ ЗАМЫКАНИЕ (РАЗЪЕМ РАСПРЕДЕЛИТЕЛЬНОГО БЛОКА ШИНЫ CAN № 6)

    1. Отсоедините разъем J98 распределительного блока шины CAN № 6.

    2. Измерьте сопротивление в соответствии со значениями, приведенными в таблице ниже.

      C312658C56

      *1

      DLC3

      -

      -

      *a

      Вид спереди разъема со стороны жгута проводов:

      (к разъему распределительного блока шины CAN № 6)

      *b

      к главной шине CAN левого датчика системы контроля слепых зон

      *c

      к главной шине CAN правого датчика системы контроля слепых зон

      -

      -

      Номинальное сопротивление

      Подключение диагностического прибора

      Условие

      Заданные условия

      J98-3 (CANH) - J12-4 (CG)

      Провод отсоединен от отрицательного (-) вывода вспомогательной аккумуляторной батареи

      200 Ом или более

      J98-14 (CANL) - J12-4 (CG)

      Провод отсоединен от отрицательного (-) вывода вспомогательной аккумуляторной батареи

      200 Ом или более

      J98-3 (CANH) - J12-16 (BAT)

      Провод отсоединен от отрицательного (-) вывода вспомогательной аккумуляторной батареи

      6 кОм или более

      J98-14 (CANL) - J12-16 (BAT)

      Провод отсоединен от отрицательного (-) вывода вспомогательной аккумуляторной батареи

      6 кОм или более

      J98-1 (CANH) - J12-4 (CG)

      Провод отсоединен от отрицательного (-) вывода вспомогательной аккумуляторной батареи

      200 Ом или более

      J98-12 (CANL) - J12-4 (CG)

      Провод отсоединен от отрицательного (-) вывода вспомогательной аккумуляторной батареи

      200 Ом или более

      J98-1 (CANH) - J12-16 (BAT)

      Провод отсоединен от отрицательного (-) вывода вспомогательной аккумуляторной батареи

      6 кОм или более

      J98-12 (CANL) - J12-16 (BAT)

      Провод отсоединен от отрицательного (-) вывода вспомогательной аккумуляторной батареи

      6 кОм или более

    Result

    Result

    Перейти к

    OK

    A

    NG (к главной шине CAN левого датчика системы контроля слепых зон)

    B

    NG (к главной шине CAN правого датчика системы контроля слепых зон)

    C

    A

    ЗАМЕНИТЕ РАЗЪЕМ РАСПРЕДЕЛИТЕЛЬНОГО БЛОКА ШИНЫ CAN № 6

    C

    ПРОВЕРЬТЕ ШИНЫ CAN НА КОРОТКОЕ ЗАМЫКАНИЕ (ПРАВЫЙ ДАТЧИК СИСТЕМЫ КОНТРОЛЯ СЛЕПЫХ ЗОН)Click here

    B
  14. ПРОВЕРЬТЕ ШИНЫ CAN НА КОРОТКОЕ ЗАМЫКАНИЕ (ЛЕВЫЙ ДАТЧИК СИСТЕМЫ КОНТРОЛЯ СЛЕПЫХ ЗОН)

    1. Подсоедините разъем J98 распределительного блока шины CAN № 6.

    2. Отсоедините разъем X2 левого датчика системы контроля слепых зон.

    3. E334330C01

      *1

      DLC3

      *a

      Вид спереди разъема со стороны жгута проводов:

      (к левому датчику системы контроля слепых зон)

      Измерьте сопротивление в соответствии со значениями, приведенными в таблице ниже.

      Номинальное сопротивление

      Подключение диагностического прибора

      Условие

      Заданные условия

      X2-1 (CA2P) - J12-4 (CG)

      Провод отсоединен от отрицательного (-) вывода вспомогательной аккумуляторной батареи

      200 Ом или более

      X2-6 (CA2N) - J12-4 (CG)

      Провод отсоединен от отрицательного (-) вывода вспомогательной аккумуляторной батареи

      200 Ом или более

      X2-1 (CA2P) - J12-16 (BAT)

      Провод отсоединен от отрицательного (-) вывода вспомогательной аккумуляторной батареи

      6 кОм или более

      X2-6 (CA2N) - J12-16 (BAT)

      Провод отсоединен от отрицательного (-) вывода вспомогательной аккумуляторной батареи

      6 кОм или более

    Результат

    Перейти к

    OK

    НЕ СООТВ.

    OK

    ЗАМЕНИТЕ ЛЕВЫЙ ДАТЧИК СИСТЕМЫ КОНТРОЛЯ СЛЕПЫХ ЗОН

    Нажмите здесьClick here

    NG

    ОТРЕМОНТИРУЙТЕ ИЛИ ЗАМЕНИТЕ ГЛАВНУЮ ШИНУ CAN ИЛИ РАЗЪЕМ (ЛЕВЫЙ ДАТЧИК СИСТЕМЫ КОНТРОЛЯ СЛЕПЫХ ЗОН - РАЗЪЕМ РАСПРЕДЕЛИТЕЛЬНОГО БЛОКА ШИНЫ CAN № 6)

  15. ПРОВЕРЬТЕ ШИНУ CAN НА КОРОТКОЕ ЗАМЫКАНИЕ (ПРАВЫЙ ДАТЧИК СИСТЕМЫ КОНТРОЛЯ СЛЕПЫХ ЗОН)

    1. Подсоедините разъем J98 распределительного блока шины CAN № 6.

    2. Отсоедините разъем W2 правого датчика системы контроля слепых зон.

    3. E334330C02

      *1

      DLC3

      *a

      Вид спереди разъема со стороны жгута проводов:

      (к правому датчику системы контроля слепых зон)

      Измерьте сопротивление в соответствии со значениями, приведенными в таблице ниже.

      Номинальное сопротивление

      Подключение диагностического прибора

      Условие

      Заданные условия

      W2-1 (CA2P) - J12-4 (CG)

      Провод отсоединен от отрицательного (-) вывода вспомогательной аккумуляторной батареи

      200 Ом или более

      W2-6 (CA2N) - J12-4 (CG)

      Провод отсоединен от отрицательного (-) вывода вспомогательной аккумуляторной батареи

      200 Ом или более

      W2-1 (CA2P) - J12-16 (BAT)

      Провод отсоединен от отрицательного (-) вывода вспомогательной аккумуляторной батареи

      6 кОм или более

      W2-6 (CA2N) - J12-16 (BAT)

      Провод отсоединен от отрицательного (-) вывода вспомогательной аккумуляторной батареи

      6 кОм или более

    Результат

    Перейти к

    OK

    НЕ СООТВ.

    OK

    ЗАМЕНИТЕ ПРАВЫЙ ДАТЧИК СИСТЕМЫ КОНТРОЛЯ СЛЕПЫХ ЗОН

    Нажмите здесьClick here

    NG

    ОТРЕМОНТИРУЙТЕ ИЛИ ЗАМЕНИТЕ ГЛАВНУЮ ШИНУ CAN ИЛИ РАЗЪЕМ (ПРАВЫЙ ДАТЧИК СИСТЕМЫ КОНТРОЛЯ СЛЕПЫХ ЗОН - РАЗЪЕМ РАСПРЕДЕЛИТЕЛЬНОГО БЛОКА ШИНЫ CAN № 6)