СИСТЕМА ЗАДНЕГО СОЛНЦЕЗАЩИТНОГО НАВЕСА Переключатель заднего солнцезащитного навеса не позволяет управлять солнцезащитным навесом

Код DTC Наименование DTC
Переключатель заднего солнцезащитного навеса не позволяет управлять солнцезащитным навесом

ОПИСАНИЕ

Шторка заднего окна в сборе работает в соответствии с рабочими сигналами от щитка приборов в сборе или переключателя заднего солнцезащитного навеса (переключателя управления охладителем в сборе).

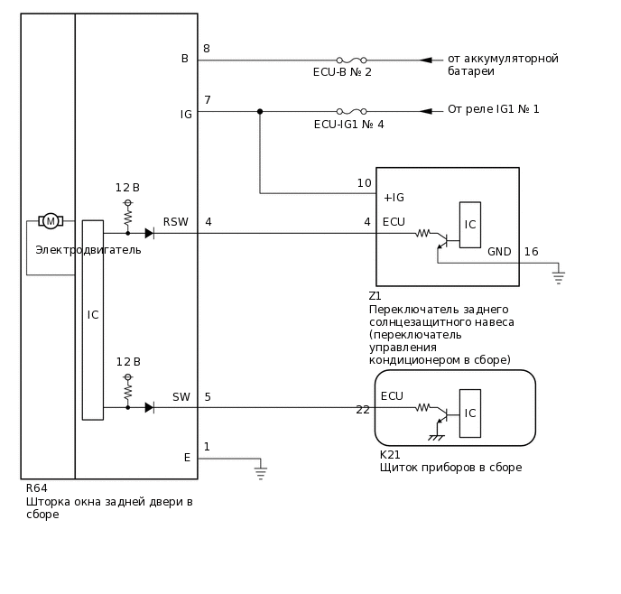
СХЕМА ЭЛЕКТРИЧЕСКИХ СОЕДИНЕНИЙ

B487734E01

ПРЕДОСТЕРЕЖЕНИЕ / ПРИМЕЧАНИЕ / УКАЗАНИЕ

Note:

Перед выполнением последующей процедуры проверки проверьте плавкие предохранители цепей, относящихся к данной системе.

ПОРЯДОК ВЫПОЛНЕНИЯ

  1. ПРОВЕРЬТЕ РАБОТУ ЗАДНЕГО СОЛНЦЕЗАЩИТНОГО НАВЕСА

    1. Проверьте ручное управление задним солнцезащитным навесом.

      Нажмите здесьЩелкните по следующей ссылке

    Result

    Result

    Перейти К

    Задний солнцезащитный навес не приводится в движение с помощью щитка приборов в сборе.

    A

    Задний солнцезащитный навес не приводится в движение с помощью переключателя заднего солнцезащитного навеса (переключателя управления охладителем в сборе).

    B

    Задний солнцезащитный навес не приводится в движение с щитка приборов в сборе и переключателя заднего солнцезащитного навеса (переключателя управления охладителем в сборе).

    C

    B

    ПРОВЕРЬТЕ ШТОРКУ ЗАДНЕГО ОКНА В СБОРЕЩелкните по следующей ссылке

    C

    ПРОВЕРЬТЕ ЖГУТ ПРОВОДОВ И РАЗЪЕМ (ИСТОЧНИК ПИТАНИЯ И МАССА)Щелкните по следующей ссылке

    A
  2. ПРОВЕРЬТЕ ШТОРКУ ЗАДНЕГО ОКНА В СБОРЕ

    1. E284677C64

      *a

      Устройство с подсоединенным жгутом проводов

      (щиток приборов в сборе)

      Измерьте напряжение в соответствии со значениями, приведенными в таблице.

      Номинальное напряжение

      Подключение диагностического прибора

      Условие

      Заданные условия

      K21-22 (ECU) - масса

      Шторка заднего окна в сборе не работает

      5,5 В или более

    Результат

    Перейти к

    OK

    НЕ СООТВ.

    OK

    ЗАМЕНИТЕ ЩИТОК ПРИБОРОВ В СБОРЕ

    НЕ СООТВ.
  3. ПРОВЕРЬТЕ ЖГУТ ПРОВОДОВ И РАЗЪЕМ (ШТОРКА ЗАДНЕГО ОКНА В СБОРЕ - ЩИТОК ПРИБОРОВ В СБОРЕ)

    1. Отсоедините разъем R64 шторки заднего окна в сборе.

    2. Отсоедините разъем K21 щитка приборов в сборе.

    3. Измерьте сопротивление в соответствии со значениями, приведенными в таблице ниже.

      Номинальное сопротивление

      Подключение диагностического прибора

      Условие

      Заданные условия

      R64-5 (SW) - K21-22 (ECU)

      Всегда

      Менее 1 Ом

      R64-5 (SW) или K21-22 (ECU) - масса

      Всегда

      10 кОм или более

    Результат

    Перейти к

    OK

    НЕ СООТВ.

    СООТВ

    ЗАМЕНИТЕ ШТОРКУ ЗАДНЕГО ОКНА В СБОРЕ

    NG

    ОТРЕМОНТИРУЙТЕ ИЛИ ЗАМЕНИТЕ ЖГУТ ПРОВОДОВ ИЛИ РАЗЪЕМ

  4. ПРОВЕРЬТЕ ШТОРКУ ЗАДНЕГО ОКНА В СБОРЕ

    1. B487774C01

      *a

      Устройство с подсоединенным жгутом проводов

      (Переключатель заднего солнцезащитного навеса (переключатель управления охладителем в сборе))

      Измерьте напряжение в соответствии со значениями, приведенными в таблице.

      Номинальное напряжение

      Подключение диагностического прибора

      Условие

      Заданные условия

      Z1-4 (ECU) - масса

      Шторка заднего окна в сборе не работает

      5,5 В или более

    Результат

    Перейти к

    OK

    НЕ СООТВ.

    НЕ СООТВ.

    ПРОВЕРЬТЕ ЖГУТ ПРОВОДОВ И РАЗЪЕМ (ШТОРКА ОКНА ЗАДНЕЙ ДВЕРИ В СБОРЕ - ПЕРЕКЛЮЧАТЕЛЬ ЗАДНЕГО СОЛНЦЕЗАЩИТНОГО НАВЕСА (ПЕРЕКЛЮЧАТЕЛЬ УПРАВЛЕНИЯ КОНДИЦИОНЕРОМ В СБОРЕ))Щелкните по следующей ссылке

    СООТВ
  5. ПРОВЕРЬТЕ ЖГУТ ПРОВОДОВ И РАЗЪЕМ (ИСТОЧНИК ПИТАНИЯ И МАССА)

    1. Отсоедините разъем Z1 переключателя заднего солнцезащитного навеса (переключателя управления холодильной камерой).

    2. Измерьте напряжение и сопротивление и сравните с допустимыми значениями, указанными в следующей таблице.

      Номинальное напряжение

      Подключение диагностического прибора

      Условие

      Заданные условия

      Z1-10 (+IG) - масса

      Зажигание выключено

      Менее 1 В

      Z1-10 (+IG) - масса

      Зажигание включено

      11-14 В

      Номинальное сопротивление

      Подключение диагностического прибора

      Условие

      Заданные условия

      Z1-16 (GND) - масса

      Всегда

      Менее 1 Ом

    Результат

    Перейти к

    OK

    НЕ СООТВ.

    СООТВ

    ЗАМЕНИТЕ ПЕРЕКЛЮЧАТЕЛЬ ЗАДНЕГО СОЛНЦЕЗАЩИТНОГО НАВЕСА (ПЕРЕКЛЮЧАТЕЛЬ УПРАВЛЕНИЯ ОХЛАДИТЕЛЕМ В СБОРЕ)

    NG

    ОТРЕМОНТИРУЙТЕ ИЛИ ЗАМЕНИТЕ ЖГУТ ПРОВОДОВ ИЛИ РАЗЪЕМ

  6. ПРОВЕРЬТЕ ЖГУТ ПРОВОДОВ И РАЗЪЕМ (ШТОРКА ЗАДНЕГО ОКНА В СБОРЕ - ПЕРЕКЛЮЧАТЕЛЬ ЗАДНЕГО СОЛНЦЕЗАЩИТНОГО НАВЕСА (ПЕРЕКЛЮЧАТЕЛЬ УПРАВЛЕНИЯ ОХЛАДИТЕЛЕМ В СБОРЕ))

    1. Отсоедините разъем R64 шторки заднего окна в сборе.

    2. Отсоедините разъем Z1 переключателя заднего солнцезащитного навеса (переключателя управления холодильной камерой).

    3. Измерьте сопротивление в соответствии со значениями, приведенными в таблице ниже.

      Номинальное сопротивление

      Подключение диагностического прибора

      Условие

      Заданные условия

      R64-4 (RSW) - Z1-4 (ECU)

      Всегда

      Менее 1 Ом

      R64-4 (RSW) или Z1-4 (ECU) - масса

      Всегда

      10 кОм или более

    Результат

    Перейти к

    OK

    НЕ СООТВ.

    СООТВ

    ЗАМЕНИТЕ ШТОРКУ ЗАДНЕГО ОКНА В СБОРЕ

    NG

    ОТРЕМОНТИРУЙТЕ ИЛИ ЗАМЕНИТЕ ЖГУТ ПРОВОДОВ ИЛИ РАЗЪЕМ

  7. ПРОВЕРЬТЕ ЖГУТ ПРОВОДОВ И РАЗЪЕМ (ИСТОЧНИК ПИТАНИЯ И МАССА)

    1. Отсоедините разъем R64 шторки заднего окна в сборе.

    2. Измерьте напряжение и сопротивление и сравните с допустимыми значениями, указанными в следующей таблице.

      Номинальное напряжение

      Подключение диагностического прибора

      Условие

      Заданные условия

      R64-8 (B) - масса

      Всегда

      11–14 В

      R64-7 (IG) - масса

      Замок зажигания в положении OFF (ВЫКЛ)

      Менее 1 В

      R64-7 (IG) - масса

      Зажигание включено

      11-14 В

      Номинальное сопротивление

      Подключение диагностического прибора

      Условие

      Заданные условия

      R64-1 (E) - масса

      Всегда

      Менее 1 Ом

    Результат

    Перейти к

    OK

    НЕ СООТВ.

    СООТВ

    ЗАМЕНИТЕ ШТОРКУ ЗАДНЕГО ОКНА В СБОРЕ

    NG

    ОТРЕМОНТИРУЙТЕ ИЛИ ЗАМЕНИТЕ ЖГУТ ПРОВОДОВ ИЛИ РАЗЪЕМ