ENTRY AND START SYSTEM(for Start Function), Diagnostic DTC:B2284

DTC Code DTC Name
B2284 Brake Signal Malfunction

DESCRIPTION

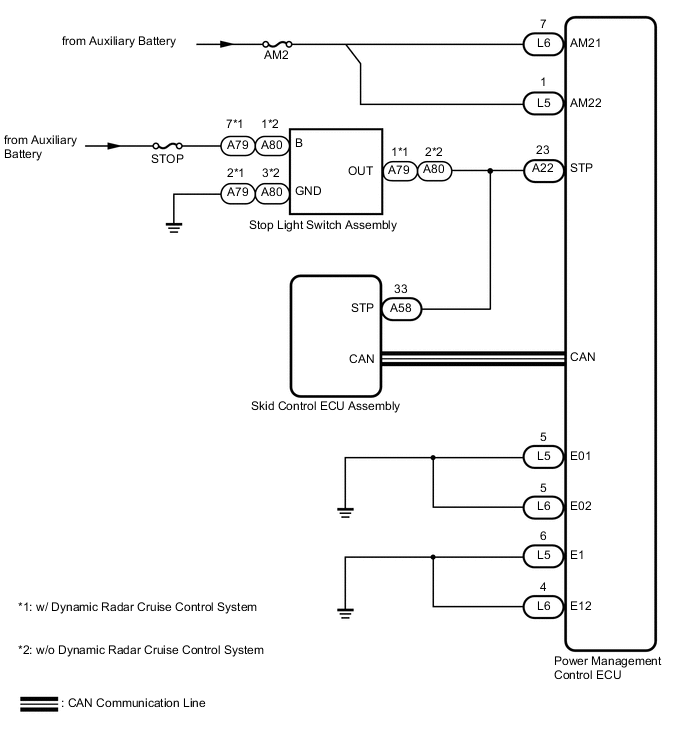
The power management control ECU receives brake signal information from 2 sources. It receives a signal from the stop light switch assembly via a direct line, and a signal from the skid control ECU assembly via CAN communication. If the information from these 2 sources is inconsistent, this DTC will be stored.

Tech Tips


  • When the power management control ECU is replaced with a new one and the cable is connected to the negative (-) auxiliary battery terminal, the power source mode changes to on (IG).

  • When the auxiliary battery cable is disconnected and reconnected, the power source returns to the mode it was in before the auxiliary battery cable was disconnected.

DTC No. DTC Detection Condition Trouble Area
B2284 Stop light switch assembly operation information received by the power management control ECU from the stop light switch assembly via a direct line and stop light switch assembly information from the skid control ECU assembly via CAN are inconsistent.
  • AM2 fuse

  • STOP fuse

  • Stop light switch assembly

  • CAN communication system

  • Skid control ECU assembly

  • Power management control ECU

  • Wire harness or connector

This DTC is stored when a mismatch between the brake signal from the direct line and the brake signal sent via CAN communication is detected.

DTC Code DTC Detection Condition Trouble Area DTC Output Confirmation Operation
B2284 The brake signal information from the direct line and the brake signal information from the ECU via CAN communication are inconsistent (1-trip detection logic*).
  • AM2 fuse

  • STOP fuse

  • Stop light switch assembly

  • CAN communication system

  • Skid control ECU assembly

  • Power management control ECU

  • Wire harness or connector

Connect the cable to the negative (-) auxiliary battery terminal, turn the brakes off for 20 seconds or more and then turn them on for 20 seconds or more.

Vehicle Condition and Fail-safe Function when Malfunction Detected
Vehicle Condition when Malfunction Detected Fail-safe Function when Malfunction Detected

When the key is inside the vehicle, the hybrid control system does not start even though a hybrid control system start operation is performed (the power switch indicator does not illuminate in green). However, if the power switch is pressed and held for a certain period of time after the power source mode is changed to on (ACC), the hybrid control system can be started.


  • When a direct line ON malfunction is present, the hybrid control system can be started by pressing the power switch even if the brakes are off.

  • When a direct line OFF malfunction is present, the hybrid control system cannot be started by pressing the power switch even if the brakes are on.

-

WIRING DIAGRAM

A005DQ2E05

CAUTION / NOTICE / HINT

Tech Tips

Check the connector connection to the terminal to make sure that there is no abnormality such as a loose connection, deformation, etc.

Note


  • When using the GTS with the power switch off, perform either of the following: 1) Turn a courtesy light switch on and off at intervals of 1.5 seconds or less until communication between the GTS and vehicle begins, or 2) connect the GTS to the vehicle, select the vehicle type under manual mode, and then enter the following menus:

    for Power Source Control: Body Electrical / Power Source Control / Trouble Codes.

    for Smart Key: Body Electrical / Smart Key / Trouble Codes.

  • The entry and start system uses multiplex communication. First perform the inspections in "How to Proceed with Troubleshooting" to confirm that there are no communication malfunctions before proceeding with troubleshooting Click here.

  • Inspect the fuses for circuits related to this system before performing the following inspection procedure.

  • After performing repairs, perform the operation that fulfills the DTC output confirmation operation, and then confirm that no DTCs are output again.

Tech Tips

Related Data List and Active Test Items
DTC Data List Item Active Test Item
B2284

    Power Source Control

  • Stop Light Switch1


    ABS/VSC/TRAC

  • Stop Light SW

-

PROCEDURE


  1. CHECK HARNESS AND CONNECTOR (AUXILIARY BATTERY - POWER MANAGEMENT CONTROL ECU)


    1. Disconnect the L5 and L6 connectors from the power management control ECU.

    2. Measure the voltage according to the value(s) in the table below.

      Standard Voltage
      Tester Connection Condition Specified Condition
      L5-1 (AM22) - Body ground Always 9.5 to 16 V
      L6-7 (AM21) - Body ground Always 9.5 to 16 V

    NG
    OK
  2. CHECK HARNESS AND CONNECTOR (POWER MANAGEMENT CONTROL ECU - BODY GROUND)


    1. Measure the resistance according to the value(s) in the table below.

      Standard Resistance
      Tester Connection Condition Specified Condition
      L5-5 (E01) - Body ground Always Below 1 Ω
      L5-6 (E1) - Body ground Always Below 1 Ω
      L6-4 (E12) - Body ground Always Below 1 Ω
      L6-5 (E02) - Body ground Always Below 1 Ω

    NG
    OK
  3. CHECK HARNESS AND CONNECTOR (STOP LIGHT SWITCH ASSEMBLY - POWER SOURCE AND BODY GROUND)


    1. A005AMIE02
      Text in Illustration
      *a

      Front view of wire harness connector

      (to Stop Light Switch Assembly)

      w/ Dynamic Radar Cruise Control System


      1. Disconnect the A79 stop light switch assembly connector.

      2. Measure the voltage and resistance according to the value(s) in the table below.

        Standard Voltage
        Tester Connection Condition Specified Condition
        A79-7 (B) - A79-2 (GND) Power switch off 11 to 14 V
        Standard Resistance
        Tester Connection Condition Specified Condition
        A79-2 (GND) - Body ground Always Below 1 Ω
    2. A005AEPE02
      Text in Illustration
      *a

      Front view of wire harness connector

      (to Stop Light Switch Assembly)

      w/o Dynamic Radar Cruise Control System


      1. Disconnect the A80 stop light switch assembly connector.

      2. Measure the voltage and resistance according to the value(s) in the table below.

        Standard Voltage
        Tester Connection Condition Specified Condition
        A80-1 (B) - A80-3 (GND) Power switch off 11 to 14 V
        Standard Resistance
        Tester Connection Condition Specified Condition
        A80-3 (GND) - Body ground Always Below 1 Ω

    NG
    OK
  4. INSPECT STOP LIGHT SWITCH ASSEMBLY


    1. A005BB8E02
      Text in Illustration
      *a

      Component with harness connected

      (Stop Light Switch Assembly)

      w/ Dynamic Radar Cruise Control System


      1. Reconnect the A79 stop light switch assembly connector.

      2. Measure the voltage according to the value(s) in the table below.

        Standard Voltage
        Tester Connection Condition Specified Condition
        A79-1 (OUT) - A79-2 (GND) Power switch off, Brake pedal not depressed Below 1 V
        A79-1 (OUT) - A79-2 (GND) Power switch off, Brake pedal depressed 11 to 14 V
    2. A005BKJE02
      Text in Illustration
      *a

      Component with harness connected

      (Stop Light Switch Assembly)

      w/o Dynamic Radar Cruise Control System


      1. Reconnect the A80 stop light switch assembly connector.

      2. Measure the voltage according to the value(s) in the table below.

        Standard Voltage
        Tester Connection Condition Specified Condition
        A80-2 (OUT) - A80-3 (GND) Power switch off, Brake pedal not depressed Below 1 V
        A80-2 (OUT) - A80-3 (GND) Power switch off, Brake pedal depressed 11 to 14 V

    NG
    OK
  5. CHECK HARNESS AND CONNECTOR (POWER MANAGEMENT CONTROL ECU - STOP LIGHT SWITCH ASSEMBLY)


    1. w/ Dynamic Radar Cruise Control System


      1. Disconnect the A22 power management control ECU connector.

      2. Measure the resistance according to the value(s) in the table below.

        Standard Resistance
        Tester Connection Condition Specified Condition
        A22-23 (STP) - A79-1 (OUT) Always Below 1 Ω
        A22-23 (STP) - Body ground Always 10 kΩ or higher
    2. w/o Dynamic Radar Cruise Control System


      1. Disconnect the A22 power management control ECU connector.

      2. Measure the resistance according to the value(s) in the table below.

        Standard Resistance
        Tester Connection Condition Specified Condition
        A22-23 (STP) - A80-2 (OUT) Always Below 1 Ω
        A22-23 (STP) - Body ground Always 10 kΩ or higher

    NG
    OK
  6. READ VALUE USING GTS (STOP LIGHT SWITCH ASSEMBLY)


    1. Connect the GTS to the DLC3.

    2. Turn the power switch on (IG).

    3. Turn the GTS on.

    4. Enter the following menus: Body Electrical / Power Source Control / Data List.

    5. Read the Data List according to the display on the GTS.

      Power Source Control
      Tester Display Measurement Item/Range Normal Condition Specified Condition
      Stop Light Switch1 State of brake pedal/OFF or ON

      OFF: Brake pedal released

      ON: Brake pedal depressed


      • Use this item to determine whether the stop light switch is malfunctioning.

      • The hybrid control system cannot be started when this item is "OFF".

      • When this item is malfunctioning, the hybrid control system can be started by pressing and holding the power switch for a certain period of time.

      OK
      ON (brake pedal is depressed) and OFF (brake pedal is released) appear on the screen.

    OK
    NG