AIR CONDITIONING SYSTEM, Diagnostic DTC:B1423/23

DTC Code DTC Name
B1423/23 Pressure Sensor Circuit

DESCRIPTION

This DTC is stored if refrigerant pressure on the high pressure side is extremely low (176 kPa (1.8 kgf/cm2, 26 psi) or less) or extremely high (3025 kPa (30.8 kgf/cm2, 439 psi) or more). The air conditioning tube and accessory assembly (air conditioner pressure sensor), which is installed on the pipe on the high pressure side to detect refrigerant pressure, sends a refrigerant pressure signal to the air conditioning amplifier assembly. The air conditioning amplifier assembly converts this signal to a pressure value according to the sensor characteristics and uses it to control the compressor.

DTC No.

Detection Item

DTC Detection Condition

Trouble Area

Memory

Note

B1423/23

Pressure Sensor Circuit

  • Open or short in air conditioner pressure sensor circuit

  • Refrigerant pressure on high pressure side is extremely low (176 kPa [1.8 kgf/cm2, 26 psi] or less) or extremely high (3025 kPa [30.8 kgf/cm2, 439 psi] or more)

  • Air conditioner pressure sensor

  • Harness or connector

  • Air conditioning amplifier assembly

  • Cooler expansion valve (blocked, stuck)

  • Condenser assembly (blocked, deterioration of cooling capacity due to dirt)

  • Cooler dryer (moisture in the refrigerant cycle cannot be absorbed)

  • Cooling fan system (condenser assembly cannot be cooled down)

  • Air conditioning system (leaks, blocked)

-

-

Tip:

The air conditioning amplifier assembly stores the DTC of the respective malfunction if it has occurred for the period of time indicated in the parentheses.

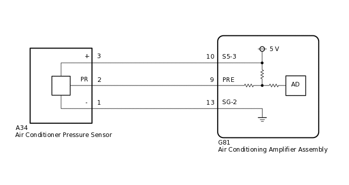
WIRING DIAGRAM

E316642E08

CAUTION / NOTICE / HINT

Note:

When the servo motor or air conditioning amplifier assembly is replaced, be sure to perform servo motor initialization.

Click here

Tip:

If DTC B1423 and B14B8 are output at the same time, troubleshoot for DTC B14B8 first.

PROCEDURE

  1. CHECK AIR CONDITIONER PRESSURE SENSOR (POWER SOURCE CIRCUIT)

    1. E312555C04

      *a

      Front view of wire harness connector

      (to Air Conditioner Pressure Sensor)

      Disconnect the air conditioner pressure sensor connector.

    2. Measure the voltage according to the value(s) in the table below.

      Standard Voltage

      Tester Connection

      Switch Condition

      Specified Condition

      A34-3 (+) - A34-1 (-)

      Power switch on (IG)

      4.75 to 5.25 V

    Result

    Proceed to

    OK

    NG

    NG

    CHECK HARNESS AND CONNECTOR (AIR CONDITIONING AMPLIFIER ASSEMBLY - AIR CONDITIONER PRESSURE SENSOR)Click here

    OK
  2. CHECK AIR CONDITIONER PRESSURE SENSOR (SENSOR SIGNAL CIRCUIT)

    1. E292204C18

      *a

      Component with harness connected

      (Air Conditioning Amplifier Assembly)

      Remove the air conditioning amplifier assembly with the connectors still connected.

      Click here

    2. Measure the voltage according to the value(s) in the table below.

      Standard Voltage

      Tester Connection

      Switch Condition

      Specified Condition

      G81-9 (PRE) - Body ground

      • Power switch on (IG)

      • A/C switch off

      0.62 to 4.73 V

      Tip:

      If the measured voltage is not within the normal range, there may be a malfunction in the air conditioning amplifier assembly, air conditioner pressure sensor, or wire harness. It is also possible that the amount of refrigerant may not be appropriate.

    Result

    Proceed to

    OK

    NG

    NG

    CHECK HARNESS AND CONNECTOR (AIR CONDITIONING AMPLIFIER ASSEMBLY - AIR CONDITIONER PRESSURE SENSOR)Click here

    OK
  3. CHECK AIR CONDITIONER PRESSURE SENSOR (SENSOR SIGNAL CIRCUIT)

    1. Measure the voltage when the following conditions are satisfied.

      Item

      Condition

      Vehicle Doors

      Fully open

      Temperature Setting

      MAX COLD

      Blower Speed

      Hi

      A/C Switch

      On

      R/F Switch

      Recirculation

      Interior Temperature

      25 to 35°C (77 to 95°F)

      Note:
      • If refrigerant pressure on the high pressure side becomes extremely high during the inspection (if the voltage exceeds 4.8 V), the fail-safe function stops compressor operation. Therefore, measure the voltage before the fail-safe operation.

      • It is necessary to measure the voltage for a certain amount of time (approximately 10 minutes) because the problem symptom may recur after a while.

      Tip:

      When the outside air temperature is low (below -1.5°C [29.3°F]), the compressor stops due to operation of the ambient temperature sensor and the evaporator temperature sensor to prevent the evaporator from freezing. In this case, perform the inspection in a warm indoor environment.

      1. E292204C18

        *a

        Component with harness connected

        (Air Conditioning Amplifier Assembly)

        Measure the voltage according to the value(s) in the table below.

        Standard Voltage

        Tester Connection

        Switch Condition

        Specified Condition

        G81-9 (PRE) - Body ground

        • Power switch on (IG)

        • A/C switch on

        0.62 to 4.73 V

    Result

    Result

    Proceed to

    OK (When troubleshooting according to the DTC)

    A

    OK (When troubleshooting according to Problem Symptoms Table)

    B

    NG

    C

    A

    REPLACE AIR CONDITIONING AMPLIFIER ASSEMBLY

    B

    PROCEED TO NEXT SUSPECTED AREA SHOWN IN PROBLEM SYMPTOMS TABLE

    C

    CHECK COOLING FAN SYSTEMClick here

  4. CHECK HARNESS AND CONNECTOR (AIR CONDITIONING AMPLIFIER ASSEMBLY - AIR CONDITIONER PRESSURE SENSOR)

    1. Disconnect the G81 air conditioning amplifier assembly connector.

    2. Disconnect the A34 air conditioner pressure sensor connector.

    3. Measure the resistance according to the value(s) in the table below.

      Standard Resistance

      Tester Connection

      Condition

      Specified Condition

      G81-10 (S5-3) - A34-3 (+)

      Always

      Below 1 Ω

      G81-10 (S5-3) or A34-3 (+) - Body ground

      Always

      10 kΩ or higher

    Result

    Proceed to

    OK

    NG

    OK

    REPLACE AIR CONDITIONING AMPLIFIER ASSEMBLY

    NG

    REPAIR OR REPLACE HARNESS OR CONNECTOR

  5. CHECK COOLING FAN SYSTEM

    1. Check that the cooling fan(s) operates normally.

      Click here

    Result

    Proceed to

    OK

    NG

    NG

    GO TO COOLING FAN SYSTEM

    OK
  6. CHARGE SYSTEM WITH REFRIGERANT

    1. Use a refrigerant recovery unit to recover refrigerant.

    2. Evacuate the air conditioning system.

    3. Add an appropriate amount of refrigerant.

      Tip:

      If refrigerant is added and the system has not been properly evacuated (insufficient vacuum time), moisture in the air remaining in the system will freeze in the expansion valve, blocking the flow on the high pressure side. Therefore, in order to confirm the problem, recover the refrigerant and properly evacuate the system. Add an appropriate amount of refrigerant, and check for DTC.

    Result

    Proceed to

    NEXT

    NEXT
  7. CHECK FOR DTC

    1. Check for DTCs when the following conditions are satisfied.

      Item

      Condition

      Vehicle Doors

      Fully open

      Temperature Setting

      MAX COLD

      Blower Speed

      Hi

      A/C Switch

      On

      R/F Switch

      Recirculation

      Interior Temperature

      25 to 35°C (77 to 95°F)

      Note:

      If refrigerant pressure on the high pressure side becomes high, the DTC will be set. It is necessary to measure the voltage for a certain amount of time (approximately 10 minutes) because the DTC may be set after the air conditioning operates for a while.

      Tip:
      • When the outside air temperature is low (below -1.5°C [29.3°F]), the compressor stops due to operation of the ambient temperature sensor and the evaporator temperature sensor to prevent the evaporator from freezing. In this case, perform the inspection in a warm indoor environment.

      • If refrigerant is added and the system has not been properly evacuated (insufficient vacuum time), moisture in the air remaining in the system will freeze in the expansion valve, blocking the flow on the high pressure side. Therefore, in order to confirm the problem, recover the refrigerant and properly evacuate the system. Add an appropriate amount of refrigerant, and check for DTC. If the DTC is not output after this work, it indicates that the cooler dryer in the condenser is not able to absorb moisture in the refrigerant cycle. It is necessary to replace the cooler dryer in order to complete the repair.

      OK

      DTC B1423/23 is not output.

    Result

    Proceed to

    OK

    NG

    OK

    REPLACE COOLER CONDENSER ASSEMBLY

    NG
  8. REPLACE COOLER EXPANSION VALVE

    1. Replace the cooler expansion valve with a new one.

      Click here

      Tip:

      Replace the cooler expansion valve with a new one because the expansion valve is either stuck or clogged.

    Result

    Proceed to

    NEXT

    NEXT
  9. CHARGE SYSTEM WITH REFRIGERANT

    1. Use a refrigerant recovery unit to recover refrigerant.

    2. Evacuate the air conditioning system.

    3. Add an appropriate amount of refrigerant.

      Tip:

      If refrigerant is added and the system has not been properly evacuated (insufficient vacuum time), moisture in the air remaining in the system will freeze in the expansion valve, blocking the flow on the high pressure side. Therefore, in order to confirm the problem, recover the refrigerant and properly evacuate the system. Add an appropriate amount of refrigerant, and check for DTC.

    Result

    Proceed to

    NEXT

    NEXT
  10. CHECK FOR DTC

    1. Check for DTCs when the following conditions are satisfied.

      Item

      Condition

      Vehicle Doors

      Fully open

      Temperature Setting

      MAX COLD

      Blower Speed

      Hi

      A/C Switch

      On

      R/F Switch

      Recirculation

      Interior Temperature

      25 to 35°C (77 to 95°F)

      Note:

      If refrigerant pressure on the high pressure side becomes high, the DTC will be set. It is necessary to measure the voltage for a certain amount of time (approximately 10 minutes) because the DTC may be set after the air conditioning operates for a while.

      Tip:
      • When the outside air temperature is low (below -1.5°C [29.3°F]), the compressor stops due to operation of the ambient temperature sensor and the evaporator temperature sensor to prevent the evaporator from freezing. In this case, perform the inspection in a warm indoor environment.

      • If refrigerant pressure is not normal after replacing the expansion valve with a normal one, the condenser or pipes may be clogged due to dirt, dust or other foreign matter. In this case, clean or replace the condenser or pipes.

      OK

      DTC B1423/23 is not output.

    Result

    Proceed to

    OK

    NG

    OK

    END (COOLER EXPANSION VALVE WAS DEFECTIVE)

    NG

    CLEAN OR REPLACE COOLER CONDENSER ASSEMBLY

  11. CHECK HARNESS AND CONNECTOR (AIR CONDITIONING AMPLIFIER ASSEMBLY - AIR CONDITIONER PRESSURE SENSOR)

    1. Disconnect the G81 air conditioning amplifier assembly connector.

    2. Disconnect the A34 air conditioning tube and accessory assembly (air conditioner pressure sensor) connector.

    3. Measure the resistance according to the value(s) in the table below.

      Standard Resistance

      Tester Connection

      Condition

      Specified Condition

      G81-9 (PRE) - A34-2 (PR)

      Always

      Below 1 Ω

      G81-9 (PRE) or A34-2 (PR) - Body ground

      Always

      10 kΩ or higher

    Result

    Proceed to

    OK

    NG

    NG

    REPAIR OR REPLACE HARNESS OR CONNECTOR

    OK
  12. CHECK FOR AIR CONDITIONING SYSTEM LEAK

    1. Install a manifold gauge set.

    2. Recover the refrigerant from the air conditioning system using a refrigerant recovery unit.

    3. Evacuate the air conditioning system and check that vacuum can be maintained in it.

      Tip:

      If vacuum cannot be maintained in the air conditioning system, refrigerant may be leaking from it. In this case, it is necessary to repair or replace the leaking part of the air conditioning system.

    Result

    Result

    Proceed to

    Vacuum can be maintained in the air conditioning system

    A

    Vacuum cannot be maintained in the air conditioning system

    B

    B

    REPAIR AIR CONDITIONING SYSTEM LEAKClick here

    A
  13. CHARGE SYSTEM WITH REFRIGERANT

    1. Use a refrigerant recovery unit to recover refrigerant.

    2. Evacuate the air conditioning system.

    3. Add an appropriate amount of refrigerant.

      Click here

      Tip:

      If refrigerant is added and the system has not been properly evacuated (insufficient vacuum time), moisture in the air remaining in the system will freeze in the expansion valve, blocking the flow on the high pressure side. Therefore, in order to confirm the problem, recover the refrigerant and properly evacuate the system. Add an appropriate amount of refrigerant, and check for DTC.

    Result

    Proceed to

    NEXT

    NEXT
  14. CHECK FOR DTC

    1. Check for DTCs when the following conditions are satisfied.

      Item

      Condition

      Vehicle Doors

      Fully open

      Temperature Setting

      MAX COLD

      Blower Speed

      Hi

      A/C Switch

      On

      R/F Switch

      Recirculation

      Interior Temperature

      25 to 35°C (77 to 95°F)

      Note:
      • If refrigerant pressure on the high pressure side becomes high, the DTC will be set. It is necessary to measure the voltage for a certain amount of time (approximately 10 minutes) because the DTC may be set after the air conditioning operates for a while.

      • If the DTC was stored due to an insufficient or excessive amount of refrigerant, the problem may have been solved after performing the previous step. However, the root cause of insufficient refrigerant may be refrigerant leaks. The root cause of excessive refrigerant may be adding refrigerant when the level was insufficient. Therefore, identify and repair the area where refrigerant leaks from as necessary.

      Tip:

      When the outside air temperature is low (below -1.5°C [29.3°F]), the compressor stops due to operation of the ambient temperature sensor and the evaporator temperature sensor to prevent the evaporator from freezing. In this case, perform the inspection in a warm indoor environment.

      OK

      DTC B1423/23 is not output.

    Result

    Proceed to

    OK

    NG

    OK

    END

    NG
  15. CHECK AIR CONDITIONER PRESSURE SENSOR

    1. Install a manifold gauge set.

    2. Turn the power switch on (IG).

    3. E292204C19

      *a

      Component with harness connected

      (Air Conditioning Amplifier Assembly)

      Measure the voltage according to the value(s) in the table below.

      Standard Voltage

      Tester Connection

      Condition

      Specified Condition

      G81-9 (PRE) - G81-13 (SG-2)

      Engine running

      Air conditioning system operating

      Refrigerant pressure: (below 3025 kPa [30.8 kgf/cm2, 439 psi] and higher than 176 kPa [1.8 kgf/cm2, 26 psi])

      0.62 to 4.73 V

    Result

    Proceed to

    OK

    NG

    NG

    REPLACE AIR CONDITIONER PRESSURE SENSOR

    OK
  16. CHECK FOR DTC

    1. Check for DTCs when the following conditions are satisfied.

      Item

      Condition

      Vehicle Doors

      Fully open

      Temperature Setting

      MAX COLD

      Blower Speed

      Hi

      A/C Switch

      On

      R/F Switch

      Recirculation

      Interior Temperature

      25 to 35°C (77 to 95°F)

      Note:
      • If refrigerant pressure on the high pressure side becomes high, the DTC will be set. It is necessary to measure the voltage for a certain amount of time (approximately 10 minutes) because the DTC may be set after the air conditioning operates for a while.

      • If the DTC was stored due to an insufficient or excessive amount of refrigerant, the problem may have been solved after performing the previous step. However, the root cause of insufficient refrigerant may be refrigerant leaks. The root cause of excessive refrigerant may be adding refrigerant when the level was insufficient. Therefore, identify and repair the area where refrigerant leaks from as necessary.

      Tip:

      When the outside air temperature is low (below -1.5°C [29.3°F]), the compressor stops due to operation of the ambient temperature sensor and the evaporator temperature sensor to prevent the evaporator from freezing. In this case, perform the inspection in a warm indoor environment.

      OK

      DTC B1423/23 is not output.

    Result

    Proceed to

    OK

    NG

    OK

    END

    NG

    REPLACE AIR CONDITIONING AMPLIFIER ASSEMBLY

  17. REPAIR AIR CONDITIONING SYSTEM LEAK

    1. Identify the area where refrigerant leaks from.

    2. Repair the identified area of the air conditioning system.

    3. Evacuate the air conditioning system.

    Result

    Proceed to

    NEXT

    NEXT

    CHARGE SYSTEM WITH REFRIGERANT