LIGHTING SYSTEM DRL Relay Circuit

DTC Code DTC Name
DRL Relay Circuit

DESCRIPTION

The main body ECU (multiplex network body ECU) controls the daytime running lights.

WIRING DIAGRAM

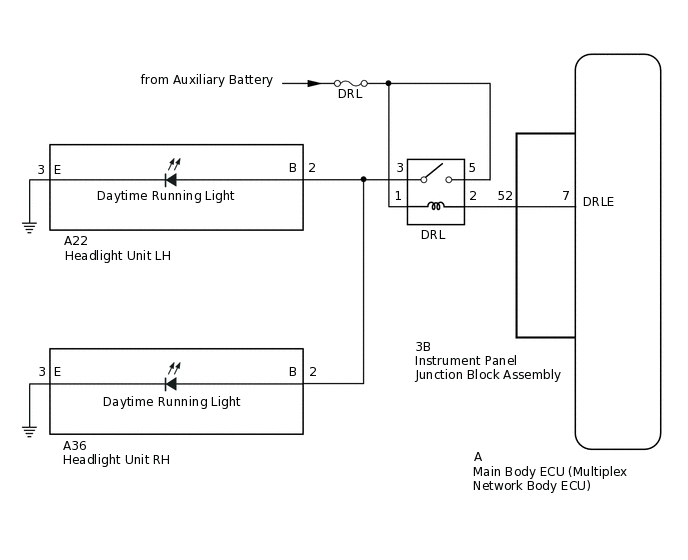
  1. w/ Front Seat Control System (w/ Memory)

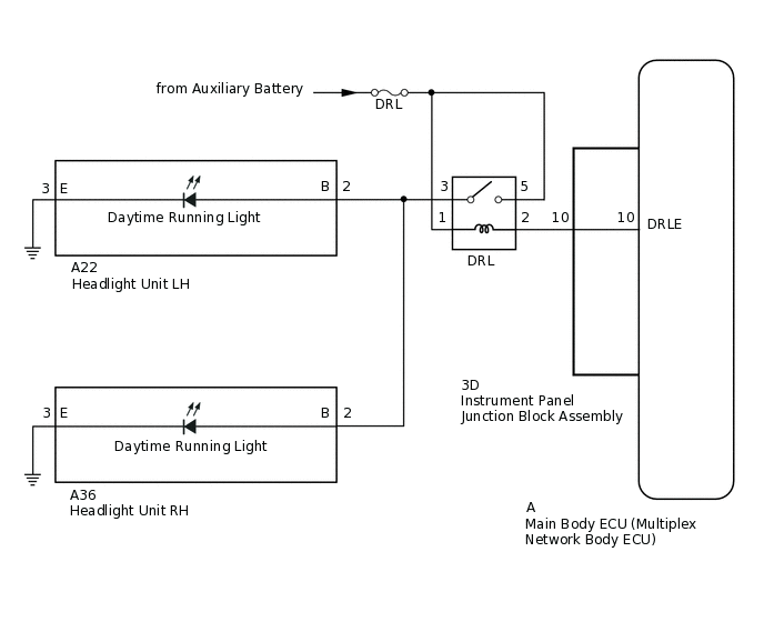
  2. w/ Front Seat Control System (w/o Memory)

E270108E04
E270108E05

CAUTION / NOTICE / HINT

Note:
  • Inspect the fuses for circuits related to this system before performing the following inspection procedure.

  • When replacing the main body ECU (multiplex network body ECU), make sure to replace it with a new one.

PROCEDURE

  1. PERFORM ACTIVE TEST USING GTS (DAYTIME RUNNING LIGHT)

    1. Using the GTS, perform the Active Test.

      Click here

      Body Electrical > Main Body > Active Test

      Tester Display

      Measurement Item

      Control Range

      Diagnostic Note

      Daytime Running Light

      Daytime running light

      ON or OFF

      -

      Body Electrical > Main Body > Active Test

      Tester Display

      Daytime Running Light

    Result

    Proceed to

    Daytime running lights come on

    Daytime running lights do not come on

    Daytime running lights come on

    REPLACE MAIN BODY ECU (MULTIPLEX NETWORK BODY ECU)

    for LHD:

    Click here

    for RHD:

    Click here

    Daytime running lights do not come on
  2. INSPECT DAYTIME RUNNING LIGHT RELAY (DRL)

    1. E274429N01

      Remove the daytime running light relay from the No. 2 engine room relay block and junction block assembly.

    2. Measure the resistance according to the value(s) in the table below.

      Standard Resistance

      Tester Connection

      Condition

      Specified Condition

      3 - 5

      Battery voltage applied between terminals 1 and 2

      Below 1 Ω

      3 - 5

      Battery voltage not applied between terminals 1 and 2

      10 kΩ or higher

    Result

    Proceed to

    OK

    NG

    NG

    REPLACE DAYTIME RUNNING LIGHT RELAY (DRL)

    OK
  3. CHECK HARNESS AND CONNECTOR (DAYTIME RUNNING LIGHT RELAY [DRL] - BATTERY)

    1. E342582C02

      *a

      Front view of wire harness connector

      (to Daytime Running Light Relay)

      Remove the daytime running light relay from the No. 2 engine room relay block and junction block assembly.

    2. Measure the voltage according to the value(s) in the table below.

      Standard Voltage

      Tester Connection

      Condition

      Specified Condition

      Daytime running light relay terminal 5 - Body ground

      Power switch off

      11 to 14 V

      Daytime running light relay terminal 1 - Body ground

    Result

    Proceed to

    OK

    NG

    NG

    REPAIR OR REPLACE HARNESS OR CONNECTOR

    OK
  4. CHECK VEHICLE TYPE

    1. Check vehicle type.

    Result

    Result

    Proceed to

    w/ Front Seat Control System (w/ Memory)

    A

    w/ Front Seat Control System (w/o Memory)

    B

    B

    CHECK HARNESS AND CONNECTOR (DAYTIME RUNNING LIGHT RELAY [DRL] - INSTRUMENT PANEL JUNCTION BLOCK ASSEMBLY)Click here

    A
  5. CHECK HARNESS AND CONNECTOR (DAYTIME RUNNING LIGHT RELAY [DRL] - INSTRUMENT PANEL JUNCTION BLOCK ASSEMBLY)

    1. Remove the daytime running light relay from the No. 2 engine room relay block and junction block assembly.

    2. Disconnect the 3B instrument panel junction block assembly connector.

    3. Measure the resistance according to the value(s) in the table below.

      Standard Resistance

      Tester Connection

      Condition

      Specified Condition

      Daytime running light relay terminal 2 - 3B-52

      Always

      Below 1 Ω

      3B-52 - Body ground

      Always

      10 kΩ or higher

    Result

    Proceed to

    OK

    NG

    NG

    REPAIR OR REPLACE HARNESS OR CONNECTOR

    OK
  6. INSPECT INSTRUMENT PANEL JUNCTION BLOCK ASSEMBLY

    1. E338830E04

      Remove the instrument panel junction block assembly.

      for LHD:

      Click here

      for RHD:

      Click here

    2. Remove the main body ECU (multiplex network body ECU) from the instrument panel junction block assembly.

      for LHD:

      Click here

      for RHD:

      Click here

    3. Measure the resistance according to the value(s) in the table below.

      Standard Resistance

      Tester Connection

      Condition

      Specified Condition

      A-7 (DRLE) - 3B-52

      Always

      Below 1 Ω

    Result

    Proceed to

    OK

    NG

    OK

    PROCEED TO NEXT SUSPECTED AREA SHOWN IN PROBLEM SYMPTOMS TABLE

    NG

    REPLACE INSTRUMENT PANEL JUNCTION BLOCK ASSEMBLY

    for LHD:

    Click here

    for RHD:

    Click here

  7. CHECK HARNESS AND CONNECTOR (DAYTIME RUNNING LIGHT RELAY [DRL] - INSTRUMENT PANEL JUNCTION BLOCK ASSEMBLY)

    1. Remove the daytime running light relay from the No. 2 engine room relay block and junction block assembly.

    2. Disconnect the 3D instrument panel junction block assembly connector.

    3. Measure the resistance according to the value(s) in the table below.

      Standard Resistance

      Tester Connection

      Condition

      Specified Condition

      Daytime running light relay terminal 2 - 3D-10

      Always

      Below 1 Ω

      3D-10 - Body ground

      Always

      10 kΩ or higher

    Result

    Proceed to

    OK

    NG

    NG

    REPAIR OR REPLACE HARNESS OR CONNECTOR

    OK
  8. INSPECT INSTRUMENT PANEL JUNCTION BLOCK ASSEMBLY

    1. E270897E02

      Remove the instrument panel junction block assembly.

      for LHD:

      Click here

      for RHD:

      Click here

    2. Remove the main body ECU (multiplex network body ECU) from the instrument panel junction block assembly.

      for LHD:

      Click here

      for RHD:

      Click here

    3. Measure the resistance according to the value(s) in the table below.

      Standard Resistance

      Tester Connection

      Condition

      Specified Condition

      A-10 (DRLE) - 3D-10

      Always

      Below 1 Ω

    Result

    Proceed to

    OK

    NG

    OK

    PROCEED TO NEXT SUSPECTED AREA SHOWN IN PROBLEM SYMPTOMS TABLE

    NG

    REPLACE INSTRUMENT PANEL JUNCTION BLOCK ASSEMBLY

    for LHD:

    Click here

    for RHD:

    Click here