LIGHTING SYSTEM Headlight Dimmer Switch Circuit

DTC Code DTC Name
Headlight Dimmer Switch Circuit

DESCRIPTION

The main body ECU (multiplex network body ECU) receives the following signals:

  • Headlight dimmer switch tail, head, AUTO, high or high flash signal

  • Front fog light switch signal (w/ Front Fog Light)

  • Rear fog light switch signal (w/ Rear Fog Light)

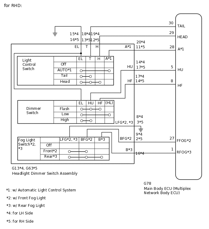
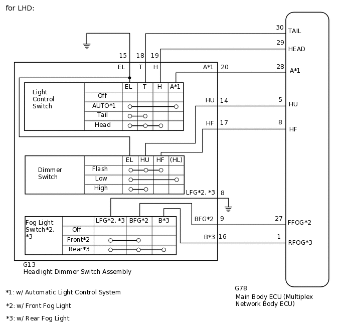
WIRING DIAGRAM

E270104E03
E270105E02

CAUTION / NOTICE / HINT

Note:

When replacing the main body ECU (multiplex network body ECU), make sure to replace it with a new one.

PROCEDURE

  1. READ VALUE USING GTS (HEADLIGHT DIMMER SWITCH)

    1. Using the GTS, read the Data List.

      Click hereClick here

      Body Electrical > Main Body > Data List

      Tester Display

      Measurement Item

      Range

      Normal Condition

      Diagnostic Note

      Dimmer SW

      Headlight dimmer switch high position signal

      ON or OFF

      ON: Headlight dimmer switch in high or high flash position

      OFF: Headlight dimmer switch in low position

      -

      Passing Light SW

      Headlight dimmer switch high flash position (pass) signal

      ON or OFF

      ON: Headlight dimmer switch in high flash position

      OFF: Headlight dimmer switch not in high flash position

      -

      Rear Fog Light SW

      Rear fog light switch signal

      ON or OFF

      ON: Rear fog light switch on

      OFF: Rear fog light switch off

      w/ Rear Fog Light

      Front Fog Light SW

      Front fog light switch signal

      ON or OFF

      ON: Front fog light switch on

      OFF: Front fog light switch off

      w/ Front Fog Light

      Auto Light SW

      Headlight dimmer switch AUTO position signal

      ON or OFF

      ON: Headlight dimmer switch in AUTO position

      OFF: Headlight dimmer switch not in AUTO position

      w/ Automatic Light Control System

      Head Light SW (Head)

      Headlight dimmer switch head position signal

      ON or OFF

      ON: Headlight dimmer switch in head position

      OFF: Headlight dimmer switch not in head position

      -

      Head Light SW (Tail)

      Headlight dimmer switch tail position signal / ON or OFF

      ON or OFF

      ON: Headlight dimmer switch in tail or head position

      OFF: Headlight dimmer switch in neither tail nor head position

      -

      Body Electrical > Main Body > Data List

      Tester Display

      Dimmer SW

      Passing Light SW

      Rear Fog Light SW

      Front Fog Light SW

      Auto Light SW

      Head Light SW (Head)

      Head Light SW (Tail)

      OK

      The display is as specified in the normal condition column.

    Result

    Proceed to

    OK

    NG

    OK

    PROCEED TO NEXT SUSPECTED AREA SHOWN IN PROBLEM SYMPTOMS TABLE

    NG
  2. INSPECT HEADLIGHT DIMMER SWITCH ASSEMBLY (LIGHT CONTROL SWITCH, DIMMER SWITCH FOG LIGHT SWITCH)

    1. Remove the headlight dimmer switch assembly.

      Click here

    2. Inspect the headlight dimmer switch assembly.

      Click here

    Result

    Proceed to

    OK

    NG

    NG

    REPLACE HEADLIGHT DIMMER SWITCH ASSEMBLY

    OK
  3. CHECK HARNESS AND CONNECTOR (HEADLIGHT DIMMER SWITCH ASSEMBLY - MAIN BODY ECU AND BODY GROUND)

    1. for LHD:

      1. Disconnect the G13 headlight dimmer switch assembly connector.

    2. for RHD:

      1. Disconnect the G13*1 or G63*2 headlight dimmer switch assembly connector.

        *1: for LH Side

        *2: for RH Side

    3. Disconnect the G78 main body ECU (multiplex network body ECU) connector.

    4. Measure the resistance according to the value(s) in the table below.

      Standard Resistance

      for LHD

      Tester Connection

      Condition

      Specified Condition

      G78-27 (FFOG) - G13-9 (BFG)*1

      Always

      Below 1 Ω

      G78-1 (RFOG) - G13-16 (B)*2

      G78-5 (HU) - G13-14 (HU)

      G78-8 (HF) - G13-17 (HF)

      G78-30 (TAIL) - G13-18 (T)

      G78-29 (HEAD) - G13-19 (H)

      G78-28 (A) - G13-20 (A)*3

      G13-8 (LFG) - Body ground*1, *2

      G13-15 (EL) - Body ground

      G78-27 (FFOG) - Body ground*1

      Always

      10 kΩ or higher

      G78-1 (RFOG) - Body ground*2

      G78-5 (HU) - Body ground

      G78-8 (HF) - Body ground

      G78-30 (TAIL) - Body ground

      G78-29 (HEAD) - Body ground

      G78-28 (A) - Body ground*3

      *1: w/ Front Fog Light

      *2: w/ Rear Fog Light

      *3: w/ Automatic Light Control System

      for RHD

      Tester Connection

      Condition

      Specified Condition

      G78-27 (FFOG) - G13-9 (BFG)*1, *4

      Always

      Below 1 Ω

      G78-27 (FFOG) - G63-2 (BFG)*1, *5

      G78-1 (RFOG) - G13-16 (B)*2, *4

      G78-5 (HU) - G13-14 (HU)*4

      G78-5 (HU) - G63-17 (HU)*5

      G78-8 (HF) - G13-17 (HF)*4

      G78-8 (HF) - G63-14 (HF)*5

      G78-30 (TAIL) - G13-18 (T)*4

      G78-30 (TAIL) - G63-13 (T)*5

      G78-29 (HEAD) - G13-19 (H)*4

      G78-29 (HEAD) - G63-12 (H)*5

      G78-28 (A) - G13-20 (A)*3, *4

      G78-28 (A) - G63-11 (A)*3, *5

      G13-8 (LFG) - Body ground*1, *2, *4

      G63-3 (LFG) - Body ground*1, *2, *5

      G13-15 (EL) - Body ground*4

      G63-16 (EL) - Body ground*5

      G78-27 (FFOG) - Body ground*1

      Always

      10 kΩ or higher

      G78-1 (RFOG) - Body ground*2

      G78-5 (HU) - Body ground

      G78-8 (HF) - Body ground

      G78-30 (TAIL) - Body ground

      G78-29 (HEAD) - Body ground

      G78-28 (A) - Body ground*3

      *1: w/ Front Fog Light

      *2: w/ Rear Fog Light

      *3: w/ Automatic Light Control System

      *4: for LH Side

      *5: for RH Side

    Result

    Proceed to

    OK

    NG

    OK

    REPLACE MAIN BODY ECU (MULTIPLEX NETWORK BODY ECU)

    for LHD:

    Click here

    for RHD:

    Click here

    NG

    REPAIR OR REPLACE HARNESS OR CONNECTOR