STOP AND START SYSTEM, Diagnostic DTC:P0617

DTC Code DTC Name
P0617 Starter Relay Circuit High

DESCRIPTION

When the stop and start system is activated, the engine stop and start ECU sends starter operation voltage (STA voltage) to the starter relay (ST relay) and controls the starter assembly.

If overcurrent is detected in the starter relay circuit, the engine stop and start ECU stores DTC P0617 and blinks the stop and start cancel indicator light.

DTC No.

Detection Item

DTC Detection Condition

Trouble Area

Warning Indicate

Memory

P0617

Starter Relay Circuit High

Both of the following conditions are met for 1 second (1 trip detection logic):

  • Ignition switch is turned to ON

  • Overcurrent to ST relay is detected.

  • Wire harness or connector

  • ST relay

  • Engine stop and start ECU

Blinks

DTC stored

CONFIRMATION DRIVING PATTERN

  1. Tip:
    • When the cable is disconnected from the negative (-) battery terminal, stop and start control is prohibited until refresh charge is completed. After connecting the cable, drive the vehicle until stop and start control is permitted (approximately 15 to 40 minutes).

    • Allow the engine to idle for 3 minutes after it is warmed up and check that the engine idle speed is within 50 rpm of the target idle speed.

    CONFIRMATION AFTER TROUBLESHOOTING

    1. Connect the GTS to the DLC3.

    2. Turn the ignition switch to ON and turn the GTS on.

    3. Clear the DTCs.

      Click here

      Powertrain > Stop and Start > Clear DTCs

    4. Start the engine and warm it up.

    5. Drive the vehicle at 7 km/h (4.3 mph) or more.

      CAUTION:

      When performing Confirmation Driving Pattern, obey all speed limits and traffic laws.

    6. Stop the vehicle, move the shift lever to neutral and release the clutch pedal.

    7. Keep the engine stopped by stop and start control for 1 second or more.

    8. Depress the clutch pedal to start the engine.

    9. Check that DTCs are not output.

      Click here

      Powertrain > Stop and Start > Trouble Codes

  2. STOP AND START SYSTEM OPERATION CHECK

    Tip:

    When the cable is disconnected from the negative (-) battery terminal, stop and start control is prohibited until refresh charge is completed. After connecting the cable, drive the vehicle until stop and start control is permitted (approximately 15 to 40 minutes).

    1. Start the engine and warm it up.

    2. Turn the air conditioning system off.

    3. Drive the vehicle at 7 km/h (4.3 mph) or more.

      CAUTION:

      When performing Confirmation Driving Pattern, obey all speed limits and traffic laws.

    4. Stop the vehicle, move the shift lever to neutral and release the clutch pedal.

    5. Allow the engine to be stopped by stop and start control.

    6. Depress the clutch pedal to start the engine.

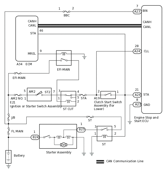
WIRING DIAGRAM

Figure 1. w/o Entry and Start System
A327781E01
Figure 2. w/ Entry and Start System
A327782E01

CAUTION / NOTICE / HINT

Note:
  • Before replacing the engine stop and start ECU, download the current status (number of starter operations) and upload it into a new engine stop and start ECU.

    Click here

  • After replacing the engine stop and start ECU or air conditioning control assembly, initialize and perform learning of the air conditioning information in the engine stop and start ECU.

    Click here

  • After replacing the engine stop and start ECU or airbag sensor assembly, clear and calibrate the deceleration sensor zero point in the engine stop and start ECU.

    Click here

  • Inspect the fuses for circuits related to this system before performing the following procedure.

Tip:
  • Using the GTS, read the freeze frame data before troubleshooting. System condition information is recorded as freeze frame data the moment a DTC is stored. This information can be useful when troubleshooting.

    Click here

  • As the ST CUT relay is isolated from ground, the contacts of the ST CUT relay remain closed at all times.

PROCEDURE

  1. CHECK HARNESS AND CONNECTOR (ENGINE STOP AND START ECU - BBC FUSE)

    1. Disconnect the A23 engine stop and start ECU connector.

    2. Remove the BBC fuse from No. 1 engine room relay block.

    3. Measure the resistance according to the value(s) in the table below.

      Standard Resistance

      Tester Connection

      Condition

      Specified Condition

      A23-7 (BIN) - BBC fuse terminal 2

      Always

      Below 1 Ω

      A23-7 (BIN) - Body ground

      Always

      10 kΩ or higher

      BBC fuse terminal 2 - Body ground

      Always

      10 kΩ or higher

    Result

    Proceed to

    OK

    NG

    NG

    REPAIR OR REPLACE HARNESS OR CONNECTOR

    OK
  2. CHECK HARNESS AND CONNECTOR (ENGINE STOP AND START ECU - ST RELAY)

    1. Disconnect the E50 certification ECU (smart key ECU assembly) connector (w/ Entry and Start System).

    2. Disconnect the A19 clutch start switch assembly (for lower) connector.

    3. Disconnect the A34 ECM connector.

    4. Disconnect the A23 and A24 engine stop and start ECU connectors.

    5. Remove the ST relay from No. 1 engine room relay block.

    6. Remove the BBC fuse from No. 1 engine room relay block.

    7. Measure the resistance according to the value(s) in the table below.

      Standard Resistance

      Tester Connection

      Condition

      Specified Condition

      A24-21 (STA) - ST relay terminal 2

      Always

      Below 1 Ω

      A24-21 (STA) - Body ground

      Always

      10 kΩ or higher

      ST relay terminal 2 - Body ground

      Always

      10 kΩ or higher

      A23-7 (BIN) - A24-21 (STA)

      Always

      10 kΩ or higher

    Result

    Proceed to

    OK

    NG

    NG

    REPAIR OR REPLACE HARNESS OR CONNECTOR

    OK
  3. CHECK ENGINE STOP AND START ECU

    1. Disconnect the A23, A24 and A25 engine stop and start ECU connectors.

      A295480C06

      *a

      Component without harness connected

      (Engine Stop and Start ECU)

      -

      -

    2. Measure the resistance according to the value(s) in the table below.

      Standard Resistance

      Tester Connection

      Condition

      Specified Condition

      A24-21 (STA) - A23-8 (GND)

      Always

      10 kΩ or higher

    Result

    Proceed to

    OK

    NG

    NG

    REPLACE ENGINE STOP AND START ECU

    OK
  4. INSPECT RELAY (ST RELAY)

    1. Inspect the ST relay.

      Click here

    Result

    Proceed to

    OK

    NG

    OK

    USE SIMULATION METHOD TO CHECK

    NG

    REPLACE RELAY (ST RELAY)