ENTRY AND START SYSTEM(for Start Function), Diagnostic DTC:B2282

DTC Code DTC Name
B2282 Vehicle Speed Signal Malfunction

DESCRIPTION

This DTC is stored when a mismatch between the vehicle speed signal from the direct line sent by the combination meter sub-assembly and the vehicle speed signal sent via CAN communication is detected.

Tech Tips


  • When the certification ECU (smart key ECU assembly) is replaced with a new one and the cable is connected to the negative (-) auxiliary battery terminal, the power source mode changes to on (IG).

  • When the auxiliary battery cable is disconnected and reconnected, the power source returns to the mode it was in before the auxiliary battery cable was disconnected.

DTC Code DTC Detection Condition Trouble Area DTC Output Confirmation Operation
B2282 Mismatch between the vehicle speed signal from the direct line sent by the combination meter sub-assembly and the vehicle speed signal sent via CAN communication (1-trip detection logic*).
  • CAN communication system

  • Combination meter sub-assembly

  • Certification ECU (smart key ECU assembly)

  • Junction Connector

  • Wire harness or connector

Drive the vehicle for 20 seconds at a vehicle speed of 25 km/h (16 mph) or more, and then drive the vehicle at a vehicle speed that is less than 5 km/h (3 mph) for 20 seconds.

Vehicle Condition and Fail-safe Function when Malfunction Detected
DTC Code Vehicle Condition when Malfunction Detected Fail-safe Function when Malfunction Detected
B2282
  • When the signal from the direct line or CAN communication is malfunctioning and indicates no vehicle speed, there is no effect on vehicle behavior.

  • When the signal from the direct line or CAN communication is malfunctioning and indicates that the vehicle is moving, the power source mode cannot be turned from on (IG) to off.

-

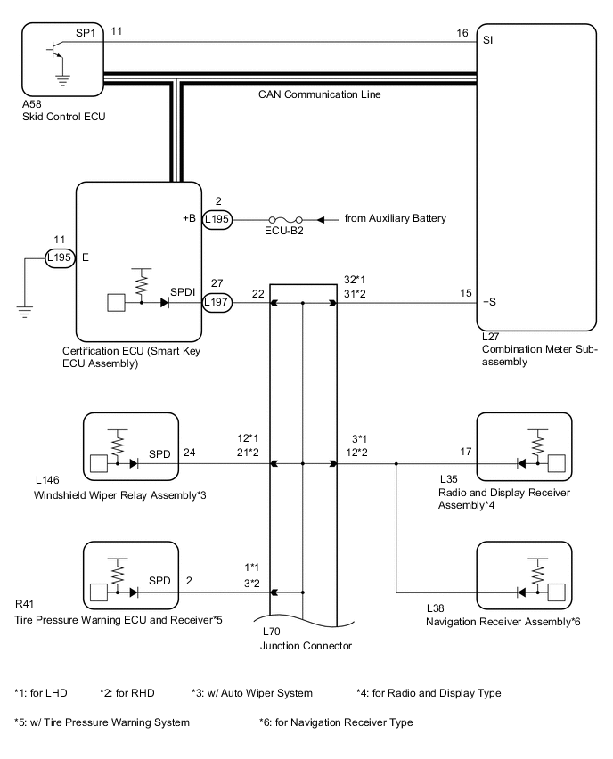
WIRING DIAGRAM

B005ZT4E03
B005Z4JE01

Tech Tips


  • A voltage of 12 V or 5 V is output from each ECU and then input to the combination meter sub-assembly. The signal is changed to a pulse signal at the transistor in the combination meter sub-assembly. Each ECU controls the respective system based on the pulse signal.

  • If a short occurs in an ECU, all systems in the diagram above will not operate normally.

CAUTION / NOTICE / HINT

Note


  • The entry and start system uses multiplex communication. First perform the inspections in "How to Proceed with Troubleshooting" to confirm that there are no communication malfunctions before proceeding with troubleshooting Click here.

  • Inspect the fuses for circuits related to this system before performing the following inspection procedure.

  • After performing repairs, perform the operation that fulfills the DTC output confirmation operation, and then confirm that no DTCs are output again.

Tech Tips

Related Data List and Active Test Items
DTC Data List Item Active Test Item
B2282

    Power Source Control

  • Vehicle Speed Signal

  • Power Supply Condition


    Combination Meter

  • Vehicle Speed Meter

-

PROCEDURE


  1. CHECK CAN COMMUNICATION SYSTEM


    1. Use the GTS to check if the CAN communication system is functioning normally Click here.

    2. Use the GTS to check if the CAN communication system is functioning normally Click here.

      Result
      Result Proceed to
      CAN DTC is not output A
      CAN DTC is output (w/o Central Gateway ECU) B
      CAN DTC is output (w/ Central Gateway ECU) C

    B
    C
    A
  2. CHECK SPEEDOMETER OPERATION


    1. Connect the GTS to the DLC3.

    2. Turn the power switch on (IG).

    3. Turn the GTS on.

    4. Enter the following menus: Body Electrical / Combination Meter / Data List.

    5. Check the Data List for proper functioning of the vehicle speed signal.

      Combination Meter
      Tester Display Measurement Item/Range Normal Condition Diagnostic Note
      Vehicle Speed Meter Vehicle speed / Min.: 0 km/h (0 mph), Max.: 255 km/h (158 mph) Almost the same as actual vehicle speed -
      OK
      Vehicle speed displayed on the GTS is almost the same as the actual vehicle speed measured using a speedometer tester (calibrated chassis dynamometer).

    NG
    OK
  3. READ VALUE USING GTS


    1. Enter the following menus: Body Electrical / Power Source Control / Data List.

    2. Read the Data List according to the display on the GTS.

      Power Source Control
      Tester Display Measurement Item/Range Normal Condition Diagnostic Note
      Vehicle speed signal Vehicle moving or stationary/Stop or Run

      Stop: Vehicle stopped

      Run: Vehicle moving at 5 km/h (3 mph) or more

      -
      OK
      Stop (vehicle is stopped) and Run (vehicle is running) appear on the screen.

    OK
    NG
  4. CHECK HARNESS AND CONNECTOR (AUXILIARY BATTERY - CERTIFICATION ECU (SMART KEY ECU ASSEMBLY)


    1. Disconnect the L195 certification ECU (smart key ECU assembly) connector.

    2. B005XWEE02
      Text in Illustration
      *a

      Rear view of wire harness connector

      (to Certification ECU (Smart Key ECU Assembly))

      Measure the voltage according to the value(s) in the table below.

      Standard Voltage
      Tester Connection Condition Specified Condition
      L195-2 (+B) - Body ground Power switch off 11 to 14 V

    NG
    OK
  5. CHECK HARNESS AND CONNECTOR (CERTIFICATION ECU (SMART KEY ECU ASSEMBLY) - BODY GROUND)


    1. B005Z0KE02
      Text in Illustration
      *a

      Rear view of wire harness connector

      (to Certification ECU (Smart Key ECU Assembly))

      Measure the resistance according to the value(s) in the table below.

      Standard Resistance
      Tester Connection Condition Specified Condition
      L195-11 (E) - Body ground Always Below 1 Ω

    NG
    OK
  6. CHECK HARNESS AND CONNECTOR (COMBINATION METER SUB-ASSEMBLY - CERTIFICATION ECU (SMART KEY ECU ASSEMBLY))


    1. Disconnect the L27 connector from the combination meter sub-assembly.

    2. Measure the resistance according to the value(s) in the table below.

      Standard Resistance
      Tester Connection Condition Specified Condition
      L197-27 (SPDI) - L27-15 (+S) Always Below 1 Ω
      L197-27 (SPDI) - Body ground Always 10 kΩ or higher

    NG
    OK
  7. INSPECT COMBINATION METER SUB-ASSEMBLY


    1. B005XC8E03
      Text in Illustration
      *a

      Component with harness connected

      (Combination Meter Sub-assembly)

      Remove the combination meter sub-assembly Click here.

    2. Reconnect the L27 connector to the combination meter sub-assembly.

    3. Reconnect the L197 and L195 connectors to the certification ECU (smart key ECU assembly).

    4. Connect an oscilloscope to terminal L27-15 (+S) and body ground.

    5. Turn the power switch on (IG).

    6. Turn a wheel slowly.

    7. Check the signal waveform according to the condition(s) in the table below.

      Item Condition
      Tool setting 5 V/DIV., 20 ms./DIV.
      Vehicle condition Driving at approx. 20 km/h (12 mph)
      OK
      The waveform is similar to that shown in the illustration.

      Tech Tips

      When the system is functioning normally, one wheel revolution generates 4 pulses. As the vehicle speed increases, the width indicated by (A) in the illustration narrows.


    OK
    NG
  8. CHECK HARNESS AND CONNECTOR (COMBINATION METER SUB-ASSEMBLY - JUNCTION CONNECTOR)


    1. Disconnect the L27 connector from the combination meter sub-assembly.

    2. Disconnect the L70 connector.

    3. Measure the resistance according to the value(s) in the table below.

      Standard Resistance
      Tester Connection Condition Specified Condition

      L27-15 (+S) - L70-32*1

      L27-15 (+S) - L70-31*2

      Always Below 1 Ω
      L27-15 (+S) - Body ground Always 10 kΩ or higher

      • *1: for LHD

      • *2: for RHD


    NG
    OK
  9. CHECK HARNESS AND CONNECTOR (CERTIFICATION ECU (SMART KEY ECU ASSEMBLY) - JUNCTION BLOCK)


    1. Disconnect the L197 connector from the certification ECU (smart key ECU assembly).

    2. Measure the resistance according to the value(s) in the table below.

      Standard Resistance
      Tester Connection Condition Specified Condition
      L197-27 (SPDI) - L70-22 Always Below 1 Ω
      L197-27 (SPDI) - Body ground Always 10 kΩ or higher

    OK
    NG