LIGHTING SYSTEM Turn Signal Switch Circuit

DTC Code DTC Name
Turn Signal Switch Circuit

DESCRIPTION

The combination meter receives the turn signal switch information and controls the turn signal lights.

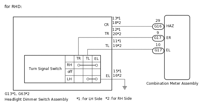
WIRING DIAGRAM

E341928E02
E341928E04

PROCEDURE

  1. READ VALUE USING GTS (TURN SIGNAL SWITCH)

    1. Using the GTS, read the Data List.

      Click here

      Body Electrical > Combination Meter > Data List

      Tester Display

      Measurement Item

      Range

      Normal Condition

      Diagnostic Note

      Turn Signal Switch (Right)

      Headlight dimmer switch (turn signal switch) right turn position signal

      ON or OFF

      ON: Headlight dimmer switch (turn signal switch) in right turn position

      OFF: Headlight dimmer switch (turn signal switch) not in right turn position

      -

      Turn Signal Switch (Left)

      Headlight dimmer switch (turn signal switch) left turn position signal

      ON or OFF

      ON: Headlight dimmer switch (turn signal switch) in left turn position

      OFF: Headlight dimmer switch (turn signal switch) not in left turn position

      -

      Body Electrical > Combination Meter > Data List

      Tester Display

      Turn Signal Switch (Right)

      Turn Signal Switch (Left)

      OK

      The display is as specified in the normal condition column.

    Result

    Proceed to

    OK

    NG

    OK

    PROCEED TO NEXT SUSPECTED AREA SHOWN IN PROBLEM SYMPTOMS TABLE

    NG
  2. INSPECT HEADLIGHT DIMMER SWITCH ASSEMBLY

    1. Remove the headlight dimmer switch assembly.

      Click here

    2. Inspect the headlight dimmer switch assembly.

      Click here

    Result

    Proceed to

    OK

    NG

    NG

    REPLACE HEADLIGHT DIMMER SWITCH ASSEMBLY

    OK
  3. CHECK HARNESS AND CONNECTOR (HEADLIGHT DIMMER SWITCH ASSEMBLY - COMBINATION METER ASSEMBLY AND BODY GROUND)

    1. for LHD:

      1. Disconnect the G13 headlight dimmer switch assembly connector.

    2. for RHD:

      1. Disconnect the G13*1 or G63*2 headlight dimmer switch assembly connector.

        *1: for LH Side

        *2: for RH Side

    3. Disconnect the G16 and G17 combination meter assembly connectors.

    4. Measure the resistance according to the value(s) in the table below.

      Standard Resistance

      for LHD

      Tester Connection

      Condition

      Specified Condition

      G16-29 (HAZ) - G13-13 (CR)

      Always

      Below 1 Ω

      G17-9 (ER) - G13-12 (TR)

      G17-10 (EL) - G13-11 (TL)

      G13-15 (EL) - Body ground

      G16-29 (HAZ) - Body ground

      Always

      10 kΩ or higher

      G17-9 (ER) - Body ground

      G17-10 (EL) - Body ground

      for RHD

      Tester Connection

      Condition

      Specified Condition

      G16-29 (HAZ) - G13-13 (CR)*1

      Always

      Below 1 Ω

      G16-29 (HAZ) - G63-18 (CR)*2

      G17-9 (ER) - G13-12 (TR)*1

      G17-9 (ER) - G63-20 (TR)*2

      G17-10 (EL) - G13-11 (TL)*1

      G17-10 (EL) - G63-19 (TL)*2

      G13-15 (EL) - Body ground*1

      G63-16 (EL) - Body ground*2

      G16-29 (HAZ) - Body ground

      Always

      10 kΩ or higher

      G17-9 (ER) - Body ground

      G17-10 (EL) - Body ground

      *1: for LH Side

      *2: for RH Side

    Result

    Proceed to

    OK

    NG

    OK

    REPLACE COMBINATION METER ASSEMBLY

    NG

    REPAIR OR REPLACE HARNESS OR CONNECTOR