LIGHTING SYSTEM Turn Signal Switch Circuit

DTC Code DTC Name
Turn Signal Switch Circuit

DESCRIPTION

The combination meter assembly receives the turn signal switch information and controls the turn signal lights.

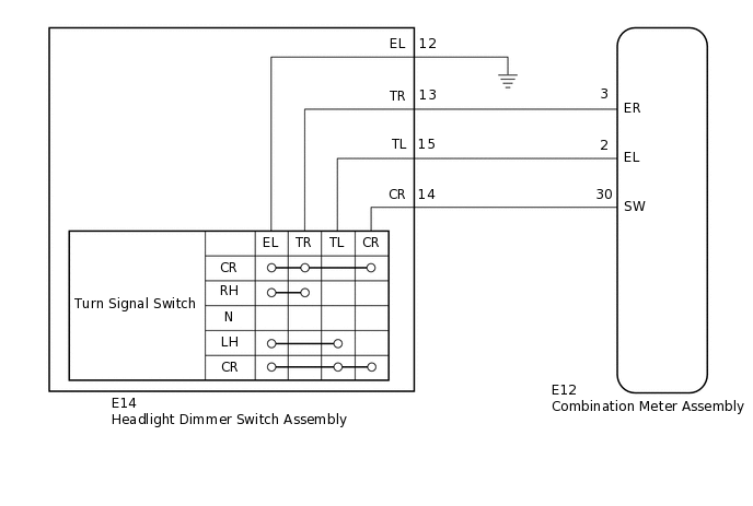
WIRING DIAGRAM

E288130E06

PROCEDURE

  1. READ VALUE USING GTS

    1. Connect the GTS to the DLC3.

    2. Turn the ignition switch to ON.

    3. Turn the GTS on.

    4. Enter the following menus: Body Electrical / Combination Meter / Data List.

    5. Read the display on the GTS.

      Body Electrical > Combination Meter > Data List

      Tester Display

      Measurement Item

      Range

      Normal Condition

      Diagnostic Note

      Turn Signal Switch (Right)

      Turn signal switch in right turn position signal

      ON or OFF

      ON: Turn signal switch in right turn position

      ON: Turn signal switch in right turn position

      -

      Turn Signal Switch (Left)

      Turn signal switch in left turn position signal

      ON or OFF

      ON: Turn signal switch in left turn position

      OFF: Turn signal switch not in left turn position

      -

      Turn Switch Signal (Full Turn)

      Turn signal switch in full turn position signal

      ON or OFF

      ON: Turn signal switch in full left turn or full right turn position

      OFF: Turn signal switch in neither full left turn nor full right turn position

      -

      Body Electrical > Combination Meter > Data List

      Tester Display

      Turn Signal Switch (Right)

      Turn Signal Switch (Left)

      Turn Switch Signal (Full Turn)

      OK

      Normal conditions listed above are displayed.

    Result

    Proceed to

    OK

    NG

    OK

    PROCEED TO NEXT SUSPECTED AREA SHOWN IN PROBLEM SYMPTOMS TABLE

    NG
  2. INSPECT HEADLIGHT DIMMER SWITCH ASSEMBLY

    1. Remove the headlight dimmer switch assembly.

      Click here

    2. E223779C98

      *a

      Component without harness connected

      (Headlight Dimmer Switch Assembly)

      Measure the resistance according to the value(s) in the table below.

      Standard Resistance

      Tester Connection

      Condition

      Specified Condition

      13 (TR) - 12 (EL)

      Turn signal switch in neutral position

      10 kΩ or higher

      15 (TL) - 12 (EL)

      10 kΩ or higher

      14 (CR) - 12 (EL)

      10 kΩ or higher

      13 (TR) - 15 (TL)

      10 kΩ or higher

      14 (CR) - 15 (TL)

      10 kΩ or higher

      13 (TR) - 14 (CR)

      10 kΩ or higher

      13 (TR) - 12 (EL)

      Turn signal switch in right turn position

      Below 1 Ω

      13 (TR) - 12 (EL)

      Turn signal switch in full right turn position

      Below 1 Ω

      14 (CR) - 12 (EL)

      Below 1 Ω

      13 (TR) - 14 (CR)

      Below 1 Ω

      15 (TL) - 12 (EL)

      Turn signal switch in left turn position

      Below 1 Ω

      15 (TL) - 12 (EL)

      Turn signal switch in full left turn position

      Below 1 Ω

      14 (CR) - 12 (EL)

      Below 1 Ω

      15 (TL) - 14 (CR)

      Below 1 Ω

    Result

    Proceed to

    OK

    NG

    NG

    REPLACE HEADLIGHT DIMMER SWITCH ASSEMBLY

    OK
  3. CHECK HARNESS AND CONNECTOR (HEADLIGHT DIMMER SWITCH ASSEMBLY - COMBINATION METER ASSEMBLY OR BODY GROUND)

    1. Disconnect the E12 combination meter assembly connector.

    2. Measure the resistance according to the value(s) in the table below.

      Standard Resistance

      Tester Connection

      Condition

      Specified Condition

      E14-13 (TR) - E12-3 (ER)

      Always

      Below 1 Ω

      E14-15 (TL) - E12-2 (EL)

      Always

      Below 1 Ω

      E14-14 (CR) - E12-30 (SW)

      Always

      Below 1 Ω

      E14-13 (TR) - Body ground

      Always

      10 kΩ or higher

      E14-15 (TL) - Body ground

      Always

      10 kΩ or higher

      E14-14 (CR) - Body ground

      Always

      10 kΩ or higher

      E14-12 (EL) - Body ground

      Always

      Below 1 Ω

    Result

    Proceed to

    OK

    NG

    OK

    PROCEED TO NEXT SUSPECTED AREA SHOWN IN PROBLEM SYMPTOMS TABLE

    NG

    REPAIR OR REPLACE HARNESS OR CONNECTOR