СИСТЕМА ИЗМЕРИТЕЛЬНЫХ ПРИБОРОВ И ИНДИКАТОРОВ Реостат регулировки освещения не регулирует яркость освещения

Код DTC Наименование DTC
Реостат регулировки освещения не регулирует яркость освещения

ОПИСАНИЕ

Яркость подсветки щитка приборов регулируется путем поворота ручки реостата регулировки освещения вверх или вниз.

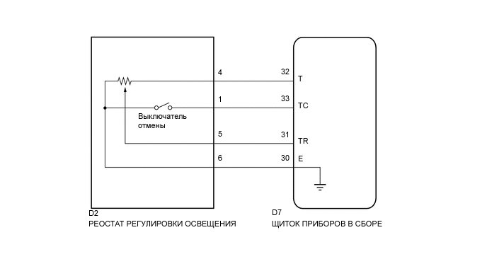
СХЕМА ЭЛЕКТРИЧЕСКИХ СОЕДИНЕНИЙ

E246792E03

ПОРЯДОК ВЫПОЛНЕНИЯ

  1. СНИМИТЕ ПОКАЗАНИЯ GTS (ПЕРЕКЛЮЧАТЕЛЬ РЕОСТАТА)

    1. Подключите GTS к DLC3.

    2. Установите замок зажигания в положение ON (ВКЛ).

    3. Включите GTS.

    4. Войдите в следующие меню: Body Electrical / Combination Meter / Data List.

    5. Снимите показания параметров в режиме Data List, отображаемые на дисплее диагностического прибора.

      Table 1. Щиток приборов

      Информация на дисплее прибора

      Измеряемая величина / диапазон измерения

      Нормальное состояние

      Замечание по диагностике

      Tail Cancel SW

      Переключатель реостата регулировки освещения (переключатель отмены) / OFF (ВЫКЛ) или ON (ВКЛ)

      OFF (ВЫКЛ): Переключатель реостата регулировки освещения (переключатель отмены) → OFF (ВЫКЛ)

      -

      ON (ВКЛ): Переключатель реостата регулировки освещения (переключатель отмены) → TAIL (задние фонари)

      Rheostat value

      Входной сигнал переключателя реостата регулировки освещения /

      Мин.: 0

      Макс.: 100

      Отображает уровень освещения, задаваемый реостатом

      0 - 100

      -

      OK

      Значение, отображаемое на экране GTS, изменяется в зависимости от фактического положения переключателя реостата.

    ЗАМЕНИТЕ ЩИТОК ПРИБОРОВ В СБОРЕ

    (см.Click hereClick hereстр.)

  2. ПРОВЕРЬТЕ РЕОСТАТ РЕГУЛИРОВКИ ОСВЕЩЕНИЯ

    1. Снимите реостат регулировки освещения (см. стр.Click here).

      E246793E03
    2. Измерьте сопротивление в соответствии со значениями, приведенными в таблице.

      Номинальное сопротивление

      Подключение диагностического прибора

      Положение переключателя

      Заданные условия

      1 - 6

      Переключатель отмены) / OFF (ВЫКЛ) → ON (ВКЛ)

      10 кОм или более → менее 1 Ом

      4 - 6

      Всегда

      4475 - 4946 Ом

      5 - 6

      Ручка реостата регулировки освещения в крайнем верхнем положении → Ручка реостата регулировки освещения в крайнем нижнем положении

      485 - 536 Ом → 4380 - 4841 Ом

      Table 2. Обозначения на рисунке

      *a

      Устройство с отсоединенным жгутом проводов

      (реостат регулировки освещения)

    ЗАМЕНИТЕ РЕОСТАТ РЕГУЛИРОВКИ ОСВЕЩЕНИЯ

    (см.Click hereстр.)

  3. ПРОВЕРЬТЕ ЖГУТ ПРОВОДОВ И РАЗЪЕМ (ЩИТОК ПРИБОРОВ - РЕОСТАТ РЕГУЛИРОВКИ ОСВЕЩЕНИЯ)

    1. Отсоедините разъем D7 щитка приборов.

    2. Отсоедините разъем D2 реостата регулировки освещения.

    3. Измерьте сопротивление в соответствии со значениями, приведенными в таблице ниже.

      Номинальное сопротивление (при проверке на обрыв)

      Подключение диагностического прибора

      Условие

      Заданные условия

      D7-30 (E) - D2-6

      Всегда

      Менее 1 Ом

      D7-31 (TR) - D2-5

      Всегда

      Менее 1 Ом

      D7-32 (T) - D2-4

      Всегда

      Менее 1 Ом

      D7-33 (TC) - D2-1

      Всегда

      Менее 1 Ом

      Номинальное сопротивление (при проверке на короткое замыкание)

      Подключение диагностического прибора

      Условие

      Заданные условия

      D7-30 (E) или D2-6 - масса

      Всегда

      10 кОм или более

      D7-31 (TR) или D2-5 - масса

      Всегда

      10 кОм или более

      D7-32 (T) или D2-4 - масса

      Всегда

      10 кОм или более

      D7-33 (TC) или D2-1 - масса

      Всегда

      10 кОм или более

    ЗАМЕНИТЕ ЩИТОК ПРИБОРОВ В СБОРЕ

    (см.Click hereClick hereстр.)

    ОТРЕМОНТИРУЙТЕ ИЛИ ЗАМЕНИТЕ ЖГУТ ПРОВОДОВ ИЛИ РАЗЪЕМ