LIGHTING SYSTEM Headlight (HI-BEAM) Circuit

DTC Code DTC Name
Headlight (HI-BEAM) Circuit

DESCRIPTION

The main body ECU receives headlight dimmer switch information signals and illuminates the high beam headlights.

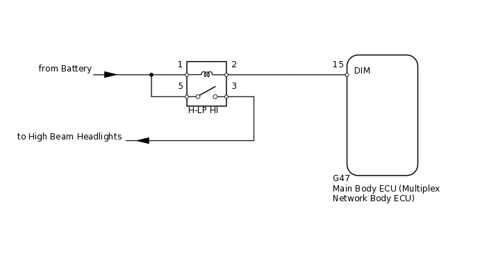
WIRING DIAGRAM

E199761E09

CAUTION / NOTICE / HINT

Note:

Inspect the fuses and bulbs for circuits related to this system before performing the following inspection procedure.

PROCEDURE

  1. PERFORM ACTIVE TEST USING INTELLIGENT TESTER (HIGH BEAM HEADLIGHT)

    1. Using the intelligent tester, perform the Active Test.

      Click here

      Body Electrical > Main Body > Active Test

      Tester Display

      Measurement Item

      Control Range

      Diagnostic Note

      Head Light Hi

      High beam headlight relay

      ON/OFF

      -

      OK

      Relay operates (high beam headlights illuminate).

      Result

      Result

      OK

      NG

    OK

    REPLACE MAIN BODY ECU (MULTIPLEX NETWORK BODY ECU)

    NG
  2. INSPECT HEADLIGHT RELAY (H-LP HI)

    1. E108359C04

      Remove the headlight dimmer relay from the engine room relay block.

    2. Measure the resistance according to the value(s) in the table below.

      Standard Resistance

      Tester Connection

      Condition

      Specified Condition

      3 - 5

      Battery voltage not applied between terminals 1 and 2

      10 kΩ or higher

      3 - 5

      Battery voltage applied between terminals 1 and 2

      Below 1 Ω

      Result

      Result

      OK

      NG

    NG

    REPLACE HEADLIGHT DIMMER RELAY

    OK
  3. CHECK HARNESS AND CONNECTOR (BATTERY - HEADLIGHT DIMMER RELAY [H-LP HI])

    1. E199762C04

      *a

      Front view of wire harness connector

      (to Headlight Dimmer Relay)

      Measure the voltage according to the value(s) in the table below.

      Standard Voltage

      Tester Connection

      Condition

      Specified Condition

      Headlight dimmer relay terminal 1 - Body ground

      Always

      11 to 14 V

      Headlight dimmer relay terminal 5 - Body ground

      Result

      Result

      OK

      NG

    NG

    REPAIR OR REPLACE HARNESS OR CONNECTOR

    OK
  4. CHECK HARNESS AND CONNECTOR (HEADLIGHT DIMMER RELAY [H-LP HI] - MAIN BODY ECU AND BODY GROUND)

    1. Disconnect the G47 main body ECU connector.

    2. Measure the resistance according to the value(s) in the table below.

      Standard Resistance

      Tester Connection

      Condition

      Specified Condition

      Headlight dimmer relay terminal 2 - G47-15 (DIM)

      Always

      Below 1 Ω

      G47-15 (DIM) - Body ground

      Always

      10 kΩ or higher

      Result

      Result

      OK

      NG

    OK

    PROCEED TO NEXT SUSPECTED AREA SHOWN IN PROBLEM SYMPTOMS TABLE

    NG

    REPAIR OR REPLACE HARNESS OR CONNECTOR