РЕЛЕ ПРОВЕРКА БЕЗ СНЯТИЯ С АВТОМОБИЛЯ

ПОРЯДОК ВЫПОЛНЕНИЯ

  1. ПРОВЕРЬТЕ РЕЛЕ ПОДОГРЕВАТЕЛЯ PTC (PTC HTR № 1, № 3)

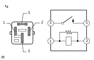
    1. B060778C11

      *a

      Устройство с отсоединенным жгутом проводов

      (реле подогревателя PTC)

      Измерьте сопротивление в соответствии со значениями, приведенными в таблице.

      Номинальное сопротивление

      Подключение диагностического прибора

      Условие

      Заданные условия

      3 - 5

      Напряжение аккумуляторной батареи не подается на контакты 1 и 2

      10 кОм или более

      3 - 5

      Напряжение аккумуляторной батареи подается на контакты 1 и 2

      Менее 1 Ом

      • Если результат не соответствует требованиям, замените реле подогревателя PTC (PTC HTR № 1, № 3).

  2. ПРОВЕРЬТЕ РЕЛЕ ПОДОГРЕВАТЕЛЯ PTC (PTC HTR № 2)

    1. E287491C02

      *a

      Устройство с отсоединенным жгутом проводов

      (реле подогревателя PTC)

      Измерьте сопротивление в соответствии со значениями, приведенными в таблице.

      Номинальное сопротивление

      Подключение диагностического прибора

      Условие

      Заданные условия

      3 - 5

      Напряжение аккумуляторной батареи не подается на контакты 1 и 2

      10 кОм или более

      3 - 5

      Напряжение аккумуляторной батареи подается на контакты 1 и 2

      Менее 1 Ом

      • Если результат не соответствует требованиям, замените реле подогревателя PTC (PTC HTR № 2).