СИСТЕМА ПОМОЩИ ПРИ ПАРКОВКЕ (для моделей с функцией помощи при параллельной парковке), диагностический код DTC: С1622

Код DTC Наименование DTC
C1622 Отсоединена камера заднего вида

ОПИСАНИЕ

Данный DTC регистрируется, если радиоприемник в результате самодиагностики определяет, что сигналы или сигнальные линии между задней телекамерой в сборе и радиоприемником в сборе не в норме.

№ DTC

Неисправность

Условие обнаружения DTC

Неисправный участок

C1622

Отсоединена камера заднего вида

Обрыв или короткое замыкание в цепи сигнала задней телекамеры в сборе

  • Жгут или разъем

  • Задняя телекамера в сборе

  • Радиоприемник

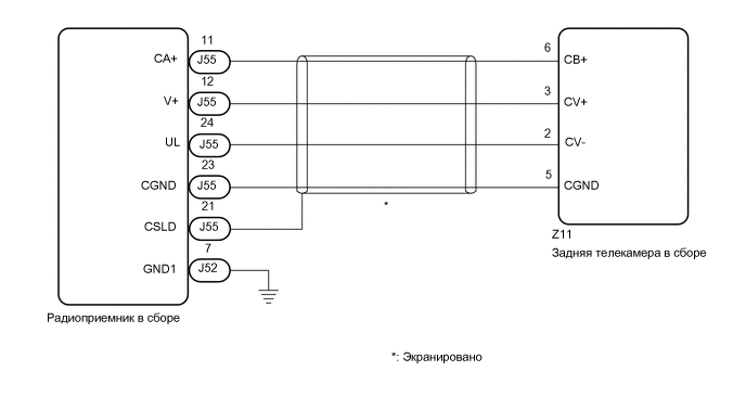
СХЕМА ЭЛЕКТРИЧЕСКИХ СОЕДИНЕНИЙ

E333727E02

ПРЕДОСТЕРЕЖЕНИЕ / ПРИМЕЧАНИЕ / УКАЗАНИЕ

Note:
  • Если провод от отрицательного (-) вывода аккумуляторной батареи отсоединялся и подсоединялся вновь, расчетные направляющие линии могут не отображаться на изображении зоны позади автомобиля. В этом случае скорректируйте нейтральное положение рулевого колеса.

    Нажмите здесьClick here

  • В зависимости от замененных деталей или операций, которые были выполнены при проверке или обслуживании автомобиля, может потребоваться калибровка других систем, а также системы помощи при парковке.

    Нажмите здесьClick hereClick here

ПОРЯДОК ВЫПОЛНЕНИЯ

  1. ПРОВЕРЬТЕ ЖГУТ ПРОВОДОВ И РАЗЪЕМ (РАДИОПРИЕМНИК В СБОРЕ — ЗАДНЯЯ ТЕЛЕКАМЕРА В СБОРЕ)

    1. Отсоедините разъем J55 радиоприемника.

    2. Отсоедините разъем Z11 задней телекамеры.

    3. Измерьте сопротивление в соответствии со значениями, приведенными в таблице ниже.

      Номинальное сопротивление

      Подключение диагностического прибора

      Условие

      Заданные условия

      J55-11 (CA+) - Z11-6 (CB+)

      Всегда

      Менее 1 Ом

      J55-12 (V+) - Z11-3 (CV+)

      Всегда

      Менее 1 Ом

      J55-24 (V-) - Z11-2 (CV-)

      Всегда

      Менее 1 Ом

      J55-23 (CGND) - Z11-5 (CGND)

      Всегда

      Менее 1 Ом

      J55-11 (CA+) или Z11-6 (CB+) - масса

      Всегда

      10 кОм или более

      J55-12 (V+) или Z11-3 (CV+) - масса

      Всегда

      10 кОм или более

      J55-24 (V-) или Z11-2 (CV-) - масса

      Всегда

      10 кОм или более

      J55-23 (CGND) или Z11-5 (CGND) - масса

      Всегда

      10 кОм или более

      J55-21 (CSLD) - масса

      Всегда

      10 кОм или более

    Результат

    Перейти к

    OK

    НЕ СООТВ.

    НЕ СООТВ.

    ОТРЕМОНТИРУЙТЕ ИЛИ ЗАМЕНИТЕ ЖГУТ ПРОВОДОВ ИЛИ РАЗЪЕМ

    СООТВ
  2. ПРОВЕРЬТЕ РАДИОПРИЕМНИК В СБОРЕ (CA+, CGND)

    1. Подсоедините разъем J55 радиоприемника.

    2. E289208C13

      *a

      Устройство с подсоединенным жгутом проводов

      (Радиоприемник в сборе)

      Измерьте сопротивление в соответствии со значениями, приведенными в таблице ниже.

      Номинальное сопротивление

      Подключение диагностического прибора

      Условие

      Заданные условия

      J55-23 (CGND) - масса

      Всегда

      Менее 1 Ом

    3. Измерьте напряжение в соответствии со значениями, приведенными в таблице.

      Номинальное напряжение

      Подключение диагностического прибора

      Условие

      Заданные условия

      J55-11 (CA+) - J55-23 (CGND)

      Питание включено (ACC)

      5,5 - 7,05 В

    Результат

    Перейти к

    OK

    НЕ СООТВ.

    НЕ СООТВ.

    ЗАМЕНИТЕ РАДИОПРИЕМНИК В СБОРЕ

    Нажмите здесьClick hereClick hereClick here

    СООТВ
  3. ПРОВЕРЬТЕ РАДИОПРИЕМНИК В СБОРЕ (V+, GND1)

    1. Подсоедините разъем Z11 задней телекамеры.

    2. E265840C05

      *a

      Осциллограмма 1 (объектив камеры не закрыт, изображение выводится)

      *b

      Осциллограмма 2 (объектив камеры закрыт, экран затемнен)

      *c

      Сигнал синхронизации

      *d

      Сигнал видеоизображения

      E289209C05

      *a

      Устройство с подсоединенным жгутом проводов

      (Радиоприемник в сборе)

      С помощью осциллографа проверьте форму сигнала задней телекамеры.

      Tip:

      Задняя телекамера имеет водонепроницаемый разъем. Поэтому проверяйте форму сигнала на радиоприемнике в сборе с подсоединенным разъемом.

      OK

      Форма сигнала подобна показанной на рисунке.

      Параметр / Устройство

      Описание

      Контакты, на которых выполняются измерения

      J55-12 (V+) - J52-7 (GND1)

      Настройки прибора

      200 мВ/дел., 50 мкс/дел.

      Условие

      Питание включено (IG), рычаг переключения передач в положении R

      Tip:
      • Форма видеосигнала изменяется в соответствии с изображением, которое передает задняя телекамера.

      • Форма выдаваемого видеосигнала постоянна при включении питания (ACC).

    Result

    Перейти к

    OK

    НЕ СООТВ.

    OK

    ЗАМЕНИТЕ РАДИОПРИЕМНИК В СБОРЕ

    Нажмите здесьClick hereClick hereClick here

    NG

    ЗАМЕНИТЕ ТЕЛЕКАМЕРУ ЗАДНЕГО ВИДА В СБОРЕ

    Нажмите здесьClick here