ELECTRONICALLY CONTROLLED BRAKE SYSTEM, Diagnostic DTC:C1252/52 and C1253/53

DTC Code DTC Name
C1252/52 Brake Booster Pump Motor on Time Abnormally Long
C1253/53 Pump Motor Relay Malfunction

DESCRIPTION

The skid control ECU (brake booster with master cylinder assembly) detects decreases in the accumulator pressure according to the data from the accumulator pressure sensor, and then starts and stops the pump motor by operating the motor relay.

DTC No.

Detection Item

INF Code

DTC Detection Condition

Trouble Area

Note

C1252/52

Brake Booster Pump Motor on Time Abnormally Long

311

The pump motor is operating continuously for 178 seconds or more. (When the relay is malfunctioning for 98 seconds or more.)

  • Short in motor circuit or motor monitor circuit

  • Motor relay stuck

  • Accumulator pressure sensor malfunction in brake actuator (Brake booster with master cylinder assembly)

  • Skid control ECU (Brake booster with master cylinder assembly)

Electronically controlled brake system DTC

C1253/53

Pump Motor Relay Malfunction

321

322

323

324

325

326

327

328

329

  • INF Code: 321

    • With IG1 terminal voltage 9.5 V or more, the motor drive monitor remains off for 0.2 seconds or more after a motor drive on request.

  • INF Code: 322

    • The motor drive monitor remains on for 2 seconds or more after a motor drive off request.

  • INF Code: 323

    • A skid control ECU (brake booster with master cylinder assembly) internal motor drive logical inconsistency continues for 2 seconds or more.

  • INF Code: 324

    • An open circuit is detected in the skid control ECU (brake booster with master cylinder assembly) internal motor relays 1 and 2.

  • INF Code: 325

    • An open circuit is detected in the skid control ECU (brake booster with master cylinder assembly) internal motor relays 1 and 3.

  • INF Code: 326

    • An open circuit is detected in the skid control ECU (brake booster with master cylinder assembly) internal motor relays 2 and 3.

  • INF Code: 327

    • An open circuit is detected in the skid control ECU (brake booster with master cylinder assembly) internal motor relay 1.

  • INF Code: 328

    • An open circuit is detected in the skid control ECU (brake booster with master cylinder assembly) internal motor relay 2.

  • INF Code: 329

    • An open circuit is detected in the skid control ECU (brake booster with master cylinder assembly) internal motor relay 3.

  • INF Code: 321, 324, 325, 326, 327, 328, 329

    • Open in motor circuit or motor monitor circuit

    • Skid control ECU (Brake booster with master cylinder assembly)

  • INF Code: 322

    • Short in motor circuit or motor monitor circuit

    • Skid control ECU (Brake booster with master cylinder assembly)

  • INF Code: 323

    • Skid control ECU (Brake booster with master cylinder assembly)

Electronically controlled brake system DTC

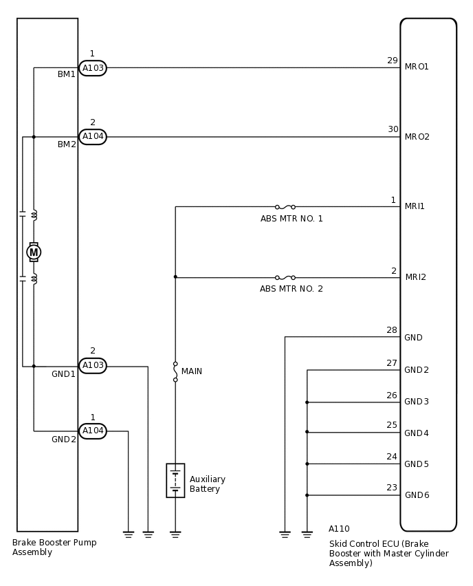
WIRING DIAGRAM

C313847E04

CAUTION / NOTICE / HINT

Note:
  • When replacing the skid control ECU (brake booster with master cylinder assembly) or brake actuator (brake booster with master cylinder assembly), perform initialization and calibration of the linear solenoid valve.

    Click here

  • Inspect the fuses for circuits related to this system before performing the following procedure.

PROCEDURE

  1. PERFORM ACTIVE TEST USING GTS (ABS MOTOR RELAY)

    1. Connect the GTS to the DLC3.

    2. Turn the power switch on (IG).

    3. Select the Active Test on the GTS.

      Click here

      Chassis > ABS/VSC/TRC > Active Test

      Tester Display

      Measurement Item

      Control Range

      Diagnostic Note

      ECB Motor Relay

      ABS motor relay

      Relay ON/OFF

      ECB: Electronically Controlled Brake System

      Chassis > ABS/VSC/TRC > Active Test

      Tester Display

      ECB Motor Relay

    4. Select the Data List on the GTS.

      Click here

      Chassis > ABS/VSC/TRC > Data List

      Tester Display

      Measurement Item

      Range

      Normal Condition

      Diagnostic Note

      ECB Motor Relay

      ABS motor relay

      ON or OFF

      ON: Relay on

      OFF: Relay off

      ECB: Electronically Controlled Brake System

      Chassis > ABS/VSC/TRC > Data List

      Tester Display

      ECB Motor Relay

    5. Check the operating condition of the ABS motor relay when operating it with the GTS.

    Result

    Result

    Proceed to

    ABS motor relay in the Data List turns ON/OFF using the Active Test.

    A

    ABS motor relay in the Data List does not change using the Active Test.

    B

    B

    CHECK HARNESS AND CONNECTOR (MRI TERMINAL)Click here

    A
  2. INSPECT BRAKE BOOSTER PUMP ASSEMBLY

    1. C243137C26

      *a

      Component without harness connected

      (Brake Booster Pump Assembly)

      Turn the power switch off.

    2. Make sure that there is no looseness at the locking part and the connecting part of the connectors.

    3. Disconnect the A103 and A104 brake booster pump assembly connectors.

    4. Measure the resistance according to the value(s) in the table below.

      Standard Resistance

      Tester Connection

      Condition

      Specified Condition

      A103-1 (BM1) - A103-2 (GND1)

      Always

      Below 10 Ω

      A104-2 (BM2) - A104-1 (GND2)

      Always

      Below 10 Ω

      A103-1 (BM1) - A104-2 (BM2)

      Always

      Below 1 Ω

      A103-2 (GND1) - A104-1 (GND2)

      Always

      Below 1 Ω

    Result

    Proceed to

    OK

    NG

    NG

    REPLACE BRAKE BOOSTER PUMP ASSEMBLY

    OK
  3. CHECK HARNESS AND CONNECTOR (GND TERMINAL)

    1. C319007C04

      *a

      Front view of wire harness connector

      (to Brake Booster Pump Assembly)

      Measure the resistance according to the value(s) in the table below.

      Standard Resistance

      Tester Connection

      Condition

      Specified Condition

      A103-2 (GND1) - Body ground

      Always

      Below 1 Ω

      A104-1 (GND2) - Body ground

      Always

      Below 1 Ω

    Result

    Proceed to

    OK

    NG

    NG

    REPAIR OR REPLACE HARNESS OR CONNECTOR (GND CIRCUIT)

    OK
  4. READ VALUE USING GTS (ACCUMULATOR PRESSURE SENSOR)

    1. Reconnect the A103 and A104 brake booster pump assembly connectors.

    2. Connect the GTS to the DLC3.

    3. Turn the power switch on (IG).

    4. Select the Data List on the GTS.

      Click here

      Chassis > ABS/VSC/TRC > Data List

      Tester Display

      Measurement Item

      Range

      Normal Condition

      Diagnostic Note

      Accumulator Sensor

      Accumulator pressure sensor

      Min.: 0.00 V, Max.: 5.00 V

      Specified value: 2.90 to 4.20 V

      When brake fluid is stored in the accumulator: Accumulator pressure changes in accordance with volume of fluid stored in the accumulator

      Chassis > ABS/VSC/TRC > Data List

      Tester Display

      Accumulator Sensor

    5. Depress the brake pedal 4 or 5 times to operate the pump motor.

    6. Wait for 30 seconds without depressing the brake pedal.

    7. Check that the accumulator pressure sensor output value change is within the specified range.

      OK

      Accumulator pressure sensor output value change is less than 0.55 V.

    Result

    Proceed to

    OK

    NG

    NG

    PERFORM ACTIVE TEST USING GTS (SOLENOID VALVE)Click here

    OK
  5. RECONFIRM DTC

    1. Clear the DTCs.

      Click here

      Chassis > ABS/VSC/TRC > Clear DTCs

    2. Turn the power switch off.

    3. Turn the power switch on (IG).

    4. Check if the same DTC is output.

      Click here

      Chassis > ABS/VSC/TRC > Trouble Codes

    Result

    Result

    Proceed to

    DTCs C1252/52 and C1253/53 are not output.

    A

    DTCs C1252/52 and/or C1253/53 are output.

    B

    A

    USE SIMULATION METHOD TO CHECK

    B

    REPLACE BRAKE BOOSTER WITH MASTER CYLINDER ASSEMBLY

    for LHD:Click here

    for RHD:Click here

  6. PERFORM ACTIVE TEST USING GTS (SOLENOID VALVE)

    1. Select the Active Test on the GTS.

      Click here

      Chassis > ABS/VSC/TRC > Active Test

      Tester Display

      Measurement Item

      Control Range

      Diagnostic Note

      ECB Solenoid (SMC/SRC/SCC)

      Switching solenoid valve (SMC/SRC/SCC)

      Solenoid ON/OFF

      • Operation sound of solenoid (clicking sound) can be heard

      • ECB: Electronically Controlled Brake System

      Chassis > ABS/VSC/TRC > Active Test

      Tester Display

      ECB Solenoid (SMC/SRC/SCC)

      Tip:

      The Active Test can be performed when the following conditions are met.

      • ABS main relay is on.

      • Shift lever is in P.

      • Parking brake is applied.

      • Vehicle speed is 0 km/h (0 mph).

    2. Perform the Active Test of the solenoid using the GTS.

    3. Select the Data List on the GTS.

      Click here

      Chassis > ABS/VSC/TRC > Data List

      Tester Display

      Measurement Item

      Range

      Normal Condition

      Diagnostic Note

      Wheel Cylinder Pressure Sensor

      Wheel cylinder pressure sensor

      Min.: 0.00 V, Max.: 5.00 V

      Brake pedal released: 0.10 to 0.90 V

      Reading increases when brake pedal is depressed

      Chassis > ABS/VSC/TRC > Data List

      Tester Display

      Wheel Cylinder Pressure Sensor

    4. Check that the output value of the wheel cylinder pressure sensor does not increase.

      OK

      The output value of the wheel cylinder pressure sensor does not increase.

      Tip:

      If the output value increases, there may be brake fluid leaks in the brake actuator.

    Result

    Proceed to

    OK

    NG

    OK

    REPLACE BRAKE BOOSTER PUMP ASSEMBLY

    NG

    REPLACE BRAKE BOOSTER WITH MASTER CYLINDER ASSEMBLY

    for LHD:Click here

    for RHD:Click here

  7. CHECK HARNESS AND CONNECTOR (MRI TERMINAL)

    1. C316493C34

      *a

      Front view of wire harness connector

      (to Skid Control ECU (Brake Booster with Master Cylinder Assembly))

      Turn the power switch off.

    2. Make sure that there is no looseness at the locking part and the connecting part of the connector.

    3. Disconnect the A110 skid control ECU (brake booster with master cylinder assembly) connector.

    4. Measure the voltage according to the value(s) in the table below.

      Standard Voltage

      Tester Connection

      Condition

      Specified Condition

      A110-1 (MRI1) - Body ground

      Always

      11 to 14 V

      A110-2 (MRI2) - Body ground

      Always

      11 to 14 V

    Result

    Proceed to

    OK

    NG

    NG

    REPAIR OR REPLACE HARNESS OR CONNECTOR (MRI CIRCUIT)

    OK
  8. CHECK HARNESS AND CONNECTOR (BRAKE BOOSTER WITH MASTER CYLINDER ASSEMBLY - BRAKE BOOSTER PUMP ASSEMBLY)

    1. Make sure that there is no looseness at the locking part and the connecting part of the connectors.

    2. Disconnect the A103 and A104 brake booster pump assembly connectors.

    3. Measure the resistance according to the value(s) in the table below.

      Standard Resistance

      Tester Connection

      Condition

      Specified Condition

      A110-29 (MRO1) - A103-1 (BM1)

      Always

      Below 1 Ω

      A110-29 (MRO1) or A103-1 (BM1) - Body ground

      Always

      10 kΩ or higher

      A110-30 (MRO2) - A104-2 (BM2)

      Always

      Below 1 Ω

      A110-30 (MRO2) or A104-2 (BM2) - Body ground

      Always

      10 kΩ or higher

    Result

    Proceed to

    OK

    NG

    OK

    REPLACE BRAKE BOOSTER WITH MASTER CYLINDER ASSEMBLY

    for LHD:Click here

    for RHD:Click here

    NG

    REPAIR OR REPLACE HARNESS OR CONNECTOR