ECD SYSTEM ECM Power Source Circuit

DESCRIPTION

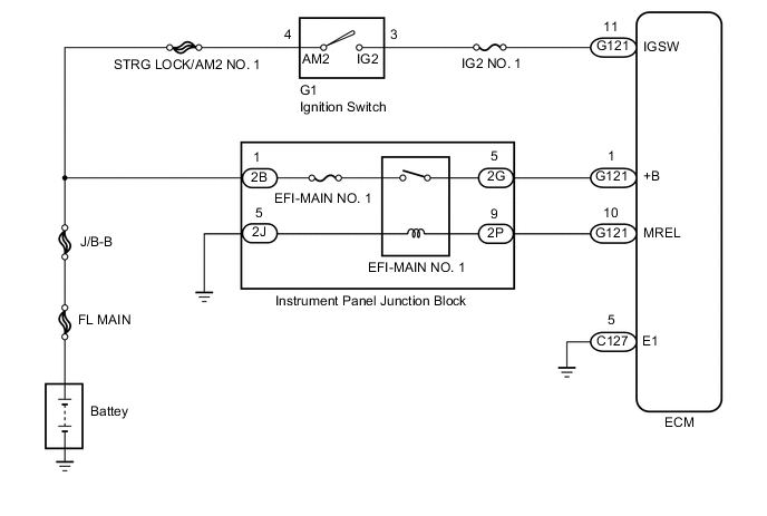
When the ignition switch is turned to ON, the battery voltage is applied to terminal IGSW of the ECM. The ECM "MREL" output signal causes current to flow to the EFI relay coil, closing the contacts of the EFI relay and supplying power to terminal +B of the ECM.

WIRING DIAGRAM

B0026VEE02

CAUTION / NOTICE / HINT

Tech Tips

Inspect the fuses for circuits related to this system before performing the following inspection procedure.

PROCEDURE


  1. INSPECT ECM (+B VOLTAGE)


    1. B0026FAC97
      *a

      Component with harness connected

      (ECM)

      Measure the voltage according to the value(s) in the table below.

      Standard Voltage
      Tester Connection Condition Specified Condition
      G121-1 (+B) - C127-5 (E1) IG ON 11 to 14 V
      Result
      Proceed to
      OK
      NG

    OK
    NG
  2. CHECK HARNESS AND CONNECTOR (ECM - BODY GROUND)


    1. Disconnect the ECM connector.

    2. Measure the resistance according to the value(s) in the table below.

      Standard Resistance
      Tester Connection Condition Specified Condition
      C127-5 (E1) - Body ground Always Below 1 Ω
    3. Reconnect the ECM connector.

      Result
      Proceed to
      OK
      NG

    NG
    OK
  3. INSPECT ECM (IGSW VOLTAGE)


    1. Turn the ignition switch to ON.

    2. B0026FAC98
      *a

      Component with harness connected

      (ECM)

      Measure the voltage according to the value(s) in the table below.

      Standard Voltage
      Tester Connection Switch Condition Specified Condition
      G121-11 (IGSW) - C127-5 (E1) Ignition switch ON 11 to 14 V
      Result
      Proceed to
      OK
      NG

    NG
    OK
  4. INSPECT ECM (MREL VOLTAGE)


    1. Turn the ignition switch to ON.

    2. B0026FAC99
      *a

      Component with harness connected

      (ECM)

      Measure the voltage according to the value(s) in the table below.

      Standard Voltage
      Tester Connection Switch Condition Specified Condition
      G121-10 (MREL) - C127-5 (E1) Ignition switch ON 11 to 14 V
      Result
      Proceed to
      OK
      NG

    NG
    OK
  5. INSPECT INSTRUMENT PANEL JUNCTION BLOCK ASSEMBLY (EFI-MAIN NO. 1 RELAY)


    1. Inspect the instrument panel junction block assembly (EFI-MAIN NO. 1 relay).

      Click here

      Result
      Proceed to
      OK
      NG

    NG
    OK
  6. CHECK HARNESS AND CONNECTOR (EFI-MAIN NO. 1 RELAY - ECM, EFI-MAIN NO. 1 RELAY - BODY GROUND)


    1. Check the harness and connector between the instrument panel junction block (EFI-MAIN NO. 1 relay) and ECM.


      1. Disconnect the instrument panel junction block connector.

      2. Disconnect the ECM connector.

      3. Measure the resistance according to the value(s) in the table below.

        Standard Resistance
        Tester Connection Condition Specified Condition
        2G-5 - G121-1 (+B) Always Below 1 Ω
        2P-9 - G121-10 (MREL) Always Below 1 Ω
        2G-5 or G121-1 (+B) - Body ground and other terminals Always 10 kΩ or higher
        2P-9 or G121-10 (MREL) - Body ground and other terminals Always 10 kΩ or higher
      4. Reconnect the ECM connector.

      5. Reconnect the instrument panel junction block connector.

    2. Check the harness and connector between the instrument panel junction block (EFI-MAIN NO. 1 relay) and body ground.


      1. Disconnect the instrument panel junction block connector.

      2. Measure the resistance according to the value(s) in the table below.

        Standard Resistance
        Tester Connection Condition Specified Condition
        2J-5 - Body ground Always Below 1 Ω
      3. Reconnect the instrument panel junction block connector.

      Result
      Proceed to
      OK
      NG

    OK
    NG
  7. INSPECT IGNITION SWITCH


    1. Disconnect the ignition switch connector.

    2. B0025MQC18
      *1 Ignition Switch

      Measure the resistance according to the value(s) in the table below.

      Standard Resistance
      Tester Connection Switch Condition Specified Condition
      4 (AM2) - 3 (IG2) LOCK 10 kΩ or higher
      4 (AM2) - 3 (IG2) ON Below 1 Ω
    3. Reconnect the ignition switch connector.

      Result
      Proceed to
      OK
      NG

    OK
    NG