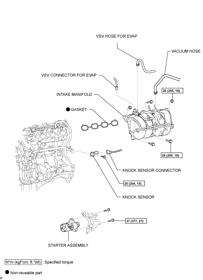
ДАТЧИК ДЕТОНАЦИИ УЗЛЫ И ДЕТАЛИ

ILLUSTRATION

A01DZVEE05

ILLUSTRATION

A01DY4ME02