СИСТЕМА ПРЕДУПРЕЖДЕНИЯ О НЕПРИСТЕГНУТОМ РЕМНЕ БЕЗОПАСНОСТИ (для моделей с системой классификации пассажиров) Неисправность контрольной лампы ремней безопасности задних сидений

Код DTC Наименование DTC
Неисправность контрольной лампы ремней безопасности задних сидений

ОПИСАНИЕ

Главный ЭБУ кузова (бортовой ЭБУ сети мультиплексной связи) определяет, открыта или закрыта какая-либо задняя дверь, исходя из состояния выключателей освещения проемов левой и правой задних дверей, а затем передает сигнал состояния задней двери в щиток приборов в сборе. Щиток приборов определяет состояние ремня безопасности заднего сиденья. Контрольные лампы ремней безопасности задних сидений на радиоприемнике включаются и выключаются в соответствии с состоянием задних дверей, скоростью автомобиля и состоянием ремней безопасности задних сидений.

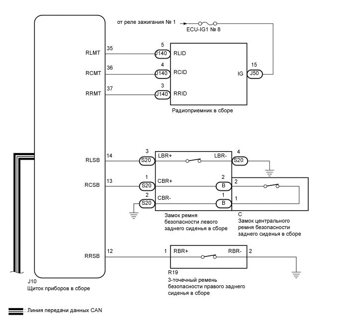
СХЕМА ЭЛЕКТРИЧЕСКИХ СОЕДИНЕНИЙ

B453615E10
B457121E02

ПРЕДОСТЕРЕЖЕНИЕ / ПРИМЕЧАНИЕ / УКАЗАНИЕ

Note:
  • Система предупреждения о непристегнутом ремне безопасности (для моделей с системой классификации пассажиров) использует систему передачи данных CAN. Прежде всего, убедитесь в отсутствии неисправностей в системе передачи данных CAN. См. раздел "Порядок поиска неисправностей".

    Нажмите здесьClick here

  • Перед выполнением последующей процедуры проверки проверьте плавкие предохранители цепей, относящихся к данной системе.

ПОРЯДОК ВЫПОЛНЕНИЯ

  1. СНИМИТЕ ПОКАЗАНИЯ GTS

    1. Подключите GTS к DLC3.

    2. Включите зажигание (IG).

    3. Включите GTS.

    4. Войдите в следующие меню: Body Electrical / Main Body / Data List.

    5. Снимите показания с дисплея GTS в режиме DATA LIST.

      Body Electrical > Main Body > Data List

      Информация на дисплее прибора

      Измеряемая величина

      Диапазон

      Нормальное состояние

      Замечание по диагностике

      RR Door Courtesy SW

      Выключатель освещения проема правой задней двери

      ON (ВКЛ) или OFF (ВЫКЛ)

      ON (ВКЛ): Правая задняя дверь открыта

      OFF (ВЫКЛ): Правая задняя дверь закрыта

      -

      D Door Courtesy SW

      Выключатель освещения проема задней двери в сборе (для левой двери)

      ON (ВКЛ) или OFF (ВЫКЛ)

      ON (ВКЛ): Левая задняя дверь открыта

      OFF (ВЫКЛ): Левая задняя дверь закрыта

      -

      Body Electrical > Main Body > Data List

      Информация на дисплее прибора

      RR Door Courtesy SW

      D Door Courtesy SW

    OK

    Информация на экране GTS изменяется точно в соответствии с состоянием задней двери.

    Result

    Перейти к

    OK

    НЕ СООТВ.

    НЕ СООТВ.

    ПЕРЕЙДИТЕ К РАЗДЕЛУ "СИСТЕМА ОСВЕЩЕНИЯ"

    Нажмите здесьClick here

    СООТВ
  2. ПРОВЕРЬТЕ ПРЕДУПРЕЖДЕНИЕ О НЕПРИСТЕГНУТОМ РЕМНЕ БЕЗОПАСНОСТИ ЗАДНЕГО СИДЕНЬЯ

    1. B345486C01

      *1

      Контрольная лампа ремней безопасности задних сидений (радиоприемник в сборе)

      *a

      Левая сторона

      *b

      Центр

      *c

      Прав.

      Проверьте работу функции предупреждения о непристегнутых ремнях безопасности передних сидений.

      Нажмите здесьClick here

      Result

      Result

      Перейти К

      Контрольные лампы ремней безопасности задних сидений (всех) работают нормально.

      A

      Контрольные лампы ремней безопасности сидений (всех) не работают надлежащим образом

      B

      Контрольная лампа ремня безопасности заднего сиденья (правого) не работает надлежащим образом

      C

      Контрольная лампа ремня безопасности заднего сиденья (центрального) не работает надлежащим образом

      D

      Контрольная лампа ремня безопасности заднего сиденья (левого) не работает надлежащим образом

      E

    A

    ВЫПОЛНИТЕ ПРОВЕРКУ С ИМИТАЦИЕЙ УСЛОВИЙ ВОЗНИКНОВЕНИЯ НЕИСПРАВНОСТИ

    Нажмите здесьClick here

    C

    СНИМИТЕ ПОКАЗАНИЯ GTSClick here

    D

    СНИМИТЕ ПОКАЗАНИЯ GTSClick here

    E

    СНИМИТЕ ПОКАЗАНИЯ GTSClick here

    B
  3. ПРОВЕРЬТЕ ЖГУТ ПРОВОДОВ И РАЗЪЕМ (ИСТОЧНИК ПИТАНИЯ IG – РАДИОПРИЕМНИК В СБОРЕ)

    1. Отсоедините разъем J50 радиоприемника.

    2. Измерьте напряжение в соответствии со значениями, приведенными в таблице.

      Номинальное напряжение

      Подключение диагностического прибора

      Условие

      Заданные условия

      J50-15 (IG) - масса

      Питание включено (IG)

      11–14 В

      J50-15 (IG) - масса

      Питание выключено

      менее 1 В

    Результат

    Перейти к

    OK

    НЕ СООТВ.

    НЕ СООТВ.

    ОТРЕМОНТИРУЙТЕ ИЛИ ЗАМЕНИТЕ ЖГУТ ПРОВОДОВ ИЛИ РАЗЪЕМ

    СООТВ
  4. ПРОВЕРЬТЕ ЖГУТ ПРОВОДОВ И РАЗЪЕМ (РАДИОПРИЕМНИК В СБОРЕ – ЩИТОК ПРИБОРОВ В СБОРЕ)

    1. Подсоедините разъем J50 радиоприемника.

    2. Отсоедините разъем J10 щитка приборов.

    3. Измерьте напряжение в соответствии со значениями, приведенными в таблице.

      Номинальное напряжение

      Подключение диагностического прибора

      Условие

      Заданные условия

      J10-35 (RLMT) - масса

      Питание включено (IG)

      11–14 В

      J10-36 (RCMT) - масса

      Питание включено (IG)

      11–14 В

      J10-37 (RRMT) - масса

      Питание включено (IG)

      11-14 В

    Результат

    Перейти к

    OK

    НЕ СООТВ.

    NG

    ОТРЕМОНТИРУЙТЕ ИЛИ ЗАМЕНИТЕ ЖГУТ ПРОВОДОВ ИЛИ РАЗЪЕМ

    OK
  5. ЗАМЕНИТЕ РАДИОПРИЕМНИК В СБОРЕ

    1. Временно замените радиоприемник в сборе новым или заведомо исправным.

      Нажмите здесьClick here

    Результат

    Перейти к

    СЛЕДУЮЩЕЕ -

    СЛЕДУЮЩЕЕ -
  6. ПРОВЕРЬТЕ ПРЕДУПРЕЖДЕНИЕ О НЕПРИСТЕГНУТОМ РЕМНЕ БЕЗОПАСНОСТИ ЗАДНЕГО СИДЕНЬЯ

    1. B345486C01

      *1

      Контрольная лампа ремней безопасности задних сидений (радиоприемник в сборе)

      *a

      Левая сторона

      *b

      Центр

      *c

      Правая сторона

      Проверьте работу функции предупреждения о непристегнутых ремнях безопасности передних сидений.

      Нажмите здесьClick here

      OK

      Контрольные лампы ремней безопасности задних сидений (всех) работают нормально.

    Результат

    Перейти к

    OK

    НЕ СООТВ.

    OK

    КОНЕЦ (РАДИОПРИЕМНИК НЕИСПРАВЕН)

    NG

    ЗАМЕНИТЕ ЩИТОК ПРИБОРОВ В СБОРЕ

    Нажмите здесьClick here

  7. СНИМИТЕ ПОКАЗАНИЯ GTS

    1. Подключите GTS к DLC3.

    2. Включите зажигание (IG).

    3. Включите GTS.

    4. Войдите в следующие меню: Body Electrical / Combination Meter / Data List.

    5. Снимите показания с дисплея GTS в режиме DATA LIST.

      Body Electrical > Combination Meter > Data List

      Информация на дисплее прибора

      Измеряемая величина

      Диапазон

      Нормальное состояние

      Замечание по диагностике

      2nd-Row Seatbelt Buckle (R)

      Сигнал выключателя пряжки правого ремня безопасности заднего сиденья

      ON (ВКЛ) или OFF (ВЫКЛ)

      OFF (ВЫКЛ): Ремень безопасности правого заднего сиденья пристегнут

      ON (ВКЛ): Правый ремень безопасности заднего сиденья не пристегнут

      -

      Body Electrical > Combination Meter > Data List

      Информация на дисплее прибора

      2nd-Row Seatbelt Buckle (R)

      Result

      Result

      Перейдите к

      Значения ON (ВКЛ) и OFF (ВЫКЛ), отображаемые на экране GTS, не соответствуют состоянию ремня безопасности заднего сиденья

      А

      На дисплее GTS в зависимости от состояния ремня безопасности заднего сиденья отображается "ON (ВКЛ)" или "OFF (ВЫКЛ)".

      B

    B

    ПРОВЕРЬТЕ ЖГУТ ПРОВОДОВ И РАЗЪЕМ (ЩИТОК ПРИБОРОВ В СБОРЕ – РАДИОПРИЕМНИК В СБОРЕ)Click here

    A
  8. ПРОВЕРЬТЕ ЖГУТ ПРОВОДОВ И РАЗЪЕМ (ЩИТОК ПРИБОРОВ В СБОРЕ – 3-ТОЧЕЧНЫЙ РЕМЕНЬ БЕЗОПАСНОСТИ ПРАВОГО ЗАДНЕГО СИДЕНЬЯ В СБОРЕ – МАССА)

    1. Отсоедините разъем J10 щитка приборов.

    2. Отсоедините разъем R19 3-точечного ремня безопасности правого заднего сиденья.

    3. Измерьте сопротивление в соответствии со значениями, приведенными в таблице ниже.

      Номинальное сопротивление

      Подключение диагностического прибора

      Условие

      Заданные условия

      J10-12 (RRSB) - R19-1 (RBR+)

      Всегда

      Менее 1 Ом

      J10-12 (RRSB) или R19-1 (RBR+) - масса

      Всегда

      10 кОм или более

      R19-2 (RBR-) - масса

      Всегда

      Менее 1 Ом

    Результат

    Перейти к

    OK

    НЕ СООТВ.

    OK

    ЗАМЕНИТЕ ПРАВЫЙ 3-ТОЧЕЧНЫЙ РЕМЕНЬ БЕЗОПАСНОСТИ ЗАДНЕГО СИДЕНЬЯ В СБОРЕ

    Нажмите здесьClick here

    NG

    ОТРЕМОНТИРУЙТЕ ИЛИ ЗАМЕНИТЕ ЖГУТ ПРОВОДОВ ИЛИ РАЗЪЕМ

  9. ПРОВЕРЬТЕ ЖГУТ ПРОВОДОВ И РАЗЪЕМ (ЩИТОК ПРИБОРОВ В СБОРЕ - РАДИОПРИЕМНИК В СБОРЕ)

    1. Отсоедините разъем J10 щитка приборов.

    2. Отсоедините разъем J140 радиоприемника.

    3. Измерьте сопротивление в соответствии со значениями, приведенными в таблице ниже.

      Номинальное сопротивление

      Подключение диагностического прибора

      Условие

      Заданные условия

      J10-37 (RRMT) - J140-3 (RRID)

      Всегда

      Менее 1 Ом

      J10-37 (RRMT) или J140-3 (RRID) - масса

      Всегда

      10 кОм или более

    Результат

    Перейти к

    OK

    НЕ СООТВ.

    NG

    ОТРЕМОНТИРУЙТЕ ИЛИ ЗАМЕНИТЕ ЖГУТ ПРОВОДОВ ИЛИ РАЗЪЕМ

    OK
  10. ЗАМЕНИТЕ РАДИОПРИЕМНИК В СБОРЕ

    1. Временно замените радиоприемник в сборе новым или заведомо исправным.

      Нажмите здесьClick here

    Результат

    Перейти к

    СЛЕДУЮЩЕЕ -

    СЛЕДУЮЩЕЕ -
  11. ПРОВЕРЬТЕ ПРЕДУПРЕЖДЕНИЕ О НЕПРИСТЕГНУТОМ РЕМНЕ БЕЗОПАСНОСТИ ЗАДНЕГО СИДЕНЬЯ

    1. B345486C01

      *1

      Контрольная лампа ремней безопасности задних сидений (радиоприемник в сборе)

      *a

      Левая сторона

      *b

      Центр

      *c

      Правая сторона

      Проверьте работу функции предупреждения о непристегнутых ремнях безопасности передних сидений.

      Нажмите здесьClick here

      OK

      Контрольная лампа ремня безопасности заднего сиденья (правого) работает нормально.

    Результат

    Перейти к

    OK

    НЕ СООТВ.

    OK

    КОНЕЦ (РАДИОПРИЕМНИК НЕИСПРАВЕН)

    NG

    ЗАМЕНИТЕ ЩИТОК ПРИБОРОВ В СБОРЕ

    Нажмите здесьClick here

  12. СНИМИТЕ ПОКАЗАНИЯ GTS

    1. Подключите GTS к DLC3.

    2. Включите зажигание (IG).

    3. Включите GTS.

    4. Войдите в следующие меню: Body Electrical / Combination Meter / Data List.

    5. Снимите показания с дисплея GTS в режиме DATA LIST.

      Body Electrical > Combination Meter > Data List

      Информация на дисплее прибора

      Измеряемая величина

      Диапазон

      Нормальное состояние

      Замечание по диагностике

      2nd-Row Seatbelt Buckle (C)

      Сигнал выключателя пряжки центрального ремня безопасности заднего сиденья

      ON (ВКЛ) или OFF (ВЫКЛ)

      OFF (ВЫКЛ): Центральный ремень безопасности заднего сиденья пристегнут

      ON (ВКЛ): Центральный ремень безопасности заднего сиденья не пристегнут

      -

      Body Electrical > Combination Meter > Data List

      Информация на дисплее прибора

      2nd-Row Seatbelt Buckle (C)

      Result

      Result

      Перейдите к

      Значения ON (ВКЛ) и OFF (ВЫКЛ), отображаемые на экране GTS, не соответствуют состоянию ремня безопасности заднего сиденья

      А

      На дисплее GTS в зависимости от состояния ремня безопасности заднего сиденья отображается "ON (ВКЛ)" или "OFF (ВЫКЛ)".

      B

    B

    ПРОВЕРЬТЕ ЖГУТ ПРОВОДОВ И РАЗЪЕМ (ЩИТОК ПРИБОРОВ В СБОРЕ – РАДИОПРИЕМНИК В СБОРЕ)Click here

    A
  13. ПРОВЕРЬТЕ ЖГУТ ПРОВОДОВ И РАЗЪЕМ (ЩИТОК ПРИБОРОВ В СБОРЕ - ЗАМОК РЕМНЯ БЕЗОПАСНОСТИ ЛЕВОГО ЗАДНЕГО СИДЕНЬЯ В СБОРЕ - МАССА)

    1. Отсоедините разъем J10 щитка приборов.

    2. Отсоедините разъем S20 замка ремня безопасности левого заднего сиденья в сборе.

    3. Измерьте сопротивление в соответствии со значениями, приведенными в таблице ниже.

      Номинальное сопротивление

      Подключение диагностического прибора

      Условие

      Заданные условия

      J10-13 (RCSB) - S20-1 (CBR+)

      Всегда

      Менее 1 Ом

      J10-13 (RCSB) или S20-1 (CBR+) - масса

      Всегда

      10 кОм или более

      S20-2 (CBR-) - масса

      Всегда

      Менее 1 Ом

    Результат

    Перейти к

    OK

    НЕ СООТВ.

    НЕ СООТВ.

    ОТРЕМОНТИРУЙТЕ ИЛИ ЗАМЕНИТЕ ЖГУТ ПРОВОДОВ ИЛИ РАЗЪЕМ

    СООТВ
  14. ПРОВЕРЬТЕ ЗАМОК ЛЕВОГО РЕМНЯ БЕЗОПАСНОСТИ ЗАДНЕГО СИДЕНЬЯ В СБОРЕ

    1. Снимите замок левого ремня безопасности заднего сиденья в сборе.

      Нажмите здесьClick here

    2. Измерьте сопротивление в соответствии со значениями, приведенными в таблице ниже.

      Номинальное сопротивление

      Подключение диагностического прибора

      Условие

      Заданные условия

      S20-1 - B-2

      Всегда

      Менее 1 Ом

      S20-2 - B-1

      Всегда

      Менее 1 Ом

    Результат

    Перейти к

    OK

    НЕ СООТВ.

    OK

    ЗАМЕНИТЕ ЗАМОК ЦЕНТРАЛЬНОГО РЕМНЯ БЕЗОПАСНОСТИ ЗАДНЕГО СИДЕНЬЯ В СБОРЕ

    Нажмите здесьClick here

    NG

    ЗАМЕНИТЕ ЗАМОК ЛЕВОГО РЕМНЯ БЕЗОПАСНОСТИ ЗАДНЕГО СИДЕНЬЯ В СБОРЕ

    Нажмите здесьClick here

  15. ПРОВЕРЬТЕ ЖГУТ ПРОВОДОВ И РАЗЪЕМ (ЩИТОК ПРИБОРОВ В СБОРЕ - РАДИОПРИЕМНИК В СБОРЕ)

    1. Отсоедините разъем J10 щитка приборов.

    2. Отсоедините разъем J140 радиоприемника.

    3. Измерьте сопротивление в соответствии со значениями, приведенными в таблице ниже.

      Номинальное сопротивление

      Подключение диагностического прибора

      Условие

      Заданные условия

      J10-36 (RCMT) - J140-4 (RCID)

      Всегда

      Менее 1 Ом

      J10-36 (RCMT) или J140-4 (RCID) - масса

      Всегда

      10 кОм или более

    Результат

    Перейти к

    OK

    НЕ СООТВ.

    NG

    ОТРЕМОНТИРУЙТЕ ИЛИ ЗАМЕНИТЕ ЖГУТ ПРОВОДОВ ИЛИ РАЗЪЕМ

    OK
  16. ЗАМЕНИТЕ РАДИОПРИЕМНИК В СБОРЕ

    1. Временно замените радиоприемник в сборе новым или заведомо исправным.

      Нажмите здесьClick here

    Результат

    Перейти к

    СЛЕДУЮЩЕЕ -

    СЛЕДУЮЩЕЕ -
  17. ПРОВЕРЬТЕ ПРЕДУПРЕЖДЕНИЕ О НЕПРИСТЕГНУТОМ РЕМНЕ БЕЗОПАСНОСТИ ЗАДНЕГО СИДЕНЬЯ

    1. B345486C01

      *1

      Контрольная лампа ремней безопасности задних сидений (радиоприемник в сборе)

      *a

      Левая сторона

      *b

      Центр

      *c

      Правая сторона

      Проверьте работу функции предупреждения о непристегнутых ремнях безопасности передних сидений.

      Нажмите здесьClick here

      OK

      Контрольная лампа ремня безопасности заднего сиденья (центрального) работает нормально.

    Результат

    Перейти к

    OK

    НЕ СООТВ.

    OK

    КОНЕЦ (РАДИОПРИЕМНИК НЕИСПРАВЕН)

    NG

    ЗАМЕНИТЕ ЩИТОК ПРИБОРОВ В СБОРЕ

    Нажмите здесьClick here

  18. СНИМИТЕ ПОКАЗАНИЯ GTS

    1. Подключите GTS к DLC3.

    2. Включите зажигание (IG).

    3. Включите GTS.

    4. Войдите в следующие меню: Body Electrical / Combination Meter / Data List.

    5. Снимите показания с дисплея GTS в режиме DATA LIST.

      Body Electrical > Combination Meter > Data List

      Информация на дисплее прибора

      Измеряемая величина

      Диапазон

      Нормальное состояние

      Замечание по диагностике

      2nd-Row Seatbelt Buckle (L)

      Сигнал выключателя пряжки левого ремня безопасности заднего сиденья

      ON (ВКЛ) или OFF (ВЫКЛ)

      OFF (ВЫКЛ): Ремень безопасности левого заднего сиденья пристегнут

      ON (ВКЛ): Левый ремень безопасности заднего сиденья не пристегнут

      -

      Body Electrical > Combination Meter > Data List

      Информация на дисплее прибора

      2nd-Row Seatbelt Buckle (L)

      Result

      Result

      Перейдите к

      Значения ON (ВКЛ) и OFF (ВЫКЛ), отображаемые на экране GTS, не соответствуют состоянию ремня безопасности заднего сиденья

      А

      На дисплее GTS в зависимости от состояния ремня безопасности заднего сиденья отображается "ON (ВКЛ)" или "OFF (ВЫКЛ)".

      B

    B

    ПРОВЕРЬТЕ ЖГУТ ПРОВОДОВ И РАЗЪЕМ (ЩИТОК ПРИБОРОВ В СБОРЕ – РАДИОПРИЕМНИК В СБОРЕ)Click here

    A
  19. ПРОВЕРЬТЕ ЖГУТ ПРОВОДОВ И РАЗЪЕМ (ЩИТОК ПРИБОРОВ В СБОРЕ - ЗАМОК РЕМНЯ БЕЗОПАСНОСТИ ЛЕВОГО ЗАДНЕГО СИДЕНЬЯ В СБОРЕ - МАССА)

    1. Отсоедините разъем J10 щитка приборов.

    2. Отсоедините разъем S20 замка ремня безопасности левого заднего сиденья в сборе.

    3. Измерьте сопротивление в соответствии со значениями, приведенными в таблице ниже.

      Номинальное сопротивление

      Подключение диагностического прибора

      Условие

      Заданные условия

      J10-14 (RLSB) - S20-3 (LBR+)

      Всегда

      Менее 1 Ом

      J10-14 (RLSB) или S20-3 (LBR+) - масса

      Всегда

      10 кОм или более

      S20-4 (LBR-) - масса

      Всегда

      Менее 1 Ом

    Результат

    Перейти к

    OK

    НЕ СООТВ.

    OK

    ЗАМЕНИТЕ ЗАМОК ЛЕВОГО РЕМНЯ БЕЗОПАСНОСТИ ЗАДНЕГО СИДЕНЬЯ В СБОРЕ

    Нажмите здесьClick here

    NG

    ОТРЕМОНТИРУЙТЕ ИЛИ ЗАМЕНИТЕ ЖГУТ ПРОВОДОВ ИЛИ РАЗЪЕМ

  20. ПРОВЕРЬТЕ ЖГУТ ПРОВОДОВ И РАЗЪЕМ (ЩИТОК ПРИБОРОВ В СБОРЕ - РАДИОПРИЕМНИК В СБОРЕ)

    1. Отсоедините разъем J10 щитка приборов.

    2. Отсоедините разъем J140 радиоприемника.

    3. Измерьте сопротивление в соответствии со значениями, приведенными в таблице ниже.

      Номинальное сопротивление

      Подключение диагностического прибора

      Условие

      Заданные условия

      J10-35 (RLMT) - J140-5 (RLID)

      Всегда

      Менее 1 Ом

      J10-35 (RLMT) или J140-5 (RLID) - масса

      Всегда

      10 кОм или более

    Результат

    Перейти к

    OK

    НЕ СООТВ.

    NG

    ОТРЕМОНТИРУЙТЕ ИЛИ ЗАМЕНИТЕ ЖГУТ ПРОВОДОВ ИЛИ РАЗЪЕМ

    OK
  21. ЗАМЕНИТЕ РАДИОПРИЕМНИК В СБОРЕ

    1. Временно замените радиоприемник в сборе новым или заведомо исправным.

      Нажмите здесьClick here

    Результат

    Перейти к

    СЛЕДУЮЩЕЕ -

    СЛЕДУЮЩЕЕ -
  22. ПРОВЕРЬТЕ ПРЕДУПРЕЖДЕНИЕ О НЕПРИСТЕГНУТОМ РЕМНЕ БЕЗОПАСНОСТИ ЗАДНЕГО СИДЕНЬЯ

    1. B345486C01

      *1

      Контрольная лампа ремней безопасности задних сидений (радиоприемник в сборе)

      *a

      Левая сторона

      *b

      Центр

      *c

      Правая сторона

      Проверьте работу функции предупреждения о непристегнутых ремнях безопасности передних сидений.

      Нажмите здесьClick here

      OK

      Контрольная лампа ремня безопасности заднего сиденья (левого) работает нормально.

    Результат

    Перейти к

    OK

    НЕ СООТВ.

    OK

    КОНЕЦ (РАДИОПРИЕМНИК НЕИСПРАВЕН)

    NG

    ЗАМЕНИТЕ ЩИТОК ПРИБОРОВ В СБОРЕ

    Нажмите здесьClick here