СИСТЕМА УПРАВЛЕНИЯ ГИБРИДНОЙ СИСТЕМОЙ Цепь сигнала останова

Код DTC Наименование DTC
Цепь сигнала останова

ОПИСАНИЕ

Причиной неисправности может быть сигнал выключения.

Проверьте цепь сигнала выключения на наличие коротких замыканий с +B.

Table 1. Проверка связанных деталей

Зона

Проверка

Шаг

Напряжение на контакте HSDN

Убедитесь, что напряжение на контакте HSDN уменьшается при переходе в режим READY OFF (ВЫКЛ) (IG ON (ВКЛ)).

Если напряжение низкое, цепь сигнала выключения исправна.

1

ЭБУ гибридной системы, инвертор

В случае сбоя сигнала выключения проверьте на наличие неисправностей ЭБУ гибридной системы и инвертор.

2, 3

ОПИСАНИЕ СИСТЕМЫ

Питание электродвигателя отключено в связи с передачей сигнала выключения от ЭБУ гибридной системы в ЭБУ мотор-генератора (ЭБУ MG).

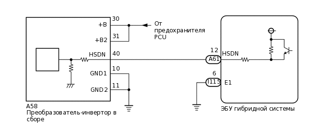
СХЕМА ЭЛЕКТРИЧЕСКИХ СОЕДИНЕНИЙ

A334555E01

ПРЕДОСТЕРЕЖЕНИЕ / ПРИМЕЧАНИЕ / УКАЗАНИЕ

Эта операция выполняется в процедурах для каждого кода DTC.

Если результаты проверки ниже нормы, выполните следующую процедуру для соответствующего кода DTC.

CAUTION:
  • Перед проверкой системы высокого напряжения или отсоединением разъема низкого напряжения преобразователя-инвертора необходимо принять меры по предотвращению поражения электрическим током, а именно, надеть электроизолирующие перчатки и снять зажим сервисного размыкателя цепи. После снятия зажима сервисного размыкателя цепи положите его в карман, чтобы никто не смог случайно подсоединить его обратно, пока выполняются работы с системой высокого напряжения.

  • После отсоединения зажима сервисного размыкателя цепи подождите, по крайней мере, 10 мин, прежде чем прикасаться к какому-либо из высоковольтных разъемов или контактов. По истечении 10 мин проверьте напряжение на контактах в контрольной точке преобразователя-инвертора в сборе. Перед началом работ напряжение должно составлять 0 В.

    Нажмите здесьClick here

    Tip:

    Для разрядки высоковольтного конденсатора внутри преобразователя-инвертора требуется не менее 10 мин.

Note:

После выключения питания следует подождать некоторое время, прежде чем отсоединять провод от отрицательного (-) вывода вспомогательной аккумуляторной батареи. Поэтому, прежде чем приступать к этой работе, обязательно ознакомьтесь с примечанием относительно отсоединения провода от отрицательного (-) вывода вспомогательной аккумуляторной батареи.

Нажмите здесьClick hereClick hereClick hereClick here

ПОРЯДОК ВЫПОЛНЕНИЯ

  1. ПРОВЕРЬТЕ ЭБУ ГИБРИДНОЙ СИСТЕМЫ

    1. Включите питание (IG).

    2. A311542C33

      *a

      Устройство с подсоединенным жгутом проводов

      (ЭБУ гибридной системы)

      Измерьте напряжение в соответствии со значениями, приведенными в таблице.

      Номинальное напряжение

      Подключение диагностического прибора

      Условие

      Номинальное значение

      A61-12 (HSDN) - I115-6 (E1)

      Питание включено (IG)

      Менее 4,5 В

    3. Выключите зажигание.

    Результат

    Перейти к

    OK

    НЕ СООТВ.

    OK

    ЦЕПЬ СИГНАЛА ВЫКЛЮЧЕНИЯ ИСПРАВНА (ВЫПОЛНИТЕ СЛЕДУЮЩИЙ ШАГ ДЛЯ СООТВЕТСТВУЮЩЕГО КОДА DTC)

    NG
  2. ПРОВЕРЬТЕ ЖГУТ ПРОВОДОВ И РАЗЪЕМ (ЭБУ ГИБРИДНОЙ СИСТЕМЫ – ПРЕОБРАЗОВАТЕЛЬ-ИНВЕРТОР В СБОРЕ)

    CAUTION:

    Не забывайте надевать электроизолирующие перчатки.

    1. Убедитесь, что зажим сервисного размыкателя цепи не установлен.

      Note:

      При снятом зажиме сервисного размыкателя цепи не включайте питание (READY), если нет соответствующего указания в руководстве по ремонту, так как это может стать причиной неисправности.

    2. Отсоедините разъемы A60 и A61 ЭБУ гибридной системы.

    3. Отсоедините разъем A58 преобразователя-инвертора в сборе.

      Нажмите здесьClick hereClick here

    4. Подсоедините провод к отрицательному (-) выводу вспомогательной аккумуляторной батареи.

    5. Включите питание (IG).

    6. Измерьте напряжение в соответствии со значениями, приведенными в таблице.

      A324979C02

      *a

      Вид сзади разъема со стороны жгута проводов

      (К ЭБУ гибридной системы)

      *b

      Вид спереди разъема со стороны жгута проводов:

      (к преобразователю-инвертору в сборе)

      Номинальное напряжение

      Подключение диагностического прибора

      Условие

      Номинальное значение

      A58-40 (HSDN) или A61-12 (HSDN) - масса

      Питание включено (IG)

      Менее 1 В

      Note:

      Установка выключателя питания в состояние ON (ВКЛ) (IG) при отсоединенном разъеме ЭБУ гибридной системы и преобразователя-инвертора в сборе приводит к сохранению других DTC. После выполнения проверки удалите коды DTC.

    7. Выключите питание.

    8. Отсоедините провод от отрицательного (-) вывода вспомогательной аккумуляторной батареи.

    9. Измерьте сопротивление в соответствии со значениями, приведенными в таблице ниже.

      Номинальное сопротивление

      Подключение диагностического прибора

      Условие

      Номинальное значение

      A58-40 (HSDN) - A58-30 (+B)

      Питание выключено

      10 кОм или более

      A58-40 (HSDN) - A58-31 (+B2)

      Питание выключено

      10 кОм или более

      A61-12 (HSDN) - A60-1 (+B2)

      Питание выключено

      10 кОм или более

      A61-12 (HSDN) - A61-6 (MREL)

      Питание выключено

      10 кОм или более

    10. Подсоедините разъем A58 преобразователя-инвертора в сборе.

    11. Подсоедините разъемы A60 и A61 ЭБУ гибридной системы.

    Result

    Перейти к

    OK

    НЕ СООТВ.

    НЕ СООТВ.

    ОТРЕМОНТИРУЙТЕ ИЛИ ЗАМЕНИТЕ ЖГУТ ПРОВОДОВ ИЛИ РАЗЪЕМ

    СООТВ
  3. ПРОВЕРЬТЕ ПРЕОБРАЗОВАТЕЛЬ-ИНВЕРТОР В СБОРЕ

    CAUTION:

    Не забывайте надевать электроизолирующие перчатки.

    1. Убедитесь, что зажим сервисного размыкателя цепи не установлен.

      Note:

      При снятом зажиме сервисного размыкателя цепи не включайте питание (READY), если нет соответствующего указания в руководстве по ремонту, так как это может стать причиной неисправности.

    2. Отсоедините разъем A58 преобразователя-инвертора в сборе.

    3. A258450C16

      *a

      Устройство с отсоединенным жгутом проводов

      (преобразователь-инвертор в сборе)

      Измерьте сопротивление в соответствии со значениями, приведенными в таблице ниже.

      Номинальное сопротивление

      Подключение диагностического прибора

      Условие

      Номинальное значение

      A58-40 (HSDN) - A58-30 (+B)

      Питание выключено

      5 кОм или более

      A58-40 (HSDN) - A58-31 (+B2)

      Питание выключено

      5 кОм или более

    4. Подсоедините разъем A58 преобразователя-инвертора в сборе.

    Результат

    Перейти к

    OK

    НЕ СООТВ.

    OK

    ЗАМЕНИТЕ ЭБУ ГИБРИДНОЙ СИСТЕМЫ

    Нажмите здесьClick here

    NG

    ЗАМЕНИТЕ ПРЕОБРАЗОВАТЕЛЬ-ИНВЕРТОР В СБОРЕ

    Нажмите здесьClick hereClick here