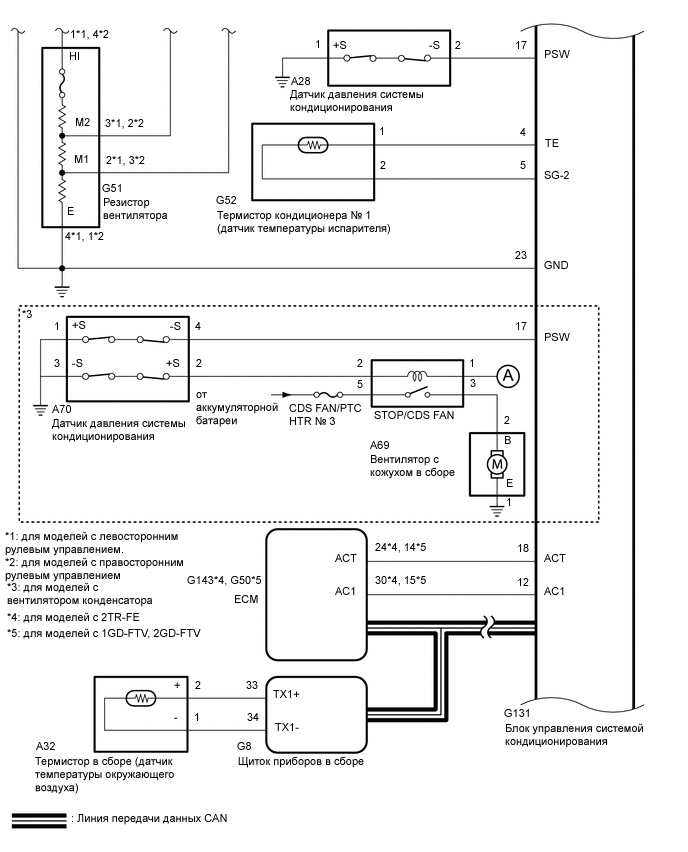
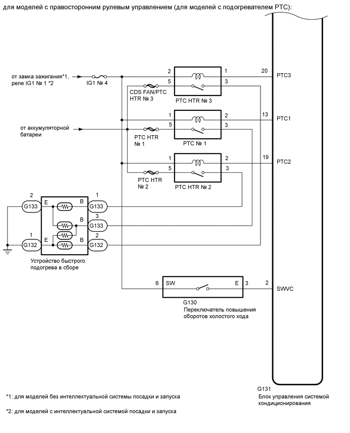
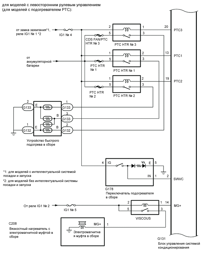
СИСТЕМА КОНДИЦИОНИРОВАНИЯ (для моделей с кондиционером с ручным управлением) СХЕМА СИСТЕМЫ


  1. Для передней части (кроме моделей с 5L-E):

    B003RZVE02
    B003KIEE03
    B003MEFE01
    B003J7WE05
    Таблица обмена данными
    Передатчик Приемник Сигнал Линия передачи данных
    Блок управления системой кондиционирования в сборе ECM Запрет зарядки CAN
    Предварительный запрос управления системой кондиционирования
    Запрет отключения при разгоне
    Блок управления системой кондиционирования в сборе Щиток приборов в сборе Дисплей температуры окружающего воздуха CAN
    ECM Блок управления системой кондиционирования в сборе Информация о типе двигателя 1 CAN
    Информация о типе двигателя 2
    Информация о типе двигателя 3
    Информация о типе двигателя 4
    Данные о частоте вращения коленчатого вала двигателя
    Температура охлаждающей жидкости
    Команда на принудительную рециркуляцию воздуха в салоне при высокой температуре охлаждающей жидкости
    Величина продолжительности включения альтернативного поля
    Щиток приборов в сборе Блок управления системой кондиционирования в сборе Индикация температуры окружающего воздуха CAN
    Данные датчика температуры окружающего воздуха
    Сигнал скорости автомобиля (от щитка приборов для других устройств)
  2. Для передней части (для моделей с 5L-E):

    B003LYHE04
    B003JO4E01
    Таблица обмена данными
    Передатчик Приемник Сигнал Линия передачи данных
    Блок управления системой кондиционирования в сборе ECM Запрет зарядки CAN
    Предварительный запрос управления системой кондиционирования
    Запрет отключения при разгоне
    Блок управления системой кондиционирования в сборе Щиток приборов в сборе Дисплей температуры окружающего воздуха CAN
    ECM Блок управления системой кондиционирования в сборе Информация о типе двигателя 1 CAN
    Информация о типе двигателя 2
    Информация о типе двигателя 3
    Информация о типе двигателя 4
    Данные о частоте вращения коленчатого вала двигателя
    Температура охлаждающей жидкости
    Команда на принудительную рециркуляцию воздуха в салоне при высокой температуре охлаждающей жидкости
    Величина продолжительности включения альтернативного поля
    Щиток приборов в сборе Блок управления системой кондиционирования в сборе Индикация температуры окружающего воздуха CAN
    Данные датчика температуры окружающего воздуха
    Сигнал скорости автомобиля (от щитка приборов для других устройств)
  3. Для задней части:

    B003MGFE02