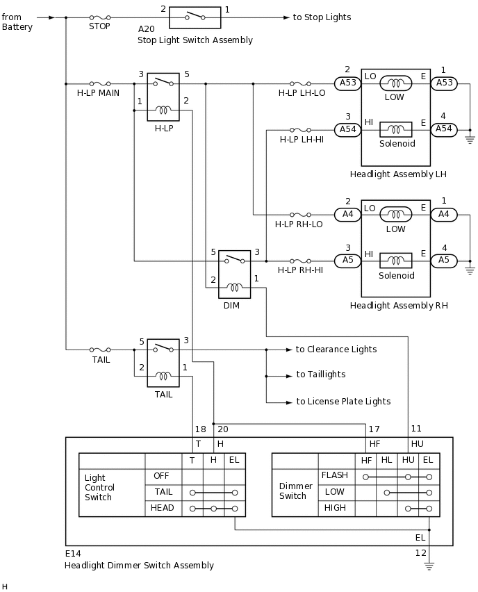
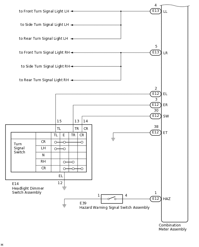
LIGHTING SYSTEM SYSTEM DIAGRAM

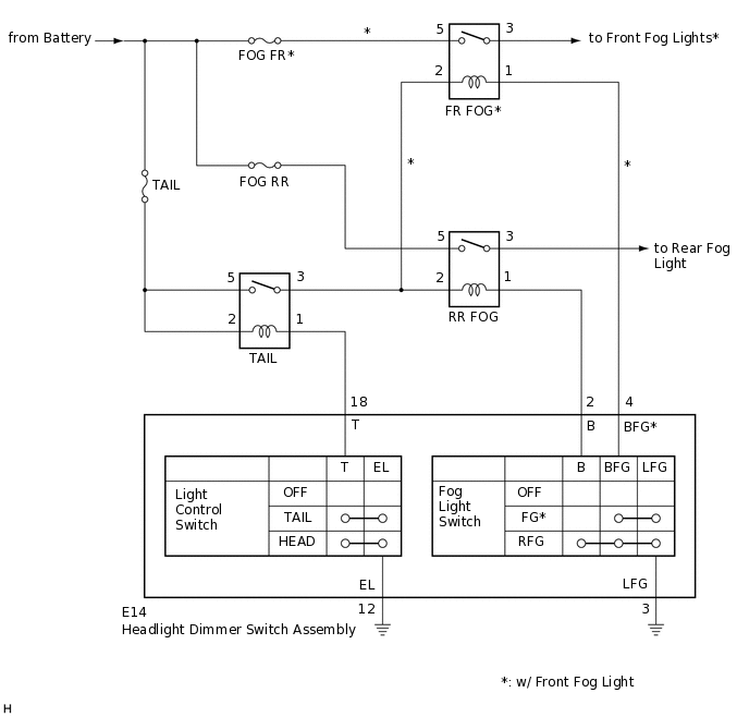
  1. w/o Automatic Light Control

    E293932E01
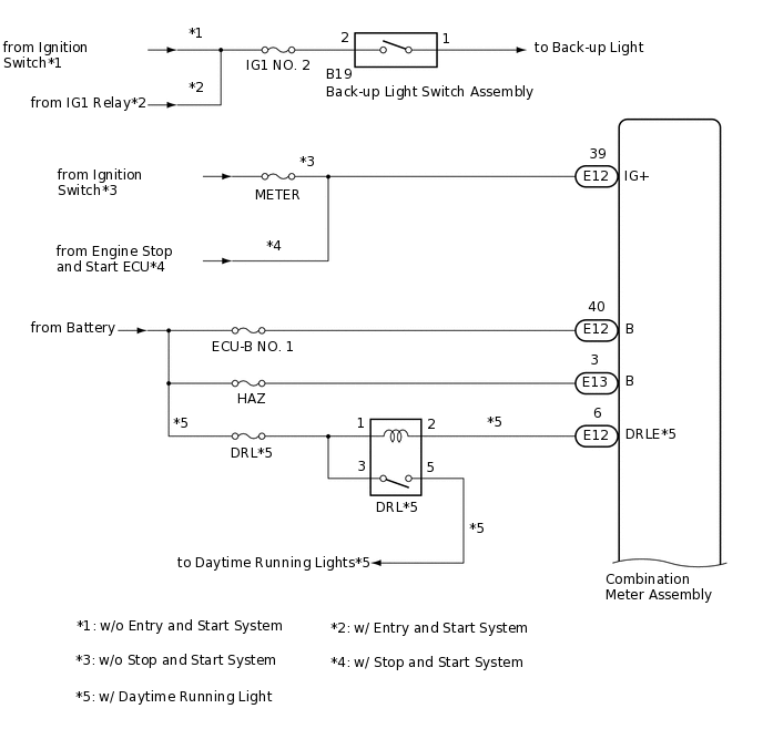
    E293933E01
    E293934E01
    E293935E01
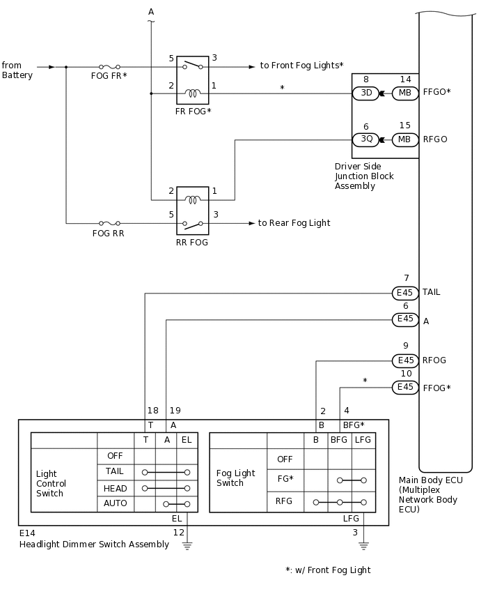
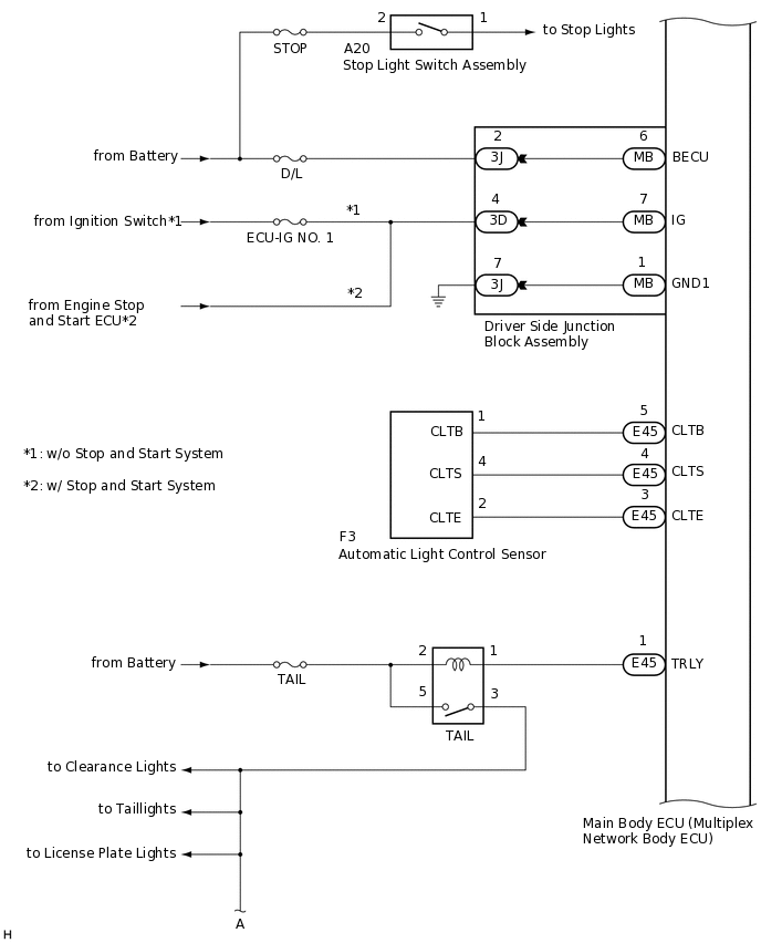
  2. w/ Automatic Light Control

E293936E01
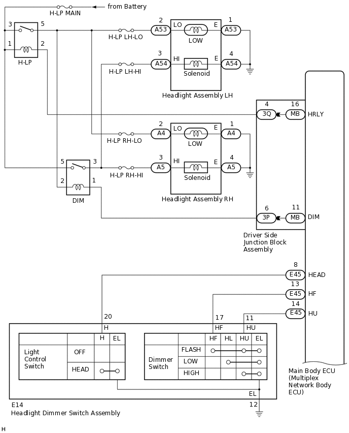
E293937E01
E293938E01
E293934E01
E293935E01