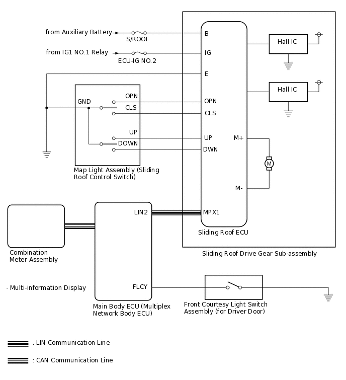
SLIDING ROOF SYSTEM SYSTEM DIAGRAM

B338693E06
Table 1. Communication Table

Sender

Receiver

Signal

Line

Main Body ECU (Multiplex Network Body ECU)

Sliding Roof Drive Gear Sub-assembly (Sliding Roof ECU)

  • Sliding roof operation permission signal

  • IG signal

  • Front door courtesy light switch assembly (for driver door) signal

  • Vehicle speed signal

LIN

Sliding Roof Drive Gear Sub-assembly (Sliding Roof ECU)

Main Body ECU (Multiplex Network Body ECU)

Sliding roof glass position signal

LIN

Combination Meter Assembly

Main Body ECU (Multiplex Network Body ECU)

Vehicle speed signal

CAN

Main Body ECU (Multiplex Network Body ECU)

Combination Meter Assembly (Multi-information Display)

Sliding roof open warning request signal

CAN