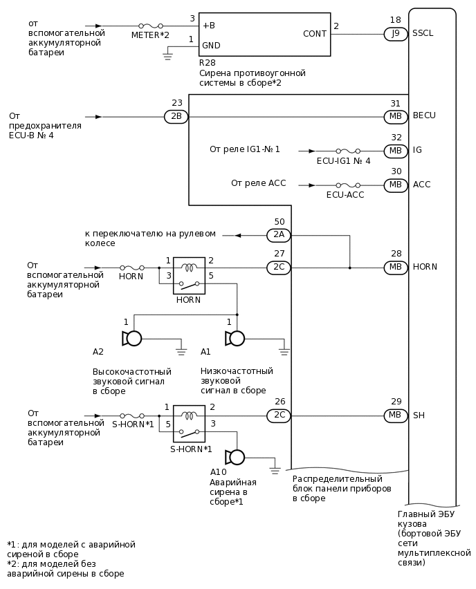
ПРОТИВОУГОННАЯ СИСТЕМА СХЕМА СИСТЕМЫ

B438346E04
B424463E02
B424464E02
B424465E03
B424466E03