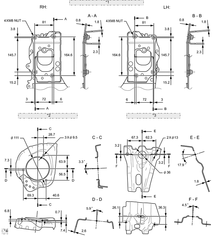
OTHER REFERENCE VALUES TWO-DIMENSIONAL DISTANCE

A004L38E01
*1 Front bumper reinforcement installation
*2 Front spring support installation
*3 Rear suspension installation
*4 mm