СИСТЕМА ЗАПУСКА И ОСТАНОВА, диагностический DTC:B22C0

Код DTC Наименование DTC
B22C0 Перегрузка по току BBC

ОПИСАНИЕ

Вспомогательный повышающий преобразователь встроен в ЭБУ запуска и останова двигателя.

Вспомогательный повышающий преобразователь помогает поддерживать напряжение аккумуляторной батареи, предотвращая тем самым отказ различных функций, когда напряжение питания, поступающее от вспомогательного повышающего преобразователя, падает вследствие высокой электрической нагрузки во время повторного пуска двигателя системой запуска и останова.

Вспомогательный повышающий преобразователь помогает поддерживать напряжение питания, когда напряжение аккумуляторной батареи падает вследствие высокой электрической нагрузки при повторном пуске двигателя системой запуска и останова.

Tip:

Вспомогательный повышающий преобразователь выполняет функции реле и предохранителя.

Когда в какой-либо из цепей электрооборудования, подсоединенных к вспомогательному повышающему преобразователю, возникает неисправность, функции реле и предохранителя обеспечивают отключение неисправной цепи для защиты других цепей (цепь остается отключенной до следующей поездки).

При отключении цепи электрооборудования подача питания в цепь прекращается, что вызывает запрещение работы всех систем, подключенных к цепи.

При выключении зажигания происходит сброс* функции предохранителя. Если неисправность в цепи электрооборудования, которая была отключена функцией реле, все еще сохраняется, при следующем включении зажигания (IG) эта цепь будет снова отключена функциями реле и предохранителя.

*: Полупроводниковый предохранитель самостоятельно возвращается в исходное состояние (выполняет сброс) в соответствии с электрическим сигналом.

  • Вспомогательный повышающий преобразователь подает питание на следующие устройства:

  • Система предупреждения о ненадлежащем давлении в шинах

  • Система рулевого управления с усилителем

  • Система освещения

  • Система обработки и передачи информации

  • Система навигации

  • Аудиовизуальная система

  • Система контроля слепых зон

  • Система индикации на ветровом стекле

  • Система безопасности Lexus +

  • Система передачи данных CAN

  • Сенсорная система помощи при парковке Lexus

  • Система панорамного обзора

  • Система курсовой устойчивости

  • Система измерительных приборов и индикаторов

№ DTC

Неисправность

Условие обнаружения DTC

Неисправный участок

Индикация предупреждения

Память

B22C0

Перегрузка по току BBC

В течение не менее 1 с сохраняется следующее условие (логика диагностирования за 1 поездку):

  • Обнаружена перегрузка по току цепей контактов B41, B42, B43 и IG41 в ЭБУ запуска и останова двигателя

  • ЭБУ запуска и останова двигателя

  • Жгут проводов или разъем

  • ЭБУ и приемник системы предупреждения о ненадлежащем давлении в шинах*1

  • Панель облицовки правой передней двери в сборе (лампа рассеянного освещения правой передней двери)*2

  • Панель облицовки левой передней двери в сборе (лампа рассеянного освещения левой передней двери)*2

  • Панель облицовки правой задней двери в сборе (лампа рассеянного освещения правой задней двери)*2

  • Панель облицовки правой задней двери в сборе (лампа рассеянного освещения правой задней двери)*2

  • Правая лампа освещения салона № 1 (правая лампа освещения углубления для ног)

  • Левая лампа освещения салона № 1 (левая лампа освещения углубления для ног)

  • Лампа освещения салона № 1 (лампа передней консоли)

  • Лампа освещения салона в сборе (лампа рассеянного освещения панели приборов)*3

  • Реле DOME CUT NO. 2

  • Лампа направленного освещения в сборе

  • Радиоприемник в сборе

  • Многофункциональный дисплей*6

  • Вспомогательный индикатор в сборе*7

  • Сенсорный пульт дистанционного управления (панель дистанционного управления)*4

  • Аудиоконтроллер дисплея Lexus (панель дистанционного управления)*5

  • Левый датчик системы контроля слепых зон*8

  • Правый датчик системы контроля слепых зон*8

  • Датчик радара миллиметрового диапазона в сборе*9

  • ЭБУ помощи при движении в сборе*9

  • ЭБУ сетевого шлюза

  • Камера системы предупреждения об уходе с полосы*9

  • ЭБУ предупреждения о недопустимой дистанции в сборе*10

  • Зеркало щитка приборов в сборе*11

Мигает

Код DTC сохраняется

  • *1: для моделей с системой предупреждения о ненадлежащем давлении в шинах

  • *2: для моделей с лампой рассеянного освещения двери

  • *3: для моделей с лампой рассеянного освещения панели приборов

  • *4: для моделей с системой навигации или аудиовизуальной системой (для моделей с 12,3-дюймовым дисплеем)

  • *5: для моделей с аудиовизуальной системой (для моделей с 8-дюймовым дисплеем)

  • *6: для 8-дюймового дисплея

  • *7: для 12,3-дюймового дисплея

  • *8: для моделей с системой контроля слепых зон

  • *9: для моделей с системой безопасности Lexus +

  • *10: для моделей с сенсорной системой помощи при парковке Lexus

  • *11: для моделей с системой блока индикации на ветровом стекле

РЕЖИМ ПРОВЕРОЧНОЙ ПОЕЗДКИ

Tip:

Коды DTC системы запуска и останова не удаляются, даже если неисправность устранена. Поэтому после устранения неисправности необходимо самостоятельно удалить коды DTC.

Нажмите здесьClick here

  1. ПРОВЕРКА ПОСЛЕ УСТРАНЕНИЯ НЕИСПРАВНОСТИ

    Tip:
    • Когда провод отсоединяется от вывода аккумуляторной батареи, работа системы запуска и останова запрещается до завершения режима восстановительной подзарядки.

      В этом случае необходимо дать автомобилю поработать на холостому ходу, чтобы завершить режим восстановительной подзарядки. Режим восстановительной подзарядки завершается, если значение параметра Data List "Status of Battery Charge Control" изменяется со значения "Refresh Charge Mode". (Как правило, режим восстановительной подзарядки завершается при работе двигателя на холостом ходу в течение от 5 до 60 минут при температуре электролита аккумуляторной батареи не менее 11°C (52°F).)

    • Если GTS не доступен и параметр режима Data List "Status of Battery Charge Control" невозможно проверить, зарядите аккумуляторную батарею, двигатель работает на холостом ходу в течение 5 – 60 мин или движения автомобиля, а затем совершите поездку на автомобиле и убедитесь, что система запуска и останова работает.

      Если двигатель запускается при открытом капоте, система определяет, что произошел запуск от внешнего источника. По этой причине убедитесь, что капот закрыт перед запуском двигателя и поездкой на автомобиле.

    • После завершения режима восстановительной подзарядки выключите зажигание и подождите не менее 30 с, а затем снова запустите двигатель. Если автомобиль снова переходит в режим восстановительной подзарядки во время работы двигателя на холостом ходу, первоначальный режим восстановительной подзарядки не был завершен должным образом, поэтому дождитесь полного завершения режима восстановительной подзарядки.

    • После прогрева двигателя дайте ему поработать на холостом ходу в течение 3 мин и убедитесь, что частота вращения коленчатого вала двигателя отличается от заданной частоты вращения не более чем на 50 об/мин.

    1. Подключите GTS к DLC3.

    2. Включите зажигание (IG) и включите GTS.

    3. Сбросьте коды DTC.

      Нажмите здесьClick here

      Powertrain > Stop and Start > Clear DTCs

    4. Запустите и прогрейте двигатель.

    5. Совершите поездку на автомобиле со скоростью 7 км/час (4,3 мили в час) или выше.

      CAUTION:

      Во время поездки в проверочном режиме соблюдайте все ограничения скорости и правила дорожного движения.

    6. Нажмите на педаль тормоза и остановите двигатель.

    7. Оставьте двигатель остановленным системой запуска и останова не менее чем на 1 с. (Поддерживайте рычаг переключения передач в положении D.)

    8. Отпустите педаль тормоза, когда рычаг переключения передач находится в положении D, чтобы запустить двигатель.

      Tip:

      Если при повторном запуске двигателя коленчатый вал прокручивается медленно, возможно, напряжение аккумуляторной батареи мало.

    9. Убедитесь, что коды DTC не выводятся.

      Нажмите здесьClick here

      Powertrain > Stop and Start > Trouble Codes

  2. ПРОВЕРКА РАБОТЫ СИСТЕМЫ ЗАПУСКА И ОСТАНОВА

    Tip:
    • Когда провод отсоединяется от вывода аккумуляторной батареи, работа системы запуска и останова запрещается до завершения режима восстановительной подзарядки.

      В этом случае необходимо дать автомобилю поработать на холостому ходу, чтобы завершить режим восстановительной подзарядки. Режим восстановительной подзарядки завершается, если значение параметра Data List "Status of Battery Charge Control" изменяется со значения "Refresh Charge Mode". (Как правило, режим восстановительной подзарядки завершается при работе двигателя на холостом ходу в течение от 5 до 60 минут при температуре электролита аккумуляторной батареи не менее 11°C (52°F).)

    • Если GTS не доступен и параметр режима Data List "Status of Battery Charge Control" невозможно проверить, зарядите аккумуляторную батарею, двигатель работает на холостом ходу в течение 5 – 60 мин или движения автомобиля, а затем совершите поездку на автомобиле и убедитесь, что система запуска и останова работает.

      Если двигатель запускается при открытом капоте, система определяет, что произошел запуск от внешнего источника. По этой причине убедитесь, что капот закрыт перед запуском двигателя и поездкой на автомобиле.

    • После завершения режима восстановительной подзарядки выключите зажигание и подождите не менее 30 с, а затем снова запустите двигатель. Если автомобиль снова переходит в режим восстановительной подзарядки во время работы двигателя на холостом ходу, первоначальный режим восстановительной подзарядки не был завершен должным образом, поэтому дождитесь полного завершения режима восстановительной подзарядки.

    1. Запустите и прогрейте двигатель.

    2. Выключите систему кондиционирования.

    3. Совершите поездку на автомобиле со скоростью 7 км/час (4,3 мили в час) или выше.

      CAUTION:

      Во время поездки в проверочном режиме соблюдайте все ограничения скорости и правила дорожного движения.

    4. Нажмите на педаль тормоза и остановите двигатель.

    5. Дайте двигателю остановится под управлением системы запуска и останова. (Поддерживайте рычаг переключения передач в положении D.)

    6. Отпустите педаль тормоза, когда рычаг переключения передач находится в положении D, чтобы запустить двигатель.

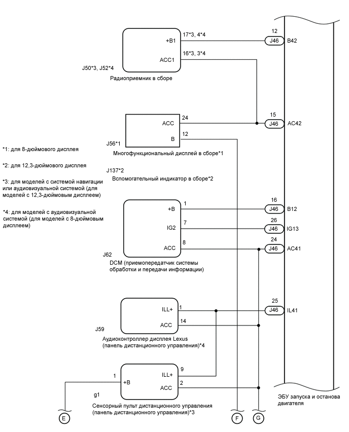
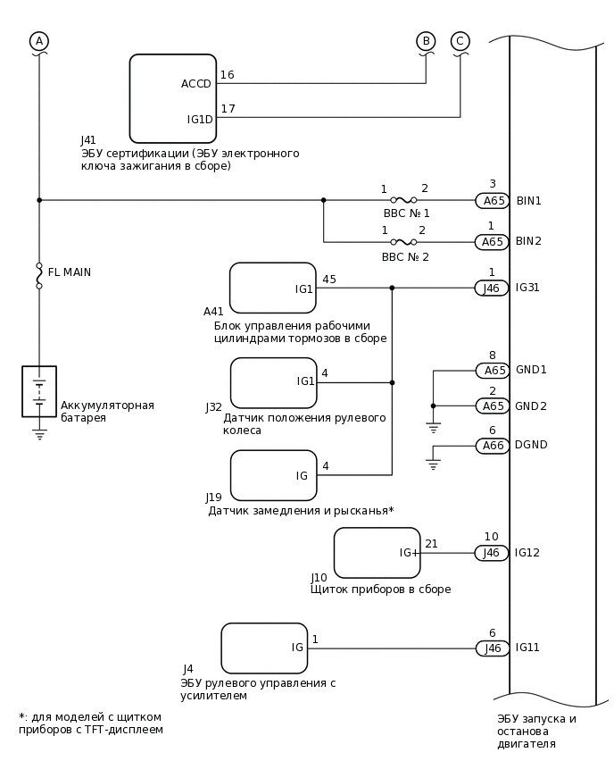
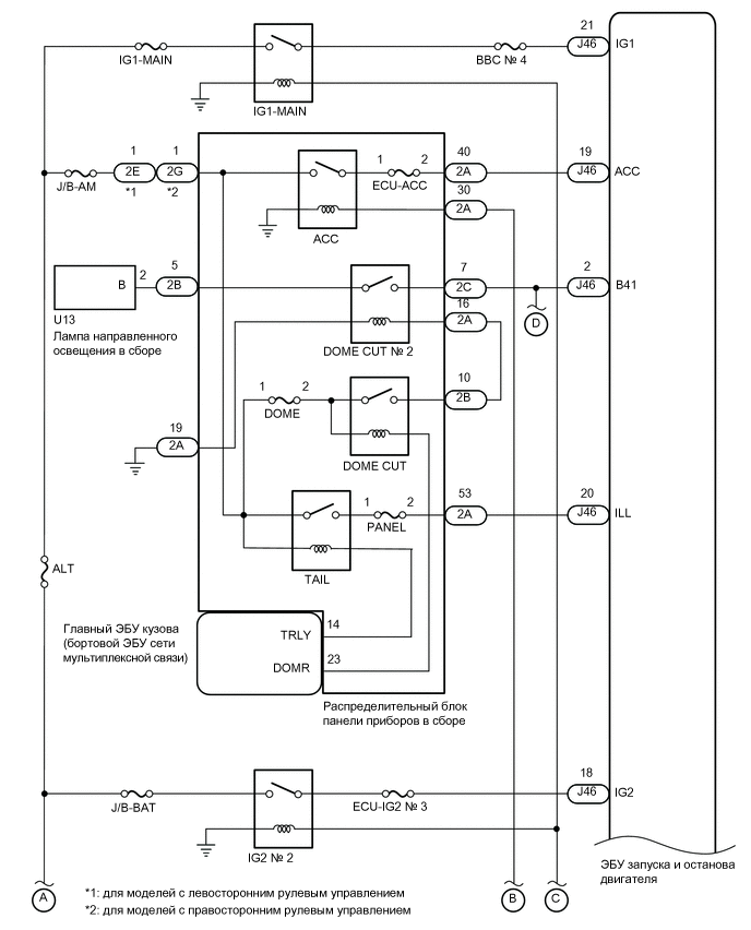
СХЕМА ЭЛЕКТРИЧЕСКИХ СОЕДИНЕНИЙ

A377211E01
A360651E06
A360672E03
A360673E03
A360674E01
A360675E02
B416774E06

ПРЕДОСТЕРЕЖЕНИЕ / ПРИМЕЧАНИЕ / УКАЗАНИЕ

Note:
  • Перед тем, как заменять ЭБУ запуска и останова двигателя, считайте число запусков стартера и общее количество запусков двигателя и запишите их в новый ЭБУ запуска и останова двигателя.

    Нажмите здесьClick here

  • После замены ЭБУ запуска и останова двигателя или блока управления системой кондиционирования выполните сброс и настройте данные системы кондиционирования в ЭБУ запуска и останова двигателя.

    Нажмите здесьClick here

  • После замены ЭБУ запуска и останова двигателя, ЭБУ системы SRS в сборе*1 или датчика замедления и рысканья*2 выполните удаление и калибровку "нуля" датчика замедления в ЭБУ запуска и останова двигателя.

    Нажмите здесьClick here

    • *1: для моделей с щитком приборов с оригинальной системой подсветки "Optitron"

    • *2: для моделей с щитком приборов с TFT-дисплеем

  • Перед выполнением последующей процедуры проверки проверьте плавкие предохранители цепей, относящихся к данной системе.

Tip:
  • Перед диагностикой считайте данные фиксированного набора параметров с помощью GTS. Одновременно с записью в память кода DTC состояние системы сохраняется в данных фиксированного набора параметров. Эта информация может быть полезна при поиске и устранении неисправностей.

    Нажмите здесьClick here

  • Если к контакту B41, B42, B43 или IG41 в ЭБУ запуска и останова двигателя подключается электрическая нагрузка в виде дополнительных устройств, установленных на автомобиле (аудиовизуальная система, устанавливаемая после продажи, и т.д.), может сработать функция предохранителя вспомогательного повышающего преобразователя.

    Если сработала функция предохранителя вспомогательного повышающего преобразователя, не будут работать все системы, подключенные к контакту B41, B42, B43 или IG41 ЭБУ запуска и останова двигателя.

  • Если одновременно выводятся коды DTC P1539 и B22C0, сначала выполните диагностику для DTC P1539 (неисправность масляного насоса), поскольку неисправность, которая привела к регистрации DTC P1539, также может являться причиной регистрации DTC B22C0 (чрезмерно высокий ток в повышающем преобразователе, BBC).

ПОРЯДОК ВЫПОЛНЕНИЯ

  1. ПРОВЕРЬТЕ ЖГУТ ПРОВОДОВ И РАЗЪЕМ (ЭБУ ЗАПУСКА И ОСТАНОВА ДВИГАТЕЛЯ - ПРЕДОХРАНИТЕЛИ BBC № 1, BBC № 2)

    1. Отсоедините разъем A65 ЭБУ запуска и останова двигателя.

    2. Извлеките предохранители BBC № 1 и BBC № 2 из блока реле № 1 и распределительного блока № 1 моторного отсека в сборе.

    3. Измерьте сопротивление в соответствии со значениями, приведенными в таблице ниже.

      Номинальное сопротивление

      Подключение диагностического прибора

      Условие

      Заданные условия

      A65-1 (BIN2) - контакт 2 предохранителя BBC № 2

      Всегда

      Менее 1 Ом

      A65-3 (BIN1) - контакт 2 предохранителя BBC № 1

      Всегда

      Менее 1 Ом

      A65-1 (BIN2) - масса

      Всегда

      10 кОм или более

      Контакт 2 предохранителя BBC № 2 - масса

      Всегда

      10 кОм или более

      A65-3 (BIN1) - масса

      Всегда

      10 кОм или более

      Контакт 2 предохранителя BBC № 1 - масса

      Всегда

      10 кОм или более

    Результат

    Перейти к

    OK

    НЕ СООТВ.

    НЕ СООТВ.

    ОТРЕМОНТИРУЙТЕ ИЛИ ЗАМЕНИТЕ ЖГУТ ПРОВОДОВ ИЛИ РАЗЪЕМ

    СООТВ
  2. ПРОВЕРЬТЕ ЖГУТ ПРОВОДОВ И РАЗЪЕМ (ЭБУ ЗАПУСКА И ОСТАНОВА ДВИГАТЕЛЯ - КАЖДЫЙ ЭБУ ИЛИ ДАТЧИК)

    1. Отсоедините разъем J46 ЭБУ запуска и останова двигателя.

    2. Отсоедините разъем S54 ЭБУ и приемника системы предупреждения о ненадлежащем давлении в шинах.*1

    3. Отсоедините разъем R23 ЭБУ с приемником системы предупреждения о ненадлежащем давлении в шинах.*2

    4. Отсоедините разъем N12 панели облицовки левой передней двери в сборе (лампы рассеянного освещения левой передней двери).*3

    5. Отсоедините разъем М12 панели облицовки правой передней двери в сборе (лампы рассеянного освещения правой передней двери).*3

    6. Отсоедините разъем Q6 панели облицовки левой задней двери в сборе (лампы рассеянного освещения левой задней двери).*3

    7. Отсоедините разъем Q5 панели облицовки правой задней двери в сборе (лампы рассеянного освещения правой задней двери).*3

    8. Отсоедините разъем J13 левой лампы освещения салона № 1 в сборе (лампы освещения левого углубления для ног).

    9. Отсоедините разъем J37 правой лампы освещения салона № 1 в сборе (лампы освещения правого углубления для ног).

    10. Отсоедините разъем J18 лампы освещения салона № 1 в сборе (лампы передней консоли).

    11. Отсоедините разъем K10 лампы освещения салона в сборе (лампы рассеянного освещения панели приборов).*4

    12. Отсоедините разъем J50 радиоприемника.*5

    13. Отсоедините разъем J52 радиоприемника.*6

    14. Отсоедините разъем J56 многофункционального дисплея.*7

    15. Отсоедините разъем J137 вспомогательного индикатора.*8

    16. Отсоедините разъем g1 сенсорного пульта дистанционного управления (панели дистанционного управления).*5

    17. Отсоедините разъем J59 аудиоконтроллера дисплея LEXUS (панели дистанционного управления).*6

    18. Отсоедините разъем X2 левого датчика системы контроля слепых зон.*9

    19. Отсоедините разъем W2 правого датчика системы контроля слепых зон.*9

    20. Отсоедините разъем A70 датчика радара миллиметрового диапазона.*10

    21. Отсоедините разъем A72 ЭБУ помощи при движении.*10

    22. Отсоедините разъем J75 ЭБУ сетевого шлюза.

    23. Отсоедините разъем U14 передней камеры распознавания объектов.*10

    24. Отсоедините разъем J73 ЭБУ системы помощи при парковке.*11

    25. Отсоедините разъем J38 ЭБУ предупреждения о недопустимой дистанции.*12

    26. Отсоедините разъем K1 зеркала щитка приборов.*13

    27. Отсоедините разъем 2C распределительного блока панели приборов.

    28. Измерьте сопротивление в соответствии со значениями, приведенными в таблице ниже.

      Номинальное сопротивление

      Подключение диагностического прибора

      Условие

      Заданные условия

      J46-2 (B41) - R23-7 (+B)*2

      Всегда

      Менее 1 Ом

      J46-2 (B41) - g1-1 (+B)*8

      Всегда

      Менее 1 Ом

      J46-2 (B41) - J73-2 (+B)*11

      Всегда

      Менее 1 Ом

      J46-2 (B41) - K1-1 (B)*13

      Всегда

      Менее 1 Ом

      J46-2 (B41) - 2C-7

      Всегда

      Менее 1 Ом

      J46-12 (B42) - J50-17 (+B1)*5

      Всегда

      Менее 1 Ом

      J46-12 (B42) - J52-4 (+B1)*6

      Всегда

      Менее 1 Ом

      J46-11 (B43) - J56-12 (B)*7

      Всегда

      Менее 1 Ом

      J46-11 (B43) - J137-12 (B)*8

      Всегда

      Менее 1 Ом

      J46-11 (B43) - N12-1 (+)*3

      Всегда

      Менее 1 Ом

      J46-11 (B43) - M12-1 (+)*3

      Всегда

      Менее 1 Ом

      J46-11 (B43) - Q6-1 (+)*3

      Всегда

      Менее 1 Ом

      J46-11 (B43) - Q5-1 (+)*3

      Всегда

      Менее 1 Ом

      J46-11 (B43) - J13-2 (B)

      Всегда

      Менее 1 Ом

      J46-11 (B43) - J37-2 (B)

      Всегда

      Менее 1 Ом

      J46-11 (B43) - J18-2 (B)

      Всегда

      Менее 1 Ом

      J46-11 (B43) - K10-2 (RRIL)*4

      Всегда

      Менее 1 Ом

      J46-3 (IG41) - S54-1 (IG)*1

      Всегда

      Менее 1 Ом

      J46-3 (IG41) - R23-1 (IG)*2

      Всегда

      Менее 1 Ом

      J46-3 (IG41) - X2-5 (BLB)*9

      Всегда

      Менее 1 Ом

      J46-3 (IG41) - W2-5 (BRB)*9

      Всегда

      Менее 1 Ом

      J46-3 (IG41) - A70-8 (IGB)*10

      Всегда

      Менее 1 Ом

      J46-3 (IG41) - A72-7 (B)*10

      Всегда

      Менее 1 Ом

      J46-3 (IG41) - J75-11 (IG1)

      Всегда

      Менее 1 Ом

      J46-3 (IG41) - U14-7 (IGB)*10

      Всегда

      Менее 1 Ом

      J46-3 (IG41) - J73-6 (IG)*11

      Всегда

      Менее 1 Ом

      J46-3 (IG41) - J38-1 (IG)*12

      Всегда

      Менее 1 Ом

      J46-3 (IG41) - K1-2 (IG)*13

      Всегда

      Менее 1 Ом

      J46-2 (B41) - масса

      Всегда

      10 кОм или более

      J46-12 (B42) - масса

      Всегда

      10 кОм или более

      J46-11 (B43) - масса

      Всегда

      10 кОм или более

      J46-3 (IG41) - масса

      Всегда

      10 кОм или более

      2C-7 - масса

      Всегда

      10 кОм или более

      • *1: для ЭБУ и приемника системы предупреждения о ненадлежащем давлении в шинах (отдельного)

      • *2: для ЭБУ и приемника системы предупреждения о ненадлежащем давлении в шинах объединенных с приемником электронного ключа

      • *3: для моделей с лампой рассеянного освещения двери

      • *4: для моделей с лампой рассеянного освещения панели приборов

      • *5: для моделей с системой навигации или аудиовизуальной системой (для моделей с 12,3-дюймовым дисплеем)

      • *6: для моделей с аудиовизуальной системой (для моделей с 8-дюймовым дисплеем)

      • *7: для 8-дюймового дисплея

      • *8: для 12,3-дюймового дисплея

      • *9: для моделей с системой контроля слепых зон

      • *10: для моделей с системой безопасности Lexus +

      • *11: для моделей с системой панорамного обзора

      • *12: для моделей с сенсорной системой помощи при парковке Lexus

      • *13: для моделей с системой блока индикации на ветровом стекле

    Результат

    Перейти к

    OK

    НЕ СООТВ.

    НЕ СООТВ.

    ОТРЕМОНТИРУЙТЕ ИЛИ ЗАМЕНИТЕ ЖГУТ ПРОВОДОВ ИЛИ РАЗЪЕМ

    СООТВ
  3. ПРОВЕРЬТЕ РАСПРЕДЕЛИТЕЛЬНЫЙ БЛОК ПАНЕЛИ ПРИБОРОВ В СБОРЕ (РЕЛЕ DOME CUT NO. 2)

    1. Снимите распределительный блок панели приборов в сборе.

      Нажмите здесьClick hereClick here

    2. Измерьте сопротивление в соответствии со значениями, приведенными в таблице ниже.

      B412499C33

      *A

      Для моделей с левосторонним рулевым управлением

      *B

      Для моделей с правосторонним рулевым управлением

      *1

      Главный ЭБУ кузова (бортовой ЭБУ сети мультиплексной связи)

      -

      -

      Номинальное сопротивление

      Подключение диагностического прибора

      Условие

      Заданные условия

      2B-5 - 2C-7

      Положительный (+) вывод аккумуляторной батареи → 2A-16

      Отрицательный (-) вывод аккумуляторной батареи → 2A-19

      Менее 1 Ом

      Аккумуляторная батарея не подсоединена к контактам 2A-16 и 2A-19

      10 кОм или более

      2A-16 или 2A-19 - 2C-7

      Всегда

      10 кОм или более

    Результат

    Перейти к

    OK

    НЕ СООТВ.

    НЕ СООТВ.

    ОТРЕМОНТИРУЙТЕ ИЛИ ЗАМЕНИТЕ ЖГУТ ПРОВОДОВ ИЛИ РАЗЪЕМ

    СООТВ
  4. ПРОВЕРЬТЕ ЖГУТ ПРОВОДОВ И РАЗЪЕМ (РАСПРЕДЕЛИТЕЛЬНЫЙ БЛОК ПАНЕЛИ ПРИБОРОВ (РЕЛЕ DOME CUT NO. 2) — ЛАМПА ИНДИВИДУАЛЬНОГО ОСВЕЩЕНИЯ)

    1. Отсоедините разъем 2B распределительного блока панели приборов.

    2. Отсоедините разъем U13 лампы направленного освещения в сборе.

    3. Измерьте сопротивление в соответствии со значениями, приведенными в таблице ниже.

      Номинальное сопротивление

      Подключение диагностического прибора

      Условие

      Заданные условия

      2B-5 - U13-2 (B)

      Всегда

      Менее 1 Ом

      2B-5 - масса

      Всегда

      10 кОм или более

      U13-2 (B) - масса

      Всегда

      10 кОм или более

    Результат

    Перейти к

    OK

    НЕ СООТВ.

    НЕ СООТВ.

    ОТРЕМОНТИРУЙТЕ ИЛИ ЗАМЕНИТЕ ЖГУТ ПРОВОДОВ ИЛИ РАЗЪЕМ

    СООТВ
  5. ПРОВЕРЬТЕ ЭБУ ЗАПУСКА И ОСТАНОВА ДВИГАТЕЛЯ

    1. Отсоедините разъемы A65, A66 и J46 ЭБУ запуска и останова двигателя.

      B412468C22

      *a

      Устройство с отсоединенным жгутом проводов

      (ЭБУ запуска и останова двигателя)

      -

      -

    2. Измерьте сопротивление в соответствии со значениями, приведенными в таблице.

      Номинальное сопротивление

      Подключение диагностического прибора

      Условие

      Заданные условия

      J46-3 (IG41) - A66-6 (DGND)

      Всегда

      10 кОм или более

      J46-2 (B41) -A66-6 (DGND)

      Всегда

      10 кОм или более

      J46-11 (B43) -A66-6 (DGND)

      Всегда

      10 кОм или более

      J46-12 (B42) -A66-6 (DGND)

      Всегда

      10 кОм или более

    Результат

    Перейти к

    OK

    НЕ СООТВ.

    НЕ СООТВ.

    ЗАМЕНИТЕ ЭБУ ЗАПУСКА И ОСТАНОВА ДВИГАТЕЛЯ

    Нажмите здесьClick hereClick here

    СООТВ
  6. ПРОВЕРЬТЕ СОСТОЯНИЕ АВТОМОБИЛЯ (ЦЕПИ B41, B42, B43, IG41)

    1. Убедитесь, что дополнительные устройства, установленные на автомобиле (аудиовизуальная система и т.д.), не подключены к цепи контакта B41, B42, B43 или IG41 ЭБУ запуска и останова двигателя.

      Result

      Result

      Перейдите к

      Отсутствует нагрузка в виде дополнительного устройства, установленного на автомобиле (аудиовизуальная система и т.д.).

      A

      Имеется нагрузка в виде дополнительного устройства, установленного на автомобиле (аудиовизуальная система и т.д.).

      B

    А

    ВЫПОЛНИТЕ ДИАГНОСТИКУ ЭБУ, ПОДКЛЮЧЕННЫХ К КОНТАКТАМ B41, B42, B43 И IG41

    B

    КОНЕЦ (ОТКЛЮЧИТЕ ДОПОЛНИТЕЛЬНОЕ УСТРОЙСТВО)