AIRBAG SYSTEM(w/ Occupant Classification System), Diagnostic DTC:B1660/43

DTC Code DTC Name
B1660/43 Passenger Airbag ON/OFF Indicator Circuit Malfunction

DESCRIPTION

The passenger airbag ON/OFF indicator circuit consists of the airbag sensor assembly and passenger airbag ON/OFF indicator.

The passenger airbag ON/OFF indicator indicates the operation condition of the instrument panel passenger airbag assembly and front seat airbag assembly RH and LH.

DTC B1660/43 is stored when a malfunction is detected in the passenger airbag ON/OFF indicator circuit.

DTC No.

Detection Item

DTC Detection Condition

Trouble Area

B1660/43

Passenger Airbag ON/OFF Indicator Circuit Malfunction

One of the following conditions is met:

  • The airbag sensor assembly detects an open circuit signal, short circuit to ground signal or short circuit to B+ signal in the passenger airbag ON/OFF indicator circuit for 2 seconds.

  • A passenger airbag ON/OFF indicator malfunction.

  • An airbag sensor assembly malfunction.

  • Instrument panel wire

  • Telltale light assembly

  • Airbag sensor assembly

WIRING DIAGRAM

C253695E06

CAUTION / NOTICE / HINT

Note:
  • After turning the power switch off, waiting time may be required before disconnecting the cable from the negative (-) auxiliary battery terminal. Therefore, make sure to read the disconnecting the cable from the negative (-) auxiliary battery terminal notices before proceeding with work.

    Click hereClick hereClick hereClick here

  • When disconnecting the cable from the negative (-) auxiliary battery terminal while performing repairs, some systems need to be initialized after the cable is reconnected.

    Click hereClick hereClick here

  • After replacing the airbag sensor assembly, refer to initialization.

    Click hereClick hereClick here

PROCEDURE

  1. CHECK PASSENGER AIRBAG ON/OFF INDICATOR CONDITION

    1. Turn the power switch to on (IG).

    2. Check the passenger airbag ON/OFF indicator operation.

      Tip:

      Refer to the normal condition of the passenger airbag ON/OFF indicator.

      Click here

      C280059E45

      Result

      ON/OFF Indicator Illumination

      Proceed to

      One or both indicators are always on

      A

      Both indicators are always off

      B

    B

    CHECK CONNECTION OF CONNECTORSClick here

    A
  2. CHECK CONNECTION OF CONNECTORS

    1. Turn the power switch off.

    2. Disconnect the cable from the negative (-) auxiliary battery terminal, and wait for at least 90 seconds.

    3. Check that the connectors are properly connected to the airbag sensor assembly and telltale light assembly.

    Result

    Proceed to

    The connectors are properly connected

    The connectors are not properly connected

    The connectors are not properly connected

    CONNECT CONNECTORS PROPERLY

    The connectors are properly connected
  3. CHECK CONNECTORS

    1. Disconnect the connectors from the airbag sensor assembly and telltale light assembly.

    2. C214663C03

      *1

      Telltale Light Assembly

      *2

      Airbag Sensor Assembly

      *3

      Instrument Panel Wire

      Check that the connectors (on the Airbag Sensor Assembly side and telltale light assembly side) are not damaged.

    Result

    Proceed to

    The connectors are not deformed or damaged

    The connectors are deformed or damaged

    The connectors are deformed or damaged

    REPLACE INSTRUMENT PANEL WIRE

    The connectors are not deformed or damaged
  4. CHECK PASSENGER AIRBAG ON/OFF INDICATOR

    1. E272020

      Connect the connector to the telltale light assembly.

    2. Connect the cable to the negative (-) auxiliary battery terminal, and wait for at least 2 seconds.

    3. Turn the power switch to on (IG).

    4. Check the passenger airbag ON/OFF indicator operation.

    Result

    Proceed to

    The passenger airbag ON/OFF indicator does not come on

    The passenger airbag ON/OFF indicator does come on

    The passenger airbag ON/OFF indicator does come on

    CHECK INSTRUMENT PANEL WIREClick here

    The passenger airbag ON/OFF indicator does not come on
  5. CHECK AIRBAG SENSOR ASSEMBLY

    1. C214664C01

      *1

      Telltale Light Assembly

      *2

      Airbag Sensor Assembly

      Connect the connector to the airbag sensor assembly.

    2. Connect the cable to the negative (-) auxiliary battery terminal, and wait for at least 2 seconds.

    3. Turn the power switch to on (IG), and wait for at least 60 seconds.

    4. Clear the DTCs.

      Click here

      Body Electrical > SRS Airbag > Clear DTCs

    5. Turn the power switch off.

    6. Turn the power switch to on (IG), and wait for at least 60 seconds.

    7. Check for DTCs.

      Click here

      Body Electrical > SRS Airbag > Trouble Codes

      Result

      Proceed to

      DTC B1660/43 is not output

      DTC B1660/43 is output

      Tip:

      Codes other than DTC B1660/43 may be output at this time, but they are not related to this check.

    DTC B1660/43 is not output

    USE SIMULATION METHOD TO CHECK

    DTC B1660/43 is output

    REPLACE AIRBAG SENSOR ASSEMBLY

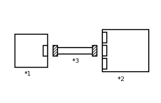
  6. CHECK INSTRUMENT PANEL WIRE

    1. Disconnect the connector from the telltale light assembly.

      E272031C01

      *1

      Telltale Light Assembly

      *2

      Airbag Sensor Assembly

      *3

      Instrument Panel Wire

      *4

      Connector C

      *5

      Connector B

      *6

      Service Wire

      *a

      Front view of wire harness connector

      (to Telltale Light Assembly)

      *b

      Rear view of wire harness connector

      (to Airbag Sensor Assembly)

    2. Connect the cable to the negative (-) auxiliary battery terminal, and wait for at least 2 seconds.

    3. Turn the power switch to on (IG).

    4. Measure the voltage according to the value(s) in the table below.

      Standard Voltage

      Tester Connection

      Switch Condition

      Specified Condition

      G43-11 (P-AB) - Body ground

      Power switch on (IG)

      Below 1 V

      G43-12 (PAON) - Body ground

      Power switch on (IG)

      Below 1 V

    5. Turn the power switch off.

    6. Disconnect the cable from the negative (-) auxiliary battery terminal, and wait for at least 90 seconds.

    7. Using a service wire, connect terminals 23 (PAON) and 17 (P-AB) of connector B.

      Note:

      Do not forcibly insert the service wire into the terminals of the connector when connecting a service wire.

    8. Measure the resistance according to the value(s) in the table below.

      Standard Resistance

      Tester Connection

      Condition

      Specified Condition

      G43-11 (P-AB) - G43-12 (PAON)

      Always

      Below 1 Ω

    9. Disconnect the service wire from connector B.

    10. Measure the resistance according to the value(s) in the table below.

      Standard Resistance

      Tester Connection

      Condition

      Specified Condition

      G43-11 (P-AB) - G43-12 (PAON)

      Always

      1 MΩ or higher

      G43-11 (P-AB) - Body ground

      Always

      1 MΩ or higher

      G43-12 (PAON) - Body ground

      Always

      1 MΩ or higher

    Result

    Proceed to

    OK

    NG

    OK

    REPLACE TELLTALE LIGHT ASSEMBLY

    NG

    REPLACE INSTRUMENT PANEL WIRE

  7. CHECK CONNECTION OF CONNECTORS

    1. Turn the power switch off.

    2. Disconnect the cable from the negative (-) auxiliary battery terminal, and wait for at least 90 seconds.

    3. Check that the connectors are properly connected to the airbag sensor assembly and telltale light assembly.

      Result

      Proceed to

      The connectors are properly connected

      The connectors are not properly connected

    The connectors are not properly connected

    CONNECT CONNECTORS PROPERLY

    The connectors are properly connected
  8. CHECK CONNECTORS

    1. Disconnect the connectors from the airbag sensor assembly and telltale light assembly.

    2. C214663C03

      *1

      Telltale Light Assembly

      *2

      Airbag Sensor Assembly

      *3

      Instrument Panel Wire

      Check that the connectors (on the airbag sensor assembly side and telltale light assembly side) are not damaged.

    Result

    Proceed to

    The connectors are not deformed or damaged

    The connectors are deformed or damaged

    The connectors are deformed or damaged

    REPLACE INSTRUMENT PANEL WIRE

    The connectors are not deformed or damaged
  9. CHECK INSTRUMENT PANEL WIRE

    1. Connect the cable to the negative (-) auxiliary battery terminal, and wait for at least 2 seconds.

      E272031C01

      *1

      Telltale Light Assembly

      *2

      Airbag Sensor Assembly

      *3

      Instrument Panel Wire

      *4

      Connector C

      *5

      Connector B

      *6

      Service Wire

      *a

      Front view of wire harness connector

      (to Telltale Light Assembly)

      *b

      Rear view of wire harness connector

      (to Airbag Sensor Assembly)

    2. Turn the power switch to on (IG).

    3. Measure the voltage according to the value(s) in the table below.

      Standard Voltage

      Tester Connection

      Switch Condition

      Specified Condition

      G43-11 (P-AB) - Body ground

      Power switch on (IG)

      Below 1 V

      G43-12 (PAON) - Body ground

      Power switch on (IG)

      Below 1 V

    4. Turn the power switch off.

    5. Disconnect the cable from the negative (-) auxiliary battery terminal, and wait for at least 90 seconds.

    6. Using a service wire, connect terminals 23 (PAON) and 17 (P-AB) of connector B.

      Note:

      Do not forcibly insert the service wire into the terminals of the connector when connecting a service wire.

    7. Measure the resistance according to the value(s) in the table below.

      Standard Resistance

      Tester Connection

      Condition

      Specified Condition

      G43-11 (P-AB) - G43-12 (PAON)

      Always

      Below 1 Ω

    8. Disconnect the service wire from connector B.

    9. Measure the resistance according to the value(s) in the table below.

      Standard Resistance

      Tester Connection

      Condition

      Specified Condition

      G43-11 (P-AB) - G43-12 (PAON)

      Always

      1 MΩ or higher

      G43-11 (P-AB) - Body ground

      Always

      1 MΩ or higher

      G43-12 (PAON) - Body ground

      Always

      1 MΩ or higher

    Result

    Proceed to

    OK

    NG

    NG

    REPLACE INSTRUMENT PANEL WIRE

    OK
  10. CHECK PASSENGER AIRBAG ON/OFF INDICATOR (SOURCE VOLTAGE)

    1. C279117C01

      *a

      Front view of wire harness connector

      (to Telltale Light Assembly)

      Connect the connectors to the airbag sensor assembly.

    2. Connect the cable to the negative (-) auxiliary battery terminal, and wait for at least 2 seconds.

    3. Turn the power switch to on (IG).

    4. Measure the voltage according to the value(s) in the table below.

      Standard Voltage

      Tester Connection

      Switch Condition

      Specified Condition

      G43-9 (LAPB) - Body ground

      Power switch on (IG)

      11 to 14 V

    Result

    Proceed to

    OK

    NG

    NG

    REPAIR OR REPLACE HARNESS OR CONNECTOR

    OK
  11. CHECK PASSENGER AIRBAG ON/OFF INDICATOR

    1. C213932C02

      *a

      Rear view of wire harness connector

      (to Airbag Sensor Assembly)

      Turn the power switch off.

    2. Disconnect the cable from the negative (-) auxiliary battery terminal, and wait for at least 90 seconds.

    3. Connect the connector to the telltale light assembly.

    4. Disconnect the connectors from the airbag sensor assembly.

    5. Using a service wire, connect terminal 23 (PAON) and body ground.

    6. Using a service wire, connect terminal 17 (P-AB) and body ground.

    7. Connect the cable to the negative (-) auxiliary battery terminal, and wait for at least 2 seconds.

    8. Turn the power switch to on (IG).

    9. Check the indicator according to the table below.

      OK

      Tester Connection

      Switch Condition

      Passenger Airbag ON/OFF Indicator

      G92-23 (PAON) - Body ground

      Power switch on (IG)

      "ON" comes on

      G92-17 (P-AB) - Body ground

      Power switch on (IG)

      "OFF" comes on

    Result

    Proceed to

    OK

    NG

    NG

    REPLACE TELLTALE LIGHT ASSEMBLY

    OK
  12. CHECK AIRBAG SENSOR ASSEMBLY

    1. C214664C02

      *1

      Telltale Light Assembly

      *2

      Airbag Sensor Assembly

      Turn the power switch off.

    2. Disconnect the cable from the negative (-) auxiliary battery terminal, and wait for at least 90 seconds.

    3. Connect the connectors to the airbag sensor assembly.

    4. Connect the cable to the negative (-) auxiliary battery terminal and wait for at least 2 seconds.

    5. Turn the power switch to on (IG), and wait for at least 60 seconds.

    6. Clear the DTCs.

      Click here

      Body Electrical > SRS Airbag > Clear DTCs

    7. Turn the power switch off.

    8. Turn the power switch to on (IG), and wait for at least 60 seconds.

    9. Check for DTCs.

      Click here

      Body Electrical > SRS Airbag > Trouble Codes

      Result

      Proceed to

      DTC B1660/43 is not output

      DTC B1660/43 is output

      Tip:

      Codes other than DTC B1660/43 may be output at this time, but they are not related to this check.

    DTC B1660/43 is not output

    USE SIMULATION METHOD TO CHECK

    DTC B1660/43 is output

    REPLACE AIRBAG SENSOR ASSEMBLY