WIPER AND WASHER SYSTEM Washer Motor Circuit

DESCRIPTION

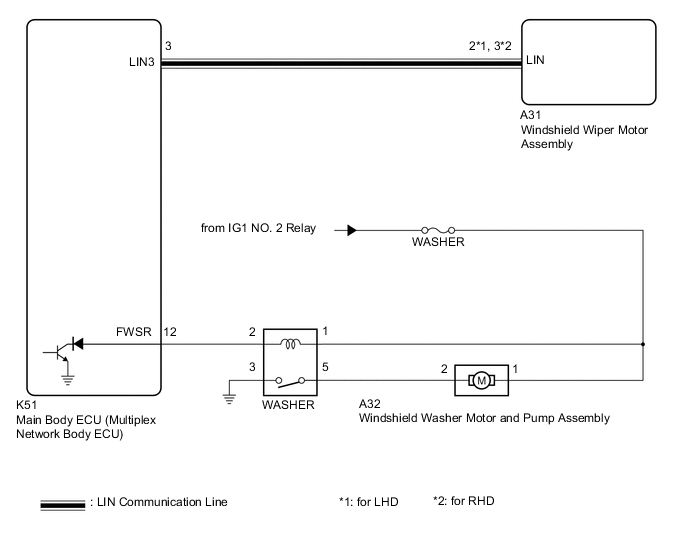
When the windshield washer motor and pump assembly receives signals from the windshield wiper switch assembly it operates to spray washer fluid from the washer nozzle sub-assemblies.

WIRING DIAGRAM

B0087V0E04

CAUTION / NOTICE / HINT

Note


  • Inspect the fuses for circuits related to this system before performing the following procedure.

  • The vehicle battery supplies power to the main body ECU (multiplex network body ECU) via the door control battery. Therefore, before performing this troubleshooting procedure, make sure to perform an on-vehicle inspection to confirm that the main body ECU (multiplex network body ECU) power source circuit is normal.*1

    Click here

  • Before replacing the main body ECU (multiplex network body ECU), refer to Service Bulletin.*2


    • *1: w/ Door Control Battery

    • *2: w/ Smart Entry and Start System

PROCEDURE


  1. PERFORM ACTIVE TEST USING GTS


    1. Connect the GTS to the DLC3.

    2. Turn the ignition switch to ON.

    3. Turn the GTS on.

    4. Enter following menus: Body Electrical / Main Body / Active Test.

    5. Perform the Active Test according to the display on the GTS.


      Body Electrical > Main Body > Active Test
      Tester Display Measurement Item Control Range Diagnostic Note
      Front Washer Relay Function to operate the windshield washer motor and pump assembly OFF or ON -

      Body Electrical > Main Body > Active Test
      Tester Display
      Front Washer Relay
      OK
      Windshield washer motor and pump assembly operates normally.
      Result
      Proceed to
      OK
      NG

    OK
    NG
  2. INSPECT WINDSHIELD WASHER MOTOR AND PUMP ASSEMBLY


    1. Remove the windshield washer motor and pump assembly.

      Click here

    2. Inspect the windshield washer motor and pump assembly.

      Click here

      Result
      Proceed to
      OK
      NG

    NG
    OK
  3. INSPECT WASHER RELAY


    1. Inspect the WASHER relay.

      Click here

      Result
      Proceed to
      OK
      NG

    NG
    OK
  4. CHECK HARNESS AND CONNECTOR (POWER SOURCE - WASHER RELAY)


    1. Measure the voltage according to the value(s) in the table below.

      Standard Voltage
      Tester Connection Condition Specified Condition
      1 (WASHER relay) - Body ground Ignition switch off Below 1 V
      Ignition switch ON 11 to 14 V
      Result
      Proceed to
      OK
      NG

    NG
    OK
  5. CHECK HARNESS AND CONNECTOR (POWER SOURCE - WINDSHIELD WASHER MOTOR AND PUMP ASSEMBLY)


    1. Measure the voltage according to the value(s) in the table below.

      Standard Voltage
      Tester Connection Condition Specified Condition
      A32-1 - Body ground Ignition switch off Below 1 V
      Ignition switch ON 11 to 14 V
      Result
      Proceed to
      OK
      NG

    NG
    OK
  6. CHECK HARNESS AND CONNECTOR (WASHER RELAY - WINDSHIELD WASHER MOTOR AND PUMP ASSEMBLY)


    1. Measure the resistance according to the value(s) in the table below.

      Standard Resistance
      Tester Connection Condition Specified Condition
      5 (WASHER relay) - A32-2 Always Below 1 Ω
      5 (WASHER relay) or A32-2 - Body ground Always 10 kΩ or higher
      Result
      Proceed to
      OK
      NG

    NG
    OK
  7. CHECK HARNESS AND CONNECTOR (WASHER RELAY - BODY GROUND)


    1. Measure the resistance according to the value(s) in the table below.

      Standard Resistance
      Tester Connection Condition Specified Condition
      3 (WASHER relay) - Body ground Always Below 1 Ω
      Result
      Proceed to
      OK
      NG

    NG
    OK
  8. CHECK HARNESS AND CONNECTOR (MAIN BODY ECU (MULTIPLEX NETWORK BODY ECU) - WASHER RELAY)


    1. Disconnect the K51 main body ECU (multiplex network body ECU) connector.

    2. Measure the resistance according to the value(s) in the table below.

      Standard Resistance
      Tester Connection Condition Specified Condition
      K51-12 (FWSR) - 2 (WASHER relay) Always Below 1 Ω
      K51-12 (FWSR) or 2 (WASHER relay) - Body ground Always 10 kΩ or higher
      Result
      Proceed to
      OK
      NG

    OK
    NG