RELAY ON-VEHICLE INSPECTION

PROCEDURE

  1. INSPECT WASHER HEATER RELAY (w/ Washer Nozzle Heater)

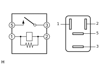
    1. E226254N05

      Remove the washser heater relay.

    2. Measure the resistance according to the value(s) in the table below.

      Standard Resistance

      Tester Connection

      Condition

      Specified Condition

      3 - 5

      Voltage is not applied between terminals 1 and 2

      10 kΩ or higher

      3 - 5

      Voltage is applied between terminals 1 and 2

      Below 1 Ω

      If the result is not as specified, replace the washser heater relay.