СИСТЕМА ДИСТАНЦИОННОЙ БЛОКИРОВКИ ДВЕРЕЙ СХЕМА СИСТЕМЫ

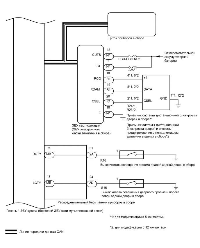
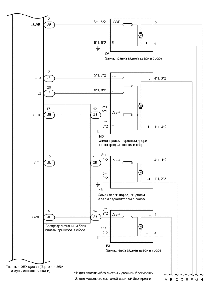
  1. Система дистанционной блокировки дверей (для моделей с левосторонним рулевым управлением)

    B440737E03
    B417845E13
    B417867E11
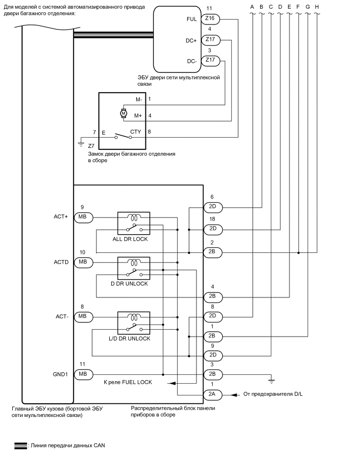
    B440767E01
    B440768E01
    Table 1. Таблица обмена данными

    уровня

    Приемник

    Сигнал

    Линия

    ЭБУ сертификации

    (ЭБУ электронного ключа зажигания в сборе)

    Главный ЭБУ кузова

    (бортовой ЭБУ сети мультиплексной связи)

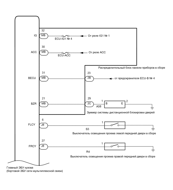
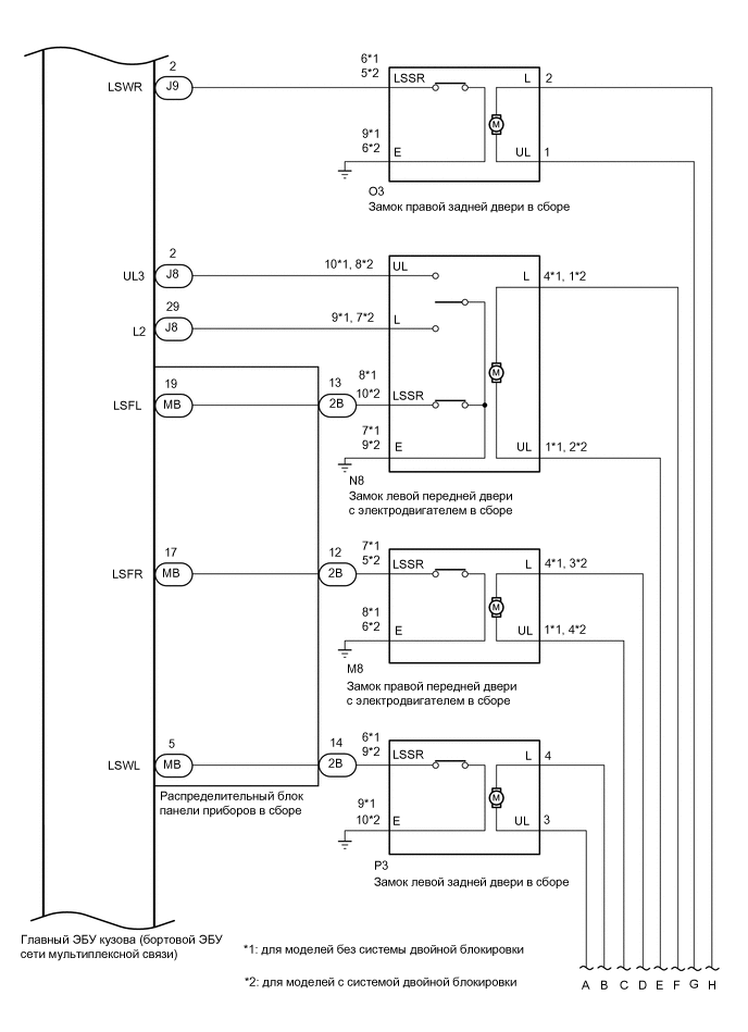
    • Сигнал дистанционной блокировки/разблокировки двери

    • Сигнал запроса звучания зуммера системы дистанционной блокировки дверей

    CAN

    Главный ЭБУ кузова

    (бортовой ЭБУ сети мультиплексной связи)

    Щиток приборов в сборе

    Сигнал запроса включения ламп аварийной сигнализации системы дистанционной блокировки дверей

    CAN

    ЭБУ двери сети мультиплексной связи

    Главный ЭБУ кузова (бортовой ЭБУ сети мультиплексной связи)

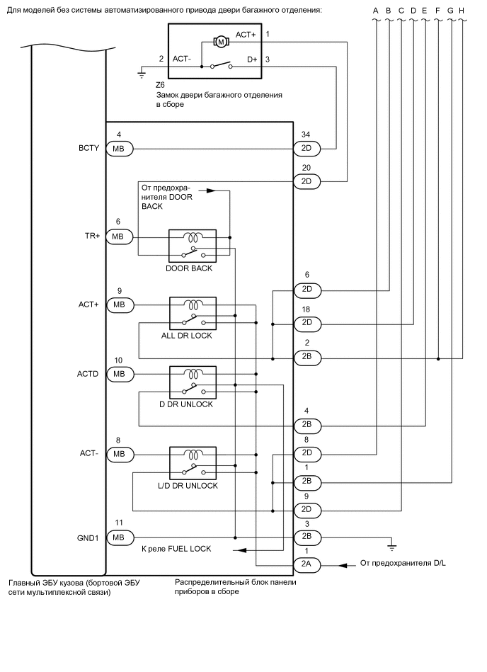
    Сигнал управления автоматизированной дверью багажного отделения

    CAN

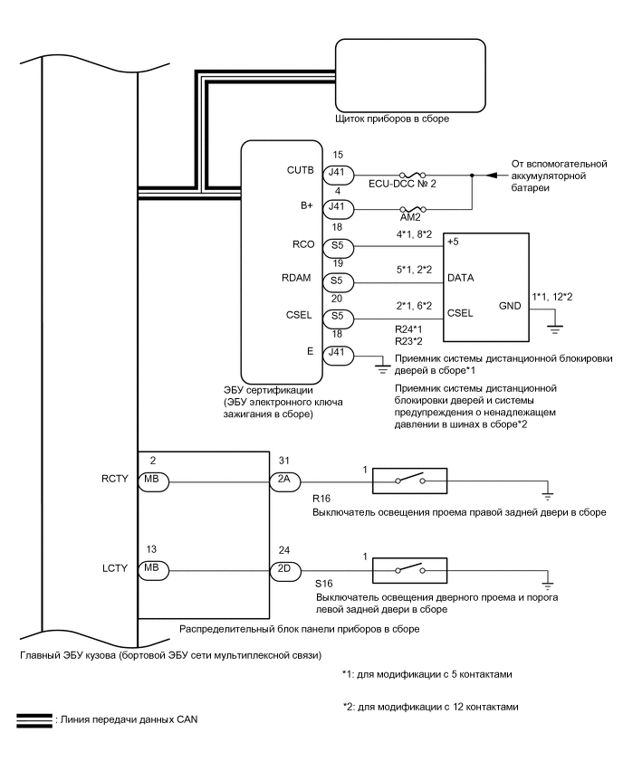
  2. Система дистанционной блокировки дверей (для моделей с правосторонним рулевым управлением)

    B399820E04
    B417845E12
    B417867E10
    B417840E09
    B417909E09
    Table 2. Таблица обмена данными

    уровня

    Приемник

    Сигнал

    Линия

    ЭБУ сертификации

    (ЭБУ электронного ключа зажигания в сборе)

    Главный ЭБУ кузова

    (бортовой ЭБУ сети мультиплексной связи)

    • Сигнал дистанционной блокировки/разблокировки двери

    • Сигнал запроса звучания зуммера системы дистанционной блокировки дверей

    CAN

    Главный ЭБУ кузова

    (бортовой ЭБУ сети мультиплексной связи)

    Щиток приборов в сборе

    Сигнал запроса включения ламп аварийной сигнализации системы дистанционной блокировки дверей

    CAN

    ЭБУ двери сети мультиплексной связи

    Главный ЭБУ кузова (бортовой ЭБУ сети мультиплексной связи)

    Сигнал управления автоматизированной дверью багажного отделения

    CAN