РЕЛЕ ПРОВЕРКА БЕЗ СНЯТИЯ С АВТОМОБИЛЯ

ПОРЯДОК ВЫПОЛНЕНИЯ

  1. ПРОВЕРЬТЕ РЕЛЕ ПЕРЕКЛЮЧАТЕЛЯ СВЕТА ФАР

    1. E298605

      Извлеките реле переключателя света фар из блока реле моторного отсека.

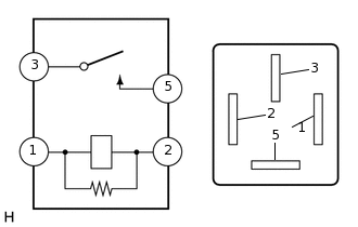
    2. E256069N01

      Проверьте реле переключателя света фар.

      1. Измерьте сопротивление в соответствии со значениями, приведенными в таблице.

        Номинальное сопротивление

        Подключение диагностического прибора

        Условие

        Заданные условия

        3 - 5

        Напряжение аккумуляторной батареи не подается на контакты 1 и 2

        10 кОм или более

        Напряжение аккумуляторной батареи подается на контакты 1 и 2

        Менее 1 Ом

        Если результат проверки не отвечает требованиям, замените реле переключателя света фар.

    3. Установите реле переключателя света фар в блок реле моторного отсека.

  2. ПРОВЕРЬТЕ РЕЛЕ ФАР № 2

    1. E298610

      Извлеките реле фар № 2 из блока реле моторного отсека № 2.

    2. E256070N01

      Проверьте реле фар № 2.

      1. Измерьте сопротивление в соответствии со значениями, приведенными в таблице.

        Номинальное сопротивление

        Подключение диагностического прибора

        Условие

        Заданные условия

        3 - 5

        Напряжение аккумуляторной батареи не подается на контакты 1 и 2

        10 кОм или более

        Напряжение аккумуляторной батареи подается на контакты 1 и 2

        Менее 1 Ом

        Если результат не отвечает требованиям, замените реле фар № 2.

    3. Установите реле фар № 2 в блок реле № 2 моторного отсека.

  3. ПРОВЕРЬТЕ РЕЛЕ ПРОТИВОТУМАННЫХ ФАР

    1. E298609

      Извлеките реле противотуманных фар из блока реле моторного отсека № 2.

    2. E256070N01

      Проверьте реле противотуманных фар.

      1. Измерьте сопротивление в соответствии со значениями, приведенными в таблице ниже.

        Номинальное сопротивление

        Подключение диагностического прибора

        Условие

        Заданные условия

        3 - 5

        Напряжение аккумуляторной батареи не подается на контакты 1 и 2

        10 кОм или более

        Напряжение аккумуляторной батареи подается на контакты 1 и 2

        Менее 1 Ом

        Если результат проверки не отвечает требованиям, замените реле противотуманных фар.

    3. Установите реле противотуманной фары в блок реле № 2 моторного отсека.

  4. ПРОВЕРЬТЕ РЕЛЕ ЗАДНИХ ПРОТИВОТУМАННЫХ ФОНАРЕЙ

    1. Снимите многофункциональный дисплей в сборе.

      Нажмите здесьЩелкните по следующей ссылкеЩелкните по следующей ссылке

    2. E298611

      Снимите реле задних противотуманных фонарей из блока реле панели приборов.

    3. E256070N01

      Проверьте реле задних противотуманных фонарей.

      1. Измерьте сопротивление в соответствии со значениями, приведенными в таблице.

        Номинальное сопротивление

        Подключение диагностического прибора

        Условие

        Заданные условия

        3 - 5

        Напряжение аккумуляторной батареи не подается на контакты 1 и 2

        10 кОм или более

        Напряжение аккумуляторной батареи подается на контакты 1 и 2

        Менее 1 Ом

        Если результат проверки не отвечает требованиям, замените реле задних противотуманных фонарей.

    4. Установите реле задних противотуманных фонарей в блок реле панели приборов.

    5. Установите многофункциональный дисплей в сборе.

      Нажмите здесьЩелкните по следующей ссылкеЩелкните по следующей ссылке