ПЕРЕКЛЮЧАТЕЛЬ СТЕКЛООЧИСТИТЕЛЯ ПРОВЕРКА

ПОРЯДОК ВЫПОЛНЕНИЯ

  1. ПРОВЕРЬТЕ ВЫКЛЮЧАТЕЛЬ СТЕКЛООЧИСТИТЕЛЯ ВЕТРОВОГО СТЕКЛА В СБОРЕ (для моделей с левосторонним рулевым управлением)

    1. Для моделей без автоматических стеклоочистителей:

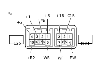
      1. B378850C04

        *a

        Устройство с отсоединенным жгутом проводов

        (переключатель стеклоочистителя ветрового стекла в сборе)

        Измерьте сопротивление в соответствии со значениями, приведенными в таблице.

        Номинальное сопротивление

        Table 1. Переключатель переднего стеклоочистителя

        Подключение диагностического прибора

        Условие

        Номинальное значение

        I125-2 (+B) - I125-3 (+1)

        MIST

        Менее 1 Ом

        I125-3 (+1) - I125-1 (+S)

        OFF (ВЫКЛ)

        I125-3 (+1) - I125-1 (+S)

        INT

        I125-2 (+B) - I125-3 (+1)

        LO

        I125-2 (+B) - I125-4 (+2)

        HI

        Table 2. Выключатель переднего стеклоомывателя

        Подключение диагностического прибора

        Условие

        Номинальное значение

        I124-4 (EW) - I124-7 (WF)

        ON (ВКЛ)

        Менее 1 Ом

        I125-5 (WR) - I125-10 (+B2)

        I124-4 (EW) - I124-7 (WF)

        OFF (ВЫКЛ)

        10 кОм или более

        I125-5 (WR) - I125-10 (+B2)

        Table 3. Переключатель заднего стеклоочистителя

        Подключение диагностического прибора

        Условие

        Номинальное значение

        I124-2 (C1R) - I124-4 (EW)

        OFF (ВЫКЛ)

        10 кОм или более

        I124-3 (+1R) - I124-4 (EW)

        I124-2 (C1R) - I124-4 (EW)

        INT

        Менее 1 Ом

        I124-3 (+1R) - I124-4 (EW)

        ON (ВКЛ)

        Table 4. Переключатель заднего стеклоомывателя

        Подключение диагностического прибора

        Условие

        Номинальное значение

        I124-4 (EW) - I125-5 (WR)

        ON (ВКЛ)

        Менее 1 Ом

        I124-7 (WF) - I125-10 (+B2)

        I124-4 (EW) - I125-5 (WR)

        OFF (ВЫКЛ)

        10 кОм или более

        I124-7 (WF) - I125-10 (+B2)

        Если результат проверки не отвечает требованиям, замените переключатель стеклоочистителя ветрового стекла в сборе.

    2. Для моделей с автоматическими стеклоочистителями:

      1. B378782C01

        *a

        Устройство с отсоединенным жгутом проводов

        (переключатель стеклоочистителя ветрового стекла в сборе)

        *b

        Переключатель стеклоочистителя ветрового стекла в сборе

        (Положение регулировочного кольца)

        Измерьте сопротивление в соответствии со значениями, приведенными в таблице.

        Если результат проверки не отвечает требованиям, замените переключатель стеклоочистителя ветрового стекла в сборе.

        Номинальное сопротивление

        Table 5. Переключатель переднего стеклоочистителя

        Подключение диагностического прибора

        Условие

        Номинальное значение

        I125-2 (+B) - I125-3 (+1)

        MIST

        Менее 1 Ом

        I125-3 (+1) - I125-1 (+S)

        OFF (ВЫКЛ)

        I125-3 (+1) - I125-1 (+S)

        AUTO

        I125-8 (AUTO) - I125-9 (E)

        I125-2 (+B) - I125-3 (+1)

        LO

        I125-2 (+B) - I125-4 (+2)

        HI

        Table 6. Выключатель переднего стеклоомывателя

        Подключение диагностического прибора

        Условие

        Номинальное значение

        I124-4 (EW) - I124-7 (WF)

        ON (ВКЛ)

        Менее 1 Ом

        I125-5 (WR) - I125-10 (+B2)

        I124-4 (EW) - I124-7 (WF)

        OFF (ВЫКЛ)

        10 кОм или более

        I125-5 (WR) - I125-10 (+B2)

        Table 7. Переключатель заднего стеклоочистителя

        Подключение диагностического прибора

        Условие

        Номинальное значение

        I124-2 (C1R) - I124-4 (EW)

        OFF (ВЫКЛ)

        10 кОм или более

        I124-3 (+1R) - I124-4 (EW)

        I124-2 (C1R) - I124-4 (EW)

        INT

        Менее 1 Ом

        I124-3 (+1R) - I124-4 (EW)

        ON (ВКЛ)

        Table 8. Переключатель заднего стеклоомывателя

        Подключение диагностического прибора

        Условие

        Номинальное значение

        I124-4 (EW) - I125-5 (WR)

        ON (ВКЛ)

        Менее 1 Ом

        I124-7 (WF) - I125-10 (+B2)

        I124-4 (EW) - I125-5 (WR)

        OFF (ВЫКЛ)

        10 кОм или более

        I124-7 (WF) - I125-10 (+B2)

        Table 9. Регулировочное кольцо*

        Подключение диагностического прибора

        Условие

        Номинальное значение

        I125-6 (VR2) - I125-7 (VR1)

        P1

        209 - 231 Ом

        P2

        114 - 126 Ом

        P3

        58,9 - 65,1 Ом

        P4

        Менее 1 Ом

  2. ПРОВЕРЬТЕ ВЫКЛЮЧАТЕЛЬ СТЕКЛООЧИСТИТЕЛЯ ВЕТРОВОГО СТЕКЛА В СБОРЕ (для моделей с правосторонним рулевым управлением)

    1. Для левой стороны, для моделей без автоматических стеклоочистителей:

      1. E288057C09

        *a

        Устройство с отсоединенным жгутом проводов

        (переключатель стеклоочистителя ветрового стекла в сборе)

        Измерьте сопротивление в соответствии со значениями, приведенными в таблице.

        Номинальное сопротивление

        Table 10. Переключатель переднего стеклоочистителя

        Подключение диагностического прибора

        Условие

        Номинальное значение

        I30-3 (+B) - I30-2 (+1)

        MIST

        Менее 1 Ом

        I30-4 (+S) - I30-2 (+1)

        OFF (ВЫКЛ)

        I30-4 (+S) - I30-2 (+1)

        INT

        I30-3 (+B) - I30-2 (+1)

        LO

        I30-3 (+B) - I30-1 (+2)

        HI

        Table 11. Выключатель переднего стеклоомывателя

        Подключение диагностического прибора

        Условие

        Номинальное значение

        I29-7 (EW) - I29-4 (WF)

        ON (ВКЛ)

        Менее 1 Ом

        I30-10 (WR) - I30-5 (+B2)

        I29-7 (EW) - I29-4 (WF)

        OFF (ВЫКЛ)

        10 кОм или более

        I30-10 (WR) - I30-5 (+B2)

        Table 12. Переключатель заднего стеклоочистителя

        Подключение диагностического прибора

        Условие

        Номинальное значение

        I29-2 (C1R) - I29-7 (EW)

        OFF (ВЫКЛ)

        10 кОм или более

        I29-1 (+1R) - I29-7 (EW)

        I29-2 (C1R) - I29-7 (EW)

        INT

        Менее 1 Ом

        I29-1 (+1R) - I29-7 (EW)

        ON (ВКЛ)

        Table 13. Переключатель заднего стеклоомывателя

        Подключение диагностического прибора

        Условие

        Номинальное значение

        I29-7 (EW) - I30-10 (WR)

        ON (ВКЛ)

        Менее 1 Ом

        I29-4 (WF) - I30-5 (+B2)

        I29-7 (EW) - I30-10 (WR)

        OFF (ВЫКЛ)

        10 кОм или более

        I29-4 (WF) - I30-5 (+B2)

        Если результат проверки не отвечает требованиям, замените переключатель стеклоочистителя ветрового стекла в сборе.

    2. Для левой стороны, для моделей с автоматическими стеклоочистителями:

      1. B374971C01

        *a

        Устройство с отсоединенным жгутом проводов

        (переключатель стеклоочистителя ветрового стекла в сборе)

        *b

        Переключатель стеклоочистителя ветрового стекла в сборе

        (Положение регулировочного кольца)

        Измерьте сопротивление в соответствии со значениями, приведенными в таблице.

        Номинальное сопротивление

        Table 14. Переключатель переднего стеклоочистителя

        Подключение диагностического прибора

        Условие

        Номинальное значение

        I30-3 (+B) - I30-2 (+1)

        MIST

        Менее 1 Ом

        I30-4 (+S) - I30-2 (+1)

        OFF (ВЫКЛ)

        I30-4 (+S) - I30-2 (+1)

        AUTO

        I30-7 (AUTO) - I30-6 (E)

        I30-3 (+B) - I30-2 (+1)

        LO

        I30-3 (+B) - I30-1 (+2)

        HI

        Table 15. Выключатель переднего стеклоомывателя

        Подключение диагностического прибора

        Условие

        Номинальное значение

        I29-7 (EW) - I29-4 (WF)

        ON (ВКЛ)

        Менее 1 Ом

        I30-10 (WR) - I30-5 (+B2)

        I29-7 (EW) - I29-4 (WF)

        OFF (ВЫКЛ)

        10 кОм или более

        I30-10 (WR) - I30-5 (+B2)

        Table 16. Переключатель заднего стеклоочистителя

        Подключение диагностического прибора

        Условие

        Номинальное значение

        I29-2 (C1R) - I29-7 (EW)

        OFF (ВЫКЛ)

        10 кОм или более

        I29-1 (+1R) - I29-7 (EW)

        I29-2 (C1R) - I29-7 (EW)

        INT

        Менее 1 Ом

        I29-1 (+1R) - I29-7 (EW)

        ON (ВКЛ)

        Table 17. Переключатель заднего стеклоомывателя

        Подключение диагностического прибора

        Условие

        Номинальное значение

        I29-7 (EW) - I30-10 (WR)

        ON (ВКЛ)

        Менее 1 Ом

        I29-4 (WF) - I30-5 (+B2)

        I29-7 (EW) - I30-10 (WR)

        OFF (ВЫКЛ)

        10 кОм или более

        I29-4 (WF) - I30-5 (+B2)

        Table 18. Регулировочное кольцо*

        Подключение диагностического прибора

        Условие

        Номинальное значение

        I30-8 (VR2) - I30-9 (VR1)

        P1

        209 - 231 Ом

        P2

        114 - 126 Ом

        P3

        58,9 - 65,1 Ом

        P4

        Менее 1 Ом

        Если результат проверки не отвечает требованиям, замените переключатель стеклоочистителя ветрового стекла в сборе.

    3. Для правой стороны, для моделей без автоматических стеклоочистителей:

      1. B378850C04

        *a

        Устройство с отсоединенным жгутом проводов

        (переключатель стеклоочистителя ветрового стекла в сборе)

        Измерьте сопротивление в соответствии со значениями, приведенными в таблице.

        Номинальное сопротивление

        Table 19. Переключатель переднего стеклоочистителя

        Подключение диагностического прибора

        Условие

        Номинальное значение

        I125-2 (+B) - I125-3 (+1)

        MIST

        Менее 1 Ом

        I125-3 (+1) - I125-1 (+S)

        OFF (ВЫКЛ)

        I125-3 (+1) - I125-1 (+S)

        INT

        I125-2 (+B) - I125-3 (+1)

        LO

        I125-2 (+B) - I125-4 (+2)

        HI

        Table 20. Выключатель переднего стеклоомывателя

        Подключение диагностического прибора

        Условие

        Номинальное значение

        I124-4 (EW) - I124-7 (WF)

        ON (ВКЛ)

        Менее 1 Ом

        I125-5 (WR) - I125-10 (+B2)

        I124-4 (EW) - I124-7 (WF)

        OFF (ВЫКЛ)

        10 кОм или более

        I125-5 (WR) - I125-10 (+B2)

        Table 21. Переключатель заднего стеклоочистителя

        Подключение диагностического прибора

        Условие

        Номинальное значение

        I124-2 (C1R) - I124-4 (EW)

        OFF (ВЫКЛ)

        10 кОм или более

        I124-3 (+1R) - I124-4 (EW)

        I124-2 (C1R) - I124-4 (EW)

        INT

        Менее 1 Ом

        I124-3 (+1R) - I124-4 (EW)

        ON (ВКЛ)

        Table 22. Переключатель заднего стеклоомывателя

        Подключение диагностического прибора

        Условие

        Номинальное значение

        I124-4 (EW) - I125-5 (WR)

        ON (ВКЛ)

        Менее 1 Ом

        I124-7 (WF) - I125-10 (+B2)

        I124-4 (EW) - I125-5 (WR)

        OFF (ВЫКЛ)

        10 кОм или более

        I124-7 (WF) - I125-10 (+B2)

        Если результат проверки не отвечает требованиям, замените переключатель стеклоочистителя ветрового стекла в сборе.

    4. Для правой стороны, для моделей с автоматическими стеклоочистителями:

      1. B378782C01

        *a

        Устройство с отсоединенным жгутом проводов

        (переключатель стеклоочистителя ветрового стекла в сборе)

        *b

        Переключатель стеклоочистителя ветрового стекла в сборе

        (Положение регулировочного кольца)

        Измерьте сопротивление в соответствии со значениями, приведенными в таблице.

        Если результат проверки не отвечает требованиям, замените переключатель стеклоочистителя ветрового стекла в сборе.

        Номинальное сопротивление

        Table 23. Переключатель переднего стеклоочистителя

        Подключение диагностического прибора

        Условие

        Номинальное значение

        I125-2 (+B) - I125-3 (+1)

        MIST

        Менее 1 Ом

        I125-3 (+1) - I125-1 (+S)

        OFF (ВЫКЛ)

        I125-3 (+1) - I125-1 (+S)

        AUTO

        I125-8 (AUTO) - I125-9 (E)

        I125-2 (+B) - I125-3 (+1)

        LO

        I125-2 (+B) - I125-4 (+2)

        HI

        Table 24. Выключатель переднего стеклоомывателя

        Подключение диагностического прибора

        Условие

        Номинальное значение

        I124-4 (EW) - I124-7 (WF)

        ON (ВКЛ)

        Менее 1 Ом

        I125-5 (WR) - I125-10 (+B2)

        I124-4 (EW) - I124-7 (WF)

        OFF (ВЫКЛ)

        10 кОм или более

        I125-5 (WR) - I125-10 (+B2)

        Table 25. Переключатель заднего стеклоочистителя

        Подключение диагностического прибора

        Условие

        Номинальное значение

        I124-2 (C1R) - I124-4 (EW)

        OFF (ВЫКЛ)

        10 кОм или более

        I124-3 (+1R) - I124-4 (EW)

        I124-2 (C1R) - I124-4 (EW)

        INT

        Менее 1 Ом

        I124-3 (+1R) - I124-4 (EW)

        ON (ВКЛ)

        Table 26. Переключатель заднего стеклоомывателя

        Подключение диагностического прибора

        Условие

        Номинальное значение

        I124-4 (EW) - I125-5 (WR)

        ON (ВКЛ)

        Менее 1 Ом

        I124-7 (WF) - I125-10 (+B2)

        I124-4 (EW) - I125-5 (WR)

        OFF (ВЫКЛ)

        10 кОм или более

        I124-7 (WF) - I125-10 (+B2)

        Table 27. Регулировочное кольцо*

        Подключение диагностического прибора

        Условие

        Номинальное значение

        I125-6 (VR2) - I125-7 (VR1)

        P1

        209 - 231 Ом

        P2

        114 - 126 Ом

        P3

        58,9 - 65,1 Ом

        P4

        Менее 1 Ом