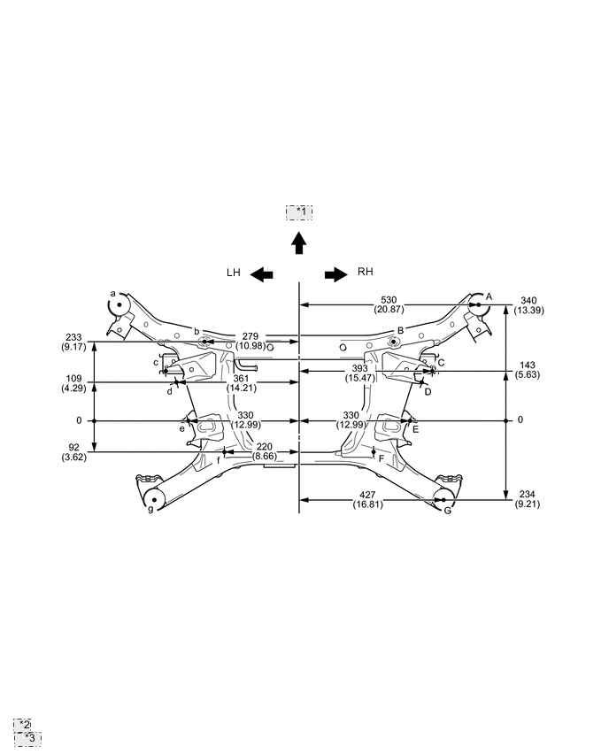
Tech Tips
Length measurements are indicated at the points where the arrows extending from the zero point intersect the lines that extend towards the outside of the illustration from each point.
In cases in which only one dimension is given, left and right are symmetrical.
For symbols, capital letters indicate right side of vehicle, small letters indicate left side of vehicle (seen from rear).
| Symbol | Name | Hole Diameter mm (in.) |
|---|---|---|
| A, a | Rear Suspension Crossmember Installation Hole | φ60 (2.36) |
| B, b | Rear Suspension Crossmember Standard Hole | φ10 (0.39) |
| C, c | Rear Suspension Lower Arm Installation Hole | 14.5X25 (0.57X0.98) |
| D, d | Rear Suspension Upper Arm Installation Hole | φ13.5 (0.53) |
| E, e | Rear Suspension Upper Arm Installation Hole | φ13.5 (0.53) |
| F, f | Rear Suspension Lower Arm Installation Hole | φ12.5 (0.49) |
| G, g | Rear Suspension Crossmember Installation Hole | φ60 (2.36) |
| *1 | Front |
| *2 | mm |
| *3 | (in.) |
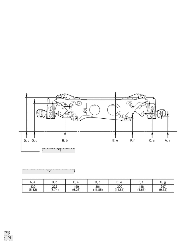
| *1 | Imaginary Datum Line |
| *2 | Height from Imaginary Datum Line |
| *3 | mm |
| *4 | (in.) |