СИСТЕМА ЗАПУСКА И ОСТАНОВА, диагностический DTC:P1538

Код DTC Наименование DTC
P1538 Неисправность в цепи между масляным насосом автоматической трансмиссии и ЭБУ запуска и останова двигателя

ОПИСАНИЕ

Масляный насос автоматической трансмиссии в сборе прекращает работу, если двигатель останавливается системой запуска и останова. Если двигатель останавливается системой запуска и останова, масляный насос с электродвигателем непрерывно работает, чтобы обеспечить оптимальное давление масла автоматической трансмиссии и плавное трогание с места при перезапуске двигателя.

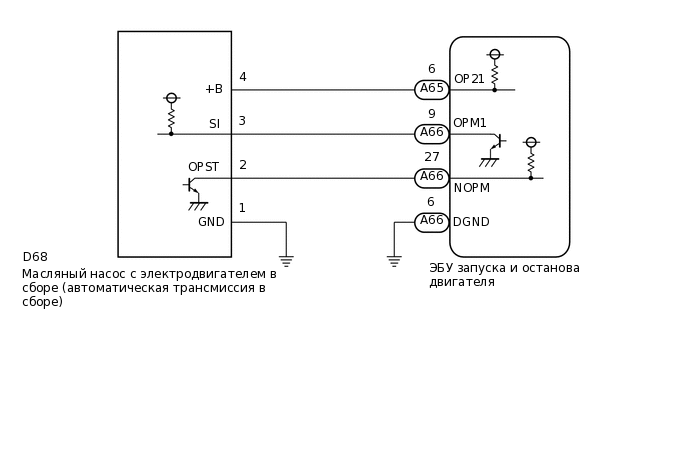
ЭБУ запуска и останова двигателя подает питание на масляный насос в сборе через контакт OP21 и управляет масляным насосом с электродвигателем в сборе в зависимости от сигналов, поступивших с контакта OPМ1. Масляный насос с электродвигателем в сборе передает сигналы рабочей частоты вращения в ЭБУ запуска и останова двигателя по сигнальной цепи NOPM.

№ DTC

Неисправность

Условие обнаружения DTC

Неисправный участок

Индикация предупреждения

Память

P1538

Неисправность в цепи между масляным насосом автоматической трансмиссии и ЭБУ запуска и останова двигателя

Оба следующих условия выполняются в течение 2 с или более (логика диагностирования за 1 поездку):

  • Цепь реле электродвигателя масляного насоса в ЭБУ остановки и запуска двигателя выключена

  • Неисправность источника питания масляного насоса с электродвигателем в сборе (в реле электродвигателя масляного насоса в ЭБУ запуска и останова двигателя имеется одна из следующих неисправностей: заедание во включенном состоянии или короткое замыкание) или короткое замыкание в цепи NOPM*1

Оба следующих условия выполняются в течение не менее 1 с (логика диагностирования за 2 поездку):

  • Двигатель запущен

  • Неисправность в цепи масляного насоса с электродвигателем в сборе (в реле электродвигателя масляного насоса в ЭБУ запуска и останова двигателя имеется одна из следующих неисправностей: заедание в выключенном состоянии, обрыв или короткое замыкание на массу в цепи OP21, OPМ1 или NOPM или обрыв в цепи GND)*2

  • Жгут проводов или разъем

  • Масляный насос с электродвигателем в сборе (автоматическая трансмиссия в сборе)

  • ЭБУ запуска и останова двигателя

Мигает

Код DTC сохраняется

*1: Для параметра данных фиксированного набора параметров [Status of O/P Signal 1] отображается "Abnormal"

*2: Для параметра данных фиксированного набора параметров [Status of O/P Signal 2] отображается "Abnormal"

РЕЖИМ ПРОВЕРОЧНОЙ ПОЕЗДКИ

Tip:

Коды DTC системы запуска и останова не удаляются, даже если неисправность устранена. Поэтому после устранения неисправности необходимо самостоятельно удалить коды DTC.

Нажмите здесьClick here

  1. ПРОВЕРКА ПОСЛЕ УСТРАНЕНИЯ НЕИСПРАВНОСТИ

    Tip:
    • Когда провод отсоединяется от вывода аккумуляторной батареи, работа системы запуска и останова запрещается до завершения режима восстановительной подзарядки.

      В этом случае необходимо дать автомобилю поработать на холостому ходу, чтобы завершить режим восстановительной подзарядки. Режим восстановительной подзарядки завершается, если значение параметра Data List "Status of Battery Charge Control" изменяется со значения "Refresh Charge Mode". (Как правило, режим восстановительной подзарядки завершается при работе двигателя на холостом ходу в течение от 5 до 60 минут при температуре электролита аккумуляторной батареи не менее 11°C (52°F).)

    • Если GTS не доступен и параметр режима Data List "Status of Battery Charge Control" невозможно проверить, зарядите аккумуляторную батарею, двигатель работает на холостом ходу в течение 5 – 60 мин или движения автомобиля, а затем совершите поездку на автомобиле и убедитесь, что система запуска и останова работает.

      Если двигатель запускается при открытом капоте, система определяет, что произошел запуск от внешнего источника. По этой причине убедитесь, что капот закрыт перед запуском двигателя и поездкой на автомобиле.

    • После завершения режима восстановительной подзарядки выключите зажигание и подождите не менее 30 с, а затем снова запустите двигатель. Если автомобиль снова переходит в режим восстановительной подзарядки во время работы двигателя на холостом ходу, первоначальный режим восстановительной подзарядки не был завершен должным образом, поэтому дождитесь полного завершения режима восстановительной подзарядки.

    • После прогрева двигателя дайте ему поработать на холостом ходу в течение 3 мин и убедитесь, что частота вращения коленчатого вала двигателя отличается от заданной частоты вращения не более чем на 50 об/мин.

    1. Подключите GTS к DLC3.

    2. Включите зажигание (IG) и включите GTS.

    3. Удалите коды DTC.

    4. Запустите и прогрейте двигатель.

    5. Совершите поездку на автомобиле со скоростью 7 км/час (4,3 мили в час) или выше.

      CAUTION:

      Во время поездки в проверочном режиме соблюдайте все ограничения скорости и правила дорожного движения.

    6. Нажмите на педаль тормоза и остановите двигатель.

    7. Дайте двигателю быть остановленным системой запуска и останова. (Поддерживайте рычаг переключения передач в положении D.)

    8. Отпустите педаль тормоза, когда рычаг переключения передач находится в положении D, чтобы запустить двигатель.

    9. Убедитесь, коды DTC не выводятся.

  2. ПРОВЕРКА РАБОТЫ СИСТЕМЫ ЗАПУСКА И ОСТАНОВА

    Tip:
    • Когда провод отсоединяется от вывода аккумуляторной батареи, работа системы запуска и останова запрещается до завершения режима восстановительной подзарядки.

      В этом случае необходимо дать автомобилю поработать на холостому ходу, чтобы завершить режим восстановительной подзарядки. Режим восстановительной подзарядки завершается, если значение параметра Data List "Status of Battery Charge Control" изменяется со значения "Refresh Charge Mode". (Как правило, режим восстановительной подзарядки завершается при работе двигателя на холостом ходу в течение от 5 до 60 минут при температуре электролита аккумуляторной батареи не менее 11°C (52°F).)

    • Если GTS не доступен и параметр режима Data List "Status of Battery Charge Control" невозможно проверить, зарядите аккумуляторную батарею, двигатель работает на холостом ходу в течение 5 – 60 мин или движения автомобиля, а затем совершите поездку на автомобиле и убедитесь, что система запуска и останова работает.

      Если двигатель запускается при открытом капоте, система определяет, что произошел запуск от внешнего источника. По этой причине убедитесь, что капот закрыт перед запуском двигателя и поездкой на автомобиле.

    • После завершения режима восстановительной подзарядки выключите зажигание и подождите не менее 30 с, а затем снова запустите двигатель. Если автомобиль снова переходит в режим восстановительной подзарядки во время работы двигателя на холостом ходу, первоначальный режим восстановительной подзарядки не был завершен должным образом, поэтому дождитесь полного завершения режима восстановительной подзарядки.

    1. Запустите и прогрейте двигатель.

    2. Выключите систему кондиционирования.

    3. Совершите поездку на автомобиле со скоростью 7 км/час (4,3 мили в час) или выше.

      CAUTION:

      Во время поездки в проверочном режиме соблюдайте все ограничения скорости и правила дорожного движения.

    4. Нажмите на педаль тормоза и остановите двигатель.

    5. Дайте двигателю остановится под управлением системы запуска и останова. (Поддерживайте рычаг переключения передач в положении D.)

    6. Отпустите педаль тормоза, когда рычаг переключения передач находится в положении D, чтобы запустить двигатель.

СХЕМА ЭЛЕКТРИЧЕСКИХ СОЕДИНЕНИЙ

A337511E07

ПРЕДОСТЕРЕЖЕНИЕ / ПРИМЕЧАНИЕ / УКАЗАНИЕ

Note:
  • Перед тем, как заменять ЭБУ запуска и останова двигателя, считайте число запусков стартера и запишите его в новый ЭБУ запуска и останова двигателя.

    Нажмите здесьClick here

  • После замены ЭБУ запуска и останова двигателя или блока управления системой кондиционирования выполните сброс и настройте данные системы кондиционирования в ЭБУ запуска и останова двигателя.

    Нажмите здесьClick here

  • После замены ЭБУ запуска и останова двигателя, ЭБУ системы SRS в сборе*1 или датчика замедления и рысканья*2 выполните удаление и калибровку "нуля" датчика замедления в ЭБУ запуска и останова двигателя.

    Нажмите здесьClick here

    • *1: для моделей с щитком приборов с оригинальной системой подсветки "Optitron"

    • *2: для моделей с щитком приборов с TFT-дисплеем

  • Удалите воздух из масляного насоса с электродвигателем в сборе (автоматическая трансмиссия в сборе) после снятия и установки автоматической трансмиссии в сборе или замены жидкости для автоматической трансмиссии.

    Нажмите здесьClick here

Tip:

Перед диагностикой считайте данные фиксированного набора параметров с помощью GTS. Одновременно с записью в память кода DTC состояние системы сохраняется в данных фиксированного набора параметров. Эта информация может быть полезна при поиске и устранении неисправностей.

Нажмите здесьClick here

ПОРЯДОК ВЫПОЛНЕНИЯ

  1. ПРОВЕРЬТЕ ДАННЫЕ ФИКСИРОВАННОГО НАБОРА ПАРАМЕТРОВ

    Note:

    При удалении кодов DTC данные фиксированного набора параметров также удаляются. Обязательно заранее запишите необходимые данные.

    1. В соответствии с указаниями на дисплее GTS выберите DTC Р1538 и проверьте данные фиксированного набора параметров.

      Нажмите здесьClick here

      Result

      Информация на дисплее прибора

      Result

      Перейдите к

      Status of O/P Signal 1

      Abnormal (ненормальное состояние)

      A

      Status of O/P Signal 2

      Abnormal (ненормальное состояние)

      B

    B

    ВЫПОЛНИТЕ АКТИВНУЮ ДИАГНОСТИКУ С ПОМОЩЬЮ GTS (AT OIL PUMP (LO))Click here

    A
  2. ПРОВЕРЬТЕ ЖГУТ ПРОВОДОВ И РАЗЪЕМ (ЭБУ ЗАПУСКА И ОСТАНОВА ДВИГАТЕЛЯ — МАСЛЯНЫЙ НАСОС С ЭЛЕКТРОДВИГАТЕЛЕМ В СБОРЕ)

    1. Отсоедините разъемы A65 и A66 ЭБУ запуска и останова двигателя.

    2. Отсоедините разъем D68 масляного насоса с электродвигателем в сборе (автоматической трансмиссии в сборе).

    3. Измерьте сопротивление в соответствии со значениями, приведенными в таблице ниже.

      Номинальное сопротивление

      Подключение диагностического прибора

      Условие

      Заданные условия

      A66-27 (NOPM) - D68-2 (OPST)

      Всегда

      Менее 1 Ом

      A65-6 (OP21) - D68-4 (+B)

      Всегда

      Менее 1 Ом

      A66-27 (NOPM) - масса

      Всегда

      10 кОм или более

      D68-2 (OPST) - масса

      Всегда

      10 кОм или более

      A65-6 (OP21) - масса

      Всегда

      10 кОм или более

      D68-4 (+B) - масса

      Всегда

      10 кОм или более

    Результат

    Перейти к

    OK

    НЕ СООТВ.

    НЕ СООТВ.

    ОТРЕМОНТИРУЙТЕ ИЛИ ЗАМЕНИТЕ ЖГУТ ПРОВОДОВ ИЛИ РАЗЪЕМ

    СООТВ
  3. ПРОВЕРЬТЕ ЭБУ ЗАПУСКА И ОСТАНОВА ДВИГАТЕЛЯ (НАПРЯЖЕНИЕ НА КОНТАКТЕ NOPM)

    1. Отсоедините разъем D68 масляного насоса с электродвигателем в сборе (автоматической трансмиссии в сборе).

      A407548C44

      *a

      Устройство с подсоединенным жгутом проводов

      (ЭБУ запуска и останова двигателя)

      -

      -

    2. Включите питание (IG).

    3. Измерьте напряжение в соответствии со значениями, приведенными в таблице.

      Номинальное напряжение

      Подключение диагностического прибора

      Условие

      Заданные условия

      A66-27 (NOPM) - A66-6 (DGND)

      Зажигание включено (IG)

      10 - 14 В

    Result

    Перейти к

    OK

    НЕ СООТВ.

    OK

    ЗАМЕНИТЕ АВТОМАТИЧЕСКУЮ ТРАНСМИССИЮ В СБОРЕ

    NG

    ЗАМЕНИТЕ ЭБУ ЗАПУСКА И ОСТАНОВА ДВИГАТЕЛЯ

    Нажмите здесьClick hereClick here

  4. ВЫПОЛНИТЕ АКТИВНУЮ ДИАГНОСТИКУ С ПОМОЩЬЮ GTS (AT OIL PUMP (LO))

    1. Совершите поездку на автомобиле для прогрева двигателя и жидкости для автоматических трансмиссий.

      Tip:

      Масляный насос с электродвигателем в сборе (автоматическая трансмиссия в сборе) может не работать должным образом при низкой температуре жидкости для автоматических трансмиссий. Перед выполнением активной диагностики обязательно прогрейте жидкость для автоматической трансмиссии. (Температура жидкости для автоматической трансмиссии: 25°C (77°F) или выше)

    2. Подключите GTS к DLC3.

    3. Включите питание (IG).

      Tip:

      Не запускайте двигатель.

    4. Включите GTS.

    5. Войдите в следующие меню: Powertrain / Stop and Start / Active Test / AT Oil Pump (Lo).

    6. В режиме активной диагностики выполните проверку звука работы масляного насоса с электродвигателем в сборе (автоматической трансмиссии в сборе).

      Стандартная

      AT Oil Pump (Lo)

      Result

      Вкл

      Должен быть слышен сигнал срабатывания

      OFF (ВЫКЛ)

      Должен быть слышен звук срабатывания

    Result

    Перейти к

    OK

    НЕ СООТВ.

    НЕ СООТВ.

    ПРОВЕРЬТЕ ЖГУТ ПРОВОДОВ И РАЗЪЕМ (ЭБУ ЗАПУСКА И ОСТАНОВА ДВИГАТЕЛЯ — МАСЛЯНЫЙ НАСОС С ЭЛЕКТРОДВИГАТЕЛЕМ В СБОРЕ)Click here

    СООТВ
  5. ПРОВЕРЬТЕ ЭБУ ЗАПУСКА И ОСТАНОВА ДВИГАТЕЛЯ (ФОРМУ СИГНАЛА НА КОНТАКТЕ NOPM)

    1. Подключите осциллограф к контактам A66-27 (NOPM) и A66-6 (DGND).

      A407548C44

      *a

      Устройство с подсоединенным жгутом проводов

      (ЭБУ запуска и останова двигателя)

      -

      -

    2. Войдите в следующие меню: Powertrain / Stop and Start / Active Test / AT Oil Pump (Lo).

    3. A112562E03

      Проверьте форму сигнала в режиме Active Test.

      Параметр / Устройство

      Условие

      Подключение диагностического прибора

      A66-27 (NOPM) - A66-6 (DGND)

      Настройки прибора

      5 В/ДЕЛ., 5 мс/дел.

      Условие

      • Выключатель зажигания включен (IG) (двигатель остановлен)

      • Активная диагностика "AT Oil Pump (Lo)" выполняется

      Номинальный режим

      Форма сигнала похожа на показанную на рисунке, демонстрирующем отсутствие шума.

    Result

    Перейти к

    OK

    НЕ СООТВ.

    OK

    ЗАМЕНИТЕ ЭБУ ЗАПУСКА И ОСТАНОВА ДВИГАТЕЛЯ

    Нажмите здесьClick hereClick here

    NG
  6. ПРОВЕРЬТЕ МАСЛЯНЫЙ НАСОС С ЭЛЕКТРОДВИГАТЕЛЕМ В СБОРЕ (НАПРЯЖЕНИЕ НА КОНТАКТЕ OPST)

    1. A107364C18

      *a

      Вид спереди разъема со стороны жгута проводов:

      (к масляному насосу с электродвигателем в сборе (для моделей с автоматической трансмиссией в сборе))

      Отсоедините разъем D68 масляного насоса с электродвигателем в сборе (автоматической трансмиссии в сборе).

    2. Включите питание (IG).

    3. Измерьте напряжение в соответствии со значениями, приведенными в таблице.

      Номинальное напряжение

      Подключение диагностического прибора

      Условие

      Заданные условия

      D68-2 (OPST) - D68-1 (GND)

      Зажигание включено (IG)

      10 - 14 В

    Result

    Перейти к

    OK

    НЕ СООТВ.

    OK

    ЗАМЕНИТЕ АВТОМАТИЧЕСКУЮ ТРАНСМИССИЮ В СБОРЕ

    NG
  7. ПРОВЕРЬТЕ ЖГУТ ПРОВОДОВ И РАЗЪЕМ (ЭБУ ЗАПУСКА И ОСТАНОВА ДВИГАТЕЛЯ — МАСЛЯНЫЙ НАСОС С ЭЛЕКТРОДВИГАТЕЛЕМ В СБОРЕ)

    1. Отсоедините разъем A66 ЭБУ запуска и останова двигателя.

    2. Отсоедините разъем D68 масляного насоса с электродвигателем в сборе (автоматической трансмиссии в сборе).

    3. Измерьте сопротивление в соответствии со значениями, приведенными в таблице ниже.

      Номинальное сопротивление

      Подключение диагностического прибора

      Условие

      Заданные условия

      A66-27 (NOPM) - D68-2 (OPST)

      Всегда

      Менее 1 Ом

      A66-27 (NOPM) - масса

      Всегда

      10 кОм или более

      D68-2 (OPST) - масса

      Всегда

      10 кОм или более

    Результат

    Перейти к

    OK

    НЕ СООТВ.

    OK

    ЗАМЕНИТЕ ЭБУ ЗАПУСКА И ОСТАНОВА ДВИГАТЕЛЯ

    Нажмите здесьClick hereClick here

    NG

    ОТРЕМОНТИРУЙТЕ ИЛИ ЗАМЕНИТЕ ЖГУТ ПРОВОДОВ ИЛИ РАЗЪЕМ

  8. ПРОВЕРЬТЕ ЖГУТ ПРОВОДОВ И РАЗЪЕМ (ЭБУ ЗАПУСКА И ОСТАНОВА ДВИГАТЕЛЯ — МАСЛЯНЫЙ НАСОС С ЭЛЕКТРОДВИГАТЕЛЕМ В СБОРЕ)

    1. Отсоедините разъем A65 ЭБУ запуска и останова двигателя.

    2. Отсоедините разъем D68 масляного насоса с электродвигателем в сборе (автоматической трансмиссии в сборе).

    3. Измерьте сопротивление в соответствии со значениями, приведенными в таблице ниже.

      Номинальное сопротивление

      Table 1. Для моделей с 8AR-FTS:

      Подключение диагностического прибора

      Условие

      Заданные условия

      A65-6 (OP21) - D68-4 (+B)

      Всегда

      Менее 1 Ом

      A65-6 (OP21) - масса

      Всегда

      10 кОм или более

      D68-4 (+B) - масса

      Всегда

      10 кОм или более

    Результат

    Перейти к

    OK

    НЕ СООТВ.

    НЕ СООТВ.

    ОТРЕМОНТИРУЙТЕ ИЛИ ЗАМЕНИТЕ ЖГУТ ПРОВОДОВ ИЛИ РАЗЪЕМ

    СООТВ
  9. ПРОВЕРЬТЕ ЖГУТ ПРОВОДОВ И РАЗЪЕМ (МАСЛЯНЫЙ НАСОС С ЭЛЕКТРОДВИГАТЕЛЕМ В СБОРЕ — МАССА)

    1. Отсоедините разъем D68 масляного насоса с электродвигателем в сборе (автоматической трансмиссии в сборе).

    2. Измерьте сопротивление в соответствии со значениями, приведенными в таблице ниже.

      Номинальное сопротивление

      Подключение диагностического прибора

      Условие

      Заданные условия

      D68-1 (GND) - масса

      Всегда

      Менее 1 Ом

    Результат

    Перейти к

    OK

    НЕ СООТВ.

    НЕ СООТВ.

    ОТРЕМОНТИРУЙТЕ ИЛИ ЗАМЕНИТЕ ЖГУТ ПРОВОДОВ ИЛИ РАЗЪЕМ

    СООТВ
  10. ПРОВЕРЬТЕ ЭБУ ЗАПУСКА И ОСТАНОВА ДВИГАТЕЛЯ (НАПРЯЖЕНИЕ НА КОНТАКТЕ OP21)

    1. Отсоедините разъем D68 масляного насоса с электродвигателем в сборе (автоматической трансмиссии в сборе).

    2. Подключите GTS к DLC3.

    3. Включите питание (IG).

      Tip:

      Не запускайте двигатель.

    4. Включите GTS.

    5. Войдите в следующие меню: Powertrain / Stop and Start / Active Test / AT Oil Pump (Lo).

      Powertrain > Stop и Start > Active Test

      Информация на дисплее прибора

      AT Oil Pump (Lo)

    6. Измерьте напряжение в соответствии со значениями, приведенными в таблице.

      Номинальное напряжение

      Подключение диагностического прибора

      Условие

      Заданные условия

      A65-6 (OP21) - A66-6 (DGND)

      • Выключатель зажигания включен (IG) (двигатель остановлен)

      • Активная диагностика "AT Oil Pump (Lo)" выполняется

      10,5–16 В

    A407548C45

    *a

    Устройство с подсоединенным жгутом проводов

    (ЭБУ запуска и останова двигателя)

    -

    -

    Result

    Перейти к

    OK

    НЕ СООТВ.

    НЕ СООТВ.

    ЗАМЕНИТЕ ЭБУ ЗАПУСКА И ОСТАНОВА ДВИГАТЕЛЯ

    Нажмите здесьClick hereClick here

    СООТВ
  11. ПРОВЕРЬТЕ ЖГУТ ПРОВОДОВ И РАЗЪЕМ (ЭБУ ЗАПУСКА И ОСТАНОВА ДВИГАТЕЛЯ — МАСЛЯНЫЙ НАСОС С ЭЛЕКТРОДВИГАТЕЛЕМ В СБОРЕ)

    1. Отсоедините разъем A66 ЭБУ запуска и останова двигателя.

    2. Отсоедините разъем D68 масляного насоса с электродвигателем в сборе (автоматической трансмиссии в сборе).

    3. Измерьте сопротивление в соответствии со значениями, приведенными в таблице ниже.

      Номинальное сопротивление

      Подключение диагностического прибора

      Условие

      Заданные условия

      A66-9 (OPM1) - D68-3 (SI)

      Всегда

      Менее 1 Ом

      A66-9 (OPM1) - масса

      Всегда

      10 кОм или более

      D68-3 (SI) - масса

      Всегда

      10 кОм или более

    Результат

    Перейти к

    OK

    НЕ СООТВ.

    НЕ СООТВ.

    ОТРЕМОНТИРУЙТЕ ИЛИ ЗАМЕНИТЕ ЖГУТ ПРОВОДОВ ИЛИ РАЗЪЕМ

    СООТВ
  12. ПРОВЕРЬТЕ МАСЛЯНЫЙ НАСОС С ЭЛЕКТРОДВИГАТЕЛЕМ В СБОРЕ (ФОРМУ СИГНАЛА НА КОНТАКТЕ OPM1)

    1. Подсоедините осциллограф к контактам A66-9 (OPM1) и A66-6 (DGND) разъема ЭБУ запуска и останова двигателя.

      A407548C46

      *a

      Устройство с подсоединенным жгутом проводов

      (ЭБУ запуска и останова двигателя)

      -

      -

    2. Подключите GTS к DLC3.

    3. Включите питание (IG).

      Tip:

      Не запускайте двигатель.

    4. Включите GTS.

    5. Войдите в следующие меню: Powertrain / Stop and Start / Active Test / AT Oil Pump (Lo).

      Powertrain > Stop и Start > Active Test

      Информация на дисплее прибора

      AT Oil Pump (Lo)

    6. A329962E01

      Проверьте форму сигнала в режиме Active Test.

      Параметр / Устройство

      Условие

      Подключение диагностического прибора

      A66-9 (OPM1) - A66-6 (DGND)

      Настройки прибора

      5 В/ДЕЛ., 5 мс/дел.

      Условие

      • Выключатель зажигания включен (IG) (двигатель остановлен)

      • Активная диагностика "AT Oil Pump (Lo)" выполняется

      Номинальный режим

      Форма сигнала похожа на показанную на рисунке, демонстрирующем отсутствие шума.

    Result

    Перейти к

    OK

    НЕ СООТВ.

    OK

    ЗАМЕНИТЕ ЭБУ ЗАПУСКА И ОСТАНОВА ДВИГАТЕЛЯ

    Нажмите здесьClick hereClick here

    NG

    ЗАМЕНИТЕ АВТОМАТИЧЕСКУЮ ТРАНСМИССИЮ В СБОРЕ