STEERING LOCK SYSTEM Steering Lock does not Lock

DESCRIPTION

The steering lock actuator activates the steering lock motor and moves the lock bar into the steering column to lock the steering.

When the steering lock is operating, the steering may not lock when the lock bar is not aligned with the lock hole of the steering column. In this case, the steering can be locked by turning the steering wheel a little in the same manner as is done for a vehicle with a mechanical key to change the position of the lock hole.

Related Data List and Active Test Items
Problem Symptom Data List Item Active Test Item
Steering Lock does not Lock
-

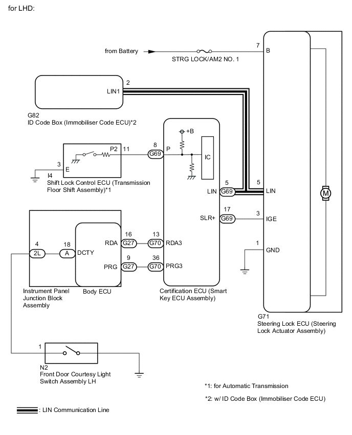
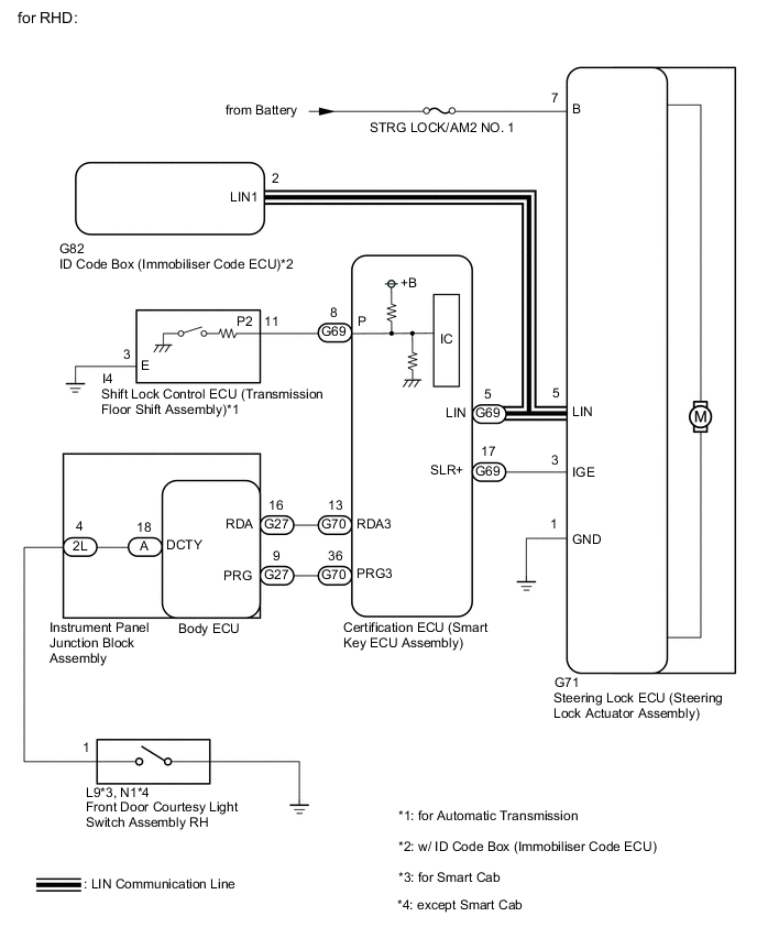
WIRING DIAGRAM

B00262PE04
B00262PE05

CAUTION / NOTICE / HINT

Note


  • When using the GTS with the vehicle engine switch off, connect the GTS to the vehicle and turn a courtesy light switch on and off at intervals of 1.5 seconds or less until communication between the GTS and the vehicle begins. Then select the Model Code "KEY REGIST" under manual mode and enter the following menus: Body Electrical / Entry & Start(CAN). While using the GTS, periodically turn a courtesy light switch on and off at intervals of 1.5 seconds or less to maintain communication between the GTS and the vehicle.

  • Perform either of the following operations to lock/unlock the steering:


    • To unlock the steering, carry the key and turn the engine switch on (ACC) or on (IG) with the shift lever in P*.

    • To lock the steering, turn the engine switch off with the shift lever in P* and then open a door.


      • *: for Automatic Transmission

  • Make sure that no DTCs are output. If any DTCs are output, proceed to the Diagnostic Trouble Code Chart.

    Click here

  • The steering lock system uses LIN communication. First perform the inspections in "How to Proceed with Troubleshooting" to confirm that there are no communication malfunctions before proceeding with troubleshooting.

    Click here

  • When replacing the steering lock ECU (steering lock actuator assembly), ID code box (immobiliser code ECU)* or certification ECU (smart key ECU assembly), registration must be performed (refer to the Service Bulletin).


    • *: w/ ID Code Box (Immobiliser Code ECU)

  • If the body ECU has been replaced, it is necessary to initialize the body ECU.

    Click here

  • After performing repairs, confirm that the problem does not recur.

  • When disconnecting the cable from the negative (-) battery terminal, some systems need to be initialized after the cable is reconnected.

    Click here

  • Inspect the fuses for circuits related to this system before performing the following procedure.

PROCEDURE


  1. READ VALUE USING GTS (LOCK REQUEST RECEIVE)


    1. Read the Data List according to the display on the GTS.


      Body Electrical > Entry&Start > Data List
      Tester Display Measurement Item Range Normal Condition Diagnostic Note
      Lock Request Receive

      Lock request signal received state

      Tech Tips


      • The reception state is maintained for 10 seconds.

      • When 10 seconds or more have elapsed after receiving the signal, the item changes to "NG".

      OK or NG

        for Automatic Transmission

      • OK: Within 10 seconds of opening any door with engine switch off and shift lever in P

        NG: Except above


        for Manual Transmission

      • OK: Within 10 seconds of opening any door with engine switch off

        NG: Except above

      If OK is not displayed even though the steering lock conditions are met, the certification ECU (smart key ECU assembly) may be malfunctioning.

      Body Electrical > Entry&Start > Data List
      Tester Display
      Lock Request Receive
      OK
      The certification ECU (smart key ECU assembly) receives a lock request signal within 10 seconds of turning the engine switch from on (IG) to off and opening a door with the shift lever in P (for Automatic Transmission), and OK is displayed on the GTS screen.
      Result
      Proceed to
      OK (w/ ID Code Box (Immobiliser Code ECU))
      OK (w/o ID Code Box (Immobiliser Code ECU))
      NG

    OK (w/o ID Code Box (Immobiliser Code ECU))
    NG
    OK (w/ ID Code Box (Immobiliser Code ECU))
  2. READ VALUE USING GTS (S CODE CHECK)


    1. Use the Data List to check if S code certification is functioning properly.


      Body Electrical > Entry&Start > Data List
      Tester Display Measurement Item Range Normal Condition Diagnostic Note
      S Code Check Verification result between certification ECU (smart key ECU assembly) and ID code box (immobiliser code ECU) OK or NG

      OK: Verification result normal

      NG: Verification result abnormal

      When a malfunction is present:


      • The ID code for the certification ECU (smart key ECU assembly) or ID code box (immobiliser code ECU) is not registered, or the certification ECU (smart key ECU assembly) or ID code box (immobiliser code ECU) is malfunctioning.

      • The steering cannot be locked.

      • The steering cannot be unlocked (the engine cannot be started).


      Body Electrical > Entry&Start > Data List
      Tester Display
      S Code Check
      OK
      OK is displayed on the GTS.

      Tech Tips

      Reasons for verification failure:


      • The certification ECU (smart key ECU assembly) or ID code box (immobiliser code ECU) is malfunctioning.

      • There is a problem with the communication between ECUs.

      • An ECU is replaced, but is not registered.

      • An ECU is replaced with an ECU which has a code already stored in it.

      Result
      Proceed to
      OK
      NG

    NG
    OK
  3. READ VALUE USING GTS (L CODE CHECK)


    1. Use the Data List to check if L code certification is functioning properly.


      Body Electrical > Entry&Start > Data List
      Tester Display Measurement Item Range Normal Condition Diagnostic Note
      L Code Check Verification result between ID code box (immobiliser code ECU) and steering lock ECU (steering lock actuator assembly) OK or NG

      OK: Verification result normal

      NG: Verification result abnormal

      When a malfunction is present:


      • The ID code for the ID code box (immobiliser code ECU) or steering lock ECU (steering lock actuator assembly) is not registered, or the ID code box (immobiliser code ECU) or steering lock ECU (steering lock actuator assembly) is malfunctioning.

      • The steering cannot be locked.

      • The steering cannot be unlocked (the engine cannot be started).


      Body Electrical > Entry&Start > Data List
      Tester Display
      L Code Check
      OK
      OK is displayed on the GTS.

      Tech Tips

      Reasons for verification failure:


      • The steering lock ECU (steering lock actuator assembly) or ID code box (immobiliser code ECU) is malfunctioning.

      • There is a problem with the communication between ECUs.

      • An ECU is replaced, but is not registered.

      • An ECU is replaced with an ECU which has a code already stored in it.

      Result
      Proceed to
      OK
      NG

    NG
    OK
  4. CHECK HARNESS AND CONNECTOR (POWER SOURCE TERMINAL)


    1. Disconnect the G71 steering lock ECU (steering lock actuator assembly) connector.

    2. B0027WYC03
      *a

      Front view of wire harness connector

      (to Steering Lock ECU (Steering Lock Actuator Assembly))

      Measure the resistance and voltage according to the value(s) in the table below.

      Standard Resistance
      Tester Connection Condition Specified Condition
      G71-1 (GND) - Body ground Always Below 1 Ω

      Note

      If the result is not as specified, check for looseness in the ground cable connection.

      Standard Voltage
      Tester Connection Condition Specified Condition
      G71-7 (B) - Body ground Always 11 to 14 V
      Result
      Proceed to
      OK
      NG

    NG
    OK
  5. INSPECT STEERING LOCK ECU (MOTOR ACTIVATION COMMAND SIGNAL)


    1. Reconnect the G71 steering lock ECU (steering lock actuator assembly) connector.

    2. Turn the engine switch off, make sure that the steering is unlocked and move the shift lever to P*.


      • *: for Automatic Transmission

    3. B00253PC69
      *a

      Component with harness connected

      (Steering Lock ECU (Steering Lock Actuator Assembly))

      *b Steering lock motor not operating
      *c Steering lock motor operating

      Check the signal waveform according to the condition(s) in the table below.

      Standard Frequency
      Item Content
      Tester Connection G71-3 (IGE) - G71-1 (GND)
      Tool Setting 2 V/DIV., 200 ms./DIV.
      Vehicle Condition Steering lock motor not operating → Steering lock motor operating → Steering lock motor not operating

      Tech Tips


      • When taking measurements when the lock motor is stopped, it is not necessary to perform any operations.

      • In order to take measurements when the lock motor is operating, perform either of the following operations:


        • To unlock the steering, carry the key and turn the engine switch on (ACC) or on (IG) with the shift lever in P*.

        • To lock the steering, turn the engine switch off with the shift lever in P*, and then open a door.


      • *: for Automatic Transmission

      Result
      Proceed to
      OK
      NG

    OK
    NG
  6. REPLACE CERTIFICATION ECU (SMART KEY ECU ASSEMBLY)


    1. Replace the certification ECU (smart key ECU assembly) with a new one.

    2. Perform registration.

      Tech Tips

      Refer to the Service Bulletin.

      Result
      Proceed to
      NEXT

    NEXT
  7. READ VALUE USING GTS (S CODE CHECK)


    1. Use the Data List to check if S code certification is functioning properly again.


      Body Electrical > Entry&Start > Data List
      Tester Display Measurement Item Range Normal Condition Diagnostic Note
      S Code Check Verification result between certification ECU (smart key ECU assembly) and ID code box (immobiliser code ECU) OK or NG

      OK: Verification result normal

      NG: Verification result abnormal

      When a malfunction is present:


      • The ID code for the certification ECU (smart key ECU assembly) or ID code box (immobiliser code ECU) is not registered or the certification ECU (smart key ECU assembly) or ID code box (immobiliser code ECU) is malfunctioning.

      • The steering cannot be locked.

      • The steering cannot be unlocked (the engine cannot be started).


      Body Electrical > Entry&Start > Data List
      Tester Display
      S Code Check
      OK
      OK is displayed on the GTS.
      Result
      Proceed to
      OK
      NG

    OK
    NG
  8. REPLACE STEERING LOCK ECU (STEERING LOCK ACTUATOR ASSEMBLY)


    1. Replace the steering lock ECU (steering lock actuator assembly) with a new one.

      Click here

    2. Perform registration.

      Tech Tips

      Refer to the Service Bulletin.

      Result
      Proceed to
      NEXT

    NEXT
  9. READ VALUE USING GTS (L CODE CHECK)


    1. Read the Data List according to the display on the GTS.


      Body Electrical > Entry&Start > Data List
      Tester Display Measurement Item Range Normal Condition Diagnostic Note
      L Code Check Verification result between ID code box (immobiliser code ECU) and steering lock ECU (steering lock actuator assembly) OK or NG

      OK: Verification result normal

      NG: Verification result abnormal

      When a malfunction is present:


      • The ID code for the ID code box (immobiliser code ECU) or steering lock ECU (steering lock actuator assembly) is not registered or the certification ECU (smart key ECU assembly) or steering lock ECU (steering lock actuator assembly) is malfunctioning.

      • The steering cannot be locked.

      • The steering cannot be unlocked (the engine cannot be started).


      Body Electrical > Entry&Start > Data List
      Tester Display
      L Code Check
      OK
      OK is displayed on the GTS.
      Result
      Proceed to
      OK
      NG

    OK
    NG
  10. CHECK HARNESS AND CONNECTOR (STEERING LOCK ECU (STEERING LOCK ACTUATOR ASSEMBLY) - CERTIFICATION ECU (SMART KEY ECU ASSEMBLY))


    1. Disconnect the G71 steering lock ECU (steering lock actuator assembly) connector.

    2. Disconnect the G69 certification ECU (smart key ECU assembly) connector.

    3. Check for deformation and corrosion of the connector case and terminals.

      OK
      There is no deformation or corrosion of the connector case or terminals.
    4. Measure the resistance according to the value(s) in the table below.

      Standard Resistance
      Tester Connection Condition Specified Condition
      G71-3 (IGE) - G69-17 (SLR+) Always Below 1 Ω
      G71-3 (IGE) - Body ground Always 10 kΩ or higher
      G69-17 (SLR+) - Body ground Always 10 kΩ or higher
      Result
      Proceed to
      OK
      NG

    NG
    OK
  11. INSPECT STEERING LOCK ECU (STEERING LOCK ACTUATOR ASSEMBLY)


    1. Reconnect the G71 steering lock ECU (steering lock actuator assembly) connector.

    2. B0025Z7C96
      *a

      Component with harness connected

      (Steering Lock ECU (Steering Lock Actuator Assembly))

      Measure the voltage according to the value(s) in the table below.

      Standard Voltage
      Tester Connection Condition Specified Condition
      G71-3 (IGE) - Body ground Always 11 to 14 V
      Result
      Proceed to
      OK
      NG

    OK
    NG
  12. READ VALUE USING GTS (L CODE CHECK)


    1. Read the Data List according to the display on the GTS.


      Body Electrical > Entry&Start > Data List
      Tester Display Measurement Item Range Normal Condition Diagnostic Note
      L Code Check Verification result between certification ECU (smart key ECU assembly) and steering lock ECU (steering lock actuator assembly) OK or NG

      OK: Verification result normal

      NG: Verification result abnormal

      When a malfunction is present:


      • The ID code for the certification ECU (smart key ECU assembly) or steering lock ECU (steering lock actuator assembly) is not registered or the certification ECU (smart key ECU assembly) or steering lock ECU (steering lock actuator) is malfunctioning.

      • The steering cannot be locked.

      • The steering cannot be unlocked (the engine cannot be started).


      Body Electrical > Entry&Start > Data List
      Tester Display
      L Code Check
      OK
      OK is displayed on the GTS.

      Tech Tips

      Reasons for verification failure:
      • The steering lock ECU (steering lock actuator assembly) or certification ECU (smart key ECU assembly) is malfunctioning.

      • There is a problem with the communication between ECUs.

      • An ECU is replaced, but is not registered.

      • An ECU is replaced with an ECU which has a code already stored in it.

      Result
      Proceed to
      OK
      NG

    NG
    OK
  13. CHECK HARNESS AND CONNECTOR (POWER SOURCE TERMINAL)


    1. Disconnect the G71 steering lock ECU (steering lock actuator assembly) connector.

    2. B0027WYC03
      *a

      Front view of wire harness connector

      (to Steering Lock ECU (Steering Lock Actuator Assembly))

      Measure the resistance and voltage according to the value(s) in the table below.

      Standard Resistance
      Tester Connection Condition Specified Condition
      G71-1 (GND) - Body ground Always Below 1 Ω

      Note

      If the result is not as specified, check for looseness in the ground cable connection.

      Standard Voltage
      Tester Connection Condition Specified Condition
      G71-7 (B) - Body ground Always 11 to 14 V
      Result
      Proceed to
      OK
      NG

    NG
    OK
  14. INSPECT STEERING LOCK ECU (MOTOR ACTIVATION COMMAND SIGNAL)


    1. Reconnect the G71 steering lock ECU (steering lock actuator assembly) connector.

    2. Turn the engine switch off, make sure that the steering is unlocked and move the shift lever to P*.


      • *: for Automatic Transmission

    3. B00253PC69
      *a

      Component with harness connected

      (Steering Lock ECU (Steering Lock Actuator Assembly))

      *b Steering lock motor not operating
      *c Steering lock motor operating

      Check the signal waveform according to the condition(s) in the table below.

      Standard Frequency
      Item Content
      Tester Connection G71-3 (IGE) - G71-1 (GND)
      Tool Setting 2 V/DIV., 200 ms./DIV.
      Vehicle Condition Steering lock motor not operating → Steering lock motor operating → Steering lock motor not operating

      Tech Tips


      • When taking measurements when the lock motor is stopped, it is not necessary to perform any operations.

      • In order to take measurements when the lock motor is operating, perform either of the following operations:


        • To unlock the steering, carry the key and turn the engine switch on (ACC) or on (IG) with the shift lever in P*.

        • To lock the steering, turn the engine switch off with the shift lever in P*, and then open a door.


      • *: for Automatic Transmission

      Result
      Proceed to
      OK
      NG

    OK
    NG
  15. REPLACE STEERING LOCK ECU (STEERING LOCK ACTUATOR ASSEMBLY)


    1. Replace the steering lock ECU (steering lock actuator assembly) with a new one.

      Click here

    2. Perform registration.

      Tech Tips

      Refer to the Service Bulletin.

      Result
      Proceed to
      NEXT

    NEXT
  16. READ VALUE USING GTS (L CODE CHECK)


    1. Read the Data List according to the display on the GTS.


      Body Electrical > Entry&Start > Data List
      Tester Display Measurement Item Range Normal Condition Diagnostic Note
      L Code Check Verification result between certification ECU (smart key ECU assembly) and steering lock ECU (steering lock actuator assembly) OK or NG

      OK: Verification result normal

      NG: Verification result abnormal

      When a malfunction is present:


      • The ID code for the certification ECU (smart key ECU assembly) or steering lock ECU (steering lock actuator assembly) is not registered or the certification ECU (smart key ECU assembly) or steering lock ECU (steering lock actuator) is malfunctioning.

      • The steering cannot be locked.

      • The steering cannot be unlocked (the engine cannot be started).


      Body Electrical > Entry&Start > Data List
      Tester Display
      L Code Check
      OK
      OK is displayed on the GTS.
      Result
      Proceed to
      OK
      NG

    OK
    NG
  17. CHECK HARNESS AND CONNECTOR (STEERING LOCK ECU (STEERING LOCK ACTUATOR ASSEMBLY) - CERTIFICATION ECU (SMART KEY ECU ASSEMBLY))


    1. Disconnect the G71 steering lock ECU (steering lock actuator assembly) connector.

    2. Disconnect the G69 certification ECU (smart key ECU assembly) connector.

    3. Check for deformation and corrosion of the connector case and terminals.

      OK
      There is no deformation or corrosion of the connector case or terminals.
    4. Measure the resistance according to the value(s) in the table below.

      Standard Resistance
      Tester Connection Condition Specified Condition
      G71-3 (IGE) - G69-17 (SLR+) Always Below 1 Ω
      G71-3 (IGE) - Body ground Always 10 kΩ or higher
      G69-17 (SLR+) - Body ground Always 10 kΩ or higher
      Result
      Proceed to
      OK
      NG

    NG
    OK
  18. INSPECT STEERING LOCK ECU (STEERING LOCK ACTUATOR ASSEMBLY)


    1. Reconnect the G71 steering lock ECU (steering lock actuator assembly) connector.

    2. B0025Z7C96
      *a

      Component with harness connected

      (Steering Lock ECU (Steering Lock Actuator Assembly))

      Measure the voltage according to the value(s) in the table below.

      Standard Voltage
      Tester Connection Condition Specified Condition
      G71-3 (IGE) - Body ground Always 11 to 14 V
      Result
      Proceed to
      OK
      NG

    OK
    NG
  19. INSPECT FRONT DOOR COURTESY LIGHT SWITCH ASSEMBLY


    1. Remove the front door courtesy light switch assembly.

      for Double Cab: Click here

      for Smart Cab: Click here

    2. Inspect the front door courtesy light switch assembly.

      for Double Cab: Click here

      for Smart Cab: Click here

      OK
      Front door courtesy light switch assembly is normal.
      Result
      Proceed to
      OK
      NG

    NG
    OK
  20. CHECK HARNESS AND CONNECTOR (FRONT DOOR COURTESY LIGHT SWITCH ASSEMBLY - INSTRUMENT PANEL JUNCTION BLOCK ASSEMBLY)


    1. for LHD:

      Disconnect the N2 front door courtesy light switch assembly LH connector.

    2. for RHD (for Smart Cab):

      Disconnect the L9 front door courtesy light switch assembly RH connector.

    3. for RHD (except Smart Cab):

      Disconnect the N1 front door courtesy light switch assembly RH connector.

    4. Disconnect the 2L instrument panel junction block assembly connector.

    5. Measure the resistance according to the value(s) in the table below.

      Standard Resistance
      for LHD:
      Tester Connection Condition Specified Condition
      N2-1 - 2L-4 Always Below 1 Ω
      N2-1 - Body ground Always 10 kΩ or higher
      2L-4 - Body ground Always 10 kΩ or higher
      for RHD (for Smart Cab):
      Tester Connection Condition Specified Condition
      L9-1 - 2L-4 Always Below 1 Ω
      L9-1 - Body ground Always 10 kΩ or higher
      2L-4 - Body ground Always 10 kΩ or higher
      for RHD (except Smart Cab):
      Tester Connection Condition Specified Condition
      N1-1 - 2L-4 Always Below 1 Ω
      N1-1 - Body ground Always 10 kΩ or higher
      2L-4 - Body ground Always 10 kΩ or higher
      Result
      Proceed to
      OK
      NG

    NG
    OK
  21. INSPECT INSTRUMENT PANEL JUNCTION BLOCK ASSEMBLY


    1. Remove the instrument panel junction block assembly.

      for LHD: Click here

      for RHD: Click here

    2. Remove the body ECU from the instrument panel junction block assembly.

      for LHD: Click here

      for RHD: Click here

    3. Measure the resistance according to the value(s) in the table below.

      B00267NC04
      *a

      Component without harness connected

      (Instrument Panel Junction Block Assembly)

      - -
      Standard Resistance
      Tester Connection Condition Specified Condition
      2L-4 - A-18 (DCTY) Always Below 1 Ω
      Result
      Proceed to
      OK
      NG

    NG
    OK
  22. CHECK HARNESS AND CONNECTOR (CERTIFICATION ECU (SMART KEY ECU ASSEMBLY) - BODY ECU)


    1. Disconnect the G70 certification ECU (smart key ECU assembly) connector.

    2. Disconnect the G27 body ECU connector.

    3. Measure the resistance according to the value(s) in the table below.

      Standard Resistance
      Tester Connection Condition Specified Condition
      G70-13 (RDA3) - G27-16 (RDA) Always Below 1 Ω
      G70-13 (RDA3) - Body ground Always 10 kΩ or higher
      G27-16 (RDA) - Body ground Always 10 kΩ or higher
      G70-36 (PRG3) - G27-9 (PRG) Always Below 1 Ω
      G70-36 (PRG3) - Body ground Always 10 kΩ or higher
      G27-9 (PRG) - Body ground Always 10 kΩ or higher
      Result
      Proceed to
      OK
      NG

    NG
    OK
  23. REPLACE BODY ECU


    1. Replace the body ECU with a new one.

      for LHD: Click here

      for RHD: Click here

      Result
      Proceed to
      NEXT

    NEXT
  24. CHECK STEERING LOCK CONDITION


    1. The engine switch is off.

    2. for Automatic Transmission

      The shift lever is in P.

    3. A door is opened or a door lock operation (door lock, wireless door lock or key-linked lock operation*) is performed.

      Tech Tips

      *: This is the lock/unlock operation with the mechanical key.

    4. Turn the steering wheel and check the steering condition.

      OK
      Steering is locked.
      Result
      Proceed to
      OK
      NG (for Automatic Transmission)
      NG (for Manual Transmission)

    OK
    NG (for Manual Transmission)
    NG (for Automatic Transmission)
  25. READ VALUE USING GTS (SHIFT P SIGNAL)


    1. Move the shift lever to P.

    2. Read the Data List according to the display on the GTS.


      Body Electrical > Power Source Control > Data List
      Tester Display Measurement Item Range Normal Condition Diagnostic Note
      Shift P Signal Shift position (P) signal OK or NG

      ON: Shift lever in P

      OFF: Shift lever not in P


      • Use this item to determine if the shift position switch is malfunctioning.

      • The engine cannot be started when this item is "OFF".

      OK
      ON (shift lever in P) or OFF (shift lever not in P) appears on the screen according to the shift lever position.
      Result
      Proceed to
      OK
      NG

    NG
    OK
  26. CHECK STEERING LOCK CONDITION


    1. The engine switch is off.

    2. The shift lever is in P.

    3. A door is opened or a door lock operation (door lock, wireless door lock or key-linked lock operation*) is performed.

      Tech Tips

      *: This is the lock/unlock operation with the mechanical key.

    4. Turn the steering wheel and check the steering condition.

      OK
      Steering is locked.
      Result
      Proceed to
      OK
      NG

    OK
    NG
  27. READ VALUE USING GTS (STEERING LOCK, STEERING UNLOCK)


    1. The steering is unlocked.

    2. Read the Data List according to the display on the GTS.


      Body Electrical > Entry&Start > Data List
      Tester Display Measurement Item Range Normal Condition Diagnostic Note
      Steering Lock Steering lock ECU (steering lock actuator assembly) lock confirmation status Set or Unset

      Set: Lock confirmed

      Unset: Lock not confirmed

      When Unset is displayed, the steering wheel is not locked.
      Steering Unlock Steering lock ECU (steering lock actuator assembly) unlock confirmation status Set or Unset

      Set: Unlock confirmed

      Unset: Unlock not confirmed

      When Unset is displayed, the steering wheel is not unlocked (the engine cannot be started).
      OK
      "Steering Lock" is "Unset" and "Steering Unlock" is "Set"
      Result
      Proceed to
      OK
      NG

    NG
    OK
  28. REPLACE CERTIFICATION ECU (SMART KEY ECU ASSEMBLY)


    1. Replace the certification ECU (smart key ECU assembly) with a new one.

      Tech Tips

      Refer to the Service Bulletin.

    2. Perform registration.

      Tech Tips

      Refer to the Service Bulletin.

      Result
      Proceed to
      NEXT

    NEXT
  29. READ VALUE USING GTS (LOCK REQUEST RECEIVE)


    1. Read the Data List according to the display on the GTS.


      Body Electrical > Entry&Start > Data List
      Tester Display Measurement Item Range Normal Condition Diagnostic Note
      Lock Request Receive

      Lock request signal received state

      Tech Tips


      • The reception state is maintained for 10 seconds.

      • When 10 seconds or more have elapsed after receiving the signal, the item changes to "NG".

      OK or NG

      OK: Within 10 seconds of opening any door with engine switch off and shift lever in P*

      NG: Except above

      If OK is not displayed even though the steering lock conditions are met, the certification ECU (smart key ECU assembly) may be malfunctioning.

      • *: for Automatic Transmission


      Body Electrical > Entry&Start > Data List
      Tester Display
      Lock Request Receive
      OK
      The certification ECU (smart key ECU assembly) receives a lock request signal within 10 seconds of turning the engine switch from on (IG) to off and opening a door with the shift lever in P (for Automatic Transmission), and OK is displayed on the GTS screen.
      Result
      Proceed to
      OK
      NG (w/ ID Code Box (Immobiliser Code ECU))
      NG (w/o ID Code Box (Immobiliser Code ECU))

    OK
    NG (w/ ID Code Box (Immobiliser Code ECU))
    NG (w/o ID Code Box (Immobiliser Code ECU))
  30. INSPECT SHIFT LOCK CONTROL ECU (TRANSMISSION FLOOR SHIFT ASSEMBLY)


    1. Disconnect the I4 shift lock control ECU (transmission floor shift assembly) connector.

    2. B002859C01
      *a

      Component without harness connected

      (Shift Lock Control ECU (Transmission Floor Shift Assembly))

      Measure the resistance according to the value(s) in the table below.

      Standard Resistance
      Tester Connection Condition Specified Condition
      Positive (+) tester probe → I4-11 (P2) Negative (-) tester probe → I4-3 (E) Shift lever in P 30 kΩ or higher
      Shift lever not in P Below 200 Ω
      Result
      Proceed to
      OK
      NG

    NG
    OK
  31. CHECK HARNESS AND CONNECTOR (SHIFT LOCK CONTROL ECU (TRANSMISSION FLOOR SHIFT ASSEMBLY) - CERTIFICATION ECU (SMART KEY ECU ASSEMBLY) AND BODY GROUND)


    1. Disconnect the I4 shift lock control ECU (transmission floor shift assembly) connector.

    2. Disconnect the G69 certification ECU (smart key ECU assembly) connector.

    3. Measure the resistance according to the value(s) in the table below.

      Standard Resistance
      Tester Connection Condition Specified Condition
      I4-11 (P2) - G69-8 (P) Always Below 1 Ω
      I4-3 (E) - Body ground Always Below 1 Ω
      I4-11 (P2) - Body ground Always 10 kΩ or higher
      G69-8 (P) - Body ground Always 10 kΩ or higher
      Result
      Proceed to
      OK
      NG

    OK
    NG