ELECTRONICALLY CONTROLLED BRAKE SYSTEM Brake Warning Light Remains ON

DTC Code DTC Name
Brake Warning Light Remains ON

DESCRIPTION

The skid control ECU (brake booster with master cylinder assembly) is connected to the combination meter assembly via CAN communication.

If any of the following is detected, the brake warning light / red (malfunction) remains on:

  • The skid control ECU (brake booster with master cylinder assembly) connector is disconnected from the brake booster with master cylinder assembly.

  • The brake fluid level is insufficient.

  • EBD operation has been disabled.

  • The parking brake is applied.

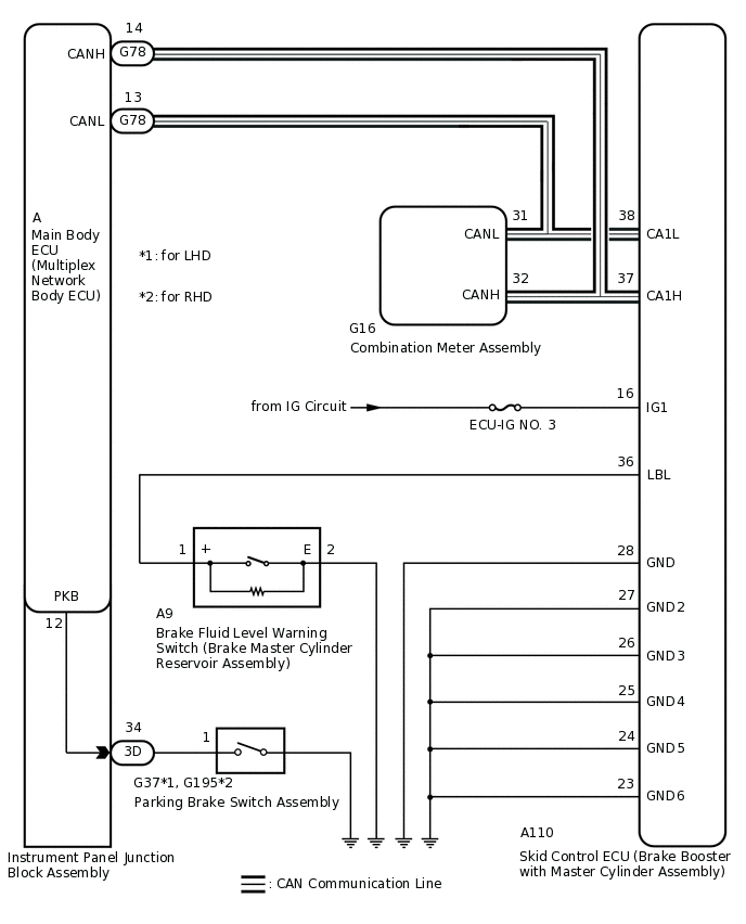
WIRING DIAGRAM

C290231E10

CAUTION / NOTICE / HINT

Note:
  • When replacing the skid control ECU (brake booster with master cylinder assembly), perform initialization and calibration of the linear solenoid valve.

    Click here

  • Inspect the fuses for circuits related to this system before performing the following procedure.

PROCEDURE

  1. CHECK DTC

    1. Check if ABS, VSC and/or electronically controlled brake system DTCs are output.

      Click here

      Chassis > ABS/VSC/TRC > Trouble Codes

    Result

    Result

    Proceed to

    DTCs are not output.

    A

    DTCs are output.

    B

    B

    REPAIR CIRCUITS INDICATED BY OUTPUT DTCS

    A
  2. CHECK CAN COMMUNICATION SYSTEM

    1. Check if CAN communication system DTCs are output.

      for LHD:Click hereClick hereClick here

      for RHD:Click hereClick hereClick here

    Result

    Result

    Proceed to

    DTCs are not output.

    A

    DTCs are output.

    B

    B

    INSPECT CAN COMMUNICATION SYSTEM

    for LHD:Click here

    for RHD:Click here

    A
  3. CHECK IF BRAKE BOOSTER WITH MASTER CYLINDER ASSEMBLY CONNECTOR IS SECURELY CONNECTED

    1. Check if the skid control ECU (brake booster with master cylinder assembly) connector is securely connected.

      OK

      The connector is securely connected.

    Result

    Proceed to

    OK

    NG

    NG

    CONNECT CONNECTOR TO BRAKE BOOSTER WITH MASTER CYLINDER ASSEMBLY CORRECTLY

    OK
  4. CHECK AUXILIARY BATTERY

    1. Check the auxiliary battery voltage.

      Standard Voltage

      Tester Connection

      Switch Condition

      Specified Condition

      Auxiliary battery

      Power switch on (IG)

      11 to 14 V

      Auxiliary battery

      Power switch on (READY)

      11 to 15.5 V

    Result

    Proceed to

    OK

    NG

    NG

    CHARGE OR REPLACE AUXILIARY BATTERY

    OK
  5. CHECK HARNESS AND CONNECTOR (IG1 TERMINAL)

    1. C316493C38

      *a

      Front view of wire harness connector

      (to Skid Control ECU (Brake Booster with Master Cylinder Assembly))

      Disconnect the A110 skid control ECU (brake booster with master cylinder assembly) connector.

    2. Turn the power switch on (IG).

    3. Measure the voltage according to the value(s) in the table below.

      Standard Voltage

      Tester Connection

      Switch Condition

      Specified Condition

      A110-16 (IG1) - Body ground

      Power switch on (IG)

      11 to 14 V

    Result

    Proceed to

    OK

    NG

    NG

    REPAIR OR REPLACE HARNESS OR CONNECTOR (IG1 CIRCUIT)

    OK
  6. CHECK HARNESS AND CONNECTOR (GND TERMINAL)

    1. C316493C33

      *a

      Front view of wire harness connector

      (to Skid Control ECU (Brake Booster with Master Cylinder Assembly))

      Turn the power switch off.

    2. Measure the resistance according to the value(s) in the table below.

      Standard Resistance

      Tester Connection

      Condition

      Specified Condition

      A110-28 (GND) - Body ground

      Always

      Below 1 Ω

      A110-27 (GND2) - Body ground

      Always

      Below 1 Ω

      A110-26 (GND3) - Body ground

      Always

      Below 1 Ω

      A110-25 (GND4) - Body ground

      Always

      Below 1 Ω

      A110-24 (GND5) - Body ground

      Always

      Below 1 Ω

      A110-23 (GND6) - Body ground

      Always

      Below 1 Ω

    Result

    Proceed to

    OK

    NG

    NG

    REPAIR OR REPLACE HARNESS OR CONNECTOR (GND CIRCUIT)

    OK
  7. READ VALUE USING GTS (PARKING BRAKE SW)

    1. Reconnect the A110 skid control ECU (brake booster with master cylinder assembly) connector.

    2. Connect the GTS to the DLC3.

    3. Turn the power switch on (IG).

    4. Select the Data List on the GTS.

      Click here

      Chassis > ABS/VSC/TRC > Data List

      Tester Display

      Measurement Item

      Range

      Normal Condition

      Diagnostic Note

      Parking Brake SW

      Parking brake switch assembly

      OFF or ON

      OFF: Parking brake released

      ON: Parking brake applied

      -

      Chassis > ABS/VSC/TRC > Data List

      Tester Display

      Parking Brake SW

    5. Using the GTS, check the input of the switch operation when the parking brake lever is operated.

      OK

      The GTS displays ON or OFF according to parking brake operation.

    Result

    Proceed to

    OK

    NG

    NG

    INSPECT PARKING BRAKE SWITCH ASSEMBLYClick here

    OK
  8. READ VALUE USING GTS (BRAKE WARNING LIGHT / RED (MALFUNCTION))

    1. Select the Data List on the GTS.

      Click here

      Chassis > ABS/VSC/TRC > Data List

      Tester Display

      Measurement Item

      Range

      Normal Condition

      Diagnostic Note

      Brake Warning Light

      Brake warning light / red (malfunction)

      ON or OFF

      ON: Warning light on

      OFF: Warning light off

      -

      Chassis > ABS/VSC/TRC > Data List

      Tester Display

      Brake Warning Light

    2. Check the GTS display condition of the brake warning light / red (malfunction).

      Result

      Result

      Proceed to

      Display of the Data List remains OFF.

      A

      Display of the Data List remains ON.

      B

    A

    INSPECT METER / GAUGE SYSTEM

    B

    REPLACE BRAKE BOOSTER WITH MASTER CYLINDER ASSEMBLY

    for LHD:Click here

    for RHD:Click here

  9. INSPECT PARKING BRAKE SWITCH ASSEMBLY

    1. Remove the parking brake switch assembly.

      Click here

    2. Inspect the parking brake switch assembly.

      Click here

    Result

    Proceed to

    OK

    NG

    NG

    REPLACE PARKING BRAKE SWITCH ASSEMBLY

    OK
  10. CHECK HARNESS AND CONNECTOR (INSTRUMENT PANEL JUNCTION BLOCK ASSEMBLY - PARKING BRAKE SWITCH ASSEMBLY)

    1. Disconnect the 3D instrument panel junction block assembly connector.

    2. Measure the resistance according to the value(s) in the table below.

      Standard Resistance

      Table 1. for LHD:

      Tester Connection

      Condition

      Specified Condition

      3D-34 - G37-1

      Always

      Below 1 Ω

      3D-34 or G37-1 - Body ground

      Always

      10 kΩ or higher

      Table 2. for RHD:

      Tester Connection

      Condition

      Specified Condition

      3D-34 - G195-1

      Always

      Below 1 Ω

      3D-34 or G195-1 - Body ground

      Always

      10 kΩ or higher

    Result

    Proceed to

    OK

    NG

    NG

    REPAIR OR REPLACE HARNESS OR CONNECTOR

    OK
  11. INSPECT INSTRUMENT PANEL JUNCTION BLOCK ASSEMBLY

    1. Remove the instrument panel junction block assembly.

      for LHD:Click here

      for RHD:Click here

    2. Remove the main body ECU (multiplex network body ECU) from the instrument panel junction block assembly.

      for LHD:Click here

      for RHD:Click here

    3. C284585C01

      *a

      Component without harness connected

      (Instrument Panel Junction Block Assembly)

      Measure the resistance according to the value(s) in the table below.

      Standard Resistance

      Tester Connection

      Condition

      Specified Condition

      3D-34 - A-12 (PKB)

      Always

      Below 1 Ω

      3D-34 or A-12 (PKB) - Body ground

      Always

      10 kΩ or higher

    Result

    Proceed to

    OK

    NG

    OK

    REPLACE MAIN BODY ECU (MULTIPLEX NETWORK BODY ECU)

    for LHD:Click here

    for RHD:Click here

    NG

    REPLACE INSTRUMENT PANEL JUNCTION BLOCK ASSEMBLY

    for LHD:Click here

    for RHD:Click here