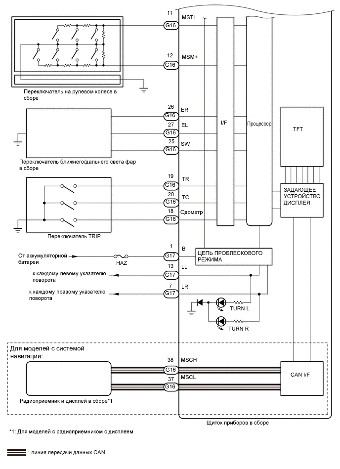
СИСТЕМА ИЗМЕРИТЕЛЬНЫХ ПРИБОРОВ И ИНДИКАТОРОВ СХЕМА СИСТЕМЫ


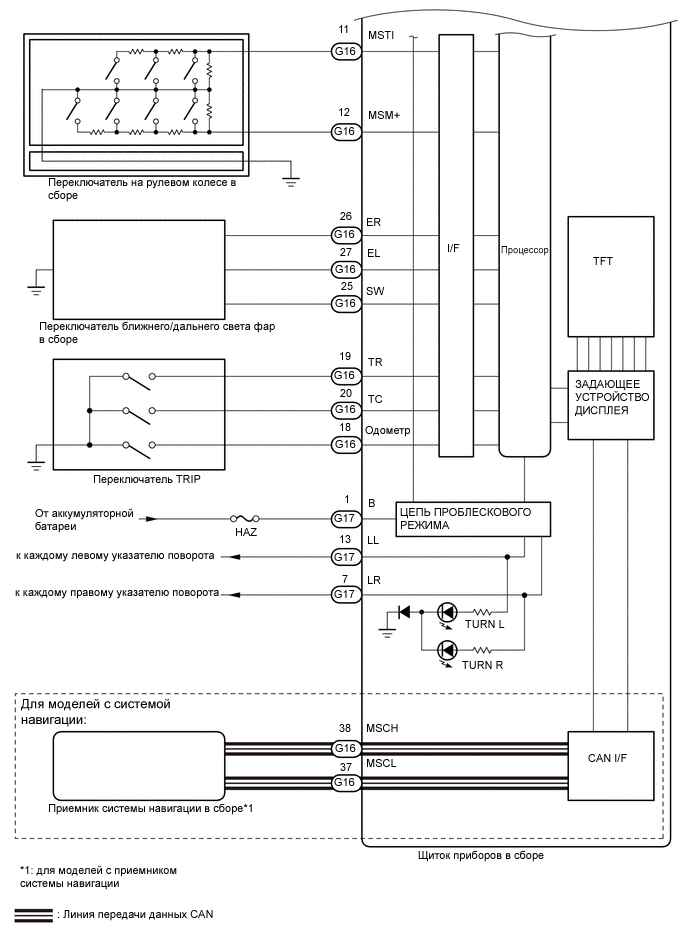
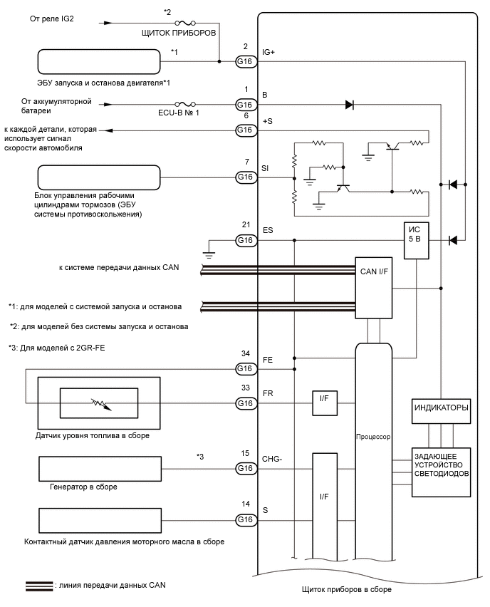
  1. СИГНАЛ ШИНЫ CAN

    Нажмите здесь Click here

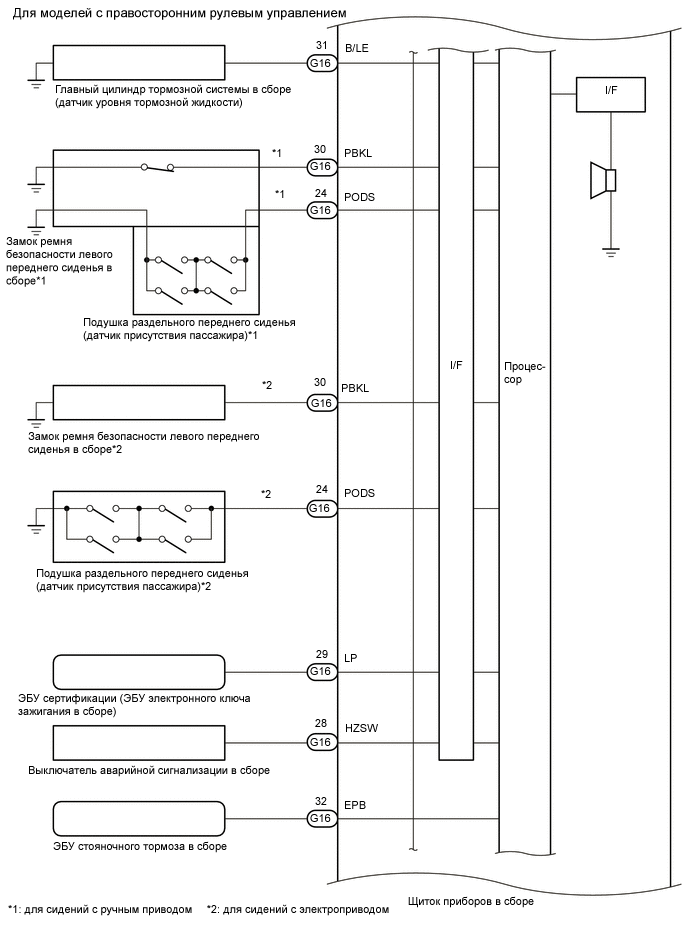
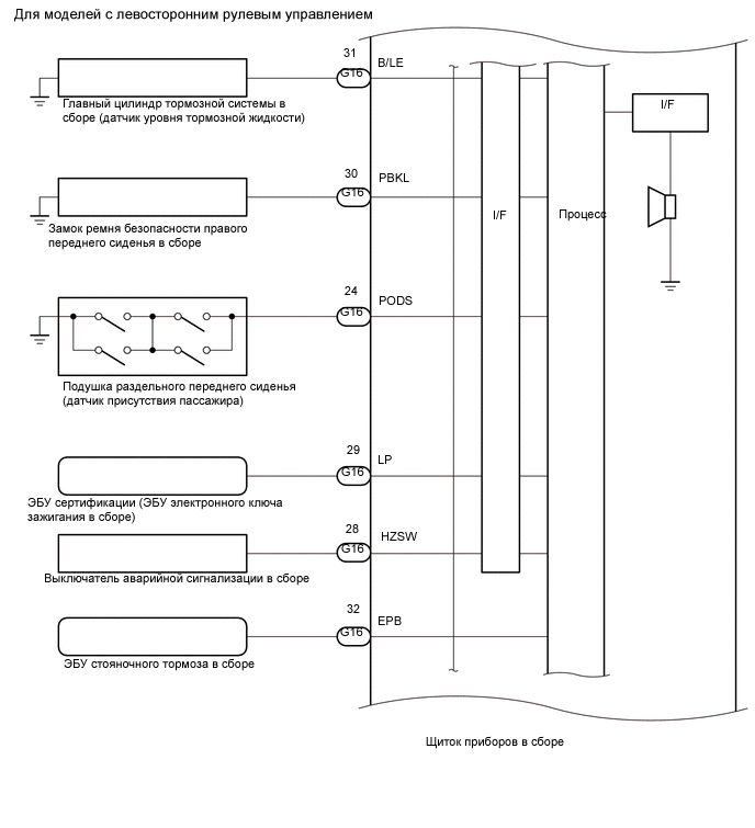
  2. СИГНАЛ ПРЯМОГО СОЕДИНЕНИЯ

    A01IF40E01
    A01IK5YE01
    A01IKYDE01
    A01IHUJE01
    A01IHUJE04