СИСТЕМА ИЗМЕРИТЕЛЬНЫХ ПРИБОРОВ И ИНДИКАТОРОВ СХЕМА СИСТЕМЫ


  1. СИГНАЛ ШИНЫ CAN


    • Для моделей с левосторонним рулевым управлением:

      Нажмите здесь Click here

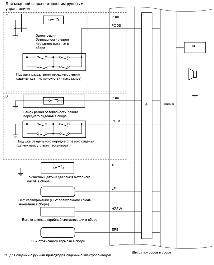
    • Для моделей с правосторонним рулевым управлением

      Нажмите здесь Click here

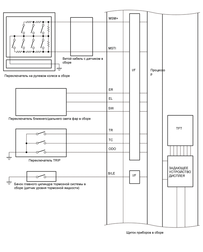
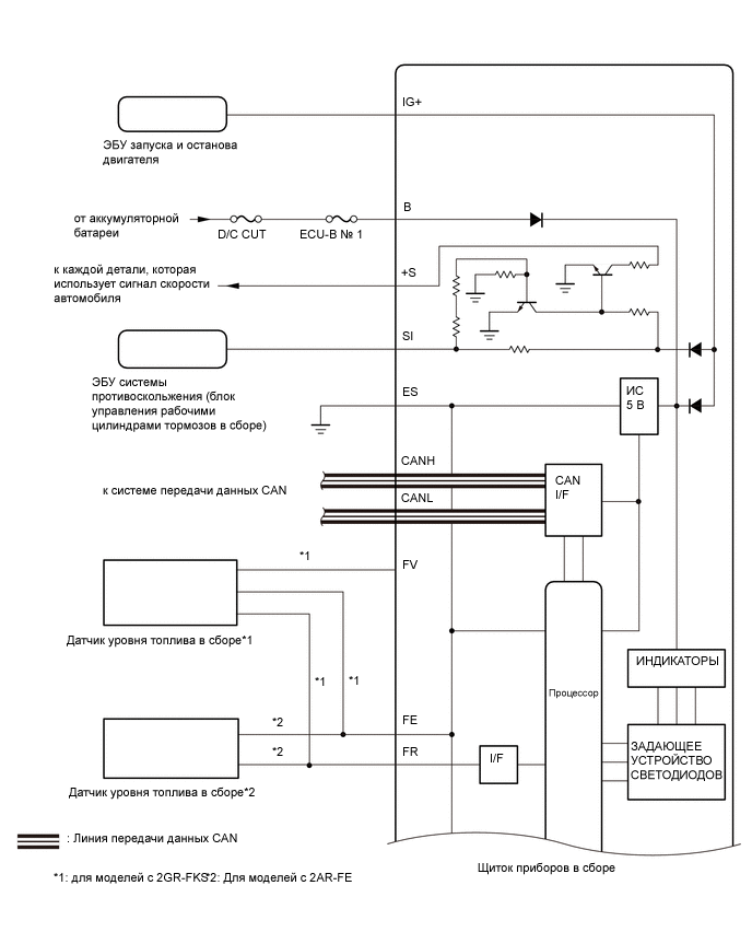
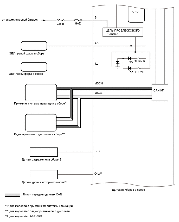
  2. СИГНАЛ ПРЯМОГО СОЕДИНЕНИЯ

    B006QNQE01
    B006NQUE01
    B006Q40E01
    B006PL4E01
    B006OHEE01
    B006MBIE03