SMART ENTRY AND START SYSTEM(for Start Function) New Key cannot be Registered

DESCRIPTION

If a new electrical key transmitter sub-assembly could not be registered, wave interference or a malfunction of the certification ECU (smart key ECU assembly), electrical key transmitter sub-assembly, steering lock ECU (steering lock actuator or upper bracket assembly) or door control receiver assembly is suspected.

The registration procedure to add another electrical key transmitter sub-assembly (without replacing any parts) is called "additional key ID registration".

If additional registration is not possible, refer to Additional Key cannot be Registered.

Click here

Tech Tips


    If any of the following have been performed, registration of all electrical key transmitter sub-assemblies is necessary:

  • The certification ECU (smart key ECU assembly) has been replaced.

  • The certification ECU (smart key ECU assembly) and steering lock ECU (steering lock actuator or upper bracket assembly) have been replaced.

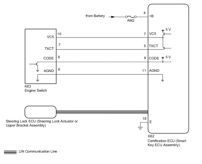
WIRING DIAGRAM

B004IQTE01

CAUTION / NOTICE / HINT

Note


  • New registration mode can be entered only when no electrical key transmitter sub-assemblies are stored in the certification ECU (smart key ECU assembly).

  • When using the GTS with the engine switch off, connect the GTS to the DLC3 and turn a courtesy light switch on and off at intervals of 1.5 seconds or less until communication between the GTS and the vehicle begins. Then select Model Code "KEY REGIST" under manual mode and enter the following menus: Body Electrical / Entry&Start(CAN). While using the GTS, periodically turn a courtesy light switch on and off at intervals of 1.5 seconds or less to maintain communication between the GTS and the vehicle.

  • The smart entry and start system (for Start Function) uses the LIN communication system and CAN communication system. Inspect the communication function by following How to Proceed with Troubleshooting. Troubleshoot the smart entry and start system (for Start Function) after confirming that the communication systems are functioning properly.

    Click here

  • Before replacing the electrical key transmitter sub-assembly, certification ECU (smart key ECU assembly) or steering lock ECU (steering lock actuator or upper bracket assembly), refer to Service Bulletin.

  • Inspect the fuses for circuits related to this system before performing the following procedure.

  • After repair, confirm that no DTCs are output.

PROCEDURE


  1. CHECK FOR DTC


    1. Check for DTCs.


      Body Electrical > Entry&Start > Trouble Codes

      Note

      If a malfunction occurs, do not remove/install the vehicle battery before checking for DTCs.

      OK
      DTCs are not output.
      Result
      Proceed to
      OK
      NG

    NG
    OK
  2. READ VALUE USING GTS (NUMBER OF REGISTERED KEY CODES)


    1. Connect the GTS to the DLC3.

    2. Turn the engine switch on (IG).

    3. Turn the GTS on.

    4. Enter the following menus: Body Electrical / Entry&Start / Data List.

    5. Read the Data List according to the display on the GTS.


      Body Electrical > Entry&Start > Data List
      Tester Display Measurement Item Range Normal Condition Diagnostic Note
      Number of Registered Key Codes Number of registered electrical key transmitter sub-assemblies 0 to 8 Number of registered electrical key transmitter sub-assemblies Up to 7 electrical key transmitter sub-assemblies can be registered.

      Body Electrical > Entry&Start > Data List
      Tester Display
      Number of Registered Key Codes

      Tech Tips

      A new certification ECU (smart key ECU assembly) will be have no electrical key transmitter sub-assemblies registered.

      OK
      "0" is displayed on the GTS display.
      Result
      Proceed to
      OK
      NG

    NG
    OK
  3. READ VALUE USING GTS (OPERATION HISTORY)


    1. Connect the GTS to the DLC3.

    2. Turn the engine switch on (IG).

    3. Turn the GTS on.

    4. Enter the following menus: Body Electrical / Entry&Start / Utility / Operation History / Certification ECU operation log of ID code registration.


      Body Electrical > Entry&Start > Utility
      Tester Display
      Operation History
    5. Check the freeze frame data.

      Certification ECU operation log of ID code registration
      Parameter Name Detection Condition Trouble Area Proceed to
      Failed Registration Mode
      • A registration request was sent while in another mode.

      • During registration a different registration request was sent.

      Certification ECU (smart key ECU assembly) A
      Vehicle ID not set A vehicle ID has not been registered in the certification ECU (smart key ECU assembly). Certification ECU (smart key ECU assembly) B
      Key Registration Max A registration request is sent when the maximum number of electrical key transmitter sub-assemblies has already been registered. Certification ECU (smart key ECU assembly) C

      Vehicle Speed Too High

      (This applies only when registration fails even though the vehicle is stationary. Make sure that the vehicle is stationary first.)

      A registration request is sent with a vehicle speed of 5 km/h or more. Certification ECU (smart key ECU assembly) D
      No ECU Response The steering lock ECU (steering lock actuator or upper bracket assembly) was not connected.
      • Certification ECU (smart key ECU assembly)

      • Steering lock ECU (steering lock actuator or upper bracket assembly)

      E
      L Code Verification Error The L codes registered in the certification ECU (smart key ECU assembly) and steering lock ECU (steering lock actuator or upper bracket assembly) did not match.
      • Certification ECU (smart key ECU assembly)

      • Steering lock ECU (steering lock actuator or upper bracket assembly)

      F
      Key Verification: Max Number The number of electrical key transmitter sub-assemblies registered in the certification ECU (smart key ECU assembly) was more than 7. Certification ECU (smart key ECU assembly) C
      Key Verification: Amp Abnormal Malfunction of the immobiliser amplifier, such as a short to ground.
      • Certification ECU (smart key ECU assembly)

      • Engine switch

      G
      Key Verification: Read Error Although a registered electrical key transmitter sub-assembly was held near the engine switch, immobiliser function certification was not successful.
      • Certification ECU (smart key ECU assembly)

      • Electrical key transmitter sub-assembly

      H
      Unverified Key Although all of the registered electrical key transmitter sub-assemblies had been held near the engine switch, electrical key transmitter sub-assembly registration was not possible due to immobiliser function certification not being successful.
      • Certification ECU (smart key ECU assembly)

      • Electrical key transmitter sub-assembly

      I
      Transponder Key Amp Error Malfunction of the immobiliser amplifier, such as a short to ground.
      • Certification ECU (smart key ECU assembly)

      • Engine switch

      G
      New Key Registration Error Although an unregistered electrical key transmitter sub-assembly was held near the engine switch, electrical key transmitter sub-assembly registration is not possible due to immobiliser function certification not being successful.
      • Certification ECU (smart key ECU assembly)

      • Electrical key transmitter sub-assembly

      J
      New Key Vehicle ID Error Although an unregistered electrical key transmitter sub-assembly was held near the engine switch, electrical key transmitter sub-assembly registration is not possible due to the vehicle ID not being stored successfully.
      • Certification ECU (smart key ECU assembly)

      • Electrical key transmitter sub-assembly

      J
      New Key Registration Failed After successful immobiliser function certification, time expired before smart recognition completion confirmation or a registration cancellation request was sent.
      • Certification ECU (smart key ECU assembly)

      • Electrical key transmitter sub-assembly

      J
      New Key Already Registered Although a registered electrical key transmitter sub-assembly was held near the engine switch, time expired or a registration cancellation request was sent. Certification ECU (smart key ECU assembly) K
      New Key ID Code Error Electrical key transmitter sub-assembly registration was not possible due to the certification ECU (smart key ECU assembly) not being able to store the information of the electrical key transmitter sub-assembly to EEPROM correctly. Certification ECU (smart key ECU assembly) B
      No Response Registering L/S Code The certification ECU (smart key ECU assembly) or steering lock ECU (steering lock actuator or upper bracket assembly) was not connected.
      • Certification ECU (smart key ECU assembly)

      • Steering lock ECU (steering lock actuator or upper bracket assembly)

      E
      L Code Verification NG The L code could not be stored by the steering lock ECU (steering lock actuator or upper bracket assembly).
      • Certification ECU (smart key ECU assembly)

      • Steering lock ECU (steering lock actuator or upper bracket assembly)

      F
      Key Number Write Error The certification ECU (smart key ECU assembly) could not store the number of electrical key transmitter sub-assemblies to EEPROM. Certification ECU (smart key ECU assembly) B
      ID Code BOX Write Error The certification ECU (smart key ECU assembly) could not store the information of whether the ID code box was provided in the vehicle to EEPROM. Certification ECU (smart key ECU assembly) B

    B
    C
    D
    E
    F
    G
    H
    I
    J
    K
    A
  4. CHECK REGISTRATION MODE


    1. Make sure that another mode or different registration mode is not selected.

      OK
      Another mode or a different registration mode is not selected.

      Tech Tips

      If any mode has been selected, it is necessary to cancel the mode.

      Result
      Proceed to
      OK
      NG

    OK
    NG
  5. READ VALUE USING GTS (VEHICLE SPEED METER)


    1. Connect the GTS to the DLC3.

    2. Turn the engine switch on (IG).

    3. Turn the GTS on.

    4. Enter the following menus: Body Electrical / Combination Meter / Data List.

    5. Read the Data List according to the display on the GTS.


      Body Electrical > Combination Meter > Data List
      Tester Display Measurement Item Range Normal Condition Diagnostic Note
      Vehicle Speed Meter Vehicle speed Min.: 0, Max.: 255 Almost same as actual vehicle speed (Speedometer tester) -

      Body Electrical > Combination Meter > Data List
      Tester Display
      Vehicle Speed Meter
      OK
      "0 km/h (0 mph)" is displayed when the vehicle is stationary.
      Result
      Proceed to
      OK
      NG

    OK
    NG
  6. REPLACE CERTIFICATION ECU (SMART KEY ECU ASSEMBLY)


    1. Temporarily replace the certification ECU (smart key ECU assembly) with a new one and register the electrical key transmitter sub-assemblies.

      Tech Tips

      Refer to Service Bulletin.

      OK
      All of the electrical key transmitter sub-assemblies could be registered to the new certification ECU (smart key ECU assembly) successfully.
      Result
      Proceed to
      OK
      NG

    OK
    NG
  7. CHECK ELECTRICAL KEY TRANSMITTER SUB-ASSEMBLY


    1. Make sure that a registered electrical key transmitter sub-assembly is being used.

      OK
      A registered electrical key transmitter sub-assembly is being used.
      Result
      Proceed to
      OK
      NG

    NG
    OK
  8. CHECK NUMBER OF REGISTERED ELECTRICAL KEY TRANSMITTER SUB-ASSEMBLIES


    1. Check the number of registered electrical key transmitter sub-assemblies.

      Result
      Result Proceed to
      Only one electrical key transmitter sub-assembly is registered A
      2 or more electrical key transmitter sub-assemblies are registered B

    A
    B
  9. REREGISTRATION


    1. Reregister the electrical key transmitter sub-assemblies using different order combinations.

      Tech Tips


      • If there are 2 or more electrical key transmitter sub-assemblies, make sure that the number of order combinations is the same as the number of electrical key transmitter sub-assemblies so that each transmitter can be checked first.

      • Refer to Service Bulletin.

      Example: When there are 3 registered electrical key transmitter sub-assemblies (A, B and C).
      Combination Order*
      1 A → B → C
      2 B → C→ A
      3 C → A → B

      • *: Except for the first electrical key transmitter sub-assembly, the remaining electrical key transmitter sub-assemblies can be checked in any order.

      OK
      "Key Verification: Read Error" is not displayed.
      Result
      Proceed to
      OK
      NG

    OK
    NG
  10. REPLACE CERTIFICATION ECU (SMART KEY ECU ASSEMBLY)


    1. Temporarily replace the certification ECU (smart key ECU assembly) with a new one and register the electrical key transmitter sub-assemblies.

      Tech Tips

      Refer to Service Bulletin.

      OK
      All of the electrical key transmitter sub-assemblies could be registered to the new certification ECU (smart key ECU assembly) successfully.
      Result
      Proceed to
      OK
      NG

    OK
    NG
  11. CHECK FOR ELECTRICAL KEY TRANSMITTER SUB-ASSEMBLY


    1. Check that all registered electrical key transmitter sub-assemblies are available.

      OK
      No registered electrical key transmitter sub-assemblies are missing.
      Result
      Proceed to
      OK
      NG

    NG
    OK
  12. REREGISTRATION


    1. Register the electrical key transmitter sub-assemblies using different order combinations.

      Tech Tips


      • If there are 2 or more electrical key transmitter sub-assemblies, make sure that the number of order combinations is the same as the number of electrical key transmitter sub-assemblies so that each transmitter can be checked first.

      • Refer to Service Bulletin.

      Example: When there are 3 registered electrical key transmitter sub-assemblies (A, B and C).
      Combination Order*
      1 A → B → C
      2 B → C→ A
      3 C → A → B

      • *: Except for the first electrical key transmitter sub-assembly, the remaining electrical key transmitter sub-assemblies can be checked in any order.

      OK
      "Key Verification: Read Error" is not displayed.
      Result
      Proceed to
      OK
      NG

    OK
    NG
  13. REREGISTRATION


    1. Using an unregistered electrical key transmitter sub-assembly, register the ID.

      Tech Tips

      Refer to Service Bulletin.

      OK
      The key ID can be registered.
      Result
      Proceed to
      OK
      NG

    OK
    NG